Главная Случайная страница


Полезное:

Как сделать разговор полезным и приятным Как сделать объемную звезду своими руками Как сделать то, что делать не хочется? Как сделать погремушку Как сделать так чтобы женщины сами знакомились с вами Как сделать идею коммерческой Как сделать хорошую растяжку ног? Как сделать наш разум здоровым? Как сделать, чтобы люди обманывали меньше Вопрос 4. Как сделать так, чтобы вас уважали и ценили? Как сделать лучше себе и другим людям Как сделать свидание интересным?


Категории:

АрхитектураАстрономияБиологияГеографияГеологияИнформатикаИскусствоИсторияКулинарияКультураМаркетингМатематикаМедицинаМенеджментОхрана трудаПравоПроизводствоПсихологияРелигияСоциологияСпортТехникаФизикаФилософияХимияЭкологияЭкономикаЭлектроника






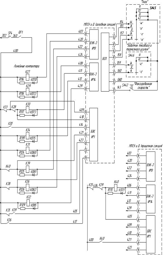
Управление тяговыми электродвигателями на последовательном соединении





На первой позиции получают питание электромагнитные вентили линейных контакторов К27, К29…К32, К34 и К36 на всех секциях электровоза (см. рисунок 22). На головной секции получает питание электромагнитный вентиль контактора К39. На прицепной секции получает питание электромагнитный вентиль контактора К40.

На последующих позициях последовательного соединения тяговых электродвигателей, вплоть по 23 позицию, перечисленные выше линейные контакторы остаются включенными. Система МПСУ и Д производит включение реостатных контакторов в соответствии с таблицей 1.1 настоящего Руководства.

 

 

 
 

Рисунок 22.Схема цепи управления в режиме тяги на первой позиции последовательного соединения тяговых двигателей

 

 
 

В систему МПСУ и Д поступают сигналы от вспомогательных контактов линейных контакторов. МПСУ и Д использует полученные сигналы для анализа правильности срабатывания линейных контакторов.

 

Рисунок 23. Схема цепи управления в режиме тяги на 24-й позиции

последовательно-параллельного соединения тяговых двигателей

 

 







Date: 2015-06-11; view: 651; Нарушение авторских прав



mydocx.ru - 2015-2026 year. (0.312 sec.) Все материалы представленные на сайте исключительно с целью ознакомления читателями и не преследуют коммерческих целей или нарушение авторских прав - Пожаловаться на публикацию