Главная Случайная страница


Полезное:

Как сделать разговор полезным и приятным Как сделать объемную звезду своими руками Как сделать то, что делать не хочется? Как сделать погремушку Как сделать так чтобы женщины сами знакомились с вами Как сделать идею коммерческой Как сделать хорошую растяжку ног? Как сделать наш разум здоровым? Как сделать, чтобы люди обманывали меньше Вопрос 4. Как сделать так, чтобы вас уважали и ценили? Как сделать лучше себе и другим людям Как сделать свидание интересным?


Категории:

АрхитектураАстрономияБиологияГеографияГеологияИнформатикаИскусствоИсторияКулинарияКультураМаркетингМатематикаМедицинаМенеджментОхрана трудаПравоПроизводствоПсихологияРелигияСоциологияСпортТехникаФизикаФилософияХимияЭкологияЭкономикаЭлектроника






Лабораторная работа № 5. Исследование гидропривода





 

Исследование гидропривода

объемного регулирования

 

 

Цель работы: Ознакомление с блоками библиотеки пакета Simulink, используемыми при моделировании нелинейных систем управления. Разработка машинной модели гидропривода объемного регулирования и исследование его динамики на ЭВМ.

Гидропривод используется в качестве силовой части электрогидравлических следящих систем. Гидроприводы отличаются высоким быстродействием, большими развиваемыми усилиями и крутящими моментами при относительно малых моментах инерции вращающихся частей исполнительных двигателей (ИД), легкостью защиты от перегрузок.

По виду средств, с помощью которых осуществляется регулирование скорости ИД, гидроприводы разделяются на гидроприводы объемного регулирования и гидроприводы дроссельного регулирования.

В гидроприводе объемного регулирования изменение скорости ИД осуществляется путем изменения рабочего объема насоса и в отдельных случаях гидромотора.

Гидроприводы объемного регулирования обладают высоким КПД, жесткой механической характеристикой, большим диапазоном регулирования, плавностью движения на малых скоростях. К недостаткам гидроприводов объемного регулирования следует отнести более сложную конструкцию и меньшее быстродействие по сравнению с гидроприводами дроссельного регулирования.

В гидроприводах дроссельного регулирования частота вращения ИД определяется сопротивлением управляющих дросселей, включенных последовательно или параллельно с ИД.

Схема гидропривода объемного регулирования приведена на рис. 1. Кроме основных элементов –насоса и гидромотора, определяющих статические и динамические характеристики гидропривода, она содержит систему подпитки, предохранительные устройства, фильтр, пополнительный бак. Насос Н приводится во вращение приводным электродвигателем ПД. При повороте органа регулирования насоса – люльки изменяется его производительность. Насос Н соединен магистральными трубопроводами Т с исполнительным двигателем ИД. Давление в магистрали всасывания насоса Н создается вспомогательным насосом ВН, который одновременно обслуживает узлы гидроавтоматики механизма управления.

 
 


Рис. 1. Схема гидропривода объемного регулирования

 

Рабочая жидкость из вспомогательного насоса ВН подается через фильтр Ф к подпиточным клапанам ПК, обеспечивающим избыточное давление в магистрали всасывания в пределах 0,8 – 1 МПа. Избыточное количество рабочей жидкости удаляется через сливной клапан СК в пополнительный бак БП, а давление подпитки ограничивается предохранительным клапаном ППК. Ограничение давления в магистралях гидропривода производится предохранительными клапанами МПК. Пополнительный бак предназначен для пополнения гидропривода рабочей жидкостью с целью компенсации потерь от внешних утечек и поддержания постоянного объема рабочей жидкости в гидроприводе при повышении или понижении температуры.

Процессы в гидроприводе описываются уравнениями расходов в отдающей и приемной полостях насоса, а также уравнением моментов на валу исполнительного двигателя (гидромотора) [8].

Входной величиной гидропривода являются параметр регулирования насоса e(t), представляющий собой отношение значения угла поворота люльки αл насоса к его максимальному значению αл.max, т.е.:

Выходной величиной является скорость исполнительного двигателя.

На рис. 2 изображена схема расходов гидропривода. Отдающая полость насоса обозначена цифрой 1, а приемная полость – цифрой 2.

Уравнения расходов отдающей и приемной полостей насоса имеют вид:

Рис. 2. Схема расходов гидропривода

(1)

(2)

 

где Q н (t) – геометрическая подача насоса, см3/c;

Q гм (t) – геометрический расход гидромотора, см3/c;

Q д.1 (t), Q д.2 (t) – деформационные расходы рабочей жидкости в полостях 1, 2, см3/c;

Q у.1 (t), Q у.2 (t) – расходы утечек рабочей жидкости из полостей 1, 2, см3/c;

Q п – расход перетечек из полости 1 в полость 2, см3/c;

Q н к.1 (t), Q н к.2 (t), Q гм к.1 (t), Q гм к.2 (t) – расходы, определяемые компрессией и декомпрессией рабочей жидкости при прохождении ее соответственно через насос и гидромотор, см3/c;

Q пп.1 (t), Q пп.2 (t) – расходы системы подпитки, см3/c.

 

Как правило, расходы, вызываемые компрессией и декомпрессией рабочей жидкости при прохождении ее через гидромашину, имеют малую величину. Поэтому ими при исследовании динамики ЭГСС пренебрегают. Остальные слагаемые уравнений расходов (1), (2) определяются по следующим выражениям:


(3)

(4)

(5)

(6)

(7)

(8)

(9)

(10)

(11)

(12)

где w н – характерный объем насоса, т.е. объем несжимаемой рабочей жидкости, подаваемой насосом при повороте его ротора на один радиан, при максимальном значении параметра регулирования и отсутствии утечек и перетечек, см3/рад;

w гм – характерный объем гидромотора, см3/рад;

Ωн (t), Ωгм(t) – угловые скорости насоса и гидромотора, рад/с;

V 1, V 2 – объемы рабочей жидкости в полостях 1 и 2 гидропривода, см3;

E =14000 кг/см2 – объемный модуль упругости рабочей жидкости;

p 1 (t), p 2 (t) – давления в полостях 1 и 2, кг/см2;

K у, K п – коэффициенты утечек и перетечек, см5/(кг·с);

Qп.max – расход перетечек при срабатывании предохранительного клапана (при превышении допустимого перепада давлений), см3/с;

K п.max – коэффициент перетечек при срабатывании предохранительного клапана, см5/(кг·с);

p 0 – давление рабочей жидкости в системе подпитки, кг/см2;

K пп – коэффициент перетечек рабочей жидкости из системы подпитки в магистральный трубопровод, см5/(кг·с).

Уравнение моментов на валу гидромотора имеет следующий вид:

(13)

 

где J – момент инерции ротора гидромотора с учетом момента инерции нагрузки, приведенного к валу ГМ, кг·м2;

M н.гм – момент нагрузки, приведенный к валу гидромотора, Н·м;

M гм – момент, развиваемый гидромотором, Н·м:

(14)

где g =9,81 м/с2 – ускорение свободного падения.

 

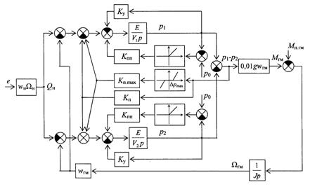
Структурная схема гидропривода объемного регулирования, составленная по уравнениям (1) – (14), приведена на рис. 3.

Рис. 3. Структурная схема гидропривода объемного регулирования







Date: 2015-07-17; view: 1253; Нарушение авторских прав



mydocx.ru - 2015-2026 year. (0.458 sec.) Все материалы представленные на сайте исключительно с целью ознакомления читателями и не преследуют коммерческих целей или нарушение авторских прав - Пожаловаться на публикацию