Главная Случайная страница


Полезное:

Как сделать разговор полезным и приятным Как сделать объемную звезду своими руками Как сделать то, что делать не хочется? Как сделать погремушку Как сделать так чтобы женщины сами знакомились с вами Как сделать идею коммерческой Как сделать хорошую растяжку ног? Как сделать наш разум здоровым? Как сделать, чтобы люди обманывали меньше Вопрос 4. Как сделать так, чтобы вас уважали и ценили? Как сделать лучше себе и другим людям Как сделать свидание интересным?


Категории:

АрхитектураАстрономияБиологияГеографияГеологияИнформатикаИскусствоИсторияКулинарияКультураМаркетингМатематикаМедицинаМенеджментОхрана трудаПравоПроизводствоПсихологияРелигияСоциологияСпортТехникаФизикаФилософияХимияЭкологияЭкономикаЭлектроника






Теоретическая часть. Эффективность использования различных измерительных устройств (ИУ) на подвижном основании существенно зависит от качки основания и от применяющихся средств





 

Эффективность использования различных измерительных устройств (ИУ) на подвижном основании существенно зависит от качки основания и от применяющихся средств стабилизации. Под ИУ имеются в виду установленные на подвижном объекте устройства, с помощью которых измеряются различные параметры (углы, линейные скорости, ускорения, перемещения, характеристики физических полей и др.) в инерциальной, земной или другой системах координат. К ним могут быть отнесены пеленгационные устройства, чувствительные элементы систем навигации, управления и другие устройства. Для уменьшения или полного устранения влияния качки на использование ИУ применяют различные методы стабилизации.

Сущность косвенного метода стабилизации [7] состоит в преобразовании угловых координат, характеризующих заданное положение ИУ в земной системе координат, в соответствующие угловые координаты (параметры стабилизации), отнесенные к системе координат, связанной с объектом, и во введении их в наведение ИУ. Решение задачи преобразования координат осуществляется с помощью преобразователей координат (ПК), на вход которых вводятся углы качки объекта, измеряемые гироскопическими устройствами. В ПК вводятся также заданные угловые координаты направления на ориентир в земной системе координат (см. рис. 1). ПК преобразует их в угловые координаты, отнесенные к системе координат, связанной с объектом. Последние называют также полными углами вертикального Ф и горизонтального Q наведения. Полные углы наведения вводятся в приводы ВН и ГН, которые разворачивают ИУ в заданном направлении и удерживают его при качке и рыскании объекта.

Рис. 1. Блок-схема системы косвенной стабилизации ИУ

 

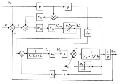
Рассмотрим уравнения системы косвенной стабилизации ИУ в вертикальной плоскости при наличии продольной качки. Пусть в качестве силовой части привода стабилизации используются двигатель постоянного тока независимого возбуждения и транзисторный усилитель мощности. При составлении уравнений движения системы стабилизации будем считать механическую передачу, соединяющую ИУ и исполнительный двигатель привода стабилизации, абсолютно жесткой и безлюфтовой. С учетом этого допущения уравнение моментов, действующих относительно оси стабилизации, будет иметь вид:

(1)

где J иу – момент инерции ИУ;

J д – момент инерции ротора исполнительного двигателя;

φиу – угол поворота ИУ относительно подвижного объекта;

φо – угол продольной качки объекта;

t – время;

i – передаточное число механической передачи (редуктора);

M тр – момент сухого трения относительно оси стабилизации ИУ;

M ну - момент неуравновешенности ИУ;

M д – момент двигателя.

Момент двигателя M д определяется по выражению:

(2)

где с м – коэффициент момента;

i я – ток якоря.

Уравнение напряжений для цепи якоря двигателя:

(3)

где U я – напряжение на якоре двигателя;

R я – сопротивление цепи якоря;

T я – электромагнитная постоянная времени двигателя;

с е – коэффициент противо-ЭДС.

Напряжение на якоре двигателя определяется по уравнениям:

(4)

где K ум – коэффициент передачи усилителя мощности (УМ);

U упр – напряжение управления на входе УМ;

U п – напряжение источника питания.

(5)
Напряжение управления U упр определяется по уравнению:

где W кз – передаточная функция корректирующего звена;

ε – ошибка привода.

Ошибка ε определяется по выражению:

(6)

По уравнениям (1) – (6) составлена структурная схема системы стабилизации, приведенная на рис. 2.

Для повышения точности стабилизации ИУ при качке основания используется сигнал абсолютной скорости ИУ, измеряемый гироскопическим датчиком скорости. Структурная схема системы стабилизации с введением обратной связи по абсолютной скорости ИУ приведена на рис. 3.

Рис. 2. Структурная схема системы стабилизации

Рис. 3. Структурная схема системы стабилизации с обратной связью

по скорости ИУ


Описание лабораторной установки

 

Исследование точности и переходных процессов системы стабилизации проводится на персональных ЭВМ с использованием пакета Simulink, входящего в среду программных средств MATLAB.

 







Date: 2015-07-17; view: 701; Нарушение авторских прав



mydocx.ru - 2015-2026 year. (0.84 sec.) Все материалы представленные на сайте исключительно с целью ознакомления читателями и не преследуют коммерческих целей или нарушение авторских прав - Пожаловаться на публикацию