Главная Случайная страница


Полезное:

Как сделать разговор полезным и приятным Как сделать объемную звезду своими руками Как сделать то, что делать не хочется? Как сделать погремушку Как сделать так чтобы женщины сами знакомились с вами Как сделать идею коммерческой Как сделать хорошую растяжку ног? Как сделать наш разум здоровым? Как сделать, чтобы люди обманывали меньше Вопрос 4. Как сделать так, чтобы вас уважали и ценили? Как сделать лучше себе и другим людям Как сделать свидание интересным?


Категории:

АрхитектураАстрономияБиологияГеографияГеологияИнформатикаИскусствоИсторияКулинарияКультураМаркетингМатематикаМедицинаМенеджментОхрана трудаПравоПроизводствоПсихологияРелигияСоциологияСпортТехникаФизикаФилософияХимияЭкологияЭкономикаЭлектроника






Активные методы защиты связи от опасных и мешающих влияний





В контактной сети электрических железных дорогах и в промышленных линиях электропередачи постоянного тока при 6-ти фазной схеме выпрямления присутствуют гармоники с частотой, кратной 300 Гц, если система напряжений симметрична, и 100 Гц, если система напряжений несимметрична (см. подразд. 1.3; 1.4).

Для уменьшения влияний линий постоянного тока, имеющих гармоники, то есть для обеспечения электромагнитной совместимости этих линий с линиями связи, на преобразовательных подстанциях устанавливают сглаживающие устройства, состоящие из реакторов и резонансных контуров. Реакторы, включаемые последовательно с влияющей линией, уменьшают амплитуды гармоник. Резонансные контуры, включаемые параллельно, состоят из последовательно включенных конденсаторов и индуктивных катушек.

Сопротивление такого контура для одной частоты можно сделать равным нулю, подобрав соответствующие L и С. Сглаживающие устройства имеют, в зависимости от их типа, несколько резонансных цепочек. Более подробно о сглаживающих устройствах изложено в [10].

В контактной сети электрических железных дорог переменного тока имеются гармоники нечетного порядка, причем источником этих гармоник служит электровоз, (см. схему, представленную на рис. 6.3).

Гармоники I3, I5, I7 и др., протекают в контуре, состоящем из индуктивного сопротивления контактной сети xкс, трансформатора подстанции xт и электровоза xэ. Кроме того, имеется распределенная емкость между контактным проводом и рельсом xс. При перемещении электровоза сопротивления xкс, xс, xэ непрерывно изменяются, поэтому для каждой гармоники имеется такое расположение электровоза на зоне, при котором индуктивное и емкостное сопротивления контура равны, при этом наступает резонанс напряжений, при резонансе резко возрастают амплитуды гармоник, что является причиной увеличения магнитного влияния на линии связи. Поэтому необходимо ликвидировать условия возникновения резонансных явлений для гармоник тональных частот 500–1300 Гц, звуковые колебания которых наиболее чувствительно воспринимаются ухом человека.

Для этих целей на подстанции устанавливают демпфирующие устройства, состоящие из активного сопротивления и емкостного, которые изменяют параметры резонирующего контура. Параметры Rд и Сд выбирают так, чтобы стали невозможными резонансные явления для гармоник тональных частот, для этого нужно, чтобы Rд = 20–50 Ом, Сд= 1,5–4 мкФ, (zд =3000–5000 Ом). Ток демпфирующего устройства равен 5–8 А, следовательно, потери активной мощности в нем незначительны. Следует отметить, что изменив параметры контура и выведя из резонанса гармоники тональных частот, мы создаем условия резонанса для других гармоник, а именно для низкочастотных и высокочастотных, но гармоники низкочастотные имеют небольшие значения коэффициента акустического воздействия, а высокочастотные, кроме того, низкие амплитуды, поэтому оба вида гармоник даже при резонансе практически ни увеличивают мешающие влияния.

В случаях, когда требуется уменьшить только электрическое влияние, применяют провод обратного напряжения (ПОН). Назначение ПОН очевидно из рассмотрения схемы его включения (рис. 6.4).

Рис. 6.3. Схема включения демпфирующего устройства

Рис. 6.4. Схема включения провода обратного напряжения

В контактный провод подается напряжение Uк, а в провод ПОН, подвешенный с полевой стороны опоры, напряжение (-Uк), поэтому результирующий потенциал в смежном проводе будет равен В этом выражении – коэффициенты, зависящие от расстояний а1, а2. Эти расстояния соизмеримы, поэтому величина при наличии ПОН значительно меньше, чем . Поскольку ток в проводе ПОН практически отсутствует или очень мал, достаточно в качестве этого провода подвесить стальной провод диаметром 5 мм. Скомпенсировать магнитные влияния воздушной линии до допустимых норм трудно, поэтому эффект от провода ПОН небольшой, вследствие чего в современных условиях его не применяют, но принцип снижения электрического влияния при помощи ПОН используется для уменьшения напряженности электрического поля под проводами ЛЭП сверхвысокого напряжения, о чем будет сказано в разд. 7.

Самым эффективным защитным мероприятием от магнитных влияний является применение отсасывающих трансформаторов. Принцип работы такого трансформатора заключается в следующем. Как было указано в подразд. 2.2, рельсы экранируют смежные линии, причем, чем ближе по значению ток рельса к току контактной сети, тем меньше результирующая ЭДС магнитного влияния.


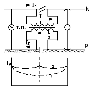
Ток в рельсе Ip индуктируется током контактной сети Iк и определяется выражением , где zкр – сопротивление взаимной индукции между контактным проводом и рельсом, zp – полное сопротивление рельса. Cледовательно, увеличивать ток Ip при заданном токе Iк можно или увеличением магнитной связи контактного провода и рельса (увеличением zкр), или уменьшением сопротивления рельса. Второй путь требует огромных капитальных затрат, суть первого заключается в следующем (рис. 6.5).

Рис. 6.5. Схема включения отсасывающего трансформатора

Первичная обмотка отсасывающего трансформатора включается в рассечку контактного провода (при помощи изолирующего сопряжения), вторичная обмотка – в рассечку рельсовой цепи (при помощи изолирующего стыка), количество витков обеих обмоток обычно одинаково, то есть коэффициент трансформации к = 1, поэтому токи обмоток I1 и I2 равны. Ток Iк = I1, а ток Iр = I2 = I1 только при нахождении в месте установки трансформатора, при удалении же от него ток в рельсе уменьшается ввиду утечки его из рельса в землю.

Изменение тока в рельсе при отсутствии (кривая 1), наличии (кривая 2) отсасывающего трансформатора показано на рис. 6.5. Увеличение тока в рельсе происходит как бы за счет “отсасывания” его из земли трансформатором, отсюда и произошло название “отсасывающий трансформатор”.

Фактически токи I1 и I2 сдвинуты относительно друг друга из-за наличия тока намагничивания на угол меньший чем 180°. Для достижения сдвига по фазе этих токов на 180°, при котором защитное действие
отсасывающего трансформатора возрастает, его первичную или вторичную обмотку шунтируют сопротивлением, при этом коэффициент трансформации трансформатора должен быть больше или меньше единицы. Шунтирующие сопротивления целесообразнее подключать ко вторичной обмотке, так как в этом случае шунт не будет находиться под напряжением контактной сети.

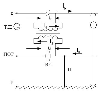
Защитное действие отсасывающего трансформатора подключаемого по схеме, представленной на рис. 6.5, уменьшается вследствие утечки тока из рельса в землю. Поэтому на практике чаще применяется схема (рис. 6.6) включения отсасывающего трансформатора с проводом обратного провода (ПОТ).

Рис. 6.6. Схема включения отсасывающего трансформатора с проводом обратного тока

Вторичная обмотка трансформатора включается в рассечку ПОТ, которая конструктивно осуществляется при помощи врезного изолятора (ВИ). Для обеспечения протекания тока вторичной обмотки между ПОТ и рельсом устанавливается перемычка (П). Если коэффициент трансформации отсасывающего трансформатора то I2 = I1 = Iк, ток ПОТ I0 = I2 = Iк.

Поскольку ПОТ соединен с рельсами только у перемычки и тяговой подстанции, ток I0 остается неизменным и равным току Iк на всем участке между перемычкой и тяговой подстанцией, поэтому защитное действие схемы, представленной на рис. 6.6 больше чем схемы на рис. 6.5.

Через первичную обмотку отсасывающего трансформатора протекает весь ток контактной сети, поэтому мощность трансформатора где U1 – напряжение на входе первичной обмотки, равное падению напряжения на ней от тока Iк, то есть, здесь –сопротивление нагрузки отсасывающего трансформатора, которая определяется выражением (U2 – напряжение на входе вторичной обмотки). Величина зависит [11] от места нахождения электровоза, расстояния между перемычками, от сопротивлений провода ПОТ, рельса, от сопротивлений взаимной индукции между проводом ПОТ и контактным проводом, проводом ПОТ и рельсом, от проводимости земли и других факторов. Как показали эксперименты [11], значение колеблется в пределах 1,1–2,1 Ом. Если принять Iк = 300 А, = 1,4 Ом, то U1 = 300 1,4 = 420 В, тогда мощность отсасывающего трансформатора будет равна кВА, эта же величина может быть найдена другим способом: кВА. Как видно, мощность отсасывающего трансформатора по сравнению с мощностью трансформаторов тяговых подстанций ( мВА) составляет незначительную долю. Промышленностью выпускаются отсасывающие трансформаторы следующих типов: ОМО-320/20А, ОМО-800/20А, ОМО-320/20. Маркировка обозначает: отсасывающий, с масляным охлаждением, однофазный. Трансформатор с буквой А имеет алюминиевую обмотку, без буквы А – медную. Номинальная мощность трансформаторов 75, 105, 225 кВА. Коэффициент трансформации отсасывающего трансформатора можно менять в пределах 0,895–1,14 с интервалом 3 %, что необходимо при подключении шунтов на первичной или вторичной обмотках трансформатора.


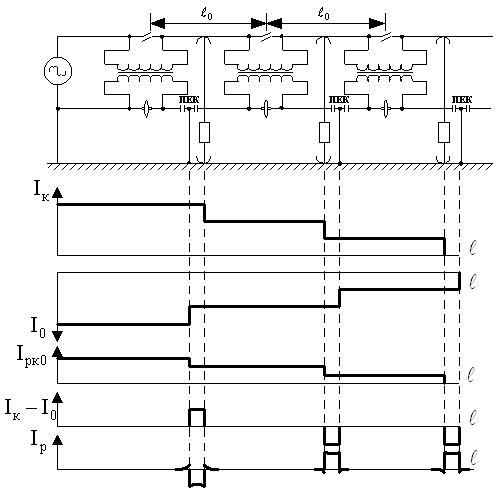
Если на подстанционной зоне установить только один отсасывающий трансформатор, то при значительном удалении от него электровоза ток I0 будет равен току Iк только на участке между подстанциями и перемычкой П, поэтому для поддержания тока I0 на уровне тока Iк на всей зоне необходимо установить несколько отсасывающих трансформаторов, [11], (рис. 6.7).

Рис. 6.7. Схема включения группы отсасывающих трансформаторов

Здесь на диаграммах: Iк – ток в контактной сети на участках зоны; I0 – ток в обратном проводе на тех же участках. Ток Iк индуктирует в рельсах ЭДС Eрк, а ток I0 – ЭДС Еро, эти ЭДС отстают от соответствующих токов (рис. 6.8, а, вращение векторов против часовой стрелки) на 90°. Сложив векторы указанных ЭДС, получим суммарную ЭДС в рельсах Ер. Рельсы шунтированы землей, поэтому при наличии ЭДС Ер в них потечет ток, , отстающий от своей ЭДС на угол j.

Таким образом, на смежную линию будет оказывать влияние система, состоящая из трех токов: Iк, Io, Ipко. Ток Iк индуктирует в смежной линии (рис. 6.8, б) ЭДС Еск, ток Io – ЭДС Есо, ток Ipко – ЭДС Еср. Указанные ЭДС отстают от соответствующих токов на 90°. Сложив ЭДС Еск и Есо, получим ЭДС Еско, которая в сумме с ЭДС Еср образует так называемую транзитную ЭДС Ес1. Эта ЭДС не зависит от интервала между отсасывающими трансформаторами.

Рис. 6.8. Векторные диаграммы для определения: а) тока Ipко; б) транзитной ЭДС Ес1

При определении магнитного влияния тяговой сети на линию связи, мы пренебрегали тяговой составляющей тока в рельсе, считая, что ток электровоза целиком протекает по земле, а в рельсе имеется только ток Iрко, индуктированный токами Iк и I0. Такое допущение нельзя принимать для участков рельсов между перемычками и электровозами, так как при близком расположении электровоза от перемычки значительная доля его тока будет течь к перемычке именно по рельсу. Этот ток Iр будет определяться на каждом участке рельса между электровозом и перемычкой разностью токов Iк - I0 (см. диаграмму этой разницы на рис. 6.7), диаграмма тока Iр так же представлена на рис. 6.7. Ток Iр протекает только в отдельных местах рельсовой цепи, поэтому ЭДС, наведенная дополнительно в линии связи этим током, называется местной составляющей Ес2. Результирующая ЭДС Ес, создаваемая тяговой сетью, при наличии отсасывающих трансформаторов, будет равна .


Для уменьшения индуктивного сопротивления провода обратного тока можно применять устройства продольной емкостной компенсации (ПЕК), схема включения ПЕК показана на рис. 6.7.

Располагать ПЕК следует ближе к перемычкам, так как в этих местах разница напряжений между рельсом и ПОТ близка к нулю и уровень изоляции ПЕК относительно земли будет минимальным.







Date: 2015-05-18; view: 1119; Нарушение авторских прав



mydocx.ru - 2015-2026 year. (1.228 sec.) Все материалы представленные на сайте исключительно с целью ознакомления читателями и не преследуют коммерческих целей или нарушение авторских прав - Пожаловаться на публикацию