Главная Случайная страница


Полезное:

Как сделать разговор полезным и приятным Как сделать объемную звезду своими руками Как сделать то, что делать не хочется? Как сделать погремушку Как сделать так чтобы женщины сами знакомились с вами Как сделать идею коммерческой Как сделать хорошую растяжку ног? Как сделать наш разум здоровым? Как сделать, чтобы люди обманывали меньше Вопрос 4. Как сделать так, чтобы вас уважали и ценили? Как сделать лучше себе и другим людям Как сделать свидание интересным?


Категории:

АрхитектураАстрономияБиологияГеографияГеологияИнформатикаИскусствоИсторияКулинарияКультураМаркетингМатематикаМедицинаМенеджментОхрана трудаПравоПроизводствоПсихологияРелигияСоциологияСпортТехникаФизикаФилософияХимияЭкологияЭкономикаЭлектроника






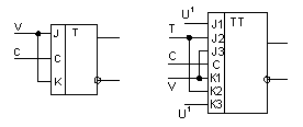
Jk-триггеры





JK-триггеры не имеют неопределенных состояний. При всех входных комбинациях, кроме J = K = 1, они действуют подобно RS-триггеру. Причем J играет роль S, а К=R.

При J=K=1 в каждом такте происходит опрокидывание триггера и выходные сигналы меняют свое значение.

JK-триггеры относятся к универсальным устройствам (регистры, счетчики, делители), но кроме того, путем определенных соединений выводов, легко преобразуются в триггеры других типов.

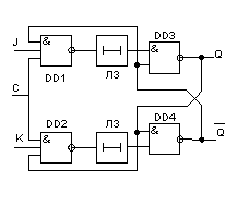
По схеме JK-триггеры отличаются от RS-триггеров наличием обратной связи с выхода на вход, поэтому состояние JK-триггера зависит не только от сигналов на входах J и K, но и от логической связи с ними сигнала с выходов Q и Q¯. Элементы временной задержки играют роль стабилизированного состояния триггера и на его функциональные свойства не влияют. Назначение – создание временного сдвига между моментом ввода входной информации JnQn¯ или KnQn и начала выхода Qn+1 и Qn+1¯.

Без этих цепей во время действия комбинации Jn = Kn = 1 началась бы генерация для предотвращения которой задержка должна быть превыше длительности тактирующих импульсов.

Действие JK-триггера: Qn+1 = Jn Qn¯VKn¯Qn.

 

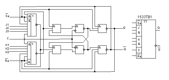
Триггер организован по принципу ведущий-ведомый и имеет по 3 входа J и K, связанных операцией &, синхронный вход С, а также асинхронные входы и для установки триггера в состояние «0» и «1» независимо от сигналов информационных и тактовых входов.

1553ТВ6 – 1553ТВ9

У ТВ6 отсутствует вход , у ТВ10 отсутствует вход . У ТВ11 объединены входы С и для двух триггеров. У ТВ15 – вход , что позволяет преобразовывать эти триггеры путем объединения J и .

 

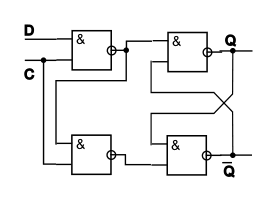
RS-триггер. (в скобках R-триггер)

Е-триггер

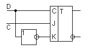
D-триггеры

 

D–триггеры имеют только один информационный вход. Сигнал на выходе Q в такте n+1 повторяет входной сигнал Dn в предыдущем такте n и сохраняет это состояние до следующего тактирующего импульса, то есть осуществляется задержка на один такт информации, существующей на входе D (Delay).

Qn+1 = Dn

 

 

ТМ7

D–триггеры серии ТМ7 со статическим управлением внутренними, объединенными попарно, синхронизирующими входами используются в качестве четырехразрядного регистра хранения информации с попарным тактированием разряда, а также в качестве буферной памяти и элемента задержки.

У ТМ5 отсутствует инверсный выход.

ТМ8 – с динамическим управлением.

 

DV-триггеры

 

У DV-триггера разрешающий уровень появляется до сигнала. Если V = 1, то триггер функционирует как D-триггер, при V = 0 – переходит в режим хранения информации. Это расширяет функцию D-триггера, который не может хранить информацию более одного такта.

 

T- и TV-триггеры.

T-триггер – счетный триггер, который имеет один информационный вход и меняет свое состояние всякий раз, когда меняет свое значение входной сигнал. В зависимости от того, фронт или срез используется для управления, считается, что триггер имеет прямой или инверсный вход. Единственный вид триггера, состояние которого определяется состоянием в предыдущем такте, а не от входной информации. Выполняет операцию сложения по модулю 2. Легко получается из D- или JK-триггера.

 

 

 

TV-триггер Сихронный TV-триггер

 

 

Несимметричные триггеры (Триггеры Шмита).

 

Триггер Шмитта на транзисторах. Нужен для ускорения сигнала.

 

 

  КМОП ТТЛ
R1 (10 50)k (200 500)k
R2 (0,1 1)k (2,2 3,3)k

 


Счетчики импульсов. Двоичные счетчики и счетчики с произвольным коэффициентом счета. Принцип действия, структурные и принципиальные схемы, временные диаграммы работы счетчиков, их основные параметры. Разновидности счетчиков, особенности использования счетчиков при создании цифровых систем управления.

 

Счетчиком называется устройство, сигналы на выходе которого в определенном коде отображают число импульсов, поступивших на счетный вход. Счетчик, образованный цепочкой из m триггеров может подсчитать в двоичном коде импульсов. Каждый из триггеров называется разрядом счетчика. Число называется коэффициентом или модулем счета.

Информация может сниматься с прямых и инверсных выходов триггеров. Когда число входных импульсов , то при n входа равном Kсч происходит переполнение, счетчик возвращается в нулевое состояние и повторяет цикл. Каждый разряд счетчика делит частоту входных импульсов пополам. Для периодических сигналов .


Коэффициент счета называют коэффициентом деления, следовательно каждый счетчик может использоваться как делитель частоты.

Обозначения:

СТ 2 – двоичный

СТ10 – двоично-десятичный

СТ2/10 – переключающийся

Основные параметры: емкость и быстродействие. Емкость численно равна коэффициенту счета и характеризует число импульсов, доступных счету за 1 цикл. Быстродействие определяется двумя параметрами: разрешающей способностью и временем установления.

Под разрешающей способностью подразумевают минимальное время между двумя сигналами, при которых еще не возникают сбои в работе t разр.сч.

Время установления кода t уст равно времени между моментом поступления входного сигнала и переходом счетчика в новое состояние.

Счетчики классифицируются следующим образом:

1) по модулю счета:

· двоичные

· двоично-десятичные

· с произвольным фиксированным модулем счета

· с переменным модулем

2) по направлению счета:

· суммирующие

· вычитающие

· реверсивные

3) по способу организации внутренних связей

· с последовательным переносом (асинхронные)

· с параллельным переносом (синхронные)

· с комбинированным переносом

· кольцевые

Классификационные признаки независимы и могут встречаться в разных комбинациях.

Число, записанное в счетчик, определяется по формуле:

где m – номер триггера,

Q – может принимать значение «1» и «0»,

– вес младшего разряда.

Введением дополнительных логических связей (обратных и прямых) счетчики могут быть обращены в недвоичные, для которых . Например, двоично-десятичные с Ксч= 10 (двоичный по коду счета, десятичный по числу состояний). Организуется из 4-х разрядных двоичных путем исключения избыточных состояний за счет введения дополнительных связей. Когда счетчик используется в качестве делителя, направление счета роли не играет.

Счетчики с последовательным переносом представляют собой цепочку триггеров, в которых импульсы, подлежащие счету, поступают на вход 1-го триггера, а сигнал переноса передается последовательно от одного разряда к другому.

Достоинства: простота схемы и увеличение разрядности.

Недостатки: низкое быстродействие из-за последовательного принципа работы.

Счетчики с параллельным переносом.

У них счетные импульсы подаются одновременно на все тактовые входы, а каждый из триггеров цепочки служит по отношению к последующему только источником информационных сигналов. Срабатывание триггеров параллельного счетчика происходит синхронно, а задержка переключения всего счетчика равна задержке одно триггера.

В счетчике с параллельно-последовательным переносом триггеры соединены в группы так, что отдельные группы образуют счетчики с параллельным переносом внутри группы, а группы соединяются в счетчик с последовательным переносом. Общий коэффициент счета равен произведению коэффициентов счета всех групп.

 

 







Date: 2015-05-09; view: 908; Нарушение авторских прав



mydocx.ru - 2015-2026 year. (0.849 sec.) Все материалы представленные на сайте исключительно с целью ознакомления читателями и не преследуют коммерческих целей или нарушение авторских прав - Пожаловаться на публикацию