Главная Случайная страница


Полезное:

Как сделать разговор полезным и приятным Как сделать объемную звезду своими руками Как сделать то, что делать не хочется? Как сделать погремушку Как сделать так чтобы женщины сами знакомились с вами Как сделать идею коммерческой Как сделать хорошую растяжку ног? Как сделать наш разум здоровым? Как сделать, чтобы люди обманывали меньше Вопрос 4. Как сделать так, чтобы вас уважали и ценили? Как сделать лучше себе и другим людям Как сделать свидание интересным?


Категории:

АрхитектураАстрономияБиологияГеографияГеологияИнформатикаИскусствоИсторияКулинарияКультураМаркетингМатематикаМедицинаМенеджментОхрана трудаПравоПроизводствоПсихологияРелигияСоциологияСпортТехникаФизикаФилософияХимияЭкологияЭкономикаЭлектроника






Особенности включения транзистора по схеме с ОЭ





Особенности включения транзистора по схеме с ОБ.

Транзистор можно включить в усилительный каскад тремя способами: по схеме с общей базой, с общим эмит­тером, с общим коллектором. Принятая терминология показывает, какой из электродов транзистора является общим для его входной и выходной цепей. Каждая из указанных схем обладает характерными для нее свой­ствами, но принцип усиления электрических сигналов в них одинаков.

 
 

 

 


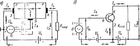
Схема с общей базой (ОБ). На рис1. а, б соот­ветственно представлены структурная и принципиальная схемы включения транзистора с ОБ

Напряжение вход­ного сигнала подается на эмиттер и базу, а источник напряжения питания коллектора Uк и резистора нагрузки Rн, с которого снимается выходное напряжение, вклю­чены между коллектором и базой. Схема с ОБ обладает малым входным сопротивлением (десятки ом) и боль­шим выходным сопротивлением (сотни килоом). Низкое входное сопротивление является существенным недостатком этой схемы, так как в многокаскадных оно оказывает шунтирующее действие на сопротивление нагрузки предыдущего каскада. Поэтому между каскадами, собранными по схеме с ОБ, необходимо согласующие устройства (например, понижающие трансформаторы).

 

Особенности включения транзистора по схеме с ОЭ.

Схема с ОЭ струк­турная и принципиальная соответственно представлена на рис. 2 а, б. Напряжение входного сигнала Uвх подается на эмиттер ибазу, источник коллекторного питания и сопротивление нагрузки Rнагр включены между эмиттером и коллектором. Отличие схемы с ОЭ от схемы с ОБ состоит в том, что входным током в ней является малыйпо значению ток базы. Ток эмиттера Iэ обуслов­лен количеством дырок, переместившихся через эмиттерный переход в базу, и под. воздействием этого тока в цепи коллектора протекает ток Iк, почти равный току Iэ. Небольшаячасть дырок рекомбинирует в области базы с электронами; образуется ток базы Iб; следова­тельно, через источник входного сигнала проходит толь­ко небольшой ток базы Iб=Iэ - Iк, поэтому входное сопротивление схемы транзистора с ОЭ значительно выше входного сопротивления схемы с ОБ и состав­ляет сотни ом. Выходное сопротивление в схеме с ОЭ достигает десятков килоом.

 

 

Р и с. 2 структурная (а) и принципиальная (б) схемы включения транзистора с ОЭ

 

Важнейшим достоинством схемыс ОЭ (в отличие от схемы с ОБ) является большой коэффициент усиления по току, представляющий отношение приращения тока коллектора к приращению тока базы И обозначаемый: β=

Коэффициент усиления по напряжению для схемы с ОЭ имеет примернотакую же величину, что и для схемы с ОБ. Это объясняется тем, что выходное напряжение у обеих схем зависит от одних и тех же величин — пере­менной составляющейколлекторного тока и.сопротивле­ния нагрузки, которые примерно равны.

Коэффициент усиления по мощности для схемы с ОЭ, равный Кр=βКu, значительно выше, чем для схемы с ОБ

Важном особенностью схемы с ОЭ является то, что выходное напряжение имеет сдвиг по фазе на 180° по отношению к входному напряжению.

 







Date: 2015-05-09; view: 3527; Нарушение авторских прав



mydocx.ru - 2015-2026 year. (2.274 sec.) Все материалы представленные на сайте исключительно с целью ознакомления читателями и не преследуют коммерческих целей или нарушение авторских прав - Пожаловаться на публикацию