Главная Случайная страница


Полезное:

Как сделать разговор полезным и приятным Как сделать объемную звезду своими руками Как сделать то, что делать не хочется? Как сделать погремушку Как сделать так чтобы женщины сами знакомились с вами Как сделать идею коммерческой Как сделать хорошую растяжку ног? Как сделать наш разум здоровым? Как сделать, чтобы люди обманывали меньше Вопрос 4. Как сделать так, чтобы вас уважали и ценили? Как сделать лучше себе и другим людям Как сделать свидание интересным?


Категории:

АрхитектураАстрономияБиологияГеографияГеологияИнформатикаИскусствоИсторияКулинарияКультураМаркетингМатематикаМедицинаМенеджментОхрана трудаПравоПроизводствоПсихологияРелигияСоциологияСпортТехникаФизикаФилософияХимияЭкологияЭкономикаЭлектроника






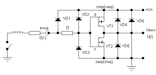
Инвертор КМОП





 

Защитные диоды обязательно присутствуют во всех логических элементах КМОП, так как они подвержены разрушающему воздействию статического электричества. В инверторе VD3, VD5, VD6 защитные элементы от отрицательных импульсов. Диоды VD1, VD2, VD4 защищают вход и выход от положительных выбросов и ограничивают его на уровне Uп+0,6. Для дополнительной защиты входов, особенно при длинных входных проводах, и для устранения паразитных колебаний последовательно с входом включают резистор для ограничения тока заряда включения емкости.

 

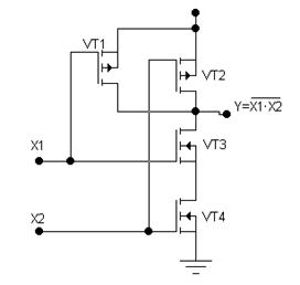
Схема И-НЕ

При логической «1» n-каналы VT3 и VT4 открыта, а p-канальные VT1 и VT2 – заперты на входе логического «0». При подаче хотя бы одного логического «0» на вход, оказывается запертым одним из VT3 или VT4 и открытым хотя бы один из VT1 и VT2, что даст логическую «1» на выходе.

 

 

Схема ИЛИ-НЕ

При двух логических «0» входы VT1 и VT2 закрыты, а VT3 и VT4 открыты. На выходе – логическая «1». При логической «1» на любом из выходов по крайней мере один из n-каналов и хотя бы один из последовательных соединений p-каналов закрыт. На выходе 0.

 

 

Существует логические элементы с открытым стоком.

 

Не использованные входы КМОП надо включать так, чтоб не нарушались условия работы микросхемы в целом. В отличие от ТТЛ можно подключить к Uп напрямую. Нельзя оставлять неподключенными. При случайном соединении выхода с системой питания или с общей линией через открытие. Транзистор пропускает ток, ограниченный только сопротивлением канала и внутренним сопротивлением источника питания. Ток короткого замыкания и мощность рассеивания увеличиваются с ростом напряжения питания. При напряжении питания не более 5В и комнатной температуре 25˚С микросхема не выходит из строя при достаточно долговременном коротком замыкании.

 

Сопряжение КМОП и ТТЛ.

При сопряжении КМОП и ТТЛ к выходу КМОП можно подключить два входа ТТЛ 155серии и до девяти входов 555 серии. При подключении выхода ТТЛ ко входу КМОП необходимо включить резистор с выхода ТТЛ на источник питания (2кОм) с целью повышения уровня логической «1».

 

Разновидности функциональных схем:

- комбинационные схемы

- последовательные устройства

Комбинационные схемы характеризуются отсутствием памяти (память – свойство системы сохранять в течении требуемого времени значение сигнала, характеризующее внутреннее состояние цифрового устройства). Сигнал на выходе комбинационного устройства в любой момент времени однозначно определяется сочетанием сигналов на входе и не зависит от его предыдущего состояния. Схемным признаком таких схем является осуществление в цепи обратной связи. Примеры: логические элементы, эл. ключи, дешифраторы, арифметические устройства.

Последовательные обладают памятью и при смене цифр на входе, для предсказания сигнала на выходе, необходимо знать о состоянии, в котором устройство было до этого. В этих устройствах есть обратная связь. Простейшие из них – триггеры, счетчики, резисторы, запоминающие устройства.

Параметры цифровых элементов:

1)надежность – интенсивность отказа V, наработкой на отказ Т, вероятность безотказности;

2)стойкость к механическим и климатическим воздействиям, вибрационным ударам, центробежным силам, вибрациям и т.д.

3) быстродействие;

4) мощность рассеивания;

5) нагрузочная способность;

6) помехоустойчивость.


Интегральные триггеры. Асинхронные и синхронные триггеры. RS-, JK-, D- и Т-триггеры. Принцип действия, структурные и принципиальные схемы, временные диаграммы работы триггерных схем, их основные параметры. Применение триггерных схем для создания цифровых систем управления.

 

Триггеры – класс устройств, общим свойством которых является способность длительно оставаться в одном из двух (или нескольких возможных) устойчивых состояний и скачком чередовать их под воздействием внешних сигналов. Одно из основных применений – запоминание информации.

Под памятью триггера подразумевают способность оставаться в заданном состоянии и после прекращения действия переключающего сигнала. Приняв одно из состояний за «1», а другое за «0», можно считать, что триггер хранит или помнит один разряд двоичного числа.

 
  Rn Sn Q
     
       
       
    н/о н/о
      н/о н/о
       
       
   
           

 


Недостаток: неопределенное состояние.

Для исключения неопределенного состояния разработаны модификации RS-триггеров, у которых при запрещенных входных комбинациях выходной сигнал принимает следующие значения:

R-триггер - 0

S-триггер - 1

E-триггер – Qn

JK-триггер -

 

Триггерные системы - RS-триггер как ячейка памяти и УУ.

 

J, K, V, (T)C – внешние входы; Ra, Sa – внешние входы ячейки памяти; Q, - внешние выходы; S', R' – внутренние входы.

 

Функциональное назначение внешних входов

усл. обозн. назначение
информационные входы
S вход раздельной установки триггера в состоянии «1»
R вход раздельной установки триггера в состоянии «0»
J вход установки JK-триггера в состоянии «1»
K вход установки JK-триггера в состоянии «0»
T вход счетного триггера
D вход установки D- или DV-триггера в состоянии «1» или «0»
управляющие входы
V подготовительный вход разрешения приема информации
C вход синхронизации (тактирующий)

 

УУ – комбинационное устройство, преобразующее входную информацию в комбинацию сигналов под воздействием которых ячейка памяти принимает одно из двух устойчивых состояний. Изменяя схему УУ и способы ее связи с ячейкой памяти можно получить триггеры с различными функциональными свойствами. Сигнал на информационном входе определяется информацией, которая будет записываться с триггер. С помощью подготовительного сигнала можно в нужный момент прервать действие триггера или группы триггеров, сохраняя информацию на выходе (V-сигнал). Исполнительные сигналы (С-сигнал) задают момент приема входной информации и служат для синхронной работы ряда устройств, образующих функциональные узлы.

 







Date: 2015-05-09; view: 772; Нарушение авторских прав



mydocx.ru - 2015-2026 year. (0.965 sec.) Все материалы представленные на сайте исключительно с целью ознакомления читателями и не преследуют коммерческих целей или нарушение авторских прав - Пожаловаться на публикацию