Главная Случайная страница


Полезное:

Как сделать разговор полезным и приятным Как сделать объемную звезду своими руками Как сделать то, что делать не хочется? Как сделать погремушку Как сделать так чтобы женщины сами знакомились с вами Как сделать идею коммерческой Как сделать хорошую растяжку ног? Как сделать наш разум здоровым? Как сделать, чтобы люди обманывали меньше Вопрос 4. Как сделать так, чтобы вас уважали и ценили? Как сделать лучше себе и другим людям Как сделать свидание интересным?


Категории:

АрхитектураАстрономияБиологияГеографияГеологияИнформатикаИскусствоИсторияКулинарияКультураМаркетингМатематикаМедицинаМенеджментОхрана трудаПравоПроизводствоПсихологияРелигияСоциологияСпортТехникаФизикаФилософияХимияЭкологияЭкономикаЭлектроника






Подключение драйверов к входным цепям силовых транзисторов





 

Драйвер законченное устройство, готовое к применению для конкретного типа транзистора, и его подключение не вызывает проблем. Вопросы возникают, если требуется частично изменить параметры выходного сигнала управления или, использовать параллельное соединение силовых ключей, управляемых от одного драйвера. А также вопрос обеспечения помехозащищенности и организации питания драйверов.

Нижний транзистор выходного узла драйвера изготавливается как ключ с открытым коллектором или как ненагруженный ключ (рис. 2.37, с).

Варианты выключения биполярного транзистора:

а) режим фиксированного отрицательного тока базы, выключение

б) отрицательным напряжением смещения

в) выключение с ограничением скорости нарастания запирающего тока (рис. 2.37).

Рис. 2.37, с, а

 

Наиболее оптимальным является режим выключения с фиксированным напряжением смешения -5 В при использовании цепи нелинейной обратной связи. Режим выключения с фиксированным током базы -2 А при относительно хорошей Динамике переключения значительно уступает по размерам ООБР для высоковольтного применения. Увеличение запирающего тока более -2 А, как показали исследования, не улучшает параметров выключения.

Рис. 2.37, б, в

 

Схема драйвера с дополнительной схемой подключения к входной цепи биполярного транзистора (рис. 2.38).

Для напряжений менее 800 В расширения границ ОБР и увеличения быстродействия при выключении добиваются в режиме эмиттерного управления силовым ключом (рис. 2.39).

Сигнал управления подается не на основной высоковольтный транзистор VT1, а на вспомогательный низковольтный и быстродействующий транзистор VT2, включенный последовательно в эмиттерную цепь основного. В качестве низковольтного транзистора используют быстродействующий МДП-ключ. При открывании VT2 в базу основного транзистора поступает отпирающий ток, подключая нагрузку к источнику питания.

Рис. 2.38 Рис. 2.39

 

При запирании VT2 происходит обрыв цепи эмиттера силового транзистора VT1, и коллекторный ток последнего до полного рассасывания заряда в базовой и высокоомный коллекторной области замыкается через коллекторный переход VT1, диод VD, и источник Vo. Так как при запирания эмиттерная цепь VT 1 оборвана, происходит расширение границ ОБР до максимальных, так как max Uкэ пробоя.

К недостаткам эмиттерного управления можно отнести следующее:

1. Необходимость применения дополнительного активного элемента. Низковольтные быстродействующие транзисторы имеют недостаток – высокий ток утечки в закрытом состоянии, что ухудшает характеристики всего ключа.

2. Необходимость дополнительного источника питания базовой цепи основного транзистора.

3. Увеличение времени переключения с ростом рабочих напряжений и глубины насыщения транзистора.

Недостатки устраняются при использовании режима индуктивной эмиттерной коммутации, и в практических схемах управления рис. 2.40. Подключение драйверов к входным цепям силовых транзисторов с изолированным затвором решает вопрос минимизации паразитных индуктивностей монтажа. Регулирование скорости переключения транзисторов с изолированным затвором осуществляют за счет резистора, включенного последовательно между выходным узлом драйвера и входной цепью ключа.

Рис. 2.40

Для ключей с высокой скоростью переключения (МДП - и IGBT-транзисторы) применение ограничивающих резисторов при больших амплитудах тока нагрузки является необходимым условием безопасной работы. Минимально необходимое сопротивление данного резистора указывается на каждый тип силового транзистора.

Иногда требуется раздельное управление скоростью включения и выключения. Например, при использовании ключа в устройствах с двигателями с целью ограничения бросков тока при пусковых режимах и режимах уменьшения оборотов двигателя увеличивают длительность процесса включения силовых ключей. Для ограничения всплесков напряжения при индуктивном выключении ограничивают скорость запирания транзистора. Используют либо однонаправленные дополнительные цепи, либо драйверы с раздельными каналами управляющего сигнала для отпирания и запирания (рис. 2.41).

Рис. 2.41

 

Проходная емкость между выходной цепью ключа и затвором в некоторых режимах нагрузки приводит к увеличению входного напряжения. Предельное напряжение изолированного затвора не превышает 20 В. С целью защиты от пробоя встречно - параллельно выходному узлу драйвера включают быстродействующий диод совместно с шунтирующим высокочастотным конденсатором небольшой емкости, как это показано на рис. 2.42.


Подключение дополнительных цепей требуется также при управлении от одного драйвера группы параллельных ключей. Предельная частота управления силовым ключом оценивается как отношение среднего выходного тока драйвера IAV к величине заряда во входной цепи ключа, необходимой для его переключения:

(2.1)

Рис.2.42

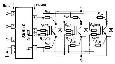
Для сохранения данного параметра неизменным при параллельном соединении транзисторов (суммарный заряд переключения увеличивается пропорционально количеству параллельных ключей) необходимо увеличивать средний выходной ток, что ограничено мощностными характеристиками драйвера. Схемотехническим способом решения данной проблемы является использование дополнительного внешнего буферного усилителя (рис.2.43). Для исключения образования паразитных контуров высокочастотных колебаний при параллельном соединении транзисторов ограничивающие резисторы в цепи затвора должны подключаться отдельно для каждого прибора. В эмиттеры транзисторов включают резисторы (до 0.5 Ом) с целью выравнивания разброса омических сопротивлений вдоль общей шины управления.

 

Рис. 2.43

Аналогично распределяют сигнал с коллекторных цепей транзисторов (подключением резисторов = 50 Ом) для последующего подключения к выводу драйвера, снимающего сигнал о перегрузке по току (если в драйвер встроена система защиты). На рис. 2.44 показано подключение драйвера SKHI10 фирмы «Semikron» к параллельной сборке из трех транзисторов IGBT.

Рис. 2.44

 







Date: 2015-05-09; view: 1962; Нарушение авторских прав



mydocx.ru - 2015-2026 year. (0.493 sec.) Все материалы представленные на сайте исключительно с целью ознакомления читателями и не преследуют коммерческих целей или нарушение авторских прав - Пожаловаться на публикацию