Главная Случайная страница


Полезное:

Как сделать разговор полезным и приятным Как сделать объемную звезду своими руками Как сделать то, что делать не хочется? Как сделать погремушку Как сделать так чтобы женщины сами знакомились с вами Как сделать идею коммерческой Как сделать хорошую растяжку ног? Как сделать наш разум здоровым? Как сделать, чтобы люди обманывали меньше Вопрос 4. Как сделать так, чтобы вас уважали и ценили? Как сделать лучше себе и другим людям Как сделать свидание интересным?


Категории:

АрхитектураАстрономияБиологияГеографияГеологияИнформатикаИскусствоИсторияКулинарияКультураМаркетингМатематикаМедицинаМенеджментОхрана трудаПравоПроизводствоПсихологияРелигияСоциологияСпортТехникаФизикаФилософияХимияЭкологияЭкономикаЭлектроника






Источники питания драйверов





 

По числу источников питания драйверы можно разделить на две группы:

1. С двумя источниками питания, один из которых предназначен для импульса отпирания, другой соответственно для импульса запирания.

2. С одним источником питания для отпирания силового ключа. Обеспечение энергией канала запирания осуществляется за счет накопителя энергии (емкости) и за счет использования мостовой схемы выходного узла драйвера. Режимы питания драйверов показаны на рис.2.47.

Энергоснабжение источников обеспечивается:

1. Применением батареи гальванических элементов.

2. Преобразование электроэнергии от сети переменного тока или от источников постоянного тока.

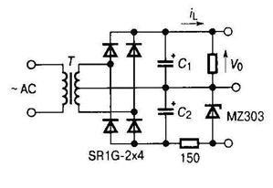
3. Преобразование электроэнергии из выходной цепи силового ключа. Примеры реализации источников питания драйверов [3]. На рис. 2.48 представлены схемы на основе низкочастотных трансформаторов, преобразующих энергию переменной сети. В схемах осуществляется параметрическая стабилизация источника питания для канала запирающего тока. Требованием к данным источникам является сохранение напряжения в допустимых параметрах при изменении напряжения питающей цепи.

а б

Рис. 2.47

Рис. 2.48

 

На рис. 2.49 показаны варианты подключения рассмотренных в разделе 2.4.2 драйверов к входным цепям силовых ключей при данном способе организации питания.

Недостатком источников питания является: невысокая стабильность; - повышенные массогабаритные показатели (трансформатор).

Для организации раздельного питания в драйверах многофазных преобразователей используют импульсные методы регулирования постоянного напряжения на основе обратноходовых схем. рис. 2.50.

При открытом состоянии ключа в обмотках импульсного трансформатора накапливается энергия, которая затем при закрывании ключа передается в нагрузку. Для сглаживания выходного напряжения используется емкостной фильтр. Импульсный трансформатор обеспечивает необходимую развязку, а также получение выходного напряжения требуемой амплитуды и полярности. Для стабилизации выходного напряжения используется импульсный метод регулирования как длительности открытого состояния ключа (ШИР), так и частоты (ЧИР). Недостатком схемы является невозможность работы в режиме холостого хода.

Рис. 2.49

Рис. 2.50

Рис. 2.51

 

Контрольные вопросы

1. Как классифицируются силовые полупроводниковые приборы?

2. Какие основные параметры при выборе силовых транзисторов?

3. Какие схемотехнические меры применяют применяют для уменьшения мощности коммутации силового транзистора?

4. Каковы энергетические особенности силовых МОП-транзисторов?

5. Чем обусловлено введение дополнительных узлов принудительной коммутации транзисторов?

6. Какие эксплутационные параметры являются наиболее важными для мощных вентилей?

7. Какие способы переключения транзистора существуют и в чем их сущность?

8. Каковы способы ускорения процессов переключения транзисторов?

9. Как уменьшить мощность перенапряжения транзистора в режиме переключения с RL-нагрузкой?

10. Как уменьшить потери на переключение силового транзистора?

11. Объясните динамические потери, возникающие в тиристорах.

12. Как влияют гармонические составляющие тока на мощность, рассеиваемую на транзисторах?

13. Из каких составляющих складываются потери в тиристорах?

14. Как влияют гармонические составляющие на мощность, рассеиваемую в полупроводниках.

15. Как влияет коэффициент заполнения на мощность переключения при коммутации активно-индуктивной нагрузки?

16. Покажите энергетические соотношения в мостовой схеме, работающей в режиме противовключений.

17. Как меняется мощность переключений при изменении пульсации и разрывности тока нагрузки?








Date: 2015-05-09; view: 1259; Нарушение авторских прав



mydocx.ru - 2015-2026 year. (0.403 sec.) Все материалы представленные на сайте исключительно с целью ознакомления читателями и не преследуют коммерческих целей или нарушение авторских прав - Пожаловаться на публикацию