Главная Случайная страница


Полезное:

Как сделать разговор полезным и приятным Как сделать объемную звезду своими руками Как сделать то, что делать не хочется? Как сделать погремушку Как сделать так чтобы женщины сами знакомились с вами Как сделать идею коммерческой Как сделать хорошую растяжку ног? Как сделать наш разум здоровым? Как сделать, чтобы люди обманывали меньше Вопрос 4. Как сделать так, чтобы вас уважали и ценили? Как сделать лучше себе и другим людям Как сделать свидание интересным?


Категории:

АрхитектураАстрономияБиологияГеографияГеологияИнформатикаИскусствоИсторияКулинарияКультураМаркетингМатематикаМедицинаМенеджментОхрана трудаПравоПроизводствоПсихологияРелигияСоциологияСпортТехникаФизикаФилософияХимияЭкологияЭкономикаЭлектроника






Трансформаторные ФИУ тиристоров





 

Трансформаторные ФИУ применяются в схемах управления однооперационными тиристорами [3]. Требования, предъявляемые к подобным схемам, обусловлены особенностями переключения структуры тиристора, параметрами цепи управления и нагрузкой преобразователя. Перечислим главные:

1. Для исключения локального перегрева структуры необходимо обеспечить минимально гарантированную начальную площадь включения тиристора. Это достигается подачей импульса управления с крутым фронтом нарастания тока (0.1...0.3 мкс) и минимально необходимой амплитудой, которая определяется типом тиристора (0.5...5 А).

2. Для гарантированного отпирания тиристора необходимо обеспечить минимальную длительность импульса управления (tp ~10 мкс).

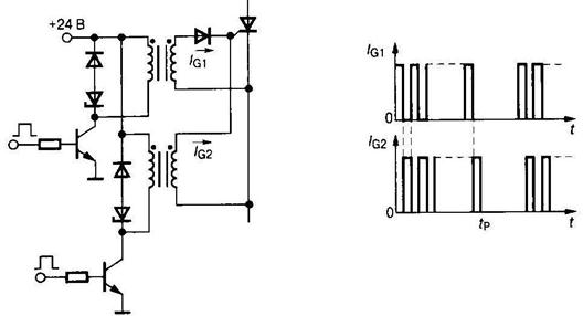
3. В схемах с большой индуктивной нагрузкой, а также в выпрямительных устройствах, работающих на противонаправленных Э.Д.С., необходимо поддерживать на управляющем электроде тиристора длительные сигналы управления (до 1 мс) для обеспечения гарантированного включения.

4. Рабочая точка нагрузки управляющего электрода должна находиться в зоне оптимального управления (справочные данные) (рис. 2.21). Параметры управляющего сигнала, IG= 1...5 А и VG = 5...20 В.

5. Характеристики трансформатора должны обеспечивать изоляцию между цепями управления и силовой частью (напряжение изоляции > 2.5 кВ).

6. ФИУ должен обеспечивать помехоустойчивость тиристорных схем.

Построение схемы ФИУ начинают с выбора импульсного трансформатора, (пункты 1, 2, 5).

 

Рис. 2.21

Компания «Semikron» предлагает импульсные трансформаторы серии SKPT с параметрами: — напряжение изоляции 2.5...4 кВ;

— выходное напряжение 5... 15 В;

— импульсный выходной ток 0.1...1 А;

— время нарастания фронта тока 0.3...5 мкс;

— ширина импульса на выходе 2.5...4 кВ;

— частота переключения 5... 10 кГц;

— вольт-секундный показатель 330...350 В-мкс.

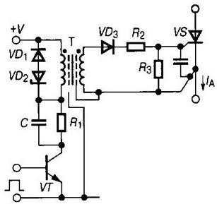
Типовая схема трансформаторного ФИУ с ограничивающим резистором в первичной обмотке представлена на рис. 2.22.

Напряжение на вторичной обмотке трансформатора определяется входной характеристикой цепи управления и прямым падением напряжения на открытом диоде. Для заданной длительности импульса управления нельзя превышать вольт-секундный показатель импульсного трансформатора.

Влияние индуктивности намагничивания проявляется в уменьшении амплитуды импульса управления с течением времени. На рис. 2.23 представлены осциллограммы тока и напряжения в первичной и выходной обмотке трансформатора.

В схемах с большой индуктивностью в цепи нагрузки рекомендуется использовать пакетный режим передачи импульсов, что позволяет увеличивать длительность импульса управления без насыщения трансформатора (рис. 2.24). Диод, включенный последовательно с входной цепью тиристора, поднимает порог отпирания ключа на величину напряжения смещения, что повышает помехоустойчивость схемы.

Рис. 2.22

Дополнительные меры по защите от помех и наводок: (рис.2.25):

1. Параллельно входной цепи тиристора подключают RС-цепь, шунтирующую высокочастотные помехи.

2. Подключение к входной цепи осуществляют витыми парами и экранированными проводами.

3. Исключают использование общих линий связи между силовым выводом катода тиристора и выводом цепи управления.

4. Используют экранирующую изоляцию между обмотками трансформатора, что увеличивает индуктивность рассеяния. Используется последовательное или параллельное соединение тиристорных ключей, при этом применяется общий трансформатор с несколькими вторичными обмотками для управления группой тиристоров. Наиболее приемлемо параллельное соединение отдельных трансформаторов. При последовательном соединении тиристоров, т.е. при высоких анодных напряжениях, применение общего трансформатора невыгодно, так как при этом требование к напряжению изоляции определяется максимальным анодным напряжением всей группы последовательных ключей. С увеличением напряжения изоляции растет индуктивность рассеяния, что не позволяет обеспечить необходимый фронт импульса управления.

Поэтому на повышенных анодных напряжениях (более 6...10 кВ) применяется последовательное и каскадное соединение отдельных импульсных трансформаторов (рис. 2.26).

Последовательное соединение трансформаторов позволяет получить на всех ключах одинаковую форму тока управления.

Рис. 2.23

Рис. 2.24

Рис. 2.25

Рис. 2.26

Однако изоляция общего кабеля рассчитывается на максимальное напряжение, что увеличивает емкость связи между обмотками. В каскадном соединении трансформаторов паразитные емкости связи включаются последовательно, что обеспечивает повышение помехозащищенности ФИУ. Кроме этого, напряжение изоляции может выбираться в N раз меньше максимального анодного напряжения (где N – число последовательных ключей).

 







Date: 2015-05-09; view: 2560; Нарушение авторских прав



mydocx.ru - 2015-2026 year. (0.284 sec.) Все материалы представленные на сайте исключительно с целью ознакомления читателями и не преследуют коммерческих целей или нарушение авторских прав - Пожаловаться на публикацию