Главная Случайная страница


Полезное:

Как сделать разговор полезным и приятным Как сделать объемную звезду своими руками Как сделать то, что делать не хочется? Как сделать погремушку Как сделать так чтобы женщины сами знакомились с вами Как сделать идею коммерческой Как сделать хорошую растяжку ног? Как сделать наш разум здоровым? Как сделать, чтобы люди обманывали меньше Вопрос 4. Как сделать так, чтобы вас уважали и ценили? Как сделать лучше себе и другим людям Как сделать свидание интересным?


Категории:

АрхитектураАстрономияБиологияГеографияГеологияИнформатикаИскусствоИсторияКулинарияКультураМаркетингМатематикаМедицинаМенеджментОхрана трудаПравоПроизводствоПсихологияРелигияСоциологияСпортТехникаФизикаФилософияХимияЭкологияЭкономикаЭлектроника






Формирователи импульсов управления





Управление биполярным транзистором.

Формирователями импульсов управления, ФИУ (драйверами) называется особый класс усилителей, предназначенных для усиления информационного сигнала управления и преобразования его в сигнал с параметрами, необходимыми для гарантированного включения и выключения полупроводникового ключа. Помимо требований к мощности сигнала управления ключом, часто предъявляются требования к форме сигнала, поэтому иногда ФИУ называют усилителем-формирователем импульсов управления. Схемотехника ФИУ в первую очередь зависит от типа управляемого прибора. Особенности схемотехники ФИУ определяются статическими и динамическими свойствами прибора соответствующего типа.

Основными требованиями, предъявляемыми к ключу на биполярном транзисторе, является гарантированное насыщение транзистора током базы, обеспечивающее беспрепятственное протекание тока коллектора в интервале, когда транзистор должен быть включен, и минимизация тока утечки в интервале, когда транзистор должен быть выключен. Идеальная форма базового тока и напряжения база - эмиттер для биполярного транзистора представлены на рис. 1.39.

При реализации такого импульса необходимо учитывать следующее:

Рис. 1.39

- повышенная амплитуда тока базы при включении обеспечивает снижение времени задержки на включение;

- биполярный транзистор включается током, поэтому форма тока на рис.1.39 соответствует источнику тока, а не источнику напряжения;

- после включения ток базы снижается, в результате чего накопленный в базе заряд уменьшается, Это приводит к снижению времени на следующее выключение;

- импульс обратного тока базы при выключении приводит к более быстрому спаду тока коллектора , т.е. к более быстрому выключению;

- после выключения обратное напряжение база—эмиттер обеспечивает повышение допустимого напряжения коллектор — эмиттер и снижает ток утечки транзистора.

На практике необязательно осуществлять такое сложное управление, требующее дополнительных устройств в цепях ФИУ. Требования к сигналу управления определяются требованиями к быстродействию ключа (рабочая частота коммутаций) и к значению потерь в нем. Проблема в создании ФИУ биполярных транзисторов состоит еще и в том, что не всегда возможно соединение «земли» системы управления и эмиттера транзистора. Часто нагрузка подключается к эмиттеру транзистора. В этом случае необходимость гальванической развязки между цепями системы управления и силовой схемой является обязательной функцией ФИУ.

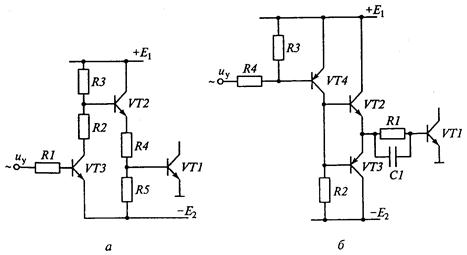
Простейшая схема ФИУ биполярного транзистора представлена на рис. 1.40, а. В схеме реализован усилительный каскад с двумя дополнительными транзисторами, для увеличения маломощного сигнала микросхемы до необходимого значения и источником отрицательного напряжения для создания в моменты паузы (когда ключ выключен) отрицательного смещения, которое способствует более полному и более надежному запиранию транзистора.

Для уменьшения потребляемой ФИУ мощности применяют парные (комплементарные) транзисторы VT2, VT3, работающие, попеременно (рис. 1.40, б). Когда импульс управления отсутствует ( =0), транзистор VT4 открыт и через его коллектор протекает отпирающий ток базы VT2. Силовой транзистор VT1, в свою очередь, открывается усиленным током коллектора транзистора VT2. Транзистор VT3 при этом заперт, так как его эмиттер имеет более отрицательный потенциал относительно базы. Конденсатор C заряжается током базы силового транзистора, обеспечивая бросок тока при включении для его более быстрого включения. В момент поступления импульса от микросхемы управления транзисторы VT4 и VT2 закрываются, а транзистор VT3 включается напряжением конденсатора C1, который, разряжаясь, обеспечивает запирающий базовый ток силового транзистора.

Рис. 1.40

Управление полевым транзистором. Особенности управления полевым транзистором связаны, во-первых, с тем, что при постоянном напряжении затвор — исток и через затвор протекает незначительный ток (порядка нескольких наноампер), во-вторых, на процессы включения и выключения значительное влияние оказывает входная емкость транзистора, скорость перезаряда которой определяет время включения и выключения транзистора. Управление МОПБТ аналогично управлению полевым транзистором, так как конструктивно затвор МОПБТ подобен затвору МОП-транзистора. Поэтому основные принципы управления полевым транзистором аналогичны принципам управления МОПБТ.

Полевым транзистором можно управлять выходным сигналом микросхемы системы управления, напряжением 5... 15 В и током менее 100 мА (рис. 1.41, а). Однако для управления мощными транзисторами применяют усилители, схема которых соответствует схеме двухтактного эмиттерного повторителя на парных биполярных транзисторах (рис. 1.41, б). В этой схеме биполярные транзисторы в активном режиме играют роль источников тока для более быстрого перезаряда входной емкости МОП-транзистора.


Рис.1.41

Управление тиристором. Схема управления тиристором подает на управляющий электрод импульсы только на его включение, кроме того, подача импульса должна происходить тогда, когда напряжение анод— катод тиристора положительно, в противном случае включения не произойдет. Идеальный импульс на включение (рис. 1.42) должен иметь большую скорость нарастания тока при включении и повышенную амплитуду в начальный момент.

Рис. 1.42

Это ускоряет процесс включения и снижает возможность выхода из строя из-за повышенной скорости нарастания анодного тока . После завершения процесса включения импульс управления желательно «обнулить», так как продолжительный импульс увеличивает потери мощности в тиристоре. Однако необходимо учитывать, что при наличии в нагрузке индуктивной составляющей процесс включения затягивается, и в этом случае импульс должен иметь повышенную длительность для гарантированного включения.

Рис. 1.43 Рис. 1.44

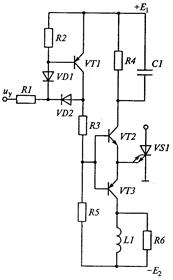
Типовая схема управления тиристором использующая импульсный трансформатор представлена на рис. 1.43, а. Диод VD1 и стабилитрон VD2 обеспечивают перемагничивание трансформатора и предотвращают перенапряжение на транзисторе VT1. Резистор R1 ограничивает ток управляющего электрода тиристора и одновременно ток коллектора транзистора CT1. Резистор R2 защищает тиристор от включения помехами, а диод VDЗ предотвращает появ­ление отрицательного напряжения на управляющем элек­троде тиристора VS1.

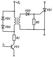
Запираемый тиристор выключается импульсом отрицательного тока управляющего электрода. Схема драйвера для двухоперационного тиристора значительно сложнее, чем для однооперационного, и по топологии близка к схемам ФИУ биполярного транзистора. Пример схемы драйвера для запираемого тиристора приведен на рис. 1.44 [3].

 







Date: 2015-05-09; view: 2843; Нарушение авторских прав



mydocx.ru - 2015-2026 year. (0.499 sec.) Все материалы представленные на сайте исключительно с целью ознакомления читателями и не преследуют коммерческих целей или нарушение авторских прав - Пожаловаться на публикацию