Главная Случайная страница


Полезное:

Как сделать разговор полезным и приятным Как сделать объемную звезду своими руками Как сделать то, что делать не хочется? Как сделать погремушку Как сделать так чтобы женщины сами знакомились с вами Как сделать идею коммерческой Как сделать хорошую растяжку ног? Как сделать наш разум здоровым? Как сделать, чтобы люди обманывали меньше Вопрос 4. Как сделать так, чтобы вас уважали и ценили? Как сделать лучше себе и другим людям Как сделать свидание интересным?


Категории:

АрхитектураАстрономияБиологияГеографияГеологияИнформатикаИскусствоИсторияКулинарияКультураМаркетингМатематикаМедицинаМенеджментОхрана трудаПравоПроизводствоПсихологияРелигияСоциологияСпортТехникаФизикаФилософияХимияЭкологияЭкономикаЭлектроника






И ступенчато изменяющихся напряжений





Целью работы является ознакомление с генераторами линейно и ступенчато изменяющихся напряжений и исследование влияния параметров генераторов на значение и форму выходного напряжения.

Основные сведения. Линейно изменяющимся (иначе – пилообразным) напряжением называют напряжение, которое в течение рабочего цикла изменяется линейно от некоторого начального уровня и быстро возвращается в исходное состояние. Напряжение такой формы широко используется в технике в качестве напряжения развертки в осциллографах, телевизорах и телекамерах, а также для формирования радиоимпульсов с линейной частотной модуляцией. Устройства, формирующие напряжение такой формы, называют генераторами линейно изменяющегося напряжения (ГЛИН). Для получения линейно изменяющегося напряжения на вход ГЛИН требуется подавать прямоугольные импульсы. Линейно изменяющееся напряжение характеризуется следующими параметрами (рис. 11.1):

 

– длительностью прямого хода Т п.х;

– длительностью обратного хода Т о.х;

– амплитудой выходного напряжения U max;

– начальным уровнем U 0 (часто принимают U 0 = 0);

– средней скоростью прямого хода v ср = U max / Т п.х;

– коэффициентом нелинейности ξ, характеризующим изменение скорости прямого хода в начале и в конце прямого хода:

ξ = (v н – v к) / v н,

где v н и v к – скорости, соответственно, в начале и в конце прямого хода.

Наиболее простым является ГЛИН, выполненный по схеме, приведенной на рис. 11.2. Транзистор работает в ключевом режиме. При отрицательной полярности подаваемого на вход прямоугольного импульса транзистор закрыт и емкость С 2 медленно заряжается через высокоомное коллекторное сопротивление R 2. Когда полярность входного импульса на короткое время изменяется на положительную, емкость быстро разряжается через открывающийся транзистор. Емкость С 1 выполняет функцию разделительного конденсатора, а сопротивление R 1 задает постоянное смещение на базу транзистора. Следует отметить, что заряд конденсатора описывается экспоненциальным законом и лишь на начальном этапе может быть аппроксимирован линейной функцией. Поэтому при требуемом качестве линейно изменяющегося напряжения U max имеет существенно меньшее значение, чем напряжение источника питания транзистора Е. Это является большим недостатком схемы. Значение коэффициента нелинейности для схемы ГЛИН (рис. 11.2) можно определить по формуле ξ ≈ Т п.х/ (С 2 R 2). Бόльшую амплитуду линейно изменяющегося напряжения при относительно хорошем качестве «пилы» обеспечивает схема ГЛИН, изображенная на рис. 11.3.

В этой схеме применена стабилизация тока заряда конденсатора С 3 (или С 3 4). Напряжение на конденсаторе пропорционально интегралу от тока, подтекающего к его обкладкам и, если ток постоянен, то напряжение меняется по линейному закону. Функцию стабилизатора тока выполняет транзистор 2, включенный последовательно с С 3. Транзистор 1 работает в ключевом режиме. Напряжение на выходе ГЛИН примерно равно напряжению на емкости С 3 (или С 3 4). Благодаря стабилизации тока заряда оно меняется практически линейно и U max достигает значений, близких к напряжению источника питания Е. Сопротивление R 3 (или R 4) вместе с С 3 и С 4 определяет длительность прямого хода «пилы», С 1 и С 2 выполняют функцию разделительных конденсаторов.

 

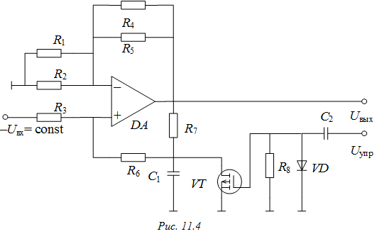
ГЛИН может быть построен и на операционном усилителе (рис. 11.4).

В этой схеме конденсатор С 1 заряжается постоянным током, а разряжается через ключ на полевом транзисторе. Скорость заряда конденсатора можно изменять, меняя уровень подаваемого на вход ГЛИН напряжения.

Ступенчато изменяющееся напряжение формируют с помощью генераторов ступенчато изменяющегося напряжения (ГСИН), на вход которых подают после-довательности знакопеременных прямоугольных импульсов.

В качестве входных импульсов чаще всего используют меандры. Схема одного из вариантов ГСИН на операционном усилителе приведена на рис. 11.5. При поступлении входного импульса положительной полярности открыт диод VD 1 и емкость С 1 заряжается до напряжения, примерно равного амплитуде входного сигнала. Диод VD 2 при этом закрыт и емкость C 2 не заряжается. При поступлении на вход импульса отрицательной полярности амплитуда входного сигнала суммируется с напряжением на емкости C 1, поэтому на входе ОУ оказывается удвоенное напряжение; одновременно открывается диод VD 2. Начинается заряд емкости C 2 до напряжения, равного напряжению на входе ОУ. Затем на вход вновь поступает положительный импульс, еще больше заряжающий емкость С 1. По приходу отрицательного импульса возросшее напряжение на C 1 переносится на C 2. В результате напряжение на C 2, а значит, и на выходе схемы растет ступенчато. Обнуление выходного сигнала производится открыванием ключа на полевом транзисторе VT.


Ступенчатое напряжение можно получить также с выхода цифроаналогового преобразователя (ЦАП), соединенного с выходом двоичного счетчика. Этот метод постепенно вытесняет аналоговые ГСИН на ОУ.

 

Описание лабораторной установки. В состав лабораторной установки входят: макет, два генератора прямоугольных импульсов, осциллограф, магазин сопротивлений.

Порядок выполнения работы:

1. Подать напряжения питания +15 и –15 В на макет.

2. Исследование ГЛИН:

а) собрать схему, изображенную на рис. 11.2. Подать на вход схемы прямоугольные импульсы длительностью τ = 2…2,5 мс и амплитудой 3 В;

б) с помощью осциллографа измерить параметры ГЛИН (Т п.х; Т о.х; U max; U 0; ξ). Для вычисления ξ провести измерения v на участках пилообразного напряжения (0…0,1) Т п.х и (0,9…1) Т п.х. Измерения провести для двух значений R 2;

в) исследовать зависимость влияния напряжения источника питания на параметры ГЛИН. Для этого изменять напряжение одного из источников от 15 до 9 В (через 1 В), измеряя параметры U max и ξ;

г) исследовать влияние постоянной времени зарядной цепи на значения U max и ξ. Измерения провести для трех случаев: τ ≤ 0,1 R 2 С 2; τ = 0,1 R 2 С 2; τ ≥ 0,1 R 2 С 2. Зарисовать осциллограммы полученных напряжений;

д) исследовать влияние сопротивления нагрузки на параметры ГЛИН. Для этого подключить к выходу макета нагрузку. Измерения U max, Т п.х и ξ провести для сопротивлений нагрузки R 1 и R 2;

е) исследовать схему, изображенную на рис. 11.3, в соответствии с п. 2,а–д при различных значениях сопротивления R к (R 3, R 4) и зарядной емкости (С 3 или С 3 + С 4);

ж) для схемы, изображенной на рис. 11.4, снять зависимость Т п.х от напряжения на входе схемы U вх, для этого, изменяя U вх в пределах от 0,1 до 3 В, измерить Т п.х.

3. Исследование ГСИН;

а) собрать схему, изображенную на рис. 11.5;

б) исследовать зависимость уровня ступеней Δ U вых в выходном напряжении ГСИН от амплитуды U вх входных импульсов. Изменяя U вх в пределах от 0,1 до 2 В, снять зависимость Δ U вых от U вх. Измерения провести для двух значений С 2;

в) исследовать влияние длительности входных прямоугольных импуль-сов (τвх) на форму выходного напряжения. Изменяя τвх в пределах от 0,1 до 10 мс, зарисовать осциллограммы выходного напряжения. Длительность импульсов управляющего напряжения, подаваемого на ключ на полевом транзисторе, устанавливать равной 20 τвх;

г) исследовать влияние сопротивления нагрузки на уровень ступеней. Для этого подключить к выходу макета магазин сопротивлений. Измерения провести для сопротивлений 100, 10 и 1 кОм.

Содержание отчета:

1. Схемы исследуемых генераторов.

2. Результаты измерений в форме таблиц и графиков.

3. Выводы.

 







Date: 2015-05-08; view: 1204; Нарушение авторских прав



mydocx.ru - 2015-2026 year. (1.733 sec.) Все материалы представленные на сайте исключительно с целью ознакомления читателями и не преследуют коммерческих целей или нарушение авторских прав - Пожаловаться на публикацию