Главная Случайная страница


Полезное:

Как сделать разговор полезным и приятным Как сделать объемную звезду своими руками Как сделать то, что делать не хочется? Как сделать погремушку Как сделать так чтобы женщины сами знакомились с вами Как сделать идею коммерческой Как сделать хорошую растяжку ног? Как сделать наш разум здоровым? Как сделать, чтобы люди обманывали меньше Вопрос 4. Как сделать так, чтобы вас уважали и ценили? Как сделать лучше себе и другим людям Как сделать свидание интересным?


Категории:

АрхитектураАстрономияБиологияГеографияГеологияИнформатикаИскусствоИсторияКулинарияКультураМаркетингМатематикаМедицинаМенеджментОхрана трудаПравоПроизводствоПсихологияРелигияСоциологияСпортТехникаФизикаФилософияХимияЭкологияЭкономикаЭлектроника






Усилителя





Целью работы является исследование широкополосного импульсного усилителя с корректирующими цепями, позволяющими улучшить его амплитудно-частотную характеристику.

Рис. 4.1

Основные положения. При усилении широкополосных сигналов (к ним относятся и импульсные, ширина спектра которых обратно пропорциональна длительности импульса) важной задачей является сохранение соотношений между амплитудами гармоник в спектре, а значит, и формы сигнала в функции времени. В частности, искажения формы прямоугольных видеоимпульсов характеризуют длительностью фронтов импульса (τф) и спадом его вершины (рис. 4.1). Длительность фронта, приобретаемого импульсом при прохождении через усилитель, обратно пропорциональна верхней граничной частоте амплитудно-частотной характеристики усилителя τф = 0,35/ f в.гр. Спад вершины импульса Δ U в процентах от его амплитуды U m связан с нижней граничной частотой f н.гр, а также с длительностью импульса на входе усилителя (τи) формулой Δ U/ U m (%) = = 628 τи f н.гр. Очевидно, что во многих случаях необходимо откорректировать имеющуюся АЧХ, понизить f н.гр и увеличить f в.гр.

Коррекция (исправление) АЧХ усилителя осуществляется с помощью внесения в его схему дополнительных элементов.

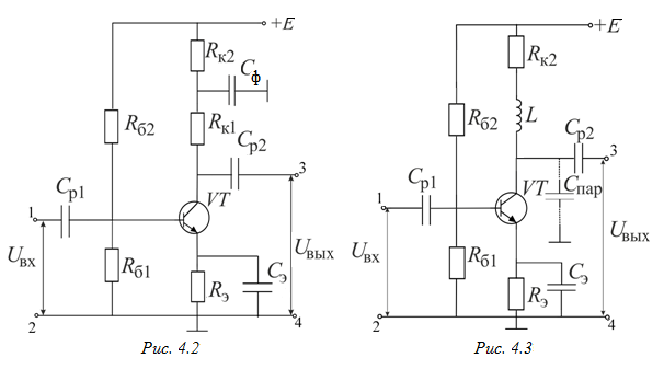
Низкочастотная коррекция (НЧК) осуществляется разделением R K – коллекторного сопротивления (рис. 4.2) на два: R K1 и R K2. Средняя точка делителя через емкость C ф соединяется с землей. На низких частотах C ф представляет собой большое сопротивление, и ее можно не учитывать при определении коэффициента усиления схемы, который определяется суммой сопротивлений в цепи коллектора и равен KU = S (R к1 + R к2). На высоких частотах C ф превращается в короткое замыкание и шунтирует R к2, поэтому коэффициент усиления снижается и равен KU = SR к1.

C ф выполняет также функцию фильтра, не допускающего переменный сигнал в источник питания и через него – в другие каскады электронного устройства (именно поэтому емкость помечена индексом «ф»).

Высокочастотная коррекция осуществляется двумя различными способами. Во-первых, последовательно с R к ставят катушку индуктивности L (рис. 4.3).

 

Такой способ называется индуктивной высокочастотной коррекцией (ИВЧК). В этом случае при любом значении индуктивности коэффициент усиления схемы возрастает с ростом частоты, так как

KU = S = S .

При более тонком подборе значения L можно «организовать» резонанс между индуктивностью и паразитной емкостью на частоте, при которой начинается спад АЧХ.

Резонансный контур должен быть параллельным, что в действительности имеет место и может быть объяснено с помощью эквивалентной схемы каскада по переменному току (рис. 4.4). Недостатком ИВЧК является наличие в схеме элемента, габариты которого заметно крупнее остальных, а именно катушки индуктивности.

Второй способ высокочастотной коррекции – эмиттерная (ЭВЧК) не предусматривает введение в схему (схема некорректированного усилителя изображена на рис. 2.1) дополнительных элементов. При этом существенно уменьшается значение емкости C э. Независимо от своего значения эта емкость не шунтирует R э на инфранизких частотах температурного дрейфа, поэтому механизм термостабилизации не нарушается. Но маленькая C э (при малых значениях ее уже не принято называть блокировочной) не шунтирует R э и на низких и средних частотах сигнала, при этом KU снижается.

Только на высоких частотах C э закорачивает эмиттерное сопротивление и коэффициент усиления начинает возрастать – как раз тогда, когда в силу других причин он снижается. ЭВЧК из-за отсутствия индуктивности находит все более широкое применение, хотя обладает существенным недостатком – уменьшением KU усилителя на низких и средних частотах.

Описание лабораторной установки. В состав лабораторной установки входят лабораторный макет, генератор (формирующий гармонические сигналы, а также последовательности прямоугольных импульсов типа меандра), два вольтметра переменного напряжения и осциллограф. Лицевая панель макета приведена на рис. 4.5. С помощью перемычек на макете можно собирать различные схемы коррекции. Кроме собственно усилителя на транзисторе VT 1 в макет входит также эмиттерный повторитель, собранный на транзисторе VT 2.

 

Порядок выполнения работы:

1. Подать напряжения питания +15 и –15 В на макет.

2. Исследовать амплитудно-частотную характеристику усилителя при введении различных схем коррекции:

а) собрать схему, в которой коррекция отсутствует;


б) измерить амплитудно-частотную характеристику схемы в диапазоне частот 20 Гц…2 МГц. Определить нижнюю и верхнюю граничные частоты (f гр) схемы, исходя из условия K (f гр) ≈ 0,7 [max K (f)];

в) повторить измерение при введении сопротивления R 3;

г) повторить измерение при введении эмиттерной высокочастотной коррекции в диапазоне 20 Гц…2 МГц;

д) повторить измерение при введении индуктивной высокочастотной коррекции в диапазоне частот 20 кГц…2 МГц;

е) повторить измерение при введении низкочастотной коррекции в диапазоне частот 20 Гц…20 кГц.

3. Исследование влияния различных схем коррекции на форму прямоугольных импульсов:

а) собрать схему, в которой коррекция отсутствует;

б) переключить генератор в режим формирования меандра. Установить период следования импульсов от 3 до 5 мс, зарисовать или сфотографировать с экрана осциллографа форму импульсов на выходе усилителя;

в) ввести низкочастотную коррекцию и снова зарисовать или сфотографировать форму импульсов;

г) установить длительность импульсов, вырабатываемых генератором от 8 до 10 мкс. Собрать схему, в которой коррекция отсутствует, зарисовать или сфотографировать с экрана осциллографа форму импульсов на выходе усилителя;

д) ввести индуктивную высокочастотную коррекцию и снова зарисовать или сфотографировать форму импульсов.

е) повторить измерение п. 3,д при введении эмиттерной высокочастотной коррекции (ИВЧК при этом устранить).

4. Рассчитать значения τф и Δ U/ Um (%), исходя из измеренных при выполнении п. 2 нижних и верхних граничных частот.

Содержание отчета:

1. Схемы соединения приборов при измерениях.

2. Схемы усилителя при различных видах коррекции.

3. Результаты измерений и расчетов по п. п. 2–4 (графики амплитудно- частотной характеристики, значения f гр, зарисовки формы импульсов, измеренные и расчетные значения длительностей фронтов и спадов вершины импульсов).

4. Выводы.

 







Date: 2015-05-08; view: 917; Нарушение авторских прав



mydocx.ru - 2015-2026 year. (1.866 sec.) Все материалы представленные на сайте исключительно с целью ознакомления читателями и не преследуют коммерческих целей или нарушение авторских прав - Пожаловаться на публикацию