Главная Случайная страница


Полезное:

Как сделать разговор полезным и приятным Как сделать объемную звезду своими руками Как сделать то, что делать не хочется? Как сделать погремушку Как сделать так чтобы женщины сами знакомились с вами Как сделать идею коммерческой Как сделать хорошую растяжку ног? Как сделать наш разум здоровым? Как сделать, чтобы люди обманывали меньше Вопрос 4. Как сделать так, чтобы вас уважали и ценили? Как сделать лучше себе и другим людям Как сделать свидание интересным?


Категории:

АрхитектураАстрономияБиологияГеографияГеологияИнформатикаИскусствоИсторияКулинарияКультураМаркетингМатематикаМедицинаМенеджментОхрана трудаПравоПроизводствоПсихологияРелигияСоциологияСпортТехникаФизикаФилософияХимияЭкологияЭкономикаЭлектроника






Лабораторная работа № 9





 

ИССЛЕДОВАНИЕ АНАЛОГОВЫХ ЭЛЕКТРОННЫХ КЛЮЧЕЙ

 

Целью работы является изучение схем аналоговых электронных ключей, построенных на различных полупроводниковых приборах.

Основные сведения. Аналоговый электронный ключ – это устройство, предназначенное для коммутации аналоговых сигналов от источника на нагрузку. В аналоговых ключах полупроводниковые приборы работают в ключевых режимах. При этом ключ имеет два устойчивых состояния: открытое и закрытое.

При одном из состояний ключа напряжение в нагрузке минимально (в идеальном случае равно нулю), при другом – максимально (в идеале равно напряжению источника сигнала). Режим работы ключа задаётся внешним управляющим сигналом, в качестве которого в данной лабораторной работе используется меандр – последовательность прямоугольных видеоимпульсов со скважностью 2. Схемы аналоговых ключей делят на два основных класса в

зависимости от включения по отношению к нагрузке: параллельные (рис. 9.1) и последовательные (рис. 9.2).

Основными параметрами ключа являются:

– коэффициент коммутации, различным образом определяемый для разных типов ключей: К к = U вых. откр /U вых. закр – для последовательного ключа; К к = U вых. закр /U вых. откр – для параллельного, где U вых. откр и U вых. закр – соответственно, напряжения на выходе открытого и закрытого ключей. Очевидно, что ключ тем эффективнее, чем больше коэффициент коммутации. У идеального ключа К к стремится к бесконечности;

– коэффициент передачи ключа, определяемый как К п = U вых. откр/ /U вх для последовательного ключа и К п = U вых. закр /U вх – для параллельного, где U вх – напряжение на входе ключа. Так как ключ в режиме пропускания от источника в нагрузку не должен вызывать ослабление сигнала, но и вместе с тем не предназначен для его усиления, то в идеальном ключе К п = 1;

– амплитудно-частотная характеристика ключа – зависимость коэф-фициента передачи от частоты сигнала;

– пороговое напряжение – такое напряжение, в окрестностях которого сопротивление ключа резко меняется;

– входные сопротивления по сигнальному и управляющему входам;

– чувствительность – разность амплитуд управляющих импульсов, при которых обеспечивается К к = 10 и К к = 1,1;

– быстродействие ключа, которое характеризуется временем его переключения из одного состояния в другое (от уровня 0,1 U вых max до уровня 0,9 U вых max).

В лабораторной работе рассматриваются четыре различные схемы ключей. На рис. 9.3 приведена схема последовательного аналогового ключа на диодах. При отсутствии сигнала на управляющем входе транзистор 2 закрыт. Положительное коллекторное напряжение закрывает диоды VD 1 и VD 2. При подаче на управляющий вход положительного напряжения транзистор 2 открывается и на его коллекторе появляется отрицательное напряжение, открывающее диоды. Входной сигнал проходит на выход. Диодный ключ работает в широком диапазоне частот. Нижняя граничная частота данного ключа зависит от значений разделительных емкостей.

На рис. 9.4 приведена схема параллельного ключа на биполярном транзисторе. При отсутствии управляющего напряжения транзистор закрыт, и входной сигнал беспрепятственно проходит на выход, так как сопротивление закрытого транзистора велико и он не шунтирует нагрузку. При подаче положительного напряжения на управляющий вход транзистор открывается и переходит в режим насыщения: его сопротивление становится очень малым и он шунтирует нагрузку; при этом практически весь входной сигнал будет падать на сопротивлении R 1.

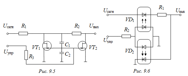
Двойной параллельный электронный ключ на полевых транзисторах изображён на рис. 9.5. Принцип действия его аналогичен принципу действия ключа на биполярном транзисторе. Схема отличается большим значением коэффициента коммутации. Емкости С 1 и С 2 предназначены для уменьшения выбросов управляющего напряжения при открывании ключа. Достоинствами схемы являются ее очень большое входное сопротивление (порядка единиц мегаом), а также возможность коммутировать сигналы очень низкого уровня (единицы микровольт).

На рис. 9.6 приведена схема аналогового ключа на оптронах – полупроводниковых приборах, содержащих в одном корпусе светодиод и фотодиод, оптически связанные между собой. Данная схема является комбинированной (последовательно-параллельной). При подаче на управляющий вход положительного напряжения в оптроне VD 1 зажигается светодиод, фотодиод открывается и входной сигнал проходит на выход. В оптроне VD 2 светодиод остается закрытым, темновое сопротивление фотодиода велико и не влияет на значение выходного напряжения. При подаче на управляющий вход отрицательного напряжения светодиод в оптроне VD 1 остается закрытым, сопротивление фотодиода велико и сигнал в нагрузку не поступает. Одновременно открывается светодиод в оптроне VD 2, сопротивление фотодиода резко уменьшается и шунтирует нагрузку, дополнительно ослабляя входной сигнал. Достоинством ключа на оптронах является отсутствие гальванической связи между управляющим входом и цепью, соединяющей источник сигнала и нагрузку.


Описание лабораторной установки. В состав лабораторной установки входят: макет, генератор прямоугольных импульсов, генератор гармо-нического сигнала, вольтметр переменного напряжения, магазин сопротивлений и двухканальный осциллограф.

Порядок выполнения работы:

1. Исследование ключа на диодах:

а) включить с помощью переключателя схему, изображенную на рис. 9.3. Установить напряжения источников питания +9 и –12 В;

б) подать с генератора гармонических сигналов на входы 1 и 2 исследуемой схемы напряжение амплитудой U вх = 0,5 В с частотой f = 1 кГц;

в) подать с генератора прямоугольных импульсов на входы 3 и 4 ключа импульсы амплитудой U упр = 10 В длительностью 5 мс. Зарисовать или сфотографировать с экрана осциллографа форму напряжений на выходе и на входах 1–2 и 3-4 ключа. Измерить значения U вых при двух состояниях ключа;

г) рассчитать значения коэффициентов коммутации и передачи исследуемого ключа на основании результатов измерений;

д) снять амплитудно-частотную характеристику ключа. Для этого при постоянном уровне U вх изменять частоту (f) сигнала в пределах от 20 Гц до 2 МГц, регистрируя значение U вых. Результат измерений представить в форме графика, пронормированного относительно максимального коэффициента передачи;

е) вновь установить частоту входного сигнала f = 1 кГц. По осциллограмме выходного сигнала определить быстродействие ключа при двух уровнях U упр (10 и 2 В);.

ж) изменяя амплитуду U упр, определить чувствительность ключа;

з) определить входное сопротивление ключа по сигнальному и управляющему входам. Для этого подключить магазин сопротивлений между генератором гармонического сигнала и сигнальным входом ключа. Подключить к гнездам 1 и 2 макета вольтметр и, постепенно увеличивая значение сопротивления от исходного нулевого значения, добиться уменьшения регистрируемого вольтметром напряжения в 2 раза;

и) определить входное сопротивление ключа по управляющему входу. Для этого подключить магазин сопротивлений между генератором импульсов и управляющим входом ключа. Подключить к гнездам 3 и 4 макета осциллограф и, постепенно увеличивая значение сопротивления от исходного нулевого значения, добиться уменьшения амплитуды импульсов на экране осциллографа в 2 раза (при неизменном масштабе изображения по оси Y).

2. Исследование ключа на биполярном транзисторе:

а) включить схему, изображенную на рис. 9.4;

б) произвести измерения в соответствии с п. 1,б–и.

3. Исследование ключа на полевом транзисторе:

а) включить схему, изображенную на рис. 9.5;

б) произвести измерения в соответствии с п. 1,б–и.

4. Исследование ключа на оптронах:

а) включить схему, изображенную на рис. 9.6.


б) произвести измерения в соответствии с п. 1,б–и.(примечание: для схемы, представленной на рис. 9.6, установить на входах 1–2 гармонический сигнал напряжением U вх = 1 В).

Содержание отчета:

1. Схемы соединения приборов и исследуемых ключей.

2. Результаты экспериментальных исследований и расчетов по п. п. 1–4 в виде таблиц и графиков.

3. Выводы.

 







Date: 2015-05-08; view: 1999; Нарушение авторских прав



mydocx.ru - 2015-2026 year. (0.663 sec.) Все материалы представленные на сайте исключительно с целью ознакомления читателями и не преследуют коммерческих целей или нарушение авторских прав - Пожаловаться на публикацию