Главная Случайная страница


Полезное:

Как сделать разговор полезным и приятным Как сделать объемную звезду своими руками Как сделать то, что делать не хочется? Как сделать погремушку Как сделать так чтобы женщины сами знакомились с вами Как сделать идею коммерческой Как сделать хорошую растяжку ног? Как сделать наш разум здоровым? Как сделать, чтобы люди обманывали меньше Вопрос 4. Как сделать так, чтобы вас уважали и ценили? Как сделать лучше себе и другим людям Как сделать свидание интересным?


Категории:

АрхитектураАстрономияБиологияГеографияГеологияИнформатикаИскусствоИсторияКулинарияКультураМаркетингМатематикаМедицинаМенеджментОхрана трудаПравоПроизводствоПсихологияРелигияСоциологияСпортТехникаФизикаФилософияХимияЭкологияЭкономикаЭлектроника






Лабораторная работа № 10





 

ИССЛЕДОВАНИЕ МУЛЬТИВИБРАТОРОВ

 

Целью работы является изучение наиболее распространенных генераторов прямоугольных видеоимпульсов – мультивибраторов – в автоколебательном и ждущем режимах, а также в режимах деления частоты и синхронизации. В современной электронике находят применение мультивибраторы на транзисторах, динисторах, логических элементах. В данной работе в качестве элементной базы для построения схем мультивибраторов выбраны ОУ.

Основные сведения. Видеоимпульсы прямоугольной формы характеризуются двумя уровнями сигнала: однополярные импульсы имеют высокий и низкий (почти нулевой) уровни, двухполярные – равные по модулю положительный и отрицательный уровни. Для формирования однополярных импульсов обычно применяют транзисторные генераторы, для создания двухполярных – схемы на операционных усилителях (выбор элементной базы обусловлен тем, что транзистор обеспечивается однополярным питанием, а ОУ – симметричным двухполярным). Переход с одного уровня на другой осуществляется очень быстро. Мультивибраторы работают в четырех режимах:

– автоколебательном, т. е. в режиме генерации непрерывной импульсной последовательности без подачи на схему какого-либо сигнала; параметры сигнала определяются исключительно значениями элементов схемы мультивибратора;

– ждущем, при реализации которого мультивибратор вырабатывает одиночный импульс при подаче на вход короткого импульса запуска (ждущий мультивибратор называют поэтому также одновибратором);

– синхронизации, который является промежуточным между автоколебательным и ждущим, так как на вход схемы поступают короткие импульсы, хотя сам мультивибратор является автоколебательным; при подаче входных импульсов происходит синхронизация (подстройка) временных параметров импульсов, вырабатываемых мультивибратором при подаче входного сигнала (схема реагирует при этом на каждый входной импульс);

– деления частоты, аналогичном режиму синхронизации (мультивибраторы в режимах деления частоты и синхронизации не различаются даже схемами), но в котором мультивибратор реагирует не на каждый входной импульс.

Прямоугольные видеоимпульсы (идеальной формы) характеризуются следующими параметрами:

– положительным уровнем сигнала + Е (точнее, ≈ + Е);

– отрицательным уровнем сигнала − Е (точнее, ≈ − Е) (+ Е и − Е – напряжения источников питания ОУ, входящего в схему мультивибратора);

– длительностью положительного импульса τ+;

– длительностью отрицательного импульса τ;

– периодом Т = τ+ + τ ,

– скважностями Q + = Т/ τ + и Q = Т/ τ.

Амплитуду и период импульсов запуска для ждущего мультивибратора обозначают, соответственно, как U зап и Т зап, а амплитуду и период входных импульсов в режимах синхронизации и деления частоты – как U вх и Т вх. Схема автоколебательного мультивибратора на ОУ приведена на рис. 10.1. Операционный усилитель вместе с резистивным делителем на сопротивлениях R 2 и R 3 образует регенеративный компаратор, переключение которого происходит в моменты равенства потенциалов на неинвертирующем и инвертирующем входах ОУ (f + и f соответственно). Значение f + жестко связано с уровнем выходного сигнала, составляющем поочередно + Е или − Е, и с коэффициентом деления делителя и равно + ЕR 3/(R 2 + R 3) либо − ЕR 3/(R 2 + R 3). Значение f плавно меняется из-за заряда (точнее, перезаряда) емкости С через сопротивление R 1, потенциометр R 4/ R 5 и один из диодов VD: при этом процесс заряда начинается в момент переключения компаратора от уровня − ЕR 3/(R 2 + R 3), и стремится завершиться достижением уровня выходного сигнала + Е (или наоборот – от уровня + ЕR 3/(R 2 + R 3) до уровня − Е; кривые заряда различны при различной полярности выходного сигнала и включают либо R 1, R 4 и диод VD 1, либо R 1, R 5 и VD 2). Однако завершиться процесс заряда не может, так как при достижении напряжением на емкости, т. е. и потенциалом f уровня f + компаратор вновь переключается и сигнал на выходе мультивибратора вновь меняет полярность.

Длительность импульсов мультивибратора

τ + = С (R 1 + R 4) ln(1 + 2 R 2/ R 3);

τ = С (R 1 + R 5) ln(1 + 2 R 2/ R 3).

Таким образом, период импульсов зависит только от значений С, R 1, R 2 и R 3, а скважности определяются соотношениями

Q+ = (2 R 1 + R 4 + R 5)/(R 1 + R 4),

Q = (2 R 1 + R 4 + R 5)/(R 1 + R 5).


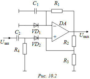
Амплитуда импульсов на выходе мультивибратора примерно равна 2 Е. Схема ждущего мультивибратора (одновибратора) приведена на рис. 10.2. От автоколебательного мультивибратора она отличается в первую очередь наличием диода VD 1, параллельного емкости С 1 зарядной цепи.

При одной из полярностей выходного сигнала диод открыт, емкость разряжена, f = 0 (при включении диода в соответствии со схемой такое состояние наблюдается при − Е). Так как при этом f + = − ЕR 3/(R 2 + R 3), то регенеративный компаратор и весь мультивибратор находятся в устойчивом состоянии. Вывести схему из устойчивого состояния можно лишь подачей импульса положительной полярности с амплитудой U зап > ЕR 3/(R 2 + R 3). Тогда на короткое время полярность потенциала f + поменяется на противоположную, а этого достаточно для изменения полярности выходного сигнала мультивибратора. При этом диод VD 1 закрывается и начинается заряд емкости С 1 через сопротивление R 1 и увеличение f . По достижении f = f + = +ЕR 3/(R 2 + R 3) компаратор переключается, на этот раз без подачи внешнего сигнала, самопроизвольно. Схема возвращается в исходное состояние по выходу. Завершается процесс восстановления быстрым разрядом емкости С 1 через вновь открывшийся диод VD 1.

Цепь запуска состоит из дифференцирующей цепи С 2R 4, служащей для укорочения входного воздействия, и диода VD 2, исключающего поступление на вход ОУ обратного выброса сигнала, образующегося после дифференцирования. Подача следующего запускающего импульса допустима лишь после восстановления исходного состояния ждущего мультивибратора.

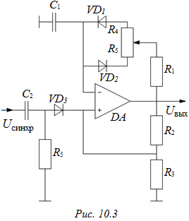
Длительность импульса на выходе ждущего мультивибратора τ + = СR 1ln(1 + R 2/ R 3). Отсутствие «двойки» в скобке перед отношением сопротивлений, образующих резистивный делитель, вызвано тем, что, в отличие от автоколебательного мультивибратора, заряд емкости в ждущей схеме начинается с нуля. На рис. 10.3 приведена схема мультивибратора, работающего в режимах синхронизации и деления частоты. В своей основе – это автоколебательный мультивибратор, аналогичный изображенному на рис. 10.1, к которому добавлена входная цепь, аналогичная цепи запуска ждущего мультивибратора.

В основу работы схемы положен эффект срабатывания регенеративного компаратора при равенстве потенциалов на входах ОУ. При отсутствии входных сигналов f + постоянен в течение всего интервала времени, когда неизменна полярность выходного сигнала. Если же на вход мультивибратора поступают короткие импульсы, то они складываются с напряжением, задаваемым делителем на сопротивлениях, и f + на короткое время возрастает, приближаясь к плавно меняющемуся уровню f . В результате равенство потенциалов может наступить раньше, произойдет преждевременное переключение компаратора и длительность импульса на выходе мультивибратора уменьшится, причем станет равной или кратной периоду входных импульсов (Т вх).

Отношение К д = Т/Т вх называется коэффициентом деления; в режиме синхронизации К д = 1. Значение коэффициента деления зависит как от U вх и Т вх, так и от ЕR 3/(R 2 + R 3).

Описание лабораторной установки. В состав лабораторной установки входят: макет, генератор прямоугольных импульсов и осциллограф.


Порядок выполнения работы:

1. Исследование автоколебательного мультивибратора:

а) собрать схему, изображенную на рис. 10.1. Подать напряжения питания +15 и –15 В на макет;

б) с помощью осциллографа зарисовать форму напряжений на выходе мультивибратора и на обоих входах ОУ;

в) измерить значения τ +, τ и Т сигнала на выходе мультивибратора при двух разных значениях R 1; при двух разных значениях С; при разных соотношениях R 4 и R 5 (значения R 1 и отношения R 4/ R 5 следует изменять, вращая движки потенциометров, выведенных на лицевую панель макета; для изменения значения емкости необходимо параллельно к основному конденсатору подключить дополнительный);

г) рассчитать значения Q+ и Q для всех результатов измерений.

2. Исследование ждущего мультивибратора:

а) собрать схему, изображенную на рис. 10.2. Для подачи импульсов запуска соединить выход генератора импульсов со входом цепи запуска на макете. Установить такую частоту импульсов запуска, чтобы Т зап в 5–10 раз превосходил максимальное значение Т, измеренное в п. 1,в;

б) изменяя амплитуду импульсов запуска, зафиксировать напряжение, при котором ждущий мультивибратор начинает работать;

в) измерить и сопоставить параметры импульсов запуска и импульсов на выходе мультивибратора;

г) меняя напряжение одного из источников питания от 15 до 9 В при неизменном напряжении другого источника, зарегистрировать изменение длительности и амплитуды импульса на выходе мультивибратора.

3. Исследование мультивибратора в режимах синхронизации и деления частоты:

а) собрать схему, изображенную на рис. 10.3. На вход макета подать от генератора прямоугольных импульсов меандр с периодом в 5 раз меньшим, нежели минимальное значение τ + или τ , измеренное в п. 1,в;

б) зарисовать форму напряжений на выходе мультивибратора и на обоих входах ОУ;

в) изменяя амплитуду входных импульсов, измерить зависимость коэффициента деления от U вх.

Содержание отчета:

1. Схемы исследуемых мультивибраторов.

2. Результаты экспериментальных исследований и расчетов п. п. 1–3 в виде таблиц и графиков.

3. Выводы.

 







Date: 2015-05-08; view: 1266; Нарушение авторских прав



mydocx.ru - 2015-2026 year. (1.289 sec.) Все материалы представленные на сайте исключительно с целью ознакомления читателями и не преследуют коммерческих целей или нарушение авторских прав - Пожаловаться на публикацию