Главная Случайная страница


Полезное:

Как сделать разговор полезным и приятным Как сделать объемную звезду своими руками Как сделать то, что делать не хочется? Как сделать погремушку Как сделать так чтобы женщины сами знакомились с вами Как сделать идею коммерческой Как сделать хорошую растяжку ног? Как сделать наш разум здоровым? Как сделать, чтобы люди обманывали меньше Вопрос 4. Как сделать так, чтобы вас уважали и ценили? Как сделать лучше себе и другим людям Как сделать свидание интересным?


Категории:

АрхитектураАстрономияБиологияГеографияГеологияИнформатикаИскусствоИсторияКулинарияКультураМаркетингМатематикаМедицинаМенеджментОхрана трудаПравоПроизводствоПсихологияРелигияСоциологияСпортТехникаФизикаФилософияХимияЭкологияЭкономикаЭлектроника






Лабораторная работа № 8





 

ИССЛЕДОВАНИЕ RC -ГЕНЕРАТОРОВ

Целью работы является практическое ознакомление с генераторами гармонических колебаний низкой частоты на основе RC -генераторов.

Основные сведения. Под генератором, или автоколебательным устройством, подразумевается первичный источник колебаний, работающий в режиме самовозбуждения. Любой автогенератор представляет собой нелинейное устройство, преобразующее энергию источника питания (обычно в виде постоянного тока) в энергию колебаний. При этом для возникновения генерации необходимо выполнение двух условий:

К γ ≥1; (8.1)

Δφ К + Δφγ = n × 360°, n = 0, 1, 2,… (8.2)

где К, γ – коэффициенты передачи усилителя и цепи обратной связи; Δφ К, Δφγ – сдвиги фаз в усилителе и в цепи обратной связи.

Выражение (8.1) называется условием баланса амплитуд и показывает, что при самовозбуждении сигнал на выходе цепи обратной связи должен быть не меньше сигнала на входе усилителя, т. е. усиление усилителя на частоте генерации должно полностью компенсировать ослабление сигнала при прохождении цепи обратной связи. Условие (8.2) показывает, что на частоте генерации фаза сигнала, прошедшего по всей цепочке «усилитель – цепь обратной связи», должна совпасть с исходной, т. е. сдвиг фаз в генераторе должен быть равен n × 360°. Чтобы автоколебания были гармоническими, необ-ходимо, чтобы баланс амплитуд и баланс фаз быстро нарушались по обе стороны от частоты генерации. Для этого цепь обратной связи выполняют избирательной с помощью -цепочек. Квазирезонанс наступает на частоте

f 0 = 1 / (2π RC) (8.3)

Рассмотрим схемы генераторов с различными RC -цепочками в цепи обратной связи. Схема RC- генератора с мостом Вина приведена на рис. 8.1.

 

 

Так как в схеме моста Вина на частоте f 0 сдвиг фаз равен 0, а коэф-фициент передачи γ = 1/3, то, включив мост Вина в цепь положительной обратной связи операционного усилителя, получим автогенератор.

Коэффициент усиления отрицательной обратной связи схемы регулируется с помощью сопротивления R 3 в цепи отрицательной обратной связи.

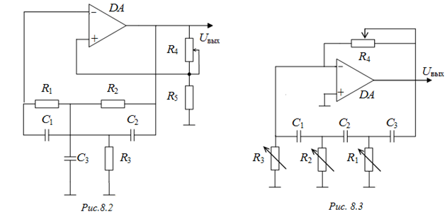
Схема RC -генератора с двойным Т-образным мостом приведена на рис. 8.2. Так как мост является режекторным фильтром, то он включается в цепь отрицательной обратной связи операционного усилителя. В результате этого усилитель на всех частотах, кроме частоты f 0, охвачен сильной отри-цательной обратной связью. Кроме того, усилитель охвачен неглубокой положительной обратной связью, выполненной на сопротивлениях R 4 и R 5. На всех частотах, кроме f 0, отрицательная обратная связь влияет сильнее, чем положительная, поэтому генерация имеет место лишь на частоте f 0.

Схема генератора, в котором используется трехзвенная RC -цепочка, приведена на рис. 8.3. Такая цепочка включается в цепь отрицательной обратной связи. С помощью сопротивлений R 1 R 3 устанавливается сдвиг фаз φ0, который на некоторой частоте f 0 будет равен 180°.

В этом случае будет выполняться условие баланса фаз, и при некотором коэффициенте усиления операционного усилителя, регулируемом сопротивлением R 4, будет компенсироваться затухание в цепи обратной связи и в схеме возникнут автоколебания. Изменение значения одного из элементов RC -цепочек приводит к изменению сдвига фаз и, соответственно, смещает частоту генерации.

Схема с двойным Т-образным мостом обеспечивает наибольшую стабильность частоты генерации.

Для всех рассмотренных типов RC -генераторов весьма актуальным яв-ляется сохранение хорошей формы гармонических колебаний при перестройке частоты, изменении внешних условий, напряжения питания, значения нагрузки. Режимы насыщения и отсечки у транзисторов наступают резко, что приводит к нелинейным искажениям сигнала.

Описание лабораторной установки. В состав лабораторной установки входят макет, осциллограф, генератор гармонических сигналов, вольтметр переменного напряжения и цифровой частотомер и измеритель нелинейных искажений.

Порядок выполнения работы:

1. Подать напряжения питания +15 и –15 В на макет.

2. Исследование -генератора с мостом Вина (см. рис. 8.1):

а) рассчитать по формуле (8.3) частоту колебаний генератора (f 0) для схемы, элементы которой имеют параметры, указанные преподавателем;

б) снять амплитудно-частотную характеристику моста Вина в диа-пазоне частот (0,5…1,5) f 0. Для этого подать с генератора низкой частоты на вход моста Вина гармонический сигнал амплитудой 1…2 В, амплитуду выходного сигнала измерять с помощью милливольтметра. На частоте квазирезонанса f 0 измерить коэффициент передачи цепи;


в) снять фазочастотную характеристику моста Вина в диапазоне частот (0,8…1,2) f 0. Измерения произвести с помощью осциллографа;

г) собрать схему генератора с мостом Вина в цепи обратной связи и с помощью потенциометра R 3 добиться возникновения колебаний. Цифровым частотомером измерить частоту колебаний f 0;

д) меняя регулировочным сопротивлением значение отрицательной обратной связи (а значит, и коэффициент усиления К), определить минимальный коэффициент усиления, при котором возможно возникновение генерации. Для этого необходимо добиться возникновения в схеме генерации и с помощью милливольтметра измерить исходное напряжение генерации (U ген). Затем разомкнуть цепь обратной связи, отключив мост Вина от усилителя, подать на неинвертирующий вход ОУ напряжение с генератора гармонических сигналов с частотой f = f 0 и такой амплитудой U вх, при которой выходное напряжение усилителя будет равно U ген. Коэффициент усиления определяется по формуле

К = U вых / U вх.

3. Исследование RC -генератора с двойным Т-образным мостом (см. рис. 8.2) в соответствии с методикой, изложенной в п. 2, а–е.

4. Исследование RC -генератора с трехзвенной RC -цепью:

а) собрать схему генератора с трехзвенной RC -цепью (см. рис. 8.3). Изменяя параметры звена обратной связи (сопротивления R 1 R 3), а также коэффициент усиления усилителя (сопротивление R 4), добиться возникно-вения генерации. Наличие генерации определить по показаниям милливольтметра или осциллографа, подключенного к выходу макета;

б) измерить частоту колебаний автогенератора;

в) произвести исследования по методике, изложенной в п. 2, а–е.

Содержание отчета:

1. Схемы исследуемых генераторов и схемы соединения приборов.

2. Результаты измерений и расчетов по п. п. 2–4.

3. Выводы.

 







Date: 2015-05-08; view: 2705; Нарушение авторских прав



mydocx.ru - 2015-2026 year. (0.443 sec.) Все материалы представленные на сайте исключительно с целью ознакомления читателями и не преследуют коммерческих целей или нарушение авторских прав - Пожаловаться на публикацию