Главная Случайная страница


Полезное:

Как сделать разговор полезным и приятным Как сделать объемную звезду своими руками Как сделать то, что делать не хочется? Как сделать погремушку Как сделать так чтобы женщины сами знакомились с вами Как сделать идею коммерческой Как сделать хорошую растяжку ног? Как сделать наш разум здоровым? Как сделать, чтобы люди обманывали меньше Вопрос 4. Как сделать так, чтобы вас уважали и ценили? Как сделать лучше себе и другим людям Как сделать свидание интересным?


Категории:

АрхитектураАстрономияБиологияГеографияГеологияИнформатикаИскусствоИсторияКулинарияКультураМаркетингМатематикаМедицинаМенеджментОхрана трудаПравоПроизводствоПсихологияРелигияСоциологияСпортТехникаФизикаФилософияХимияЭкологияЭкономикаЭлектроника






Исследование схем включения транзисторов





Целью работы является практическое ознакомление с простейшими схемами включения транзисторов – схемой с общим эмиттером, схемой с общим коллектором и схемой с общей базой и с двумя другими, относи-тельно более сложными схемами.

Основные положения. Схема включения транзистора с общим эмиттером (ОЭ) изображена на рис. 2.1. Входным электродом является база (точнее, входной сигнал U вx приложен к переходу эмиттер – база, т. е. U вx = U бэ = fб – fэ, где fб и fэ – соответственно, потенциалы базы и эмиттера). Рис 2.1.

Выходным электродом является коллектор, т. е. выходное напряжение (U выx) равно падению напряжения между коллектором и эмиттером (U кэ):

U выx = U кэ = fк – fэ,

где fк – потенциал коллектора. Таким образом, эмиттер является «общим электродом» и для U вx, и для U выx, чем и объясняется название схемы.

Схема с общим эмиттером усиливает сигнал как по напряжению, так и по току, при этом сигнал приобретает фазовый сдвиг 180º. Более подробно модификации схемы с ОЭ изложены в работах № 3 и 4.

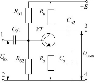
Схема включения транзистора с общим коллектором (ОК) изображена на рис. 2.2. Входным электродом является база транзистора, а выходным – эмиттер. Коллектор накоротко соединен с источником питания, fк = Е = соnst. Так как коллекторный вывод не используется для выделения переменного сигнала, то коллектор считают «общим электродом» для входного и выходного сигналов, откуда и происходит название схемы. Сопротивления R б1 и R б2 используются в схеме с ОК для подачи на базу постоянного напряжения U вx = E (R б2 / (R б1 + R б2)). Сопротивление R э обеспечивает получение переменного выходного сигнала. Конденсаторы С p1 и С p2 называются разделительными и обеспечивают «развязку» соседних каскадов по постоянному току.

Схема с общим коллектором работает следующим образом. Входной сигнал приложен к базе, причем fб = U бэ + fэ, а выходной сигнал равен fэ = = I э R э. Таким образом, U вx = U бэ + U вых. Увеличение U вx приводит к тому, что pn -переход эмиттер – база транзистора становится более открытым, I э растет и увеличивается U выx = I э R э. Вместе с тем, рост I э вызывает возрастание fэ, транзистор частично закрывается. Изменение потенциалов базы и эмиттера транзистора, таким образом, происходит синхронно, но fэ меняется несколько меньше, чем fб.

Коэффициент передачи по напряжению КU у схемы с общим коллектором, как это видно из объяснения ее работы, меньше 1 и равен KU = U выx/ U вx = SR э/(1 + SR э) < 1, зато коэффициент передачи по току КI = I вых/ I вх = I э/ I б >> 1. Сдвиг фаз в схеме Dj = 0 (так как fб и fэ меняются синхронно). Поскольку при KU ≈ 1 Dj = 0 выходной сигнал схемы практически повторяет сигнал на ее входе, то схему с ОК часто называют повторителем, точнее, эмиттерным повторителем (так как выходным электродом является эмиттер).

В электронике широко используется тот факт, что выходное сопротивление схемы с ОК невелико. Когда известно сопротивление нагрузки (на-пример, это кабель с эквивалентным сопротивлением 50 или 75 Ом), то R э выбирают из соотношения R э = R н (условие передачи максимальной мощности в нагрузку). Если нагрузка неизвестна, но не исключено, что R н может быть малым, выбирают R э порядка единиц-десятков ом. Рис 2.3

Схема включения транзистора с общей базой (ОБ) изображена на рис. 2.3. Входным электродом является эмиттер (входной сигнал U вx приложен к переходу эмиттер – база, база по переменному сигналу заземлена). Выходным электродом является коллектор; с учетом того что база по переменному сигналу заземлена, можно считать, что U выx = fк, т. е. U выx равно переменному напряжению между коллектором и базой. База является, таким образом, «общим электродом» для входного и выходного сигналов, откуда и происходит название схемы. Назначение элементов R б1, R б2, С p1, С p2 и R к в схеме с ОБ такое же, как и в схеме с ОЭ. Дополнительным, в сравнении со схемой с ОЭ, элементом является базовая емкость (C б), которая обеспечивает заземление базы по переменному сигналу.

Схема работает следующим образом. Когда U вx имеет положительную полярность, fЭ возрастает, в результате чего U бэ = fб – fэ снижается и pn -переход эмиттер – база частично закрывается. Ток I э уменьшается, в результате уменьшается и ток I кI э, снижается падение напряжения на сопротивлении R к, а потенциал коллектора fк = ЕI к R к возрастет. Так как fкU выx, то при увеличении мгновенного значения U вxувеличивается и мгновенное значение U выx. При отрицательной полярности U вxпроисходят аналогичные процессы.


Входное сопротивление схемы R вх = R э׀׀ r бэ, где r бэ – эквивалентное сопротивление открытого pn -перехода эмиттер – база транзистора: оно чрезвычайно мало и обычно не превышает нескольких десятков Ом. Выходное сопротивление R вых ненагруженной схемы определяется параллельным соединением R к и эквивалентным сопротивлением r кэ транзистора, включающим закрытый pn -перехода коллектор – база, и поэтому велико. Однако если один каскад с общей базой в целях увеличения коэффициента усиления нагрузить на такой же, то выходное сопротивление резко снижается и становится меньшим, чем R вх. Коэффициент усиления по напряжению

KU = U выx/ U вx= (I к R к)/[ I э(R э׀׀ r бэ)] ≈ R к/(R э׀׀ r бэ) = R к/ R вх.

При каскадном соединении нескольких схем с ОБ низкоомная нагрузка шунтирует R к и в формулу для KU вместо этого сопротивления следует подставить значение выходного сопротивления, которое меньше R вх: получается, что KU < 1.

Коэффициент передачи по току КI = I вых/ I вх = I к/ I э ≈ 1. Фазу сигнала схема с общей базой не меняет.

Кроме трех простейших транзисторных схем часто используют две более сложные: схему с общей базой объединяют со схемой с общим эмитте-ром в единый каскад – так называемую «каскодную» схему (рис. 2.4). Входной сигнал в ней поступает на схему с общим эмиттером.

Транзистор схемы с ОБ включен как бы «вместо» коллекторной нагрузки схемы с ОЭ. Схема обладает малой выходной емкостью, поэтому хорошо работает на высоких частотах. Кроме того, при использовании «каскодной» схемы изменения в значении нагрузки практически не влияют на работу основного усилительного транзистора (на котором собрана схема с ОЭ).

 

Рис. 2.4 Рис. 2.5

 

Еще в одной схеме (рис. 2.5) за счет особого соединения транзисторов удается получить большой коэффициент усиления по току: коллекторный ток первого транзистора схемы является для второго транзистора базовым. По фамилии разработчика схема, представленная на рис. 2.5, называется схемой Дарлингтона.

Описание лабораторной установки. В состав лабораторной установки входят лабораторный макет, генератор гармонических сигналов, магазин сопротивлений, два вольтметра переменного напряжения и осциллограф. Переключатель на лицевой панели макета позволяет поочередно исследовать различные схемы включения транзисторов.

Порядок выполнения работы:

1. Подать напряжения питания +15 и –15 В на макет.

2. Исследовать схему с общим эмиттером:

а) измерить амплитудную характеристику схемы, изменяя значения U вx от 10 мВ до достижения заметных нелинейных искажений выходного сигнала. Частоту (f) входного сигнала выбрать в пределах 1…10 кГц. Определить U лин max – максимальное значение входного сигнала, при котором график АХ не отклоняется от линейного;

б) измерить амплитудно-частотную характеристику схемы в диапазоне частот 20 Гц…2 МГц. Определить нижнюю и верхнюю граничные частоты (f гр) схемы, исходя из условия K (f гр) ≈ 0,7 [max K (f)];

в) измерить значения фазочастотной характеристики, при этом значение f выбрать примерно соответствующим середине полосы усиления;


г) определить входное сопротивление схемы (значение U вx выбрать таким, чтобы выходной сигнал не имел нелинейных искажений, а f принять в пределах полосы усиления);

д) определить выходное сопротивление схемы (значения U вx и f выбрать такие же, как и при выполнении п. 2, г).

3. Исследовать схему с общей базой в соответствии с п. 2.

4. Исследовать схему с в соответствии с п 2 (при измерении амплитудной характеристики значение U вx не должно превышать 5 В).

5. Исследовать каскодную схему (с общим эмиттером – общей базой) в соответствии с п.2.

6. Исследовать схему Дарлингтона в соответствии с п.2.

Содержание отчета:

1. Схемы соединения приборов при измерениях АХ, АЧХ, ФЧХ, значений R вx и R выx.

2. Исследованные схемы.

3. Результаты измерений и расчетов по п. п. 2–6 (графики АХ, АЧХ, значения U лин max и f гр, измеренные значения ФЧХ, R вx, R выx).

4. Выводы.

 







Date: 2015-05-08; view: 1614; Нарушение авторских прав



mydocx.ru - 2015-2026 year. (0.933 sec.) Все материалы представленные на сайте исключительно с целью ознакомления читателями и не преследуют коммерческих целей или нарушение авторских прав - Пожаловаться на публикацию