Главная Случайная страница


Полезное:

Как сделать разговор полезным и приятным Как сделать объемную звезду своими руками Как сделать то, что делать не хочется? Как сделать погремушку Как сделать так чтобы женщины сами знакомились с вами Как сделать идею коммерческой Как сделать хорошую растяжку ног? Как сделать наш разум здоровым? Как сделать, чтобы люди обманывали меньше Вопрос 4. Как сделать так, чтобы вас уважали и ценили? Как сделать лучше себе и другим людям Как сделать свидание интересным?


Категории:

АрхитектураАстрономияБиологияГеографияГеологияИнформатикаИскусствоИсторияКулинарияКультураМаркетингМатематикаМедицинаМенеджментОхрана трудаПравоПроизводствоПсихологияРелигияСоциологияСпортТехникаФизикаФилософияХимияЭкологияЭкономикаЭлектроника






Лабораторная работа 9





Исследование умножителей напряжения.

 

1. Цель работы: Изучение принципа действия умножителей напряжения и сравнение характеристик параллельной и последовательной схемы умножителей.

2. Приборы и оборудование: программа Electronics Workbench.

3. Схема.

4. Теоретические сведения:

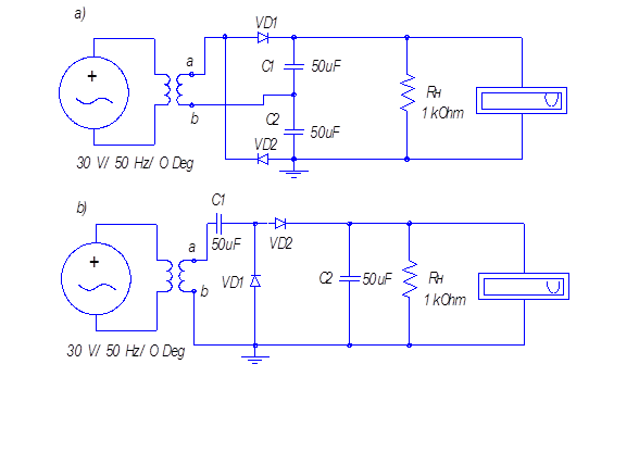
1.Параллельный удвоитель напряжения (рис.1,а)

Схема представляет собой два однополупериодных выпрямителя, подключенных к одной вторичной обмотке трансформатора.

В один из полупериодов входного напряжения, когда точка «а» имеет положительный потенциал, точка «в» имеет отрицательный потенциал, диод VD1 открыт, диод VD2 закрыт. С1 через открытый диод VD1 заряжается до амплитудного значения напряжения U2. В следующий полупериод входного напряжения, когда в точке «в» положительный потенциал, в точке «а» отрицательный потенциал, диод VD1 закрыт, диод VD2 открыт. Теперь заряжается конденсатор С2 до амплитудного значения U2. Конденсаторы С1 и С2 по отношению к выходным зажимам соединены последовательно, полярность напряжения на конденсаторах такова, что выходное напряжение устройства практически равно удвоенному амплитудному значению напряжения вторичной обмотки трансформатора, если постоянная времени разрядки tраз.=CRн>>Т/2, где С1=С2=С. В противном случае конденсаторы будут разряжаться в следующие за их зарядкой полупериоды и значение выходного напряжения будет меньше 2U2.

2.Последовательный удвоитель напряжения (рис.1б).

Когда потенциал точки «в» положительный, а точки «а» отрицательный, диод VD1 открыт, диод VD2 закрыт. В этот момент С1 заряжается через диод VD1 до амплитудного значения напряжения U2. В следующий полупериод диод VD1 закрыт, диод VD2 открыт. С2 при этом начинает заряжаться через диод VD2 до напряжения, равного сумме напряжения вторичной обмотки трансформатора U2 и напряжения ранее заряженного конденсатора С1. Следовательно, напряжение на нагрузке Rн будет равно удвоенному значению напряжения U2.

 







Date: 2015-05-08; view: 531; Нарушение авторских прав



mydocx.ru - 2015-2026 year. (0.682 sec.) Все материалы представленные на сайте исключительно с целью ознакомления читателями и не преследуют коммерческих целей или нарушение авторских прав - Пожаловаться на публикацию