Главная Случайная страница


Полезное:

Как сделать разговор полезным и приятным Как сделать объемную звезду своими руками Как сделать то, что делать не хочется? Как сделать погремушку Как сделать так чтобы женщины сами знакомились с вами Как сделать идею коммерческой Как сделать хорошую растяжку ног? Как сделать наш разум здоровым? Как сделать, чтобы люди обманывали меньше Вопрос 4. Как сделать так, чтобы вас уважали и ценили? Как сделать лучше себе и другим людям Как сделать свидание интересным?


Категории:

АрхитектураАстрономияБиологияГеографияГеологияИнформатикаИскусствоИсторияКулинарияКультураМаркетингМатематикаМедицинаМенеджментОхрана трудаПравоПроизводствоПсихологияРелигияСоциологияСпортТехникаФизикаФилософияХимияЭкологияЭкономикаЭлектроника






Оформление отчета





Заполнить титульный лист, см. Приложение.

Оформить отчет, см. Общие требования к выполнению практических заданий, оформлению работы и ее защите.

Приложение 5.1

 

Пермский государственный технический университет

Кафедра «Технология машиностроения»

 

ЗАДАНИЕ

К ПРАКТИЧЕСКОМУ ЗАДАНИЮ №2

 

«Определение геометрических параметров

режущего инструмента для выполнения операции механической обработки»

по дисциплине «Технология машиностроения»

 

Студенту (ке) ___________________________________________________ группы гр. ________

Исходные данные: _______________________________________________

________________________________________________________________

Тип производства:_______________________________________________

Приложение 2.2

 

 

 

Модуль m  
Число зубьев Z  
Степень точности - 8-9
Высота зуба H 2,53
Диаметр основной окружности d 68,931

 

 

1. Цементировать h 1,0…1,4 мм, кроме резьбы; HRCэ 60…64,

сердцевина – HRCэ 32…46

2. острые кромки зубьев затупить фасками 1×45о с обоих торцов

3. неуказанные предельные отклонения размеров h14, H14,±IT14/2

 

Вал-шестерня

Сталь 25ХГНМТ

Масса 6,3 кг

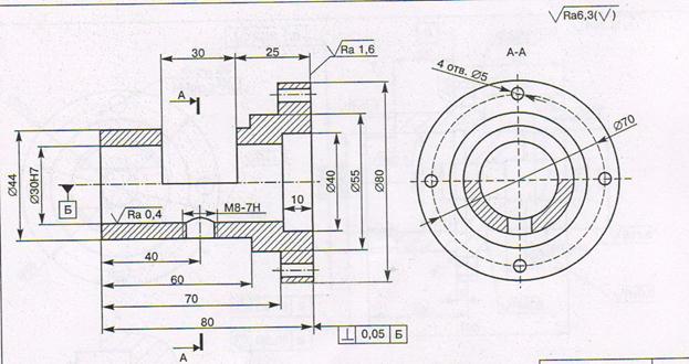
Приложение 2.3

Модуль M 2,5
Число зубьев Z  
Диаметр ролика Dp 5,176
Размер по роликам Mp 38,9

 

 

1 HB 241///269

2 * размер для справок

3 неуказанные предельные отклонения размеров h14, H14,±IT14/2

 

Фланец кулака

Сталь 45

Масса 4,2 кг

Приложение 4

1. HRCэ 37…42

2. неуказанные предельные отклонения размеров h14, H14, ±IT14/2

 

 

Серьга

Сталь 45

Масса 1,6кг

Приложение 5

 

1. цементировать h 0,7…0,9 мм; HRCэ 58…62

2. неуказанные предельные отклонения размеров h14, H14, ±IT14/2

 

Крестовина

Сталь 20

Масса 7,1 кг

Приложение 6

 

Модуль m 2,5
Число зубьев Z  
Высота зуба H 2,428
Размер по роликам - 8-9

 

1. цементировать h 1.0…1,4мм; HRCэ 58…65, сердцевина – HRCэ 35…45

2. острые кромки зубьев затупить фасками 1×45о с обеих торцов

3. неуказанные предельные отклонения размеров h14, H14, ±IT14/2

Шестерня

Сталь 30ХГТ

Масса 6,5 кг

 

Приложение 7

 

1. Цементировать h1,0…1,4мм; HRCэ 58…65, сердцевина – HRCэ 35…45

2. острые кромки зубьев затупить фасками 1×45о с обеих торцов

3. неуказанные предельные отклонения размеров h14, H14,±ШЕ14/2

 

 

Корпус

СЧ18

Масса 4,6 кг

Приложение 8

 

Окружной модуль M  
Число зубьев Z  
Тип зуба - Прямой
Исходный контур - ГОСТ 13745-88
Угол делительного конуса < 15о52

 

 

  1. HRCэ 42…48
  2. неуказанные предельные отклонения размеров h14, H14,±IT14/2

 

 

Шестерня

Сталь 40Х

Масса 1,5 кг

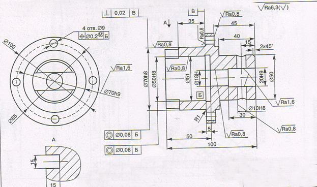
Приложение 9

 

Неуказанные предельные отклонения размеров h14, H14,±IT14/2

 

Фланец

Сталь 45

Масса 1,9 кг

Приложение 10

 

Неуказанные предельные отклонения размеров h14, H14,±IT14/2

 

Корпус

Сталь 45

Масса 2,2 кг

Приложение 11

 

Неуказанные предельные отклонения размеров h14, H14,±IT14/2

 

 

Крышка

Сталь 45

Масса 2,2 кг

СПИСОК ЛИТЕРАТУРЫ

1. Колесов И.М. Основы технологии машиностроения: Учебник для машиностроительных вузов. - М.: Машиностроение, 1997. - 592 с., ил.

2. Справочник технолога - машиностроителя. / Под ред. А.Г. Косиловой, Р.К. Мещерякова. - М.: Машиностроение, 1985. T.I - 656 с., Т.2 - 496 с.

3. Анурьев В.И. Справочник конструктора - машиностроителя.
В 3-х т. - М.: Машиностроение, 1982. - 736 с.

4. Круглов Г.А. Специальные технологические процессы: Учебн. пособ. - М.: МГТУ «Станкин», 1997. - 188 с.

5. Состав и правила оформления технологических документов. М.у. по курсовому и дипломному проекту, ПГТУ. Пермь, 1998.

6. Колесов И.М. Основы технологии машиностроения: Учебник для машиностроительных вузов. - М.: Машиностроение, 1997. - 592 с., ил.

7. Технология машиностроения (специальная часть) / А.А. Гусев, Е.Р. Ковальчук, И.М. Колесов и др. - М.: Машиностроение, 1986.- 480 с.

8. Технологичность конструкции изделия: Справочник / Т.К. Алферова и др.; Под общ. ред. Ю.Д. Амирова. - М.: Машиностроение, 1990. -768 с., ил.


9. Справочник технолога - машиностроителя. / Под ред. А.Г. Косиловой, Р.К. Мещерякова. - М.: Машиностроение, 1985. T.I - 656 с., Т.2 - 496 с.

10. Анурьев В.И. Справочник конструктора - машиностроителя.
В 3-х т. - М.: Машиностроение, 1982. - 736 с.

11. Круглов Г.А. Специальные технологические процессы: Учебн. пособ. - М.: МГТУ «Станкин», 1997. - 188 с.

12. Основные сведения о технологичности конструкции. М.у. по курсу «Технология машиностроения», ПГТУ. Пермь, 1994.

13. Состав и правила оформления технологических документов. М.у. по курсовому и дипломному проекту, ПГТУ. Пермь, 1998.

14. Балакшин Б.С. Основы технологии машиностроения. - М.: Машиностроение, 1969. - 560 с.

15. Журавлев В.Н., Николаев О.И. Машиностроительные стали: Справочник. - М.: Машиностроение, 1981. - 391 с.

16. Зуборезные, горизонтально-расточные, резьбонакатные и отрезные станки: Общемашиностроительные нормативы режимов резания.для технического нормирования работ на металлорежущих станках. Изд. 2-е, перераб. и доп. - М.: Машиностроение, 1974, ч.2 - 200 с.

17. Колесов И.М. Основы технологии машиностроения: Учебник для машиностроительных вузов. - М.: Машиностроение, 1997. - 592 с., ил.

18. Круглов Г.А. Специальные технологические процессы: Учебн. пособ. - М.: МГТУ «Станкин», 1997. - 188 с.

19. Маталин А.А. Технология машиностроения: Учебник для вузов - М.: Машиностроение, 1985. - 496 с.

20. Металлорежущие станки: Каталоги - справочники. В 5-ти т. - М.: НИИмаш, 1981.

21. Металлорежущие станки с ЧПУ: Каталог. - М.: НИИмаш, 1982. -64 с.

22. Механическая обработка материалов/ А. М. Дальский и др.: Учебник для вузов. – М. Машиностроение, 1981, с. 263, ил.

23. Обработка металлов резанием: Справочник технолога / А.А. Панов и др. Под общ. ред. А.А. Панова. - М.: Машиностроение, 1988. - 736 с.

24. Основы технологии машиностроения. / Под ред. B.C-Корсакова. Изд. 3-е, доп. и перераб.: Учебник для вузов - М.: Машиностроение, 1977. -416 с.

25. Проектирование технологических процессов механической обработки в машиностроении: Учеб. пособие / В. В. Бабук, В. А. Шкред, Г. П. Кривко, Л. И. Медведев; Под. ред. В. В. Бабука.-: Высш. шк., 1987, с. 255.

26. Резание конструкционных материалов, режущие инструменты и станки. - М.: Машиностроение, 1974. - 616 с.

27. Режимы резания металлов: Справочник. / Под ред. Ю.В. Барановского. - М.: Машиностроение, 1972. - 407 с.

28. Режимы резания труднообрабатываемых материалов: Справочник / Я.Л. Гуревич и др. - М.: Машиностроение, 1986.- 240 с.

29. Режущий инструмент. Альбом. 4.1. / Под ред. В.А. Гречишникова. -М.: МГТУ «Станкин», 1996. - 348 с.

30. Режущие инструменты, оснащенные сверхтвердыми и керамическими материалами и их применение: Справочник / В.П. Жедь и др. - М.: Машиностроение, 1987. - 320 с.

31. Справочник инструментальщика. / И.А. Ординарцев и др. - Л.: Машиностроение, 1987. - 846 с.

32. Справочник металлиста. В 5-ти т. Т.2. Под ред. А. Г. Рахштада, В. А. Брострема. М.; Машиностроение, 1976, с. 720.

33. Справочник металлиста. В 5-ти т. Т.1. Под ред. С. А. Черновского, В. Ф. Рещикова. М.; Машиностроение, 1976, с. 768.


34. Справочник технолога - машиностроителя. / Под ред. А.Г. Косиловой, Р.К. Мещерякова. - М.: Машиностроение, 1985. T.I - 656 с., Т.2 - 496 с.

35. Технологические процессы машиностроительного производства. Альбом в З-х ч. – М: МГТУ «Станкин», 1993.

36. Технология машиностроения (специальная часть) / А.А. Гусев, Е.Р. Ковальчук, И.М. Колесов и др. - М.: Машиностроение, 1986.- 480 с.

37. Токарные, карусельные, токарно-револьверные, алмазно-расточные, сверлильные, строгальные, долбежные и фрезерные станки: Общемашиностроительные нормативы режимов резания для технического нормирования работ на металлорежущих станках. Изд. 2-е. - М.: Машиностроение, 1974. ч. 1 - 416 с.







Date: 2015-05-08; view: 1945; Нарушение авторских прав



mydocx.ru - 2015-2026 year. (1.652 sec.) Все материалы представленные на сайте исключительно с целью ознакомления читателями и не преследуют коммерческих целей или нарушение авторских прав - Пожаловаться на публикацию