Главная Случайная страница


Полезное:

Как сделать разговор полезным и приятным Как сделать объемную звезду своими руками Как сделать то, что делать не хочется? Как сделать погремушку Как сделать так чтобы женщины сами знакомились с вами Как сделать идею коммерческой Как сделать хорошую растяжку ног? Как сделать наш разум здоровым? Как сделать, чтобы люди обманывали меньше Вопрос 4. Как сделать так, чтобы вас уважали и ценили? Как сделать лучше себе и другим людям Как сделать свидание интересным?


Категории:

АрхитектураАстрономияБиологияГеографияГеологияИнформатикаИскусствоИсторияКулинарияКультураМаркетингМатематикаМедицинаМенеджментОхрана трудаПравоПроизводствоПсихологияРелигияСоциологияСпортТехникаФизикаФилософияХимияЭкологияЭкономикаЭлектроника






Системы циклового программного управления





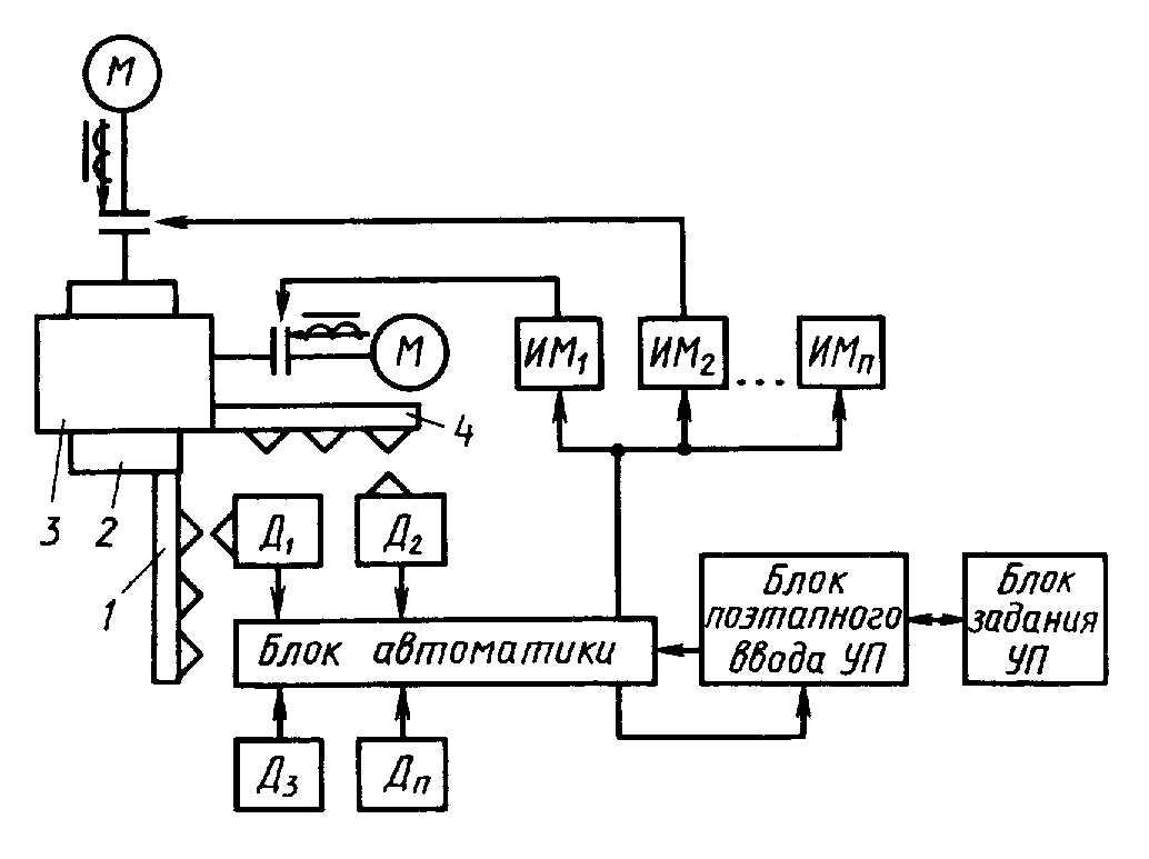
В системах циклового программного управ­ления (ЦПУ) одна часть управляющей программы информация о цикле и режимах обработки задается в числовом виде с использованием в качестве программоносителей как электромеханических информационных носителей (штекерные и ком­мутационные поля, программные барабаны, диодные перепрограммируемые матрицы, разъе­мы, перфокарты и др.), так и электронных носителей, построенных на основе больших интегральных схем полупостоянных за­поминающих устройств с электрической пере­записью информации.

Другая часть управляющей программы размерная информация, характеризующая перемещения рабочих орга­нов станка, устанавливается с помощью пу­тевых упоров на специальных линейках или ба­рабанах. Для каждой координаты настраивают и устанавливают свою линейку.

На рис. 1.6 показана типовая структурная схема системы ЦПУ. Информация о цикле и режимах обработки задается блоками зада­ния и поэтапного ввода УП. Блок задания управляющей программы (программатор) представляет собой чаще всего штекерную панель. Блок её поэтапного ввода выполняют в виде электронной или релейной счетно-распределительной схемы, построенной на шаговых искателях, электромагнитных реле или логических элементах.

Далее информация передается в блок элект­роавтоматики, предназначенный для усиления и распределения команд, поступающих на ис­полнительные механизмы ИМ1 – ИМ2 чаще все­го через электромагнитные муфты привода по­дач, коробки скоростей и др.

Блоки системы ЦПУ выполняют на основе электрических, пневматических или гидравли­ческих элементов.

В настоящее время в качестве блока авто­матики используют программируемые командоаппараты (ПК), которые, как и обычные релейные устройства, выполняют логические функ­ции и функции выдержки времени.

Программируемые командоаппараты представляют собой совокупность аппа­ратных и программных средств, позволяющих имитировать работу любой схемы, состоящей из конечного числа взаимодействующих между собой реле, временных датчиков, счетных схем. На ПК осуществляются сбор и логическая обработка сигналов, поступающих от датчиков, конечных переключателей, кнопок, а также формирование команд позиционного управления объектом – включение и выключение различ­ных исполнительных механизмов и т.п.

Основное отличие программируемого командоаппарата от заменяемых ими электрических устройств управления обычного типа – построение не по схемному, а по прог­раммному принципу. Соответственно этому для автоматизации различных циклов не требуется индивидуального комплектования аппаратурой и монтажа соединений, необходимо лишь выб­рать одно из стандартных исполнений ПК (требуемый набор блоков) по количественным параметрам (число входов и выходов) и задать программу, обеспечивающую исполнение нуж­ного цикла работы. Обычно ПК имеют модуль­ное построение, позволяющее наращивать число выходов и входов.

Другое существенное отличие ПК – исполне­ние их на современной элементной базе: интег­ральных схемах, запоминающих элементах, мощных полупроводниковых выходных элемен­тах, что повышает надежность их работы, а также возможность стандартного исполнения ПК для станков с различными циклами.

Принцип программирования ПК достаточно прост. Каждая программная команда соответст­вует релейному входу, выходу или управляю­щей функции. Одна команда языка, как пра­вило, представляет собой одну логическую связь. Программа, описывающая работу техно­логического процесса, является списком команд, которые выполняются последовательно и цик­лически. Язык программирования состоит из целых чисел, обозначающих операнды (номе­ра контактов реле, число тактов счета и вре­мени), и имен операторов.

Рассмотренный способ задания УП в систе­мах ЦПУ позволяет сократить время их пере­наладки по сравнению с временем переналадки ранее описанных систем управления. Трудоем­кими остаются только установка и настройка путевых упоров.

Задание размерной информации с помощью путевых упоров обусловливает дискретный способ управления (выдачу команд управле­ния только в местах установки упоров). Управ­ление перемещениями возможно только при их выполнении по прямолинейному циклу. Это значительно ограничивает технологические воз­можности станков с ЦПУ.

 

Рис. 1.6. Структурная схема системы циклового программного управления

 







Date: 2015-09-24; view: 1123; Нарушение авторских прав



mydocx.ru - 2015-2026 year. (0.686 sec.) Все материалы представленные на сайте исключительно с целью ознакомления читателями и не преследуют коммерческих целей или нарушение авторских прав - Пожаловаться на публикацию