Главная Случайная страница


Полезное:

Как сделать разговор полезным и приятным Как сделать объемную звезду своими руками Как сделать то, что делать не хочется? Как сделать погремушку Как сделать так чтобы женщины сами знакомились с вами Как сделать идею коммерческой Как сделать хорошую растяжку ног? Как сделать наш разум здоровым? Как сделать, чтобы люди обманывали меньше Вопрос 4. Как сделать так, чтобы вас уважали и ценили? Как сделать лучше себе и другим людям Как сделать свидание интересным?


Категории:

АрхитектураАстрономияБиологияГеографияГеологияИнформатикаИскусствоИсторияКулинарияКультураМаркетингМатематикаМедицинаМенеджментОхрана трудаПравоПроизводствоПсихологияРелигияСоциологияСпортТехникаФизикаФилософияХимияЭкологияЭкономикаЭлектроника






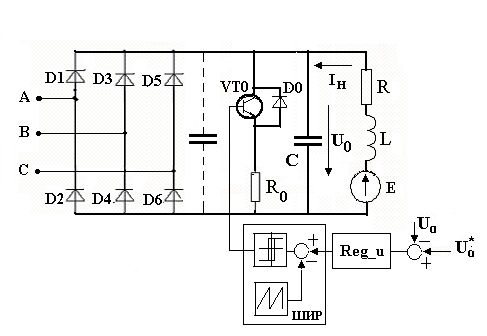
Выпрямитель с цепью сброса энергии в качестве ВИП





 

Схема ВИП с выпрямителем и цепью сброса энергии показана на рис.4.2

В этой схеме транзисторный ключ VT0 совместно с сопротивлением R0 образуют цепь сброса энергии, накопленной во вращающейся части системы. Транзистор включен в замкнутую систему регулирования, на вход которой подается напряжение задания () и напряжение обратной связи () с конденсатора фильтра. Цепь сброса энергии включается в работу, когда напряжение на конденсаторе достигнет значения амплитуды линейного напряжения сети

В схеме на периоде коммутации генератора пилообразного напряжения (Т0) образуются два коммутационных интервала, схемы замещения на которых представлены на рис.4.2.

Схема ВИЭП с выпрямителем и цепью сброса энергии

Рис.4.2. Расчетные схемы замещения ВИЭП с цепью сброса энергии.

 

Анализ схемы осуществляется при следующих допущениях:

· Ток нагрузки на периоде коммутации постоянен и определяется из уравнения для тока

· Напряжение на конденсаторе на периоде коммутации постоянно;

· средний ток в конденсаторе на периоде коммутации равен нулю.

Обозначив длительность первого интервала как , с учетом отмеченных допущений, получим:

 

 

где n – 1,2,3…….., - период коммутации генератора пилообразного напряжения, - относительная длительность первого интервала

 

Откуда можно найти значение напряжения на конденсаторе

 

и требуемую регулировочную характеристику схемы

 

где - амплитуда фазного напряжения питающей сети.

Из последнего выражения следует, что цепь сброса обеспечивает ограничение напряжения до тех пор, пока , откуда при известном токе можно определить величину гасящего сопротивления.







Date: 2015-09-22; view: 582; Нарушение авторских прав



mydocx.ru - 2015-2026 year. (0.652 sec.) Все материалы представленные на сайте исключительно с целью ознакомления читателями и не преследуют коммерческих целей или нарушение авторских прав - Пожаловаться на публикацию