Главная Случайная страница


Полезное:

Как сделать разговор полезным и приятным Как сделать объемную звезду своими руками Как сделать то, что делать не хочется? Как сделать погремушку Как сделать так чтобы женщины сами знакомились с вами Как сделать идею коммерческой Как сделать хорошую растяжку ног? Как сделать наш разум здоровым? Как сделать, чтобы люди обманывали меньше Вопрос 4. Как сделать так, чтобы вас уважали и ценили? Как сделать лучше себе и другим людям Как сделать свидание интересным?


Категории:

АрхитектураАстрономияБиологияГеографияГеологияИнформатикаИскусствоИсторияКулинарияКультураМаркетингМатематикаМедицинаМенеджментОхрана трудаПравоПроизводствоПсихологияРелигияСоциологияСпортТехникаФизикаФилософияХимияЭкологияЭкономикаЭлектроника






Принцип действия регулятора напряжения





В настоящее время все генераторные установки оснащаются полупроводниковыми электронными регуляторами напряжения, как правило встроенными внутрь генератора. Схемы их исполнения и конструктивное оформление могут быть различны, но принцип работы у всех регуляторов одинаков. Напряжение генератора без регулятора зависит от частоты вращения его ротора, магнитного потока, создаваемого обмоткой возбуждения, а, следовательно, от силы тока в этой обмотке и величины тока, отдаваемого генератором потребителям. Чем больше частота вращения и сила тока возбуждения, тем больше напряжение генератора, чем больше сила тока его нагрузки - тем меньше это напряжение.

Функцией регулятора напряжения является стабилизация напряжения при изменении частоты вращения и нагрузки за счет воздействия на ток возбуждения. Конечно можно изменять ток в цепи возбуждения введением в эту цепь дополнительного резистора, как это делалось в прежних вибрационных регуляторах напряжения, но этот способ связан с потерей мощности в этом резисторе и в электронных регуляторах не применяется. Электронные регуляторы изменяют ток возбуждения путем включения и отключения обмотки возбуждения от питающей сети, при этом меняется относительная продолжительность времени включения обмотки возбуждения. Если для стабилизации напряжения требуется уменьшить силу тока возбуждения, время включения обмотки возбуждения уменьшается, если нужно увеличить — увеличивается.

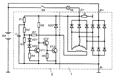
Принцип работы электронного регулятора удобно продемонстрировать на достаточно простой схеме регулятора типа ЕЕ 14V3 фирмы Bosch, представленной на рис. 9:

Рис.9 Схема регулятора напряжения EE14V3 фирмы BOSCH:

1 - генератор, 2 - регулятор напряжения, SA - замок зажигания, HL - контрольная лампа на панели приборов.

 

Чтобы понять работу схемы, следует вспомнить, что, как было показано выше, стабилитрон не пропускает через себя ток при напряжениях, ниже величины напряжения стабилизации. При достижении напряжением этой величины, стабилитрон "пробивается" и по нему начинает протекать ток. Таким образом, стабилитрон в регуляторе является эталоном напряжения с которым сравнивается напряжение генератора. Кроме того известно, что транзисторы пропускают ток между коллектором и эмиттером, т.е. открыты, если в цепи "база - эмиттер" ток протекает, и не пропускают этого тока, т.е. закрыты, если базовый ток прерывается. Напряжение к стабилитрону VD2 подводится от вывода генератора "D+" через делитель напряжения на резисторах R1(R3 и диод VD1, осуществляющий температурную компенсацию. Пока напряжение генератора невелико и напряжение на стабилитроне ниже его напряжения стабилизации, стабилитрон закрыт, через него, а, следовательно, и в базовой цепи транзистора VT1 ток не протекает, транзистор VT1 также закрыт. В этом случае ток через резистор R6 от вывода "D+" поступает в базовую цепь транзистора VT2, который открывается, через его переход эмиттер - коллектор начинает протекать ток в базе транзистора VT3, который также открывается. При этом обмотка возбуждения генератора оказывается подключена к цепи питания через переход эмиттер - коллектор VT3.

Соединение транзисторов VT2 и VT3, при котором их коллекторные выводы объединены, а питание базовой цепи одного транзистора производится от эмиттера другого, называется схемой Дарлингтона. При таком соединении оба транзистора могут рассматриваться как один составной транзистор с большим коэффициентом усиления. Обычно такой транзистор и выполняется на одном кристалле кремния. Если напряжение генератора возросло, например, из-за увеличения частоты вращения его ротора, то возрастает и напряжение на стабилитроне VD2, при достижении этим напряжением величины напряжения стабилизации, стабилитрон VD2 "пробивается", ток через него начинает поступать в базовую цепь транзистора VT1, который открывается и своим переходом эмиттер - коллектор закорачивает вывод базы составного транзистора VT2, VT3 на "массу". Составной транзистор закрывается, разрывая цепь питания обмотки возбуждения. Ток возбуждения спадает, уменьшается напряжение генератора, закрываются стабилитрон VT2, транзистор VT1, открывается составной транзистор VT2,VT3, обмотка возбуждения вновь включается в цепь питания, напряжение генератора возрастает и процесс повторяется. Таким образом регулирование напряжения генератора регулятором осуществляется дискретно через изменение относительного времени включения обмотки возбуждения в цепь питания. При этом ток в обмотке возбуждения изменяется так, как показано на рис.10. Если частота вращения генератора возросла или нагрузка его уменьшилась, время включения обмотки уменьшается, если частота вращения уменьшилась или нагрузка возросла - увеличивается. В схеме регулятора (см. рис.9) имеются элементы, характерные для схем всех применяющихся на автомобилях регуляторов напряжения. Диод VD3 при закрытии составного транзистора VT2,VT3 предотвращает опасные всплески напряжения, возникающие из-за обрыва цепи обмотки возбуждения со значительной индуктивностью. В этом случае ток обмотки возбуждения может замыкаться через этот диод и опасных всплесков напряжения не происходит. Поэтому диод VD3 носит название гасящего. Сопротивление R7 является сопротивлением жесткой обратной связи.


 


Рис.10. Изменение силы тока в обмотке возбуждения JB по времени t при работе регулятора напряжения: tвкл, tвыкл - соответственно время включения и выключения обмотки возбуждения регулятора напряжения; n1 n2 - частоты вращения ротора генератора, причем n2 больше n1; JB1 и JB2 - средние значения силы тока в обмотке возбуждения

 

При открытии составного транзистора VT2, VT3 оно оказывается подключенным параллельно сопротивлению R3 делителя напряжения, при этом напряжение на стабилитроне VT2 резко уменьшается, это ускоряет переключение схемы регулятора и повышает частоту этого переключения, что благотворно сказывается на качестве напряжения генераторной установки. Конденсатор С1 является своеобразным фильтром, защищающим регулятор от влияния импульсов напряжения на его входе. Вообще конденсаторы в схеме регулятора либо предотвращают переход этой схемы в колебательный режим и возможность влияния посторонних высокочастотных помех на работу регулятора, либо, ускоряют переключение транзисторов. В последнем случае конденсатор, заряжаясь в один момент времени, разряжается на базовую цепь транзистора в другой момент, ускоряя броском разрядного тока переключение транзистора и, следовательно, снижая его нагрев и потери энергии в нем.

Из рис.9 хорошо видна роль лампы HL контроля работоспособного состояния генераторной установки (лампа контроля заряда на панели приборов автомобиля). При неработающем двигателе автомобиля замыкание контактов выключателя зажигания SA позволяет току от аккумуляторной батареи GA через эту лампу поступать в обмотку возбуждения генератора. Этим обеспечивается первоначальное возбуждение генератора. Лампа при этом горит, сигнализируя, что в цепи обмотки возбуждения нет обрыва. После запуска двигателя, на выводах генератора "D+" и "В+" появляется практически одинаковое напряжение и лампа гаснет. Если генератор при работающем двигателе автомобиля не развивает напряжения, то лампа HL продолжает гореть и в этом режиме, что является сигналом об отказе генератора или обрыве приводного ремня. Введение резистора R в генераторную установку способствует расширению диагностических способностей лампы HL. При наличии этого резистора в случае обрыва цепи обмотки возбуждения при работающем двигателе автомобиля лампа HL загорается. В настоящее время все больше фирм переходит на выпуск генераторных установок без дополнительного выпрямителя обмотки возбуждения. В этом случае в регулятор заводится вывод фазы генератора. При неработающем двигателе автомобиля, напряжение на выводе фазы генератора отсутствует и регулятор напряжения в этом случае переходит в режим, препятствующий разряду аккумуляторной батареи на обмотку возбуждения. Например, при включении выключателя зажигания схема регулятора переводит его выходной транзистор в колебательный режим, при котором ток в обмотке возбуждения невелик и составляет доли ампера. После запуска двигателя сигнал с вывода фазы генератора переводит схему регулятора в нормальный режим работы. Схема регулятора осуществляет в этом случае и управление лампой контроля работоспособного состояния генераторной установки.


 

Рис.11. Температурная зависимость напряжения, поддерживаемого регулятором EE14V3 фирмы Bosch при частоте вращения 6000 мин-1 и силе тока нагрузки 5А.

 

Аккумуляторная батарея для своей надежной работы требует, чтобы с понижением температуры электролита, напряжение, подводимое к батарее от генераторной установки, несколько повышалось, а с повышением температуры - уменьшалось. Для автоматизации процесса изменения уровня поддерживаемого напряжения применяется датчик, помещенный в электролит аккумуляторной батареи и включенный в схему регулятора напряжения. Но это удел только продвинутых автомобилей. В простейшем же случае термокомпенсация в регуляторе подобрана таким образом, что в зависимости от температуры поступающего в генератор охлаждающего воздуха напряжение генераторной установки изменяется в заданных пределах. На рис.11 показана температурная зависимость напряжения, поддерживаемая регулятором EE14V3 фирмы Bosch в одном из рабочих режимов. На графике указано также поле допуска на величину этого напряжения. Падающий характер зависимости обеспечивает хороший заряд аккумуляторной батареи при отрицательной температуре и предотвращение усиленного выкипания ее электролита при высокой температуре. По этой же причине на автомобилях, предназначенных специально для эксплуатации в тропиках, устанавливают регуляторы напряжения с заведомо более низким напряжением настройки, чем для умеренного и холодного климатов.

 







Date: 2015-09-05; view: 684; Нарушение авторских прав



mydocx.ru - 2015-2026 year. (0.842 sec.) Все материалы представленные на сайте исключительно с целью ознакомления читателями и не преследуют коммерческих целей или нарушение авторских прав - Пожаловаться на публикацию