Главная Случайная страница


Полезное:

Как сделать разговор полезным и приятным Как сделать объемную звезду своими руками Как сделать то, что делать не хочется? Как сделать погремушку Как сделать так чтобы женщины сами знакомились с вами Как сделать идею коммерческой Как сделать хорошую растяжку ног? Как сделать наш разум здоровым? Как сделать, чтобы люди обманывали меньше Вопрос 4. Как сделать так, чтобы вас уважали и ценили? Как сделать лучше себе и другим людям Как сделать свидание интересным?


Категории:

АрхитектураАстрономияБиологияГеографияГеологияИнформатикаИскусствоИсторияКулинарияКультураМаркетингМатематикаМедицинаМенеджментОхрана трудаПравоПроизводствоПсихологияРелигияСоциологияСпортТехникаФизикаФилософияХимияЭкологияЭкономикаЭлектроника






Непрерывные динамические управляемые системы





 

Общепринятой формой описания непрерывных управляемых систем являются обыкновенные дифференциальные уравнения, в общем случае нелинейные. Одномерную систему в общем виде можно описать нелинейным дифференциальным уравнением вида

,

где y – выходная величина, u – управляющее воздействие (mn).

Это д.у. уравнение типа “вход-выход”.

Математические модели реальных управляемых систем, как правило, нелинейны. Однако во многих случаях их можно линеаризовать.

Для непрерывного времени линеаризованное уравнение «вход–выход» имеет вид

Введем следующие обозначения

,

,

где p = d / dt – символ дифференцирования по времени.

A (p), B (p) – операторные полиномы.

Тогда уравнение «вход–выход» можно записать в операторном виде:

A (p) y (t) =B (p) u (t),

Дробно-рациональная функция W (s)= B (s)/ A (s) – это передаточная функция системы, а полином A (s) – ее характеристический полином.

Здесь мы производим замену p = s, где s – комплексное число.

 

Развитие вычислительной техники привело к развитию метода пространства состояния.

Понятие состояния играет важнейшую роль при описании динамических систем. Состояние – это совокупность величин (вектор) которые определяют (вместе с входным воздействием) будущее поведение системы.

Пример. RC -цепочка

Она моделируется уравнением . Здесь переменная состояния есть E 1поскольку значение E 1(t) и входного воздействия E 0(s)при s ≥ t однозначно определяет значение E 1(s) при s = t.

В общем случае уравнения состояния – это системы дифференциальных или разностных уравнений первого порядка вместе с уравнениями для выходных величин. Начальное состояние представляет «память» системы о прошлом. Модель состояния непрерывной динамической системы описывается системой дифференциальных уравнений первого порядка, называемых уравнениями состояния:

)

где X – вектор состояния системы; U – вектор входа; Y – вектор выхода.

 

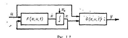
Для моделей состояния справедлив следующий факт: любая нелинейная динамическая система может быть представлена как соединение линейных динамических и нелинейных статических звеньев. Доказательство очевидно из рис., где в качестве линейного динамического звена взят интегратор.

 

Для линейных стационарных систем уравнения состояния имеют вид

, где A, B, C, D – матрицы. (4.1)

 

Преимущества моделей в форме пространства состояния:

· хорошие вычислительные свойства;

· они хорошо подходят для описания многомерных систем.

 

Уравнение «вход–выход» получается из уравнения состояния с помощью соотношений

W (s) = C (sIA)-1 B, (4.2)

A (s) = det(s IA).

Для многомерных систем W (s) – передаточная матрица системы.

Можно показать, что замена переменных состояния в (4.1) по формуле х'=Тх, где Т – неособая n х n -матрица (det T ≠ 0), не приводит к изменению передаточной функции (4.2). Это значит, что обратный переход от описания «вход–выход» к уравнениям состояния (4.1) неоднозначен: при сохранении передаточной функции базис в пространстве состояний можно выбирать по-разному. На практике применяются несколько типовых способов перехода от передаточной функции к уравнениям состояния. Эти способы соответствуют так называемым каноническим представлениям системы.

 

Компоненты для моделирования линейных непрерывных динамических систем собраны в Simulink в разделе Continuous.

 

Компонент Transfer Fcn служит для задания модели в форме передаточной функции, компонент State Space – в форме пространства состояния.

У блока Transfer Fcn – два параметра: вектор Numerator, задающий коэффициенты числителя ПФ, и вектор Denominator, задающий коэффициенты знаменателя ПФ.

Для создания этого объекта нужно сначала определить два полинома – числитель и знаменатель ПФ и записать их в параметры блока:

Numerator [1 2 3];

Denominator [1 4 5 6];

Блок State-Space используется для задания линейной стационарной модели в форме пространства состояний.

Параметрами блока State-Space являются четыре матрицы – A, B, C и D.

Модель в форме пространства состояния можно представить следующим образом:

Матрица D называется матрицей обхода. Обычно она равна нулю, так как в канале между входом и выходом обычно имеются динамические звенья.

 

При моделировании нелинейных систем можно использовать типовые нелинейности, которые собраны в разделе Discontinuities.

Однако часто для нелинейных систем приходится непосредственно моделировать системы д.у.


 







Date: 2015-09-05; view: 1201; Нарушение авторских прав



mydocx.ru - 2015-2026 year. (1.004 sec.) Все материалы представленные на сайте исключительно с целью ознакомления читателями и не преследуют коммерческих целей или нарушение авторских прав - Пожаловаться на публикацию