Главная Случайная страница


Полезное:

Как сделать разговор полезным и приятным Как сделать объемную звезду своими руками Как сделать то, что делать не хочется? Как сделать погремушку Как сделать так чтобы женщины сами знакомились с вами Как сделать идею коммерческой Как сделать хорошую растяжку ног? Как сделать наш разум здоровым? Как сделать, чтобы люди обманывали меньше Вопрос 4. Как сделать так, чтобы вас уважали и ценили? Как сделать лучше себе и другим людям Как сделать свидание интересным?


Категории:

АрхитектураАстрономияБиологияГеографияГеологияИнформатикаИскусствоИсторияКулинарияКультураМаркетингМатематикаМедицинаМенеджментОхрана трудаПравоПроизводствоПсихологияРелигияСоциологияСпортТехникаФизикаФилософияХимияЭкологияЭкономикаЭлектроника






На примере осадки и выдавливания





Цель работы: ________________________________________

Исходные данные.

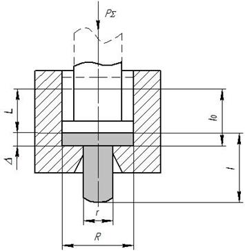
1. Эскиз технологической наладки выдавливания.

2. Таблица исходных данных.

Таблица 2.1

σТ, R, r, R/r l, l0, D, B, A,
образца МПа мм мм мм мм мм мм мм
                   
                   
                   

 

3. Экспериментальное исследование и расчет деформаций и сил при выдавливании

Сила деформирования (расчетная):

Рд =_____________, кН.

Сила трения:

Ртр = ___________, кН.

Суммарная сила выдавливания:

РΣ = ____________, кН.

Мощность деформирования:

Nд = _____________, кВт.

Скорость движения пуансона:

vП = _____________, мм/сек.

Вытяжка металла:

λ = ____________.

 

4. Расчет компонентов деформации.

Относительная деформация по оси Z:

εz = ____________.

Истинные деформации по оси Z (истинные удлинения):

εZи = ___________.

Линейная деформация по ширине образца:

εZp = ___________.

Интенсивность деформаций при выдавливании:

εi = ____________.

Удельная работа:

Aw = __________, Дж.

 

 

5. Построение графиков зависимости:

а) зависимость относительного удлинения от отношения R/r;

 

 

Таблица 2.2

№ образца Время прессования, τ, сек Максимальная сила деформирования (расчетная) РΣ, кН Максимальная сила деформирования (экспериментальная), кН Скорость движения пуансона, vп, мм/сек Мощность деформирования, Nд, кВт Вытяжка металла λ
             
             
             

 

 

Таблица 2.3

№ образца Компоненты деформации Значения εZp (ρ) при значениях отношения ρ/r Значения εi(ρ) при значениях отношения ρ/r Удельная работа,
εZ ε   0,25 0,5 0,75     0,25 0,5 0,75   Aw, Дж
                           
                           
                           
                                   

 

 

б) зависимость компоненты деформации сдвига εzρ от отношения ρ/r;

 

в) Зависимость интенсивности деформаций εi от отношения ρ/r;

 

 

г) зависимость максимальной силы деформирования от отношения R/r.

 

 

6. Расчет мощности прессования при различных скоростях прессования.

Таблица 2.4

Скорость движения пуансона vп, мм/сек Мощность деформирования Nд, кВт
   
   
   

 

Зависимость мощности прессования от отношения R/r при различных скоростях прессования:

 

 

7. Выводы: _____________________________________________________

___________________________________________________________________

____________________________________________________________________________________________________________________________________________________________________________________________________________________________________________________________________________

 

Подпись преподавателя _____________ Дата ______________







Date: 2015-09-02; view: 717; Нарушение авторских прав



mydocx.ru - 2015-2026 year. (0.667 sec.) Все материалы представленные на сайте исключительно с целью ознакомления читателями и не преследуют коммерческих целей или нарушение авторских прав - Пожаловаться на публикацию