Главная Случайная страница


Полезное:

Как сделать разговор полезным и приятным Как сделать объемную звезду своими руками Как сделать то, что делать не хочется? Как сделать погремушку Как сделать так чтобы женщины сами знакомились с вами Как сделать идею коммерческой Как сделать хорошую растяжку ног? Как сделать наш разум здоровым? Как сделать, чтобы люди обманывали меньше Вопрос 4. Как сделать так, чтобы вас уважали и ценили? Как сделать лучше себе и другим людям Как сделать свидание интересным?


Категории:

АрхитектураАстрономияБиологияГеографияГеологияИнформатикаИскусствоИсторияКулинарияКультураМаркетингМатематикаМедицинаМенеджментОхрана трудаПравоПроизводствоПсихологияРелигияСоциологияСпортТехникаФизикаФилософияХимияЭкологияЭкономикаЭлектроника






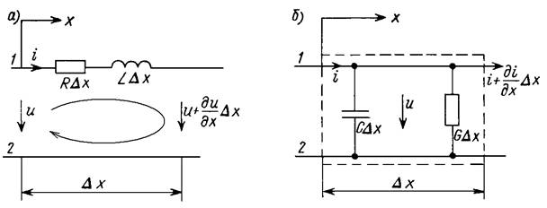
Линии с распределенными параметрами





Уравнения линии (телеграфные уравнения).

Линия, параметры которой R, G, C, L постоянны по длине, называется однородной.

 

волновое сопротивление линии .

коэффициентом распространения

g = a + j b (a — коэффициент затухания, b — коэффициент фазы).

Размерность g — 1/км.

Решение уравнений линии при заданных напряжении и токе в начале линии при x = 0: ; .

Для напряжения и тока на конце линии (при x = l) получим:

Эти соотношения можно разрешить относительно входных величин:

 

В согласованном режиме линия нагружена на сопротивление, равное волновому (Z н = Z).

,

Распределение напряжения вдоль линии

где — амплитуда напряжения в начале линии, начальная фаза которого принята равной нулю.

Это слагаемое решения представляет собой бегущую волну, длина которой l = 2p/b. Это — прямая волна, движущаяся по линии в прямом направлении — от источника к нагрузке со скоростью v = w/b, т. е. l = 2p v /w = v / f.

Второе слагаемое в общем решении уравнений линии , включающее множитель e g x представляет обратную волну, распространяющуюся в направлении от нагрузки к источнику. Ее мгновенное значение выражается формулой Um 2 e a x sin (w t + b x), аналогичной по смыслу формуле для напряжения прямой волны. Обратная волна возникает при отражении от конца линии при несогласованной нагрузке, когда Z н ¹ Z. Она затухает по мере своего распространения, а скорость ее совпадает со скоростью прямой волны.







Date: 2015-07-27; view: 471; Нарушение авторских прав



mydocx.ru - 2015-2026 year. (0.535 sec.) Все материалы представленные на сайте исключительно с целью ознакомления читателями и не преследуют коммерческих целей или нарушение авторских прав - Пожаловаться на публикацию