Главная Случайная страница


Полезное:

Как сделать разговор полезным и приятным Как сделать объемную звезду своими руками Как сделать то, что делать не хочется? Как сделать погремушку Как сделать так чтобы женщины сами знакомились с вами Как сделать идею коммерческой Как сделать хорошую растяжку ног? Как сделать наш разум здоровым? Как сделать, чтобы люди обманывали меньше Вопрос 4. Как сделать так, чтобы вас уважали и ценили? Как сделать лучше себе и другим людям Как сделать свидание интересным?


Категории:

АрхитектураАстрономияБиологияГеографияГеологияИнформатикаИскусствоИсторияКулинарияКультураМаркетингМатематикаМедицинаМенеджментОхрана трудаПравоПроизводствоПсихологияРелигияСоциологияСпортТехникаФизикаФилософияХимияЭкологияЭкономикаЭлектроника






Автоматическое включение резервного питания





 

В случае устойчивого повреждения на линиях и других элементах сети, такой элемент отключается и для восстановления электроснабжения потребителей необходимо включение резервного питания - трансформатора или генератора, резервной питающей линии или какого-то другого резерва. Такой резерв вводится автоматическими устройствами АВР.

Устройства АВР классифицируются: по назначению - АВР линий, трансформаторов, двигателей; по контролю напряжения на резервном источнике - без контроля и с контролем; по направлению действия-одностороннего и двустороннего действия; по характеру (взаимодействия - местные и сетевые. К местным АВР относятся устройства, пусковой орган которых действует на отключение рабочего ввода, а затем на включение резервного ввода, например, на подстанции (в одном месте). К сетевым относятся АВР, действующие на включение сетевого резервного выключателя.

К устройствам АВР предъявляются следующие основные требования: АВР должно действовать при исчезновении напряжения на шинах резервируемого элемента по любым причинам; резервное питание должно включаться только после отключения основного, рабочего; при глубоком снижении напряжения на подстанции пусковой орган АВР должен иметь выдержку времени; при включении на к. з. должна обеспечиваться однократность действия АВР.

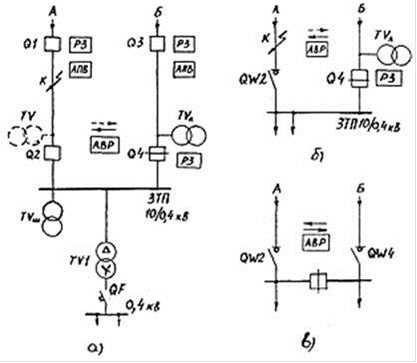
На подстанциях 10/0,4 кВ сельскохозяйственного назначения электроснабжение, как правило, осуществляется от двух источников раздельно (рис. 3.3, а).

 

Рис. 3.3. Схемы подстанций ЗТП-10/0,4 кВ с устройствами АВР одностороннего (а, б) и двустороннего действия (в): Q1… Q4 - выключатели 10 кВ; РЗ - релейная защита; АПВ - устройство автоматического повторного включения; TV-трансформатор напряжения (л - линейный, ш - шинный); TVI-силовой трансформатор напряжения 10/0,4 кВ; QW - выключатель нагрузки, Q - автоматический выключатель


Преимущество раздельного питания потребителей заключаются в применении более дешевой аппаратуры (выключатели нагрузки, разъединители), упрощенной релейной защиты, в снижении потерь электроэнергии в сетях 10 кВ, позволяет снизить значение токов к. з.

При исчезновении напряжения на шинах подстанции АВР действует сначала на отключение выключателя рабочего ввода (Q2, или QW2 на рис. 3.3, б), а потом на включение выключателя резервного ввода Q4 или QW4 на схеме 3.3, в.

Схемы устройств АВР одностороннего и двустороннего действия для ЗТП-10 на (включателях с пружинными приводами разработаны институтом Сельэнергопроект и другими организациями.

Устройство АВР двустороннего действия для ЗТП 10/0,4 кВ на выключателях с пружинными приводами

Схему устройства АВР используют для сетевого резервирования (рис. 3.4 а, б). В нормальном режиме электроснабжения выключатель QW3 включен, выключатель Q4 пункта АВР, находящегося в режиме двустороннего АВР отключен, на шинах управления схемы напряжение есть со стороны подстанции А.

Напряжение на ЗТП исчезает в случае отключения выключателей Q1 или.Q2 (см. рис. 3.4, а), срабатывает устройство делительной защиты ДМЗ, реле KV2 ('рис. 3.4, б) переключает шины управления схемы на питание от трансформатора ТVЛ резервной линии от подстанции Б. Замыкается контакт KV2: 5 в цепи реле времени КТ, контакты реле KV3 и КV4 замкнуты при наличии напряжения на резервной линии. Через заданное время срабатывает делительная защита и отключает выключатель нагрузки QW3 в бестоковую паузу, потом срабатывает реле времени КТ, подключая электромагнит включения УАС 4 выключателя Q4.

Если прекращается питание со стороны подстанции Б, то теряют питание реле KV3, KV4, замыкая свои контакты в цепи реле KV1, которое срабатывает в том случае, когда имеется напряжение со стороны подстанции А. При замыкании контакта KV1 начинает работать реле времени КТ, через заданное время срабатывает электромагнит включения УАС 4 выключателя Q4. Теперь электроснабжение осуществляется в сторону подстанции Б.

 

Рис. 3.4. Схема устройства АВР двустороннего действия: а) схема сети 10 кВ; б) схема устройства АВР

 








Date: 2015-07-25; view: 839; Нарушение авторских прав



mydocx.ru - 2015-2026 year. (0.107 sec.) Все материалы представленные на сайте исключительно с целью ознакомления читателями и не преследуют коммерческих целей или нарушение авторских прав - Пожаловаться на публикацию