Главная Случайная страница


Полезное:

Как сделать разговор полезным и приятным Как сделать объемную звезду своими руками Как сделать то, что делать не хочется? Как сделать погремушку Как сделать так чтобы женщины сами знакомились с вами Как сделать идею коммерческой Как сделать хорошую растяжку ног? Как сделать наш разум здоровым? Как сделать, чтобы люди обманывали меньше Вопрос 4. Как сделать так, чтобы вас уважали и ценили? Как сделать лучше себе и другим людям Как сделать свидание интересным?


Категории:

АрхитектураАстрономияБиологияГеографияГеологияИнформатикаИскусствоИсторияКулинарияКультураМаркетингМатематикаМедицинаМенеджментОхрана трудаПравоПроизводствоПсихологияРелигияСоциологияСпортТехникаФизикаФилософияХимияЭкологияЭкономикаЭлектроника






Основные пояснения





3.1.1. Компенсационный (нулевой) метод измерения заключается в компенсации (уравновешивании) измеряемого напряжения (или другой физической величины) известным. На рис. 3.1 показан принцип компенсационного метода измерения напряжения Ux. Это напряжение компенсируется напряжением Uк, образуемым током Iр (часто называемым рабочим) на известном сопротивлении R0. При измерении ток Iр изменяется с помощью регулировочного сопротивления Rрег до тех пор, пока нуль-индикатор НИ (гальванометр) не покажет отсутствие тока в цепи. Очевидно, что в этом случае Uк = IpR0. Величина R0 известна, значение рабочего тока Iр определяется по показанию амперметра, включенного в цепь Iр.

Рис. 3.1.

Очевидно, что при компенсации Ux (Ux = Uк) потребление мощности от источника измеряемого напряжения отсутствует. Это является одним из основных достоинств компенсационного метода измерения. При отсутствии потребления мощности (тока) в момент компенсации от источника измеряемого напряжения не происходит искажения измеряемой величины за счет падения напряжения на внутреннем сопротивлении источника Ux, на соединительных проводах и контактах. Благодаря этому компенсационным методом возможно измерение ЭДС. Компенсационный метод, таким образом, не имеет методической погрешности и может в принципе обеспечить очень высокую точность. Однако с помощью простейшей компенсационной схемы (рис. 3.1) невозможно в должной мере реализовать все преимущества метода. В этой схеме точность определения Ux ограничивается погрешностью амперметра, измеряющего величину рабочего тока Iр. Класс амперметра в лучшем случае 0,1. Следовательно, величина погрешности амперметра будет определять погрешность измерения Ux, т.е. не может быть менее 0,1%. Ввиду этого компенсационная схема, показанная на рис. 3.1 для точного измерения напряжения не может быть применена.

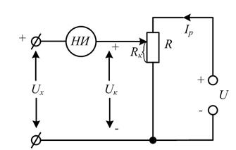
3.1.2. Другой вариант схемы компенсатора представлен на рис. 3.2.

Рис. 3.2.

Схема содержит источник напряжения U, делитель напряжения R и нуль-индикатор НИ. Компенсирующее напряжение Uк снимается с части делителя R, которая обозначена Rк. Схема уравновешивается регулировкой Uк. В момент равновесия справедливо Uх = Uк = URк / R.

О значении Ux судят по значению Uк в момент равновесия схемы. Точность измерения зависит от степени уравновешивания схемы и точности соответствия Uк номинальному значению.

Степень уравновешивания схемы зависит от чувствительности нуль-индикатора, стабильности его нулевого уровня, а также плавности регулировки Uк. Точность соответствия Uк номинальному значению зависит от точности U и коэффициента передачи делителя Rк / R.

3.1.3. В современных потенциометрах постоянного тока рабочий ток должен иметь строго определенную величину и при измерениях оставаться неизменным. Это можно обеспечить двумя способами: 1) рабочий ток устанавливается с помощью точных мер ЭДС и сопротивления; 2) рабочий ток вырабатывается высокостабильным источником тока нужной величины. При этом может быть достигнута высокая точность измерения. Принципиальная схема потенциометра, реализующая первый способ, приведена на рис. 3.3.

Рис. 3.3.

В этой схеме: Ен – нормальный элемент, ЭДС которого известна с высокой точностью, Ux – измеряемое напряжение; НИ – нуль-индикатор (обычно магнитоэлектрический гальванометр); Rн – точное сопротивление, величина которого выбирается в зависимости от значения рабочего тока и Ен; R – точный делитель напряжения, образуемый декадным магазином сопротивлений; Rрег – регулированное сопротивление; U – вспомогательный источник для создания рабочего тока.

Методика измерения Ux заключается в следующем. Сначала устанавливается определенное для каждого вида потенциометра значение рабочего тока. Для этого переключатель П ставится в положение «1» и изменением Rрег добиваются отсутствия тока в гальванометре. Это будет при достижении равенства Ен = IpRн. Отсюда

. (3.1)

Затем переключатель П ставится в положение «2» и изменением коэффициента делителя R вновь добиваются отсутствия тока в нуль-индикаторе НИ. Это будет при некотором значении компенсирующего напряжения Uк, образованного на части сопротивления делителя Д (в реальных конструкциях изменение коэффициента деления производится не перемещением движка Д, как показано на схеме, а переключением ступеней в декадах магазина сопротивлений). При наступлении равновесия

Uх = Uк = Ip Rк;

или имея в виду (3.1)

, (3.2)

где Rк – часть сопротивления R, отсчитываемая по положениям переключателей декад магазина. Рабочий ток при этом должен быть неизменным и точно известным. Это позволяет декады магазина R отградуировать непосредственно в единицах измеряемой ЭДС. Исходя из значений ЭДС нормального элемента и сопротивлений Rк и Rн, известных с очень большой точностью, находится искомое напряжение Uк (3.2). Это обстоятельство, наряду с отсутствием потребления мощности из цепи измеряемого напряжения, и определяет высокую точность компенсационного метода измерения.


3.1.4. Второй принцип построения потенциометров постоянного тока реализуется в соответствии со схемой рис. 3.2. Для обеспечения постоянства и стабильности рабочего тока от источника U необходим стабилизатор напряжения с погрешностью на уровне тысячных долей процента. Современное состояние схемотехники позволяет получить такой стабилизированный источник. Поэтому потенциометры, построенные по этому принципу, в настоящее время широко используются. При этом, по сравнению со схемой рис. 3.3, они обладают таким преимуществом, как отсутствие нормального элемента, который сложен и не надежен в эксплуатации. На этом принципе основан используемый в лабораторной работе прибор Р4833.

Общая погрешность потенциометров, построенных по этому принципу, зависит от многих факторов, основными из которых являются: допуски на значения Ip, Rк и их стабильность (температурная и временная), дискретность изменения сопротивления R, наличие термо ЭДС в местах контактов двух металлов, конечная чувствительность нуль-индикатора (гальванометра) и т.д.

В соответствии с ГОСТ предел допустимой основной погрешности δ в процентах для потенциометров определяется по формуле

, (3.3)

где c и d – постоянные, характеризирующие приведенные погрешности в конце и начале диапазона;

UN – нормирующее значение, В;

U – значение компенсационного напряжения, получаемого на потенциометре (результат измерения), В.

Формула (3.3) справедлива для потенциометров, обладающих аддитивной и мультипликативной составляющих погрешности. У прибора Р4833, работающего в режиме потенциометра, аддитивная составляющая много больше мультипликативной составляющей погрешности. В связи с этим при измерении ЭДС и напряжений предел допускаемого значения основной погрешности (∆ U) в вольтах соответствует значению, определяемому по формуле:

, (3.4)

где UN – нормирующее значение, В (UN = 0,1В);

U – показания потенциометра, В, при нормальных условиях применения.

3.1.5. Точность измерения определяется также точностью установления момента уравновешивания, или, иначе, чувствительностью нулевого индикатора. Однако чувствительность потенциометра, являющаяся одной из основных его характеристик, определяется не только чувствительностью нулевого индикатора. Под чувствительностью S потенциометра понимают S = SuScx, где Scx – чувствительность компенсационной цепи, Sи – чувствительность индикатора. Чувствительность нуль-индикатора определяется применяемым измерителем; следовательно, для определения S необходимо найти чувствительность компенсационной цепи Cсх. Последняя определяется отношением приращения тока в индикаторе ∆ I, возникающего при появлении в уравновешивающей цепи приращения ЭДС ∆ Ех, к этому приращению, т.е.


.

приращение тока

, (3.5)

где Rи – сопротивление индикатора;

Rх – сопротивление источника измеряемой ЭДС Eх.

Следовательно, чувствительность потенциометра

. (3.6)

Чувствительность схемы выбирается в строгом соответствии с допустимой погрешностью δ при условии

.

Это выражение позволяет определить необходимую чувствительность нулевого индикатора

.

В качестве нуль-индикаторов применяют магнитоэлектрические гальванометры, а также автокомпенсационные и фотокомпенсационные усилители.

3.1.6. Делитель R в потенциометре (рис. 3.2) образуется магазином сопротивлений, состоящим из нескольких декад (в зависимости от класса потенциометра). От величины общего сопротивления R делителя, включенного в цепь рабочего тока, зависит верхний предел измерения напряжений. Например, если полное сопротивление делителя R составляет 111 Ом, то при рабочем токе 1 мА верхний предел измерения будет 111 мВ. По величине сопротивления R все выпускаемые промышленностью потенциометры делятся на высокоомные и низкоомные. Высокоомные потенциометры с рабочим током 0,1 мА обычно имеют верхний предел измерения 1,2…2,5 В. Для расширения пределов измерения специальные делители напряжения с точными значениями коэффициентов деления и достаточно большим входным сопротивлением.

Низкоомные потенциометры (к ним относится Р4833) имеют рабочий ток от 1 до 25 мА и, соответственно, сопротивление делителя R порядка сотни Ом. Верхний предел измерения у них имеет значения от нескольких десятков до несколько сотен милливольт. Относительно большая величина рабочего тока в низкоомных потенциометрах вызвана необходимостью получить достаточную чувствительность при измерении, что приводит к большей точности. Низкоомные потенциометры применяются для измерения небольших напряжений и ЭДС, например, ЭДС термопар. Вместе с низкоомными потенциометрами применяются в качестве нуль-индикаторов гальванометры с малым критическим сопротивлением.

3.1.7. При переключениях ступеней делителя R сопротивление цепи рабочего тока не должно изменяться. Это обеспечивается конструкторскими решениями включения декад магазина сопротивлений делителя R. Поэтому по положениям рукояток делителя R сразу отсчитываются значения измеряемого напряжения или ЭДС.







Date: 2015-07-24; view: 477; Нарушение авторских прав



mydocx.ru - 2015-2026 year. (0.422 sec.) Все материалы представленные на сайте исключительно с целью ознакомления читателями и не преследуют коммерческих целей или нарушение авторских прав - Пожаловаться на публикацию