Главная Случайная страница


Полезное:

Как сделать разговор полезным и приятным Как сделать объемную звезду своими руками Как сделать то, что делать не хочется? Как сделать погремушку Как сделать так чтобы женщины сами знакомились с вами Как сделать идею коммерческой Как сделать хорошую растяжку ног? Как сделать наш разум здоровым? Как сделать, чтобы люди обманывали меньше Вопрос 4. Как сделать так, чтобы вас уважали и ценили? Как сделать лучше себе и другим людям Как сделать свидание интересным?


Категории:

АрхитектураАстрономияБиологияГеографияГеологияИнформатикаИскусствоИсторияКулинарияКультураМаркетингМатематикаМедицинаМенеджментОхрана трудаПравоПроизводствоПсихологияРелигияСоциологияСпортТехникаФизикаФилософияХимияЭкологияЭкономикаЭлектроника






Конструктивный расчет катушки индуктивности ВКС. Расчет произведем для катушки L1 (рисунок 6) индуктивностью 36,37 нГн по методике, изложенной в [4]





 

Расчет произведем для катушки L 1 (рисунок 6) индуктивностью 36,37 нГн по методике, изложенной в [4]. Рабочая частота составляет 27,21 МГц. Учтем, что постоянный ток через катушку не протекает, так как перед ВКС установлен разделительный конденсатор.

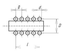
Общий вид проектируемой катушки индуктивности представлен на рисунке 14.

Рисунок 14 – Общий вид катушки индуктивности

 

1. Примем отношение длины намотки катушки l к её среднему диаметру D равным l / D =0,7 (рекомендуемые соотношения для получения высокой добротности 0,5…0,8).

 

2. Исходя из соображения малого активного сопротивления и механической прочности катушки индуктивности, выберем из ряда, приведенного в [4], стандартное сечение провода d =0,64мм.

 

3. Определим шаг намотки провода, при котором достигается малое активное сопротивление катушки току радиочастоты и небольшие ее габариты:

 

g =(1,3…1,5) d,

g =1,3·0,64=0,832 мм.

 

4. Определим число витков спирали катушки по формуле:

 

,

где L расч – расчетное значение индуктивности катушки, мкГн (если катушка без экрана, то L расч= L);

D – средний диаметр катушки, см;

F – коэффициент формы, зависимость которого от отношения l / D представлена на рисунке 15.

Рисунок 15 – Зависимость коэффициента формы от отношения длины намотки к среднему диаметру катушки

 

Из графика на рисунке 15 при l / D =0,7 находим F =8∙10-3. Выберем диаметр катушки, исходя из возможностей ее практической реализации, равным D =0,5см. Тогда длина ее будет равна l =0,35см.

Рассчитываем число витков спирали катушки:

 

.

 

Полученное значение достаточно близко к целому числу витков, и оно больше, чем один виток. Поскольку D, l / D и g = l / N были выбраны ранее произвольно, проверим правильность их выбора – должно выполняться равенство N = l / g с погрешностью, не более (5…7)%. В нашем случае: N =3,015; l / g =4,207. Равенство не выполняется. Увеличим шаг намотки провода катушки. Это изменение дополнительно приведет к снижению потерь катушке.

Выберем g =1,2мм. Тогда l / g =2,917. Значение N и l / g совпадают с необходимой точностью. Расчет числа N можно считать законченным. Округляем это число до целого: N =3. Таким образом, катушка имеет размеры D =5мм; l =3,5мм. Шаг намотки g =1,2мм; диаметр провода d =0,64мм; число витков N =3.

5. Проверим электрическую прочность катушки. Согласно рекомендациям [5], напряженность электрического поля между соседними витками катушки должна быть не более 500…700 В/мм в воздухе.

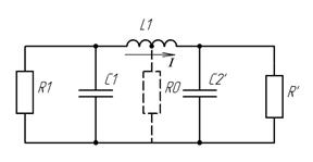
Для расчета величины напряженности необходимо знать высокочастотное напряжение, приложенное к катушке. Для его определения можно воспользоваться результатами расчета П-образной цепи ВКС из раздела 6. Представим схему этой цепи в виде, показанном на рисунке 16,а.

а б

Рисунок 16 – Схема П-образной цепи ВКС (а) и эквивалентной Г-образной цепи (б)

(R 0 – вспомогательное сопротивление, используемое в расчете)

 

Высокочастотный ток, протекающий по катушке L 1 можно ориентировочно определить из энергетических соображений, считая, что в П-образной цепи последовательно происходит передача ВЧ мощности, отдаваемой транзистором P 1 (условно можно считать, что она выделяется в R 1), сначала в сопротивление R 0, затем в R '. Если пренебречь потерями в П-образной цепи, то мощность, выделяемая в R 0, будет равна P 1.

Из расчета выходного усилителя и ВКС известны значения:

Р 1= Р 1ном=6,313Вт; R 0=1Ом.

В соответствии с принципом расчета П-образной цепи (рисунок 16), с помощью сопротивления R 0 она разбивается на две Г-образных цепи. Одна из них (левая) показана на рисунке 16,б (L 1' – часть индуктивности L 1).

Находим величину тока, протекающего по сопротивлению R 0 в схеме на рисунке 16,б:

,

.

 

Такой же величины ток протекает по катушке индуктивности L 1' и, соответственно, по всей катушке L 1, поскольку L 1' является ее частью. Теперь можно найти ВЧ напряжение, приложенное к катушке L 1:

,

где ХL 1=6,218Ом (значение, полученное в разделе 6);

.

 

Напряженность электрического поля между соседними витками катушки:

,

 

Как следует из расчета, напряженность электрического поля между витками катушки значительно меньше допустимой.

 

6. Рассчитаем собственную емкость катушки индуктивности по эмпирической формуле:

 

СL =0,1 kgkiD,пФ,

 

где kg и ki – вспомогательные коэффициенты, зависящие от относительных размеров катушки; D – диаметр катушки, мм.


Графики для определения величин kg и ki приведены на рисунке 17.

Рисунок 17 – Графики для расчета вспомогательных коэффициентов

 

Из рисунка 17 при g / d =1,875 и l / D =0,7 находим kg ≈0,7; ki ≈1,1. Рассчитываем СL:

СL =0,1·0,7·1,1·5=0,385пФ.

 

В результате расчета получилась достаточно малая собственная емкость катушки, которая по величине меньше паразитной емкости монтажа (последняя обычно превышает 1пФ). Такая емкость катушки L 1 не будет оказывать влияние на свойства ВКС.

 

7. Проверим соотношение длины проводника и рабочей длины волны. Длина провода катушки:

 

l пров.=p DN,

 

l пров.=3,14·5·3=47,1мм.

 

Длина электромагнитной волны на рабочей частоте известна из раздела 3: l=11,1м. Длина провода катушки индуктивности в много раз меньше длины волны. Поэтому можно считать, что рассчитанная катушка индуктивности является элементом с сосредоточенными параметрами.

 







Date: 2015-07-24; view: 700; Нарушение авторских прав



mydocx.ru - 2015-2026 year. (1.262 sec.) Все материалы представленные на сайте исключительно с целью ознакомления читателями и не преследуют коммерческих целей или нарушение авторских прав - Пожаловаться на публикацию