Главная Случайная страница


Полезное:

Как сделать разговор полезным и приятным Как сделать объемную звезду своими руками Как сделать то, что делать не хочется? Как сделать погремушку Как сделать так чтобы женщины сами знакомились с вами Как сделать идею коммерческой Как сделать хорошую растяжку ног? Как сделать наш разум здоровым? Как сделать, чтобы люди обманывали меньше Вопрос 4. Как сделать так, чтобы вас уважали и ценили? Как сделать лучше себе и другим людям Как сделать свидание интересным?


Категории:

АрхитектураАстрономияБиологияГеографияГеологияИнформатикаИскусствоИсторияКулинарияКультураМаркетингМатематикаМедицинаМенеджментОхрана трудаПравоПроизводствоПсихологияРелигияСоциологияСпортТехникаФизикаФилософияХимияЭкологияЭкономикаЭлектроника






Расчет кварцевого автогенератора. Произведем расчет переключаемого кварцевого автогенератора (переключаемый КАГ в структурной схеме передатчика





 

Произведем расчет переключаемого кварцевого автогенератора (переключаемый КАГ в структурной схеме передатчика, рисунок 1). Этот расчет производим для частоты 27,71 МГц, соответствующей седьмому частотному каналу. Мощность автогенератора, отдаваемую в нагрузку возьмем Р н = 0,5мВт. Методика расчета взята из [4,6].

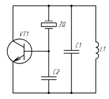
Рабочая частота КАГ достаточно высока. Поэтому кварцевый резонатор (КР) должен работать на механической гармонике. Осцилляторная схема гармоникого КАГ с резонатором, включенным между коллектором и базой транзистора, приведена на рисунке 9. На рисунке 10 показана эквивалентная схема КАГ по высокой частоте, а на рисунке 11 – эквивалентная схема кварцевого резонатора (а) и зависимость реактивного сопротивления резонатора от частоты (б).

В осцилляторной схеме генерируемая частота расположена в промежутке между частотами последовательного (f q) и параллельного (f 0) резонансов, где КР имеет сопротивление индуктивного характера (см. рисунок 11,б). Параметры контура L 1 C 1 (рисунок 10) выбираются так, чтобы на частоте механической гармоники он имел сопротивление емкостного характера, а на частоте основной гармоники – индуктивного. В этом случае самовозбуждение КАГ на этой гармонике станет невозможным.

 

Рисунок 9 – Схема гармоникового кварцевого автогенератора на биполярном транзисторе с КР, включенным между коллектором и базой транзистора

 

Рисунок 10 – Эквивалентная схема КАГ

 

 

а б

Рисунок 11 – Эквивалентная схема кварцевого резонатора (а) (для области частот, близкой к резонансной частоте) и зависимость его сопротивления от частоты (б)

 

 

1. Выберем герметизированный кварцевый резонатор на рабочую частоту (на третью гармонику) 26,71 МГц. Параметры эквивалентной схемы такого резонатора, определенные по таблице [4]:

 

Rq = 200Ом;

С 0 = 10пФ;

Lq = 0,15 Гн;

Р КР доп = 2 мВт.

 

2. Определим добротность кварцевого резонатора по формуле:

 

на рабочей частоте автогенератора f = 26,71·106 Гц.

 

.

 

 

3. Определим постоянную времени кварцевого резонатора:

 

,

.

 

4. Зададимся коэффициентом запаса по мощности для кварцевого резонатора а = 0,45.

 

5. Определим мощность, рассеиваемую на кварцевом резонаторе:

 

,

.

 

Из расчета следует, что рассеиваемая мощность на кварцевом резонаторе не превышает предельно допустимую величину.

 

6. Для КАГ выберем германиевый маломощный высокочастотный транзистор ГТ311. Его параметры [3]:

 

fs = 65 МГц – граничная частота усиления транзистора по схеме с общим эмиттером;

I к доп = 50 мА – максимально допустимый ток коллектора;

 

Р к доп = 150мВт – максимально допустимая рассеиваемая мощность на коллекторе транзистора;

 

U кэ.доп = 15В – максимально допустимое значение коллекторного напряжения;

Е отс = 0,3 В – напряжение отсечки;

С учетом падения постоянного напряжения на элементах цепи питания зададимся Е кэ=6 В. Амплитуду импульсов коллекторного тока примем меньше максимально допустимого коллекторного тока в пять раз: I кm=10мА.

Угол отсечки примем θ=60°. При этом коэффициент разложения остроконечного импульса будет равен: γ1(θ)=0,196. По статическим характеристикам определим крутизну идеализированной проходной характеристики транзистора для выбранных рабочего тока и напряжения: S = 142 мА/В. Для заданного угла отсечки рассчитываем крутизну проходной характеристики, усредненную за период высокой частоты:

S 1= S γ1(θ),

S 1 = 142·10-3·0,196 = 27,8·10-3 А/В.

 

 

7. Определим нормированную частоту колебаний автогенератора:

 

Ωs = f / fs,

Ωs=26,71/65=0,411.

 

8. Вычислим вспомогательный коэффициент:

 

,

и емкость, которой эквивалентен контур L 1 C 1:

,

 

,

 

 

9. Вычислим значение емкости конденсатора С 2:

 

,

.

Примем стандартное значение емкости С 2=75пФ.

 

10. Определим реактивные сопротивления элементов С и С 2:

 

,

,

,

.

 

11. Определим величины элементов L 1 и С 1 из условия:

 

1+(2π f)2 L 1 С 1 < n 2(n – 2)2,

где n – номер нечетной гармоники, на которой возбуждается КР. Выберем n =3.

Согласно рекомендации [4], примем (2π f)2 L 1 С 1=2, и найдем значение С 1:

 

,

.

 

Примем стандартное значение емкости С 1=27пФ.


 

Определим значение индуктивности L 1:

 

,

.

 

12. Определим относительную разницу между полученной и требуемой частотами по формуле:

 

,

 

Для точной настройки генератора необходимо сделать один из конденсаторов подстроечным (С 1 или С 2) с изменением емкости примерно на 30%. Возьмем подстроечным конденсатор С 2. Пределы регулирования его емкости должны включать в себя 25,96 пФ, поэтому выберем стандартный конденсатор переменной емкости 4…36 пФ.

 

13. Определим постоянную составляющую тока коллектора:

 

I к00(θ) I кm,

где α0(θ)=0,218 – коэффициент разложения остроконечного импульса для угла отсечки θ = 60°,

 

I к0 = 0,218 · 10·10-3 = 2,18 мА.

 

14. Определим амплитуду первой гармоники коллекторного тока:

 

I к1 = α1(θ) I кm,

где α1(θ)=0,391 – коэффициент разложения остроконечного импульса для θ = 60°,

I к1 = 0,391 · 10·10-3 = 3,91 мА.

 

15. Определим амплитуду напряжения на базе транзистора:

 

 


 

16. Определим амплитуду напряжения на коллекторе:

 

,

 

где ,

 

,

 

.

 

17. Определим мощность, потребляемую коллекторной цепью от источника питания:

Р 0 = I к0 Е кэ,

 

Р 0 = 2,18·10-3 · 6 = 13,1мВт,

 

18. Определим мощность, выделяемую на коллекторе транзистора:

Р к = Р 0Р н,

Р к=13 – 0,5 = 12,6 мВт.

Из расчета следует, что рассеиваемая мощность на коллекторе транзистора намного меньше максимально допустимой (150 мВт).

 

19. Определим постоянную составляющую тока базы:

 

,

 

где h 21э0 = 30 – среднее значение коэффициента передачи тока базы транзистора ГТ311 [4],

 

.

 

20. Определим значение напряжения смещения на базе:

 

,

В.

 

21. Произведем расчет цепей питания и смещения автогенератора:

Определим значение сопротивления резистора R 3 из условия R 3>>| X 2|. Принимаем:

R 3 = (10…20) Х 2,

Возьмем стандартный номинал R 3 = 1,2 кОм.

Согласно рекомендациям [7] постоянная времени цепи эмиттерного автосмещения (постоянная времени выхода на режим) выбирается из условия τэ = 1…10мс, а сопротивление R э – в пределах от 100 до 500Ом.

Примем: τэ = 5мс; R э = 300Ом.

,

Примем стандартное значение емкости Сэ =160пФ.

 

Определим значения сопротивлений базового делителя. Вычислим напряжение в точке соединения R 1, R 2 и R 3:

 

Е д = Е б0+(I к0+ I б0) R э+ I б0 R 3,

 

Е д =0,223 +(2,18·10-3+72,67·10-6)·300+72,67·10-6·1200=0,984В.

 

Ток через делитель должен значительно превышать ток базы. Примем I д=5 I б0=363,3·10-6А.

Рассчитаем значения сопротивлений резисторов R 1 и R 2:

 

; ;

 

,

 

,

 

Примем стандартные значения элементов R 1=3,3кОм, R 2=13,3кОм; резисторы выберем типа С2-23 мощностью 0,125 Вт.

 

Величину блокировочной емкости в цепи источника питания выберем намного больше самого большого значения емкости в данной емкостной трехточке и примем С бл=1800пФ.








Date: 2015-07-24; view: 1498; Нарушение авторских прав



mydocx.ru - 2015-2026 year. (1.198 sec.) Все материалы представленные на сайте исключительно с целью ознакомления читателями и не преследуют коммерческих целей или нарушение авторских прав - Пожаловаться на публикацию