Главная Случайная страница


Полезное:

Как сделать разговор полезным и приятным Как сделать объемную звезду своими руками Как сделать то, что делать не хочется? Как сделать погремушку Как сделать так чтобы женщины сами знакомились с вами Как сделать идею коммерческой Как сделать хорошую растяжку ног? Как сделать наш разум здоровым? Как сделать, чтобы люди обманывали меньше Вопрос 4. Как сделать так, чтобы вас уважали и ценили? Как сделать лучше себе и другим людям Как сделать свидание интересным?


Категории:

АрхитектураАстрономияБиологияГеографияГеологияИнформатикаИскусствоИсторияКулинарияКультураМаркетингМатематикаМедицинаМенеджментОхрана трудаПравоПроизводствоПсихологияРелигияСоциологияСпортТехникаФизикаФилософияХимияЭкологияЭкономикаЭлектроника






Расчет выходной колебательной системы. Диапазон рабочих частот данного передатчика очень узкий (27,15 27,27 МГц), поэтому будем вести расчет выходной колебательной системы по методике для





 

Диапазон рабочих частот данного передатчика очень узкий (27,15…27,27 МГц), поэтому будем вести расчет выходной колебательной системы по методике для узкодиапазонных цепей [4]. Поскольку в данном случае требуется отфильтровать только высшие гармоники, следует применять ФНЧ, у которого потери по сравнению с ПФ будут примерно в два раза меньше.

 

1. Определим необходимое затухание фильтра:

 

а ф n ≥ - а доп+ а г n + а су,

 

где: а доп – допустимый уровень высших гармоник в нагрузке передатчика;

а г n – относительный уровень высших гармоник тока на выходе генератора (транзистора выходного каскада); в однотактном генераторе

;

а су – дополнительное затухание, вносимое согласующим устройством с антенной;

n – номер высшей гармоники, ближайшей у первой, которую следует подавить; в однотактных каскадах n =2.

Согласно техническим требованиям а доп = –40дБ. Принимаем а су= –5 дБ.

;

 

θ=90°; α2(90°) = 0,212; α1(90°) = 0,5

 

,

 

а ф2 ≥ 40дБ – 7,543дБ – 5дБ = 27,547дБ.

 

 

2. Определим оптимальное число реактивных элементов (порядок фильтра) по формуле:

 

m опт=(0,05…0,1) а ф2;

 

m опт= (0,05…0,1)·29 = 2…3,

 

Таким образом, согласующая цепь будет иметь вид П-цепочки, представленный на рисунке 4.

Рисунок 4 - Вид выходного фильтра

 

На рисунке обозначено:

R 1= R эк ном = 4,455 Ом – номинальное сопротивление нагрузки коллекторной цепи транзистора выходного усилителя;

R 2 = 17,835 Ом – активная составляющая сопротивления антенны;

 

3. Поскольку рабочий диапазон частот передатчика очень узкий, выходной фильтр рассчитаем как П-образную цепь связи, работающую на фиксированной частоте, равной средней частоте диапазона передатчика f = 27,21 МГц.

Модули реактивных сопротивлений емкостей и реактивные сопротивления индуктивностей, представленных на рисунке 4, определим по формулам [4]:

 

;

 

;

 

,

где R 0 – вспомогательное сопротивление для расчета (R 0< R 1, R 2).

Примем R 0 = 4 Ом.

 

;

 

;

 

.

 

4. Определим значения емкостей и индуктивности элементов схемы на рисунке 4:

 

;

.

 

;

;

 

.

 

 

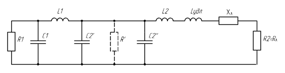
5. Дополним схему фильтра на рисунке 4 антенно-согласующим устройством в виде Г-образной цепочки L 2- C 2'' с «удлиняющей» катушкой индуктивности L удл для компенсации емкостной реактивности антенны (рисунок 5).

Рисунок 5 – Выходной фильтр с дополнительной Г-образной цепочкой и «удлиняющей» индуктивностью

 

Для Г-образной цепочки L 2- C 2'' должно выполняться условие R '> R 2. Реактивные элементы в ней рассчитываются по формулам

;

.

Индуктивность L удл определим из условия .

Выберем R '=20 Ом. Произведем расчет Г-цепи, L удл., а так же вновь расчет П-цепи, заменив в расчетных формулах для П-цепи R 2 →R '.

;

;

; ;

;

;

.

 

Заменим L 2 и L удл. общей катушкой индуктивности:

L су = L 2 + L удл. = 59,67 нГн.

При новом расчете элементов П-цепи необходимо выбрать R 0 <R 1, R '. Выберем R 0 = 1 Ом.

;

;

;

; ;

;

;

;

;

Катушку с такой индуктивностью можно реализовать на практике.

Конденсаторы С2' и С2'' объединим в общий с емкостью

С2 = С2' + С2'' = 1,275нФ + 0,1019нФ = 1,377нФ.

Схема ВКС окончательно принимает вид, показанный на рисунке 6.

Рисунок 6 – Схема ВКС передатчика

 

6. Определим параметры антенны на частоте второй гармоники (27,21·2 = 54,42 МГц):

λ = 300/54,42 = 5,513 м; l А=2,762 м,

 

, .

 

где: (1/м), Для тонких вибраторов

, , где – постоянная Эйлера.

Расчет остальных параметров произведем в программе Mathcad 15. Получим:

.

 

7. Определим допустимую величину тока второй гармоники в антенне по формуле [4]:

 

;

 

 

где Р А2доп = Р А а фдоп – допустимый уровень мощности излучения второй гармоники;

Допустимый уровень побочного излучения составляет –40дБ или а фдоп=10-4.

 

 

Р А2доп = 5·10-4 Вт;

.

 

8. Необходимый коэффициент фильтрации по току определим по формуле:

 

,

где I вх2 = I к мах α2;

α2 = 0,212 – коэффициент Берга для угла отсечки 90 градусов;

I к мах = 3,367 - максимальный ток коллектора (высота импульса коллекторного тока).

 

I вх2 = 3,367·0,212 = 0,714 А;


 

9. Определим действительный коэффициент фильтрации выбранной схемы ВКС (рисунок 6), воспользовавшись методикой [4]. Для удобства приведем схему из [4], на основе которой производится расчет (рисунок 7)

Рисунок 7 – Двухзвенная схема ВКС с согласующим устройством

 

Применительно к рассматриваемой схеме ВКС (рисунок 6) в схеме на рисунке 7 следует принять:

L 2= L 1; C 3= C 2; L 4=0; C 5=0.

(; )

С учетом этого расчетное выражение для коэффициента фильтрации принимает вид:

 

где ; n – номер гармоники, который следует подавить. В нашем случае n = 2.

,

;

R А2 = Ом;

;

;

;

 

Расчет производился в программе Mathcad. Приведем результат расчета:

.

В результате расчета получен коэффициент фильтрации, значительно превосходящий требуемый (). Таким образом построенная схема ВКС удовлетворяет необходимым требованиям по степени подавления побочного излучения.

 

10. Проведем расчет КПД ВКС по формулам [4], приняв добротность всех катушек индуктивности Q L =100 (значение, технически реализуемое на рабочих частотах передатчика). Воспользуемся схемой ВКС на рисунке 5:

 

КПД первого (П-образного) звена:

.

КПД второго (Г-образного) звена с учетом L удл:

.

 

Общий КПД всей выходной колебательной системы:

 

;

;

.

 

Из полученного результата следует, что КПД всей выходной колебательной системы получен в требуемых пределах и схему, представленную на рисунке 6 можно применить в проектируемом передатчике. Данная схема дает большой запас по фильтрации высших гармоник и обладает значением КПД, не меньше требуемого.

В проектируемом передатчике применим катушки индуктивности с рассчитанными значениями индуктивностей и конденсаторы постоянной емкости со стандартными номиналами. При выборе номинала конденсатора С 1 учтем выходную емкость транзистора (С к=45пФ). Выберем конденсаторы типа К10-17, с величинами емкостей:

С 1=2400пФ;

С 2=1500пФ.








Date: 2015-07-24; view: 669; Нарушение авторских прав



mydocx.ru - 2015-2026 year. (0.446 sec.) Все материалы представленные на сайте исключительно с целью ознакомления читателями и не преследуют коммерческих целей или нарушение авторских прав - Пожаловаться на публикацию