Главная Случайная страница


Полезное:

Как сделать разговор полезным и приятным Как сделать объемную звезду своими руками Как сделать то, что делать не хочется? Как сделать погремушку Как сделать так чтобы женщины сами знакомились с вами Как сделать идею коммерческой Как сделать хорошую растяжку ног? Как сделать наш разум здоровым? Как сделать, чтобы люди обманывали меньше Вопрос 4. Как сделать так, чтобы вас уважали и ценили? Как сделать лучше себе и другим людям Как сделать свидание интересным?


Категории:

АрхитектураАстрономияБиологияГеографияГеологияИнформатикаИскусствоИсторияКулинарияКультураМаркетингМатематикаМедицинаМенеджментОхрана трудаПравоПроизводствоПсихологияРелигияСоциологияСпортТехникаФизикаФилософияХимияЭкологияЭкономикаЭлектроника






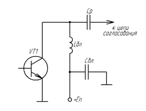
Расчет элементов цепей питания каскадов усилителя мощности. В транзисторных каскадах передатчиков применяются, как правило, параллельные цепи питания





В транзисторных каскадах передатчиков применяются, как правило, параллельные цепи питания. Схема цепи питания каскадов усилителя мощности представлена на рисунке 12.

Рисунок 12 – Схема цепи питания каскадов усилителя мощности

 

Расчет разделительных и блокировочных элементов в цепях питания будем производить, исходя из требования слабого их влияния на ВЧ цепи и соотношений, приведенных в учебнике [2].

Величину емкости разделительного конденсатора С р определим из условия:

(реально в 10…20 раз),

где R эк ном – номинальная коллекторная нагрузка (результат расчета для каждого каскада); f – рабочая частота.

 

Для расчета С р получаем следующую формулу:

 

.

Расчет величины блокировочной индуктивности L бл будем производить из условия:

(реально в 50…100 раз).

 

Для расчета L бл получаем следующую формулу:

 

.

Для расчета величины емкости блокировочного конденсатора С бл воспользуемся соотношением:

 

(реально в 50…100 раз).

 

Из этого неравенства находим С бл:

 

.

 

Расчет разделительных и блокировочных элементов выходного усилителя и предоконечного каскада производим для средней частоты рабочего диапазона f = 27,21МГц.

Результаты расчета разделительных и блокировочных элементов для выходного усилителя:

 

;

;

.

 

С учетом запаса примем стандартные значения емкостей С р=33нФ, С бл=2,2нФ и величину блокировочной индуктивности L бл=3мкГн. Выберем конденсаторы типа К10-17.

 

Результаты расчета разделительных и блокировочных элементов для предоконечного каскада:

 

;

;

.

 

С учетом запаса примем стандартные значения емкостей С р=2,2нФ, С бл=0,1нФ и значение блокировочной индуктивности L бл=27мкГн. Выберем конденсаторы типа К10-17.







Date: 2015-07-24; view: 654; Нарушение авторских прав



mydocx.ru - 2015-2026 year. (2.328 sec.) Все материалы представленные на сайте исключительно с целью ознакомления читателями и не преследуют коммерческих целей или нарушение авторских прав - Пожаловаться на публикацию