Главная Случайная страница


Полезное:

Как сделать разговор полезным и приятным Как сделать объемную звезду своими руками Как сделать то, что делать не хочется? Как сделать погремушку Как сделать так чтобы женщины сами знакомились с вами Как сделать идею коммерческой Как сделать хорошую растяжку ног? Как сделать наш разум здоровым? Как сделать, чтобы люди обманывали меньше Вопрос 4. Как сделать так, чтобы вас уважали и ценили? Как сделать лучше себе и другим людям Как сделать свидание интересным?


Категории:

АрхитектураАстрономияБиологияГеографияГеологияИнформатикаИскусствоИсторияКулинарияКультураМаркетингМатематикаМедицинаМенеджментОхрана трудаПравоПроизводствоПсихологияРелигияСоциологияСпортТехникаФизикаФилософияХимияЭкологияЭкономикаЭлектроника






Расчет выходной колебательной системы





 

Диапазон рабочих частот данного передатчика очень узкий (27,15…27,27 МГц), поэтому будем вести расчет выходной колебательной системы по методике для узкодиапазонных цепей [4]. Поскольку в данном случае требуется отфильтровать только высшие гармоники, следует применять ФНЧ, у которого потери по сравнению с ПФ будут примерно в два раза меньше.

 

1. Определим необходимое затухание фильтра:

 

а ф n ≥ - а доп+ а г n + а су,

 

где: а доп – допустимый уровень высших гармоник в нагрузке передатчика;

а г n – относительный уровень высших гармоник тока на выходе генератора (транзистора выходного каскада); в однотактном генераторе

;

а су – дополнительное затухание, вносимое согласующим устройством с антенной;

n – номер высшей гармоники, ближайшей у первой, которую следует подавить; в однотактных каскадах n =2.

Согласно техническим требованиям а доп = –40дБ. Принимаем а су= –5 дБ.

;

 

θ=90°; α2(90°) = 0,212; α1(90°) = 0,5

 

,

 

а ф2 ≥ 40дБ – 7,543дБ – 5дБ = 27,547дБ.

 

 

2. Определим оптимальное число реактивных элементов (порядок фильтра) по формуле:

 

m опт=(0,05…0,1) а ф2;

 

m опт= (0,05…0,1)·29 = 2…3,

 

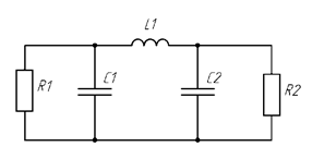
Таким образом, согласующая цепь будет иметь вид П-цепочки, представленный на рисунке 4.

Рисунок 4 - Вид выходного фильтра

 

На рисунке обозначено:

R 1= R эк ном = 4,455 Ом – номинальное сопротивление нагрузки коллекторной цепи транзистора выходного усилителя;

R 2 = 17,835 Ом – активная составляющая сопротивления антенны;

 

3. Поскольку рабочий диапазон частот передатчика очень узкий, выходной фильтр рассчитаем как П-образную цепь связи, работающую на фиксированной частоте, равной средней частоте диапазона передатчика f = 27,21 МГц.

Модули реактивных сопротивлений емкостей и реактивные сопротивления индуктивностей, представленных на рисунке 4, определим по формулам [4]:

 

;

 

;

 

,

где R 0 – вспомогательное сопротивление для расчета (R 0< R 1, R 2).

Примем R 0 = 4 Ом.

 

;

 

;

 

.

 

4. Определим значения емкостей и индуктивности элементов схемы на рисунке 4:

 

;

.

 

;

;

 

.

 

 

5. Дополним схему фильтра на рисунке 4 антенно-согласующим устройством в виде Г-образной цепочки L 2- C 2'' с «удлиняющей» катушкой индуктивности L удл для компенсации емкостной реактивности антенны (рисунок 5).

Рисунок 5 – Выходной фильтр с дополнительной Г-образной цепочкой и «удлиняющей» индуктивностью

 

Для Г-образной цепочки L 2- C 2'' должно выполняться условие R '> R 2. Реактивные элементы в ней рассчитываются по формулам

;

.

Индуктивность L удл определим из условия .

Выберем R '=20 Ом. Произведем расчет Г-цепи, L удл., а так же вновь расчет П-цепи, заменив в расчетных формулах для П-цепи R 2 →R '.

;

;

; ;

;

;

.

 

Заменим L 2 и L удл. общей катушкой индуктивности:

L су = L 2 + L удл. = 59,67 нГн.

При новом расчете элементов П-цепи необходимо выбрать R 0 <R 1, R '. Выберем R 0 = 1 Ом.

;

;

;

; ;

;

;

;

;

Катушку с такой индуктивностью можно реализовать на практике.

Конденсаторы С2' и С2'' объединим в общий с емкостью

С2 = С2' + С2'' = 1,275нФ + 0,1019нФ = 1,377нФ.

Схема ВКС окончательно принимает вид, показанный на рисунке 6.

Рисунок 6 – Схема ВКС передатчика

 

6. Определим параметры антенны на частоте второй гармоники (27,21·2 = 54,42 МГц):

λ = 300/54,42 = 5,513 м; l А=2,762 м,

 

, .

 

где: (1/м), Для тонких вибраторов

, , где – постоянная Эйлера.

Расчет остальных параметров произведем в программе Mathcad 15. Получим:

.

 

7. Определим допустимую величину тока второй гармоники в антенне по формуле [4]:

 

;

 

 

где Р А2доп = Р А а фдоп – допустимый уровень мощности излучения второй гармоники;

Допустимый уровень побочного излучения составляет –40дБ или а фдоп=10-4.

 

 

Р А2доп = 5·10-4 Вт;

.

 

8. Необходимый коэффициент фильтрации по току определим по формуле:

 

,

где I вх2 = I к мах α2;

α2 = 0,212 – коэффициент Берга для угла отсечки 90 градусов;

I к мах = 3,367 - максимальный ток коллектора (высота импульса коллекторного тока).

 

I вх2 = 3,367·0,212 = 0,714 А;


 

9. Определим действительный коэффициент фильтрации выбранной схемы ВКС (рисунок 6), воспользовавшись методикой [4]. Для удобства приведем схему из [4], на основе которой производится расчет (рисунок 7)

Рисунок 7 – Двухзвенная схема ВКС с согласующим устройством

 

Применительно к рассматриваемой схеме ВКС (рисунок 6) в схеме на рисунке 7 следует принять:

L 2= L 1; C 3= C 2; L 4=0; C 5=0.

(; )

С учетом этого расчетное выражение для коэффициента фильтрации принимает вид:

 

где ; n – номер гармоники, который следует подавить. В нашем случае n = 2.

,

;

R А2 = Ом;

;

;

;

 

Расчет производился в программе Mathcad. Приведем результат расчета:

.

В результате расчета получен коэффициент фильтрации, значительно превосходящий требуемый (). Таким образом построенная схема ВКС удовлетворяет необходимым требованиям по степени подавления побочного излучения.

 

10. Проведем расчет КПД ВКС по формулам [4], приняв добротность всех катушек индуктивности Q L =100 (значение, технически реализуемое на рабочих частотах передатчика). Воспользуемся схемой ВКС на рисунке 5:

 

КПД первого (П-образного) звена:

.

КПД второго (Г-образного) звена с учетом L удл:

.

 

Общий КПД всей выходной колебательной системы:

 

;

;

.

 

Из полученного результата следует, что КПД всей выходной колебательной системы получен в требуемых пределах и схему, представленную на рисунке 6 можно применить в проектируемом передатчике. Данная схема дает большой запас по фильтрации высших гармоник и обладает значением КПД, не меньше требуемого.

В проектируемом передатчике применим катушки индуктивности с рассчитанными значениями индуктивностей и конденсаторы постоянной емкости со стандартными номиналами. При выборе номинала конденсатора С 1 учтем выходную емкость транзистора (С к=45пФ). Выберем конденсаторы типа К10-17, с величинами емкостей:

С 1=2400пФ;

С 2=1500пФ.








Date: 2015-07-24; view: 1190; Нарушение авторских прав



mydocx.ru - 2015-2026 year. (0.402 sec.) Все материалы представленные на сайте исключительно с целью ознакомления читателями и не преследуют коммерческих целей или нарушение авторских прав - Пожаловаться на публикацию