Главная Случайная страница


Полезное:

Как сделать разговор полезным и приятным Как сделать объемную звезду своими руками Как сделать то, что делать не хочется? Как сделать погремушку Как сделать так чтобы женщины сами знакомились с вами Как сделать идею коммерческой Как сделать хорошую растяжку ног? Как сделать наш разум здоровым? Как сделать, чтобы люди обманывали меньше Вопрос 4. Как сделать так, чтобы вас уважали и ценили? Как сделать лучше себе и другим людям Как сделать свидание интересным?


Категории:

АрхитектураАстрономияБиологияГеографияГеологияИнформатикаИскусствоИсторияКулинарияКультураМаркетингМатематикаМедицинаМенеджментОхрана трудаПравоПроизводствоПсихологияРелигияСоциологияСпортТехникаФизикаФилософияХимияЭкологияЭкономикаЭлектроника






Проверка наличия напряжения питания на стенде. Включить автомат и устройство защитного отключения (УЗО) на левой боковине приборного блока - при этом должен включиться вентилятор охлаждения





 

  • Включить автомат и устройство защитного отключения (УЗО) на левой боковине приборного блока - при этом должен включиться вентилятор охлаждения.
  • Нажатием кнопок «Вкл» включить блоки питания БП№1 и БП№5 - при этом должны загореться индикаторные лампы на кнопочных станциях.
  • Включить автоматами защиты блоки питания БП № 3 и БП №4 - при этом должны загореться индикаторные лампы.
  • Выключить автоматы защиты блоков питания БП № 3 и БП №4.
  • Выключить автомат на левой боковине приборного блока

 

 

6.2. Экспериментальное определение зависимости коэффициента CE=к∙Ф от тока возбуждения Iв.

 

В данном стенде в качестве нагрузочного устройства используется ДПТ с независимым возбуждением М2, жестко состыкованный с валом исследуемого ДПТ М1

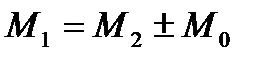
Крутящий момент на валу исследуемого ДПТ (М1), определяется из выражения:

, (6.1)

где: М2 момент, развиваемый двигателем М2, М0 – момент холостого хода электромеханического агрегата М1-М2; знак «+» соответствует двигательному режиму работы ДПТ М1, а знак «-» тормозным (генераторным) режимам его работы.

В общем случае момент ДПТ с НВ - может быть определен по измеренным значениям тока в обмотке якоря ДПТ - IЯ по формуле:

, (6.2)

где , - ток в обмотке якоря ДПТ, Ф – поток возбуждения ДПТ, Iв – ток в обмотке возбуждения ДПТ, к – конструктивный коэффициент ДПТ.

В данном стенде обе машины и исследуемая и нагрузочная одного типа, поэтому момент исследуемой машины М1 можно определять как по формуле (6.1), так и непосредственной по формуле (6.2), подставляя в нее значения тока якоря М1 – IЯ1.

Регулирование нагрузочного момента на валу М1 возможно как путем изменения сопротивления в обмотке якоря М2, так и тока в его обмотке возбуждения Iв2.

При изменении тока возбуждения Iв изменяется поток возбуждения Ф, а следовательно, и коэффициент пропорциональности CE. Поэтому для определения момента, развиваемого ДПТ, необходимо в соответствии с формулой (6.2) снять нелинейную зависимость . Необходимо учесть, что данная зависимость будет справедлива как для машины М1, так и для М2.

Для проведения этого эксперимента необходимо:

 

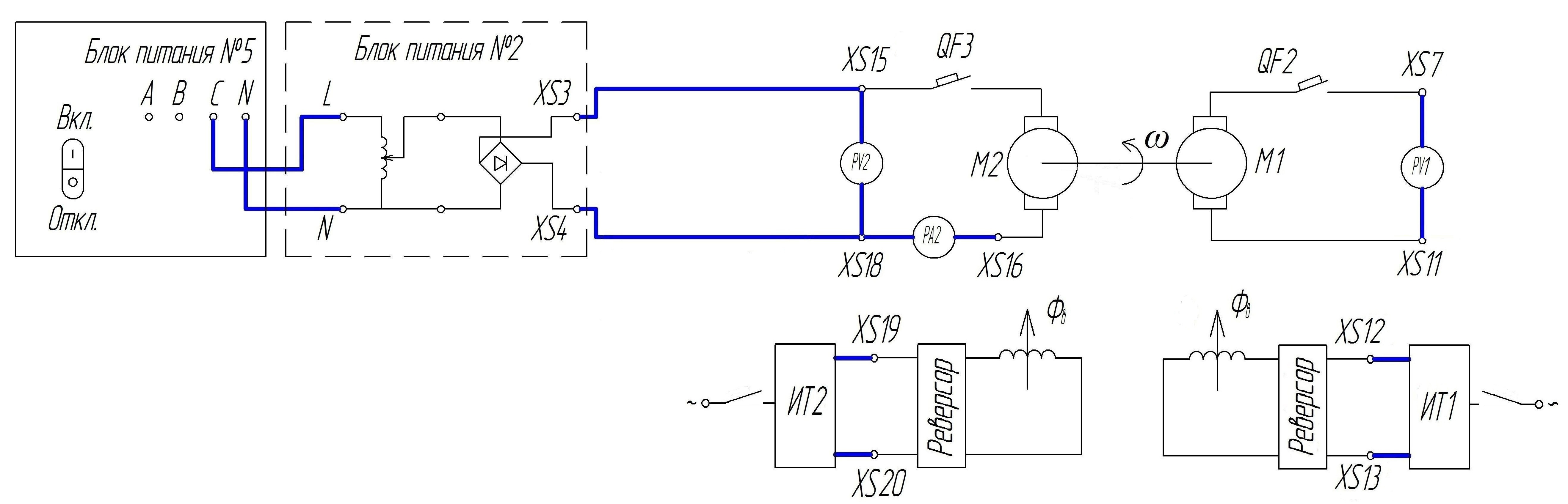
· Собрать схему, представленную на рис. 6.1.

· Вывернуть ручку ЛАТРА против часовой стрелки до упора.

· Включить ИТ2 и выставить на нем Iв2 =0,76 А

· Включить ИТ1 и выставить на нем ток возбуждения Iв1 =0,2 А.

· Нажать кнопку «Вкл» БП №5 и включить автомат QF3. Плавно поворачивая ручку ЛАТРа по часовой стрелке разогнать электромашинный агрегат двигателем М2 от нулевой скорости до 1500 об/мин. Эту скорость необходимо поддерживать постоянной во время всего опыта.

(По согласованию с преподавателем измерение частоты вращения возможно произвести лазерным измерителем частоты).

· Включить автомат QF2 и убедиться в правильности подключения вольтметра.

(ЭДС определяется по вольтметру рV1, расположенному в измерительном блоке или, по согласованию с преподавателем, внешним электронным мультиметром). В случае, если стрелка pV1 упирается в ограничитель, необходимо изменить полярность его включения, перекоммутированием соединительных проводов.

· Снять значения n0, ω О и ЭДС якоря ДПТ М1;

Выставить следующее значение 1 (из ряда значений, представленных в табл. 6.1.) и занести показания приборов в таблицу 6.1. Данную процедуру продолжить до заполнения таблицы.

· После проведения данного опыта необходимо выключить автоматы QF2 и QF3, вывернуть ручку ЛАТРА против часовой стрелки до упора и нажать кнопку «Откл» на блоке БП №5.

· Отключить ИТ1 и ИТ2.

 

При расчете угловой скорости вращения ω [рад/с] в системе СИ учесть, что она связана с частотой вращения n [об/мин] в технической системе выражением:

ω = . (6.3)

 

 

Рис. 6.1 Схема определения зависимости СЕ=f(Iв1)

Таблица 6.1

Iв1 A 0,8 0,76 0,7 0,6 0,5 0,4 0,3 0,2
n0 об/мин                
ω0 рад/с                
Е В                
CE Вс                

 

Заполнить таблицу 6.1, рассчитав коэффициент пропорциональности для каждого значения тока возбуждения из выражения для углового скорости идеального холостого хода:

,

где Е - ЭДС ДПТ, ω0 - скорость идеального холостого хода ДПТ.


Построить график зависимости .

 

 







Date: 2015-07-24; view: 413; Нарушение авторских прав



mydocx.ru - 2015-2026 year. (0.322 sec.) Все материалы представленные на сайте исключительно с целью ознакомления читателями и не преследуют коммерческих целей или нарушение авторских прав - Пожаловаться на публикацию