Главная Случайная страница


Полезное:

Как сделать разговор полезным и приятным Как сделать объемную звезду своими руками Как сделать то, что делать не хочется? Как сделать погремушку Как сделать так чтобы женщины сами знакомились с вами Как сделать идею коммерческой Как сделать хорошую растяжку ног? Как сделать наш разум здоровым? Как сделать, чтобы люди обманывали меньше Вопрос 4. Как сделать так, чтобы вас уважали и ценили? Как сделать лучше себе и другим людям Как сделать свидание интересным?


Категории:

АрхитектураАстрономияБиологияГеографияГеологияИнформатикаИскусствоИсторияКулинарияКультураМаркетингМатематикаМедицинаМенеджментОхрана трудаПравоПроизводствоПсихологияРелигияСоциологияСпортТехникаФизикаФилософияХимияЭкологияЭкономикаЭлектроника






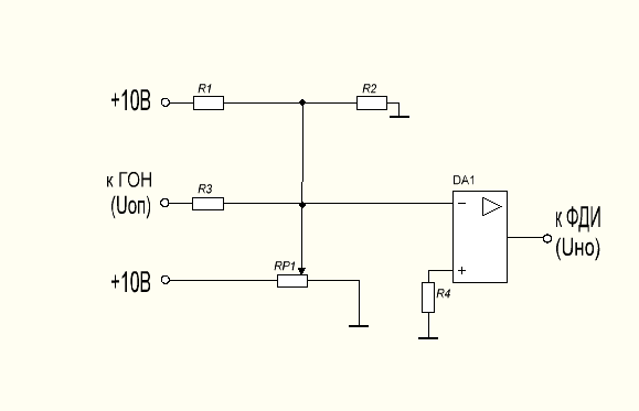
Проектирование нуль-органа





Принципиальная схема нуль-органа приведена на рисунке 4.3, в соответствии с этой схемой выбираются элементы, составляющие нуль-орган.

Рисунок 4.3 - Схема электрическая принципиальная нуль-органа.

Изм.
Лист
№ докум.
Подпись
Дата
Лист
   
КП 28П3к.08.00.00.000 ПЗ
Чтобы рассчитать сопротивления резисторов R1 и R2 необходимо знать величину напряжения смещения. Напряжение смещения выбирается таким образом, чтобы при напряжении управления равном нулю, угол открывания вентилей, а был равен начальному углу открыванияαнач, то есть соответствующему максимально возможному углу открывания в режиме непрерывного тока.

Нулевой потенциал в общей точке возможен при условии

Uу+Uсм+Uоп=0

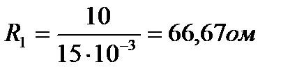
Принимаем Ucm =10В. Поскольку напряжения смещения попадает на вход операционного усилителя без ограничения тока, то общий ток через резисторы R1 и R2 не должен превышать входной ток операционного усилителя, а следовательно, общее сопротивление этих резисторов можно определить по формуле

 

(4.4)

 

где Uп - напряжение питания схемы, В.

 

Поставим значения в формулу (4.4)

 

 

Отношение напряжений UR1 и UR2на резисторах R1 и R2 будет равно отношению сопротивлений этих резисторов.

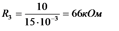
Аналогично, по формуле (4.5) определятся сопротивление переменного резистора RP1. Резистор R3 ограничивает входной ток операционного усилителя по цепи ГОН.

Зная максимальное напряжение на выходе ГОН, можно определить сопротивление этого, резистора по формуле

 

(4.5)

 

Поставим значения в формулу (4.5)

 

 

 

Исходя из схемы подключения операционного усилителя, выбираетсярезистор R4.

Резисторы R1и R2 марки МЛТ-0,125-5 кОм ±5%, потенциометр RP1марки СПУ 1- 1,5 Мом ±10%,выбираем резистор R3 марки МЛТ-0,125-68 кОм ±5%.В качестве операционного усилителя выбрана раннее микросхема К140УД5Л.

 

 

d HJsulIxpnIs150LlsWh0oRyx09JFiDv1MbAmI2FFF9gVOo1RRcTpKkMXx6YLpUQbulijC5WItKIL OGYG2UJ1hsixIxdBAEdFZZzThWyltfwlBCo/VPJAJ5aOh6ELQxcvPml6yGZEJRGcC12Is9Jw8lzI PvUpeX60XS/DtX6W/+pfAAAA//8DAFBLAwQUAAYACAAAACEAj8fwruEAAAAMAQAADwAAAGRycy9k b3ducmV2LnhtbEyPQUvDQBCF74L/YRnBm92k2tDGbEop6qkItoL0ts1Ok9DsbMhuk/TfOznpaeYx jzffy9ajbUSPna8dKYhnEQikwpmaSgXfh/enJQgfNBndOEIFN/Swzu/vMp0aN9AX9vtQCg4hn2oF VQhtKqUvKrTaz1yLxLez66wOLLtSmk4PHG4bOY+iRFpdE3+odIvbCovL/moVfAx62DzHb/3uct7e jofF588uRqUeH8bNK4iAY/gzw4TP6JAz08ldyXjRsI6WK7YqmE9zMsRJwmVOvCUviwRknsn/JfJf AAAA//8DAFBLAQItABQABgAIAAAAIQC2gziS/gAAAOEBAAATAAAAAAAAAAAAAAAAAAAAAABbQ29u dGVudF9UeXBlc10ueG1sUEsBAi0AFAAGAAgAAAAhADj9If/WAAAAlAEAAAsAAAAAAAAAAAAAAAAA LwEAAF9yZWxzLy5yZWxzUEsBAi0AFAAGAAgAAAAhAE5poQAyBgAAE0AAAA4AAAAAAAAAAAAAAAAA LgIAAGRycy9lMm9Eb2MueG1sUEsBAi0AFAAGAAgAAAAhAI/H8K7hAAAADAEAAA8AAAAAAAAAAAAA AAAAjAgAAGRycy9kb3ducmV2LnhtbFBLBQYAAAAABAAEAPMAAACaCQAAAAA= ">

Изм.
Лист
№ докум.
Подпись
Дата
Лист
   
КП 28П3к.08.00.00.000 ПЗ
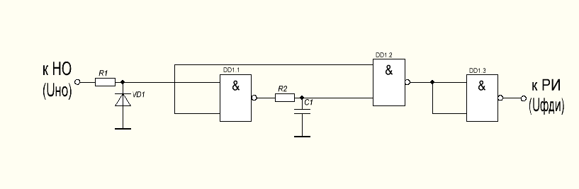
4.4 Проектирование формирователя длительности импульсов

Принципиальная схема формирователя длительности импульсов приведена на рисунке 4.4, в соответствии с этой схемой производится расчет и выбор элементов формирователя длительности импульсов.

Изм.
Лист
№ докум.
Подпись
Дата
Лист
   
КП 28П3к.08.00.00.000 ПЗ

Рисунок 4.4 - Схема электрическая принципиальная формирователя длительности импульсов.

Для реализации логических элементов берется ранее выбранная микросхема. Резистор R1 ограничивает входной ток логического элемента на допустимом уровне, его сопротивление определяется по формуле

 

(4.6)

 

 

Изм.
Лист
№ докум.
Подпись
Дата
Лист
   
КП 28П3к.08.00.00.000 ПЗ
Поставим значения в формулу (4.6)

 

 

Диод VD1 необходим для отсечки отрицательной полуволны прямоугольного напряжения, поступающего на логические элементы. Выбирается диод, имеющий максимальное; обратное напряжение и номинальный прямой ток.

Резистор R1 и конденсатор С1 времязадающую цепочку, которая определяет длительность открывающего импульса. Длительность открывающего импульса берется из паспортных данных и задается емкость конденсатора, после чего рассчитывается сопротивление резистора R2 по формуле (4.2).

Для реализации логических элементов берем раннее выбранную микросхему серии К561ЛА7 и К561ЛА10, выбираем резистор R1 марки МЛТ-0,125-10 Ом ±5%


Диод марки D223 выбираем с параметрами: постоянное прямое напряжения 1В, постоянный обратный ток 1 мкА, средне выпрямленный ток 50 мкА, конденсатор С1 марки К 7363-1мкф ±10%.

 







Date: 2015-07-22; view: 849; Нарушение авторских прав



mydocx.ru - 2015-2026 year. (0.463 sec.) Все материалы представленные на сайте исключительно с целью ознакомления читателями и не преследуют коммерческих целей или нарушение авторских прав - Пожаловаться на публикацию