Главная Случайная страница


Полезное:

Как сделать разговор полезным и приятным Как сделать объемную звезду своими руками Как сделать то, что делать не хочется? Как сделать погремушку Как сделать так чтобы женщины сами знакомились с вами Как сделать идею коммерческой Как сделать хорошую растяжку ног? Как сделать наш разум здоровым? Как сделать, чтобы люди обманывали меньше Вопрос 4. Как сделать так, чтобы вас уважали и ценили? Как сделать лучше себе и другим людям Как сделать свидание интересным?


Категории:

АрхитектураАстрономияБиологияГеографияГеологияИнформатикаИскусствоИсторияКулинарияКультураМаркетингМатематикаМедицинаМенеджментОхрана трудаПравоПроизводствоПсихологияРелигияСоциологияСпортТехникаФизикаФилософияХимияЭкологияЭкономикаЭлектроника






Ведомый вал





Для ведомого вала определяем те же величины, что и для ведущего. Определяют диаметр хвостовика вала из расчёта на кручение:

Теперь определим крутящий момент муфты в зависимости от крутящего момента на валу:

По величине крутящего момента и по диаметру хвостовика выбираем муфту М12 с размерами:

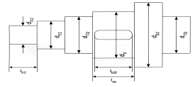
Эскиз ведомого вала представлен на рис.4.2.

 

Рис. 4.2. Эскиз ведомого вала редуктора

 

Для удобства монтажа деталей, располагаемых на валу, вал выполняют ступенчатым, причем диаметры ступеней выбирают из конструктивных соображений.

Назначают диаметры под уплотнение:

По диаметру под уплотнение можно выбрать манжеты: ГОСТ 8752-79. Размеры:

диаметр под подшипники качения, причем при должен быть кратным 5:

После определения диаметра под подшипники можно выбрать сам подшипник: ГОСТ 831-75 легкая серия, обозначение 36210,

диаметр под зубчатое колесо:

диаметр упорных буртиков:

 







Date: 2015-07-02; view: 497; Нарушение авторских прав



mydocx.ru - 2015-2026 year. (2.706 sec.) Все материалы представленные на сайте исключительно с целью ознакомления читателями и не преследуют коммерческих целей или нарушение авторских прав - Пожаловаться на публикацию