Главная Случайная страница


Полезное:

Как сделать разговор полезным и приятным Как сделать объемную звезду своими руками Как сделать то, что делать не хочется? Как сделать погремушку Как сделать так чтобы женщины сами знакомились с вами Как сделать идею коммерческой Как сделать хорошую растяжку ног? Как сделать наш разум здоровым? Как сделать, чтобы люди обманывали меньше Вопрос 4. Как сделать так, чтобы вас уважали и ценили? Как сделать лучше себе и другим людям Как сделать свидание интересным?


Категории:

АрхитектураАстрономияБиологияГеографияГеологияИнформатикаИскусствоИсторияКулинарияКультураМаркетингМатематикаМедицинаМенеджментОхрана трудаПравоПроизводствоПсихологияРелигияСоциологияСпортТехникаФизикаФилософияХимияЭкологияЭкономикаЭлектроника






Механизмы и узлы магистрали высокого давления. К приборам питания магистрали высокого давления дизе­лей относятся топливный насос высокого давления





К приборам питания магистрали высокого давления дизе­лей относятся топливный насос высокого давления, форсунки и топливопроводы.

Топливный насос высокого давления служит для точного дози­рования топлива и подачи его в определенный момент под вы­соким давлением к форсункам. Наибольшее распространение на автомобильных дизелях получили многосекционные насосы с постоянным ходом плунжера и регулировкой конца подачи топ­лива. По расположению секций насосы делятся на рядные и V-образные. Каждая секция топливного насоса обеспечивает ра­боту одного из цилиндров двигателя, поэтому число секций топ­ливного насоса определяется числом его цилиндров.

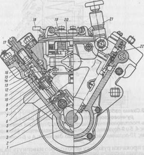
Рис.8.7.Топливный насос высокого давления с V-образным расположением секций

На дизелях семейства КАМАЗ устанавливают V-образные насосы высокого давления. Они располагаются в развале бло­ка цилиндров и приводятся в действие от шестерен газораспре­деления через шестерню привода. В корпусе 1 насоса (рис. 8.7) установлен механизм 20 поворота плунжеров, соединенный с правой и левой рейками, которые действуют на плунжеры на­гнетательных секций, расположенных в два ряда. В каждом ряду расположено по четыре нагнетательных секции, давление впрыскивания которых составляет 18 мПа. Секции насоса рас­положены под углом 75°, что повышает жесткость кулачково­го вала за счет уменьшения его длины, позволяет увеличить давление впрыскивания и повысить работоспособность плун­жерных пар.

Каждая секция насоса состоит из корпуса 15, гильзы 14 с плунжером 9, поворотной втулки 6, нагнетательного клапана 17, прижатого штуцером к гильзе плунжера через ушютнителъ-ную прокладку 16. Положение гильзы 14 относительно корпу­са 15 фиксируется штифтом 12. В нижней части гильза и корпус уплотняются прокладками 10 и 11.

Топливные секции насоса плунжерного типа с постоянным ходом плунжера. Плунжер приводится в движение от кулачко­вого вала насоса через ролик 2 толкателя, ось которого кре­пится в сухаре 3. Пружина 7 толкателя в верхней части упира­ется в шайбу 8, а через тарелку 5 постоянно прижимает ролик 2 к кулачку. Толкатель от поворота фиксируется сухарем 3, выс­туп которого входит в паз корпуса насоса.

Начало подачи топлива регулируется установкой пяты 4 оп­ределенной толщины. При установке пяты большей толщины топливо будет подаваться раньше, меньшей толщины - позднее. Чтобы изменить количество подаваемого топлива плунжер 9 поворачивается относительно гильзы 14 при помощи рейки 13 насоса, которая связана с поворотной втулкой 6.

Управление подачей топлива осуществляется из кабины во­дителя педалью, воздействующей с помощью тяг и рычага 18 на всережимный регулятор 19 частоты вращения коленчатого вала, расположенный в развале топливного насоса. На крышке регулятора 19 закреплен топливный насос 22 низкого давления и насос 21 ручной подкачки топлива.

Работа насоса высокого давления плунжерного типа состо­ит из наполнения надплунжерного пространства топливом с частичным его перепуском, подачи топлива под высоким дав­лением к форсункам, отсечки и перепуска его в сливной трубо­провод. При работе двигателя рейка топливного насоса перемещается в соответствии с изменением подачи топлива, при этом одновременно поворачиваются плунжеры всех секций.


 

 

Рис. 8.8. Схема работы секции топливного насоса высокого

давления:

а-впуск (всасывание); б-начало подачи; в-конец подачи

В виду того, что все секции насосов высокого давления ра­ботают одинаково и в этом смысле различные насосы конст­руктивно принципиально не отличаются, рассмотрим работу насоса на примере одной из секции.

При движении плунжера 1 (рис. 8.8) вниз внутреннее про­странство гильзы 12 наполняется топливом, и одновременно оно подается насосом низкого давления в подводящий канал 10 корпуса 11 насоса. При этом открывается впускное отверстие 9, и топливо поступает в надплунжерное пространство 8. Затем под действием кулачка плунжер начинает подниматься вверх (рис. 8.8,6), перепуская топливо обратно в подводящий канал 10 до тех пор, пока верхняя кромка плунжера 1 не перекроет впускное отверстие 9 гильзы. После перекрытия этого отвер­стия давление топлива резко возрастает и при 1,2-1,8 мПа топ­ливо, преодолевая усилие пружины 5, поднимает нагнетатель­ный клапан 6 и поступает в топливопровод.

Дальнейшее перемещение плунжера вверх вызывает повы­шение давления до 17 мПа, превышающее давление, создава­емое пружиной форсунки, в результате чего игла форсунки приподнимается и происходит впрыскивание топлива в ка-


меру сгорания. Подача топлива продолжается до тех пор, пока винтовая кромка 13 (рис. 8.8,в) плунжера не откроет выпускное отверстие 3 в гильзе, в результате чего давление над плунжером резко падает, нагнетательный клапан 6 под действием пружины закрывается и надплунжерное простран­ство разъединяется с топливопроводом высокого давления. При дальнейшем движении плунжера вверх топливо перете­кает в сливной канал 4 через продольный паз 2 и винтовую кромку 13 плунжера.

Нагнетательный клапан 6 разгружает топливопровод высо­кого давления, так как он снабжен цилиндрическим разгрузоч­ным пояском 7, который при посадке клапана на седло обеспе­чивает увеличение объема топливопровода примерно на 70-80 мм3. Этим достигается резкое прекращение впрыскивания топ­лива и устраняется возможность его подтекания через распы­литель форсунки, что улучшает процесс смесеобразования и сгорания рабочей смеси, а также повышает надежность работы форсунки.

Перемещение плунжера во втулке с момента закрытия впус­кного отверстия до момента открытия выпускного отверстия называется активным ходом плунжера, который в основном и определяет количество подаваемого топлива за цикл работы топливной секции.

Рис.8.9. Схема изменения подачи топлива

Изменение количества топлива, подаваемого секцией за один цикл, происходит в результате поворота плунжера 1 зубчатой рейкой. При различных углах поворота плунжера благодаря винтовой кромке смещаются моменты открытия выпускного отверстия. При этом, чем позднее открывается выпускное от­верстие, тем большее количество топлива может быть подано к форсункам.

На рис. 8.9 показаны следующие положения винтовой кром­ки плунжера за цикл работы топливной секции:

- положение А - максимальная подача топлива и наибольший активный ход плунжера 1. В этом случае расстояние h от винтовой кромки 5 плунжера до выпускного отверстия 2 будет наибольшим;

- положение Б - промежуточная подача, так как при пово­роте плунжера по часовой стрелке расстояние h уменьшается и выпускное отверстие открывается раньше;

- положение В - нулевая подача топлива. Плунжер повёрнут так, что его продольный паз 3 расположен против выпускного отверстия 2 (h=0), в результате чего при перемещении плунжера вверх топливо вытесняется в выпускной канал, подача топ­лива прекращается и двигатель останавливается.

Автоматическая муфта опережения впрыскивания топлива изменяет начало подачи топлива в зависимости от частоты вра­щения коленчатого вала двигателя. Применение муфты обеспе­чивает оптимальное для рабочего процесса начало подачи топ­лива по всему диапазону скоростных режимов. Этим обеспечи­вается экономичность и приемлемая жесткость процесса при раз­личных скоростных режимах работы двигателя.

Ведомая полумуфта 13 (рис.8.10) закреплена на конической поверхности переднего конца кулачкового вала топливного насоса шпонкой и гайкой с шайбой, ведущая полумуфта 1 - на ступице ведомой (может поворачиваться на ней). Между сту­пицей и полумуфтой установлена втулка 3. Грузы 11 качаются на осях 16, запрессованных в ведомую полумуфту, в плоскости, перпендикулярной оси вращения муфты. Проставка 12 ведущей полумуфты упирается одним концом в палец груза, другим - в профильный выступ. Пружина 8 стремится удержать груз на упоре во втулку 3 ведущей полумуфты.


При увеличении частоты вращения коленчатого вала грузы под действием центробежных сил расходятся, вследствие чего ведомая полумуфта поворачивается относительно ведущей в направлении вращения кулачкового вала, что вызывает увели­чение угла опережения впрыскивания топлива. При уменьше­нии частоты вращения коленчатого вала грузы под действием пружин сходятся, ведомая полумуфта поворачивается вместе с валом насоса в сторону, противоположную направлению вра­щения вала, что вызывает уменьшение угла опережения впрыс­кивания топлива

 

 

 

 

Рис8.10. Автоматическая муфта опережения впрыскивания топлива

1-полумуфта ведущая; 2 и 4-манжеты; 3-втулка ведущей полумуфты; 5-корпус; 6-регулировочные прокладки; 7-стакан пружины; 8-пружина; 9 и 15-шайбы; 10-кольцо; 11- груз с пальцем; 12-проставка с осью; 13-полу-муфта ведомая; 14-копьцо уплотнительное; 16-ось грузов

Форсунки. Для впрыскивания и распыливания топлива, а также для распределения его частиц по объему камеры сгора­ния служит форсунка. Основным конструктивным элементом форсунки является распылитель, имеющий одно или несколь­ко выходных (сопловых) отверстий, формирующих факел впрыскиваемого топлива. Существуют форсунки открытого и закрытого типа. В четырехтактных дизелях применяют форсун­ки закрытого типа, сопловые отверстия которых закрываются запорной иглой, поэтому внутренняя полость в корпусе распы­лителей форсунок сообщается с камерой сгорания только в пе­риод впрыскивания топлива.

Форсунки закрытого типа по конструкции запорного уст­ройства распылителей делятся на бесштифтовые и штифтовые. У бесштифтовых форсунок (рис. 8.11) конец запорной иглы 2 представляет собой конус, отделяющий сопловые отверстия от топливопровода высокого давления.

Распылители 1 таких форсунок обычно имеют несколько со­пловых отверстий, расположение которых зависит от формы камеры сгорания. Бесштифтовые форсунки с несколькими со­пловыми отверстиями устанавливаются обычно на дизелях с неразделенными камерами сгорания (ЯМЗ, КАМАЗ и др.), где недостаточное вихревое движение воздуха восполняется хоро­шим распыливанием топлива форсункой.

Рис. 8.11. Форсунка дизеля ЯМЗ (а); типы распылителей (6 и в) и схема работы форсунки (г)

У штифтовых форсунок (рис. 8.11, б) на конце запорной иглы 2 имеется фасонный штифт, входящий в сопловое отвер­стие распылителя 1, что придает струе распыленного топлива конусообразность и строго определенную направленность. Та­кие форсунки чаще применяются на дизелях с разделенной ка­мерой сгорания.

На дизелях КАМАЗ-740 применяются форсунки закрытого типа с гидравлическим подъемом иглы и фиксированным распылите­лем. Все детали форсунки собраны в корпусе 6 (рис. 8.12). К ниж­нему торцу корпуса форсунки гайкой 2 присоединены проставки 3 и корпус 1 распылителя, внутри которого находится игла 14. Корпус и игла распылителя составляют прецизионную пару (индиви­дуально и с высокой точностью подобранные). Распылитель име­ет четыре сопловых отверстия. Проставка 3 и корпус 1 зафиксиро­ваны относительно корпуса 6 штифтами 4. Пружина 13 одним кон­цом упирается в штангу 5, которая передает усилие на иглу распы­лителя, другим - в набор регулировочных шайб 11.


Топливо к форсунке подается под высоким давлением через штуцер 8, в котором установлен сетчатый фильтр 9. Далее по

каналам корпуса 6, проставки 3 и корпуса 1 распылителя топ­ливо поступает в полость меж­ду корпусом распылителя и иг­лой 14 и, отжимая её, впрыски­вается в цилиндр. Просочив­шееся через зазор между иглой и корпусом распылителя топ­ливо отводится через каналы в корпусе форсунки. Форсунка установлена в головке цилин­дра и закреплена скобой. То­рец гайки распылителя уплот­нен от прорыва газов гофриро­ванной шайбой. Уплотнительное кольцо 7 предохраняет по­лость между форсункой и го­ловкой цилиндров от попада­ния пыли и воды.

Топливопроводы подразде­ляются на топливопроводы низкого давления - 0,4-2 мПа и высокого давления - более 2 мПа. Топливопроводы вы­сокого давления изготовлены из стальных трубок, концы которых выполнены конусо-

образными, прижаты накид­ными гайками через шайбы к конусным гнездам штуцеров топливного насоса и форсу­нок. Во избежание поломок от вибрации топливопроводы закреплены скобами и крон­штейнами

 

 

Рис.8.12.Форсунка дизеля КАМАЗ-740:

1-корпус распылителя; 2-гайка рас­пылителя; 3-проставка; 4-установоч-ные штифты; 5-штанга; 6-корпус; 7-уплотнительное кольцо; 8-штуцер; 9-фильтр; 10-уплотнительная втулка; 11 и 12-регулировочные шайбы; 13-пружина; 14-игла распылителя

 







Date: 2015-07-01; view: 678; Нарушение авторских прав



mydocx.ru - 2015-2026 year. (0.693 sec.) Все материалы представленные на сайте исключительно с целью ознакомления читателями и не преследуют коммерческих целей или нарушение авторских прав - Пожаловаться на публикацию