Главная Случайная страница


Полезное:

Как сделать разговор полезным и приятным Как сделать объемную звезду своими руками Как сделать то, что делать не хочется? Как сделать погремушку Как сделать так чтобы женщины сами знакомились с вами Как сделать идею коммерческой Как сделать хорошую растяжку ног? Как сделать наш разум здоровым? Как сделать, чтобы люди обманывали меньше Вопрос 4. Как сделать так, чтобы вас уважали и ценили? Как сделать лучше себе и другим людям Как сделать свидание интересным?


Категории:

АрхитектураАстрономияБиологияГеографияГеологияИнформатикаИскусствоИсторияКулинарияКультураМаркетингМатематикаМедицинаМенеджментОхрана трудаПравоПроизводствоПсихологияРелигияСоциологияСпортТехникаФизикаФилософияХимияЭкологияЭкономикаЭлектроника






Саратов 2006





Саратовский государственный технический университет

КВАНТОВАЯ ФИЗИКА 1

Методические указания

К лабораторным работам по физике

Для студентов всех специальностей

Саратов 2006

Настоящие методические указания представляют описание четырех лабораторных работ нового физического практикума кафедры прикладной физики:

«ОПРЕДЕЛЕНИЕ РЕЗОНАНСНОГО ПОТЕНЦИАЛА МЕТОДОМ ФРАНКА И ГЕРЦА»,

«ИЗЛУЧЕНИЕ АБСОЛЮТНО ЧЕРНОГО ТЕЛА»,

«ЭФФЕКТ ХОЛЛА В ПОЛУПРОВОДНИКАХ»,

«изучениЕ нестабильных элементов
(СЦИНТИЛЛЯЦИОННЫЙ СЧЕТЧИК)»

 

Каждое описание состоит из следующих разделов:

- цель работы,

- основные теоретические положения,

- экспериментальная установка и методика измерений,

- порядок выполнения работы и обработка результатов эксперимента.

Для расчета погрешностей используется материал приложения.


Лабораторная работа № 1

ОПРЕДЕЛЕНИЕ РЕЗОНАНСНОГО ПОТЕНЦИАЛА
МЕТОДОМ ФРАНКА И ГЕРЦА

Цель работы: снятие сеточной характеристики лампы, нахождение пер­во­го потенциала возбуждения для атома криптона.

Основные теоретические положения

Атомом называется наименьшая частица хи­мического элемента, об­ла­да­ющая его хи­ми­чес­кими свойствами. Атом состоит из по­ло­жи­тельно заряженного ядра и электронов, дви­жу­щих­ся в его кулоновском поле. Характерный размер атома составляет величину da ~ 10–8 см, тогда как характерный размер ядра dя ~ 10 –12 ¸10 –13 см. Заряд ядра равен суммарному заряду его элект­ро­нов. Простейшим атомом является атом водорода, у которого в поле ядра, состоящего из одного протона, движется один электрон. Во­до­ро­до­по­добными атомами являются ионы He +, Li ++, Be +++, то есть атомы, иони­зи­ро­ванные один, два, три раза и так далее.

Вся совокупность экспериментальных данных приводит к заключению, что энергия электрона, связанного в атоме, а, следовательно, и энергия атома в целом, не произвольна. Она может иметь лишь определенный дискретный ряд значений E0, E1, E2, E3… E n …, называемых уровнями энергии. Этот набор разрешенных значений энергии электронов в атоме называется энергетическим спектром атома. Каждому из этих дозволенных значений энергии E i, соответствует одно или несколько устойчивых состояний движения. Самый нижний уровень энергии E0, при котором энергия атома – наименьшая, называется основным уровнем. Остальные уровни E1, E2, E3… E n … соответствуют более высокой энергии атома и называются возбужденными.

Однако такой вывод находится в противоречии с представлениями классической физики, согласно которым движущаяся с ускорением заряженная частица должна непрерывно излучать энергию в виде электромагнитной волны. Для объяснения имеющихся экспериментальных данных Н. Бор сформулировал два постулата.

Первый постулат. Электроны могут двигаться в атоме только по оп­ределенным орбитам, движение по которым не сопровождается излучением. Такие орбиты называются стационарными и определяются условием:

, n = 1, 2, 3,…, (1.1)

где – момент импульса электрона на этой орбите, целое число n называется главным квантовым числом, , – постоянная Планка. В случае круговой орбиты , где – масса электрона, и – радиус и скорость электрона на n -ой орбите. Уравнение (1.1) выражает правило квантования орбит.

Второй постулат. При переходе атома из стационарного состояния с большей энергией в стационарное состояние с меньшей энергией происходит излучение кванта света (фотона) с энергией :

. (1.2)

Такое же соотношение выполняется в случае поглощения, когда падающий фотон переводит атом с низшего энергетического уровня на более высокий , а сам исчезает.

Возбужденное состояние является неустойчивым, электрон в течение времени ~ 10-7 с возвращается обратно на свою прежнюю орбиту. Атом переходит в пре­ж­нее стационарное состояние, а излишек энергии излучается в про­с­т­ран­ство в виде монохроматического излучения, то есть какой-то спек­т­ра­ль­ной линии.

Таким образом, излучение, поглощаемое или испускаемое атомом при переходе из одного состояния в другое, монохроматично и определяется правилом частот Бора (1.2). Следовательно, спектр поглощения или излучения вещества, то есть набор частот электромагнитных волн, излучаемых или поглощаемых его атомами, тесно связан с энергетическим спектром атомов.

Для каждого перехода электрона излучается своя спектральная линия. Таким образом, спектр такого излучения представляет собой отдельные линии, каждая из которых соответствует определенным излучениям.


Формула (1.2) выражает закон сохранения энергии при элементарных актах излучения или поглощения фотонов атомами.

Процесс перевода электрона в атоме из основного состояния на одну из внешних орбит называется возбуждением атома. Возбуждение может быть вызвано различными способами: нагреванием до высокой тем­пе­ра­ту­ры, неупругим столкновением атома с быстрым свободным электроном и другими.

Постулат Бора о существовании стационарных состояний атомов и правило частот нашли свое экспериментальное подтверждение в опытах Франка и Герца. В опытах Франка и Герца методом задерживающего потенциала изучались столкновения электронов с атомами газов. Идея опы­тов заключалась в следующем. Если атомы каким-то путем получают энергию, например в результате столкновения с электронами при бомбардировке вещества электронным пучком, то поглощение энергии должно происходить как раз такими порциями, которые соответствуют энергиям возбуждения атома.

Рассмотрим прохождение свободных электронов через атомарный газ. При прохождении через газ электроны сталкиваются с атомами газа. Столкновения, не сопровождающиеся изменением внутренней энергии атомов, называются упругими. Кинетическая энергия электрона при упругом столкновении практически не меняется.

Столкновения, в результате которых внутренняя энергия атома и кинетическая энергия электрона изменяются, называются неупругими. Неупругие столкновения бывают двух родов. При неупругом столкновении первого рода электрон отдает часть своей энергии на возбуждение атома. Это столкновение может, в частности, привести к ионизации, то есть к отрыву от атома одного или нескольких электронов. Кинетическая энергия электрона при неупругом столкновении первого рода значительно уменьшается. Неупругие столкновения второго рода могут происходить только между электроном и атомом в возбужденном состоянии, и здесь рассматриваться не будут.

Как отмечалось выше при неупругих столкновениях первого рода между электроном и атомом происходит передача энергии от электрона к атому. Электрон может иметь любую кинетическую энергию. Если внутренняя энергия атома изменяется непрерывно, то при столкновениях электронов с атомами передается любая порция энергии, совместимая с законом сохранения.

Если состояния атомных систем дискретны, то внутренняя энергия атомов при столкновении изменяется лишь на конечные значения, равные разности энергий атома в стационарных состояниях. Измеряя энергии, передаваемые электроном атому при столкновении, можно сделать заключение о разности энергий соответствующих состояний атома.

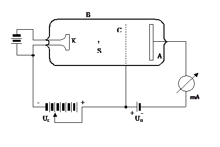
Принципиальная схема эксперимента показана на рис.1.1.

Баллон лампы В наполнен парами ртути при низком давлении. Горячий катод К испускает электроны. Перед анодом А ставится электрод С (сетка). Разность потенциалов между анодом и катодом может быть любой. На анод подается потенциал, слегка отрица­тельный по отношению к сетке, например 0,5 В. Расположение электро­дов и давление газа подо­браны так, что между сет­кой С и анодом А соударе­ний почти нет, соударения между электронами, испу­скаемыми катодом и ато­мами газа, происходят в пространстве между като­дом К и сеткой С. Если соударения упругие, электроны не теряют энергию и достигают анода. При неупругих соударениях электроны теряют энергию и оседают на сетке.


Таким образом, назначение сетки С заключается в том, чтобы вылавливать электроны, которые потеряли свою энергию вследствие неупругих соударений с атомами газа.

Опыт проводился следующим образом. Сначала подают на сетку потенциал, равный катоду; затем потенциал Uc увеличи­вают, тем самым разгоняя вылетающие с катода электроны (кинетическая энергия электронов возрастает). Электроны, вылетающие с катода, ускоряются и подлетают к сетке С c энергией . Пройдя сетку, электроны попадут в пространство между сеткой С и анодом А, где поле очень мало и скорость движе­ния электронов v будет практически постоянной. Если энер­гия электронов на пути от катода к сетке не меняется, то все электроны пролетят сетку и достигнут анода, и по мере увеличения напряжения Uс величина анодного тока Iа возрастает (рис. 1.2).

Участок кривой Оа ­– обычная вольтамперная ха­ра­к­теристика термоэлектронных приборов. Так будет обстоять дело до тех пор, по­ка разность потенциалов между катодом и сеткой не достигнет определен­ной величины 4,9 В. При таком значении ускоряющего потенциала анодный ток резко убывает (участок кривой аb), а затем опять при дальнейшем увеличении напряжения на­чи­нает возрастать до потенциала 9,8 В (участок кривой bc).

Таким образом, кривая состоит из ост­рых максимумов, от­стоящих друг от друга на расстоянии 4,9 В (для ртути). Такой вид кривой говорит о том, что до тех пор, пока энергия электрона не достигла 4,9 эВ, элек­трон ис­пы­тывает с ато­мами ртути упругие столкновения, не те­ряет энергию и дости­гает анода — ток в цепи анода растет. При потенциале в 4,9 В стол­к­но­ве­ния электрона с атомами ртути становятся неупругими и электрон отдает при соуда­рении атому ртути всю свою энергию. Такие потерявшие свою энергию электроны уже не смогут пролететь сетку С (она их притянет, так как кинетическая энергия электронов очень незначительна) и не достигнут анода, что дает резкое падение анодного то­ка. Если же энергия заметно превосходит 4,9 эВ, то такие электроны, поте­ряв часть своей энергии при неупругом ударе, все же обладают достаточ­ной энергией, чтобы преодолеть потен­циал сетки и долететь до анода.

При энер­гии электронов, равной 9,8 эВ; 14,7 эВ; … электроны претерпевают не­уп­ру­гие соударения дважды и трижды, что дает второй и третий максимумы. Та­ким образом, для атомов ртути энергия в 4,9 эВ имеет особое значение. Мень­шую или большую (не кратную 4,9 эВ) энергию атомы ртути не воспри­нимают, то есть атом ртути может обладать не любым запасом энергии, а только избранным. Такой ход кривой и доказывает существование дискрет­ных уровней энергии в атоме. Если E0 — запас энергии «не­воз­буж­ден­ного» атома ртути, то следующее возможное значение энергии атома бу­дет E0 + 4,9 эВ. Уско­ряющий потенциал 4,9 В называется первым потенциалом возбуждения.


Как показали опыты, при неупругих ударах газ или пары металла начинают светиться и излучать в пространство совер­шенно определенные для данного газа спектральные линии с частотой n, которая связана с энергией электрона и с потенциалом возбуждения U следующим соотношением: , где е – заряд электрона.

Для ртути величина первого потенциала возбуждения 4,9 В. Длина волны, которая соответствует данному потен­циалу и наблюдается в спектре ртути, l = 253,7 нм. Квант энергии, который соответствует данной длине волны l, равен: .







Date: 2015-05-19; view: 574; Нарушение авторских прав



mydocx.ru - 2015-2026 year. (1.481 sec.) Все материалы представленные на сайте исключительно с целью ознакомления читателями и не преследуют коммерческих целей или нарушение авторских прав - Пожаловаться на публикацию