Главная Случайная страница


Полезное:

Как сделать разговор полезным и приятным Как сделать объемную звезду своими руками Как сделать то, что делать не хочется? Как сделать погремушку Как сделать так чтобы женщины сами знакомились с вами Как сделать идею коммерческой Как сделать хорошую растяжку ног? Как сделать наш разум здоровым? Как сделать, чтобы люди обманывали меньше Вопрос 4. Как сделать так, чтобы вас уважали и ценили? Как сделать лучше себе и другим людям Как сделать свидание интересным?


Категории:

АрхитектураАстрономияБиологияГеографияГеологияИнформатикаИскусствоИсторияКулинарияКультураМаркетингМатематикаМедицинаМенеджментОхрана трудаПравоПроизводствоПсихологияРелигияСоциологияСпортТехникаФизикаФилософияХимияЭкологияЭкономикаЭлектроника






Трансформаторные двухтактные ПН





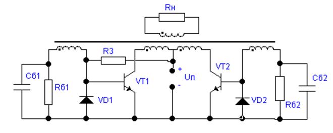
Двухтактный ПН с самовозбуждением охваченный трансформаторной положительной ОС

При включении питания VT1 приоткрывается, через его половину коллекторной обмотки начинает протекать ток, индуцирующий в его базовой обмотке отпирающее VT1 напряжение. Возникший лавинообразный процесс полностью отпирает VT1, VT2 при этом заперт напряжением на его базовой обмотке. По мере насыщения сердечника, индукция в нем перестает нарастать, что вызывает изменение полярности напряжения на базовой обмотке VT2, который теперь отпирается и запирает VT1.

Частота переключения определяется главным образом параметрами трансформатора. При уменьшении сопротивления нагрузки, а значит, при увеличении потребляемой мощности частота уменьшается, что в свою очередь приводит к уменьшению выходной мощности (это недостаток).

Преобразователи с независимым возбуждением

VD3 предназначен для обеспечения цепи разряда энергии дросселя через нагрузку.

 

 

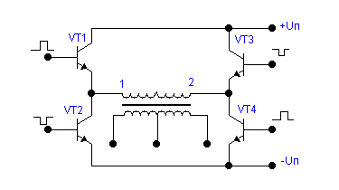
Мостовая схема

Когда открыты VT1 и VT4 (VT2, VT3 – закрыты) ток протекает по цепи (+Uп) – VT1 – 1 – 2 – VT4 –

(-Uп).

При открытых VT3, VT2 (VT1, VT4 –закрыты) ток протекает по цепи (+Uп) – VT3 – 2 – 1 –VT2 – (-Uп).

Перемагничивание сердечника осуществляется по полной петле гистерезиса.

 

Полумостовая схема

1) (+Uп) – VT1 – 1 – 2 – С2 –

(-Uп).

 

2) (+Uп) – С1 – 2 – 1 –VT2 – (-Uп).

 

 

Однотактный преобразователь с прямым включением диода (ОПНП)

 

Ток в нагрузку протекает в то время, когда VT открыт. Дополнительная обмотка и VD1 предназначены для размагничивания сердечника, когда VT закрыт.

 

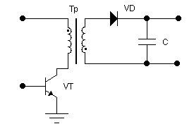
Однотактный преобразователь с обратным включением диода (ОПНО)

Когда VT открыт – энергия запасается в трансформаторе, а на вторичной обмотке напряжение запирает VD.

Когда VT закрывается, ЭДС Ленца, препятствующая уменьшению тока, прикладывается к диоду в прямом направлении и через нагрузку протекает ток.

 

Достоинство схемы – не боится к.з.

 

 







Date: 2015-05-09; view: 730; Нарушение авторских прав



mydocx.ru - 2015-2026 year. (0.947 sec.) Все материалы представленные на сайте исключительно с целью ознакомления читателями и не преследуют коммерческих целей или нарушение авторских прав - Пожаловаться на публикацию