Главная Случайная страница


Полезное:

Как сделать разговор полезным и приятным Как сделать объемную звезду своими руками Как сделать то, что делать не хочется? Как сделать погремушку Как сделать так чтобы женщины сами знакомились с вами Как сделать идею коммерческой Как сделать хорошую растяжку ног? Как сделать наш разум здоровым? Как сделать, чтобы люди обманывали меньше Вопрос 4. Как сделать так, чтобы вас уважали и ценили? Как сделать лучше себе и другим людям Как сделать свидание интересным?


Категории:

АрхитектураАстрономияБиологияГеографияГеологияИнформатикаИскусствоИсторияКулинарияКультураМаркетингМатематикаМедицинаМенеджментОхрана трудаПравоПроизводствоПсихологияРелигияСоциологияСпортТехникаФизикаФилософияХимияЭкологияЭкономикаЭлектроника






Расчет фильтров





Фильтры Салена и Кея (УНИН).

УНИН– управляемый напряжением источник напряжения. В схемах Салена и Кея операционный усилитель используется как УНИН. Схемы активных фильтров пропускания нижних и верхних частот Салллена и Кея второго порядка показаны на рисунке.

Фильтр нижних частотФильтр верхних частот

Эти схемы популярны и недороги, и их легко настраивать. Схемы содержат по две RC-цепи, каждая из которых вносит 6 дб/октава в наклон характеристики на переходном участке. Сопротивления и определяют коэффициент затухания.

 

Расчет ФНЧ с равными компонентами (на примере фильтра Чебышева 0,5дБ 2-го порядка).

Дано:

Расчет:

 

Расчет ФВЧ с равными компонентами (на примере фильтра Бесселя).

Дано:

Расчет:

Настройка: оба фильтра (верхних и нижних частот) Салена и Кея настраиваются следующим образом:

  1. Величина устанавливается совместным изменением и или и .
  2. Величина устанавливается изменением .

 

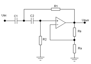
Полосовой фильтр с параллельной ОС

Схема может содержать резистор (регулируемый коэффициент передачи). Если резистор в схеме отсутствует -

коэффициент передачи нерегулируемый. Часть характеристики, соответствующая фильтру пропускания нижних частот, формируется с помощью цепи , а часть, соответствующая фильтру пропускания верхних частот, - с помощью цепи. Такая обратная связь обеспечивает положение максимума характеристики вблизи частоты .

 

Для этого фильтра добротность .

R4=R3

Расчет фильтра с параллельной обратной связью и нерегулируемым

Дано:


Расчет:

 

Расчет фильтра с параллельной обратной связью и регулируемым

Дано:


Расчет:

Настройка:

1. fo устанавливается с помощью одновременного изменения С1, С2 или R1, R3;

2. Q устанавливается с помощью изменения величины R3/R1 причем R1·R3=const;

3. коэффициент передачи Кп в полосе пропускания устанавливается с помощью R2.

Недостатки: слишком высокая чувствительность.


 







Date: 2015-05-09; view: 990; Нарушение авторских прав



mydocx.ru - 2015-2026 year. (3.322 sec.) Все материалы представленные на сайте исключительно с целью ознакомления читателями и не преследуют коммерческих целей или нарушение авторских прав - Пожаловаться на публикацию