Главная Случайная страница


Полезное:

Как сделать разговор полезным и приятным Как сделать объемную звезду своими руками Как сделать то, что делать не хочется? Как сделать погремушку Как сделать так чтобы женщины сами знакомились с вами Как сделать идею коммерческой Как сделать хорошую растяжку ног? Как сделать наш разум здоровым? Как сделать, чтобы люди обманывали меньше Вопрос 4. Как сделать так, чтобы вас уважали и ценили? Как сделать лучше себе и другим людям Как сделать свидание интересным?


Категории:

АрхитектураАстрономияБиологияГеографияГеологияИнформатикаИскусствоИсторияКулинарияКультураМаркетингМатематикаМедицинаМенеджментОхрана трудаПравоПроизводствоПсихологияРелигияСоциологияСпортТехникаФизикаФилософияХимияЭкологияЭкономикаЭлектроника






Rc-генераторы





Для получения гармонических колебаний низкой и инфранизкой частот (от нескольких сотен килогерц до долей герц) применяют RC -генераторы.

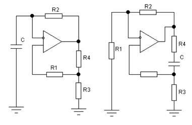
Представленная RС-цепь не осуществляет сдвига по фазе передаваемого сигнала на квазирезонансной частоте, т.е. . Эта схема включается между выходом усилителя и неинвертирующим входом ОУ. Элементу и предназначены для получения требуемого коэффициента усиления. В схеме возникают автоколебания при соотношении , частота которых определяется формулой Если и , то частоту автоколебаний определяют из соотношения , причем должно быть выполнено условие .

Для получения гармонических колебаний с малыми искажениями используют инерционно-нелинейную цепь ООС. Нужный характер нелинейности обеспечивается тогда, когда с ростом амплитуды сигнала уменьшается сопротивление или увеличивается . Поэтому вместо включается миниатюрный полупроводниковый терморезистор или вместо - металлический терморезистор.

Другое представление схемы:

 

Мультивибратором называется генератор периодически повторяющихся импульсов прямоугольной формы. Мультивибратор является автогенератором и работает без подачи входного сигнала. Рассматриваемый генератор является симметричным и для него длительность импульса и паузы равны tи=tn=R2C×ln(1+ ), при R3=R4 tи=tп=R2C×ln3, период повторения импульсов Тп=(tи+tп)=2tи, скважность Q= . Изменяя t=R2C и величины R3, R4, можно регулировать длительность, частоту и амплитуду импульсов.

Предположим, что на выходе напряжение +12В, а на неинвертирующем входе +2В. Конденсатор заряжается через до +2В. Так как напряжение на инвертирующем входе становится больше, чем на неинвертирующем входе, происходит переброс триггера Шмита, на выходе устанавливается максимальное отрицательное напряжение (-12В), на неинвертирующем входе -2В. Конденсатор перезаряжается через до -2В и т.д.

 


Активные и пассивные фильтры. Фильтры высоких частот (ФВЧ) и низких частот (ФНЧ). Полосовой и режекторный (заградительный), LC и RC фильтры. Полоса пропускания, полоса заграждения, добротность, затухание, крутизна спада на переходном участке. Фильтры Баттерворта, Бесселя, Чебышева и др. Достоинства и недостатки. Фильтр Салена и Кея. Фильтр с параллельной ОС, универсальный и биквадратный фильтр, гиратор

 

Фильтры низких частот (ФНЧ) пропускают на выход все частоты, начиная от нулевой (постоянный ток) и до некоторой заданной частоты среза , и ослабляют все частоты, превышающие . Диапазон частот от 0 до называется полосой пропускания, а диапазон частот, превышающих - полосой подавления. Частота среза – это та частота, при которой напряжение на выходе фильтра падает до уровня 0,707 от напряжения в полосе пропускания (т.е. падает на 3 дБ), - частота, при которой выходное напряжение на 3 дБ выше, чем выходное напряжение в полосе подавления.

 

Полосовой фильтр пропускает все частоты в полосе между нижней частотой среза и верхней . Все частоты ниже и выше ослабляются. Диапазоны частот от до и от до являются переходными участками.

 

 

 

Фильтры высоких частот (ФВЧ) ослабляют все частоты, начиная от нулевой и до частоты , и пропускают все частоты, начиная от и до верхнего частотного предела схемы.

Режекторный полосовой фильтр (заграждения) ослабляет вес частоты между и и пропускает все остальные частоты.

 

Пассивные фильтры построены из катушек индуктивности, конденсаторов и резисторов. Используемые в пассивных фильтрах катушки индуктивности обладают активным сопротивлением, межвитковой емкостью и потерями в сердечнике, что делает их свойства далекими от идеальных.

Активные фильтры содержат в своей конструкции усилитель.

Достоинства активных фильтров:

  • в них используются только R и C, свойства которых ближе к идеальным, чем у L;
  • относительно дешевы;
  • могут обеспечивать усиление в полосе пропускания;
  • обеспечивают развязку входа от выхода (высокое входное и низкое выходное сопротивление), следовательно, легко сделать многокаскадными;
  • легко настраиваются;
  • фильтры для очень низких частот могут быть построены из компонентов с умеренными значениями параметров.

Недостатки:

· нуждаются в источнике питания;

· рабочий диапазон частот ограничен максимальной рабочей частотой ОУ и не превышает несколько МГц.

 

Фильтры характеризуются порядком или количеством полюсов. Каждый полюс дает ослабление ~ 6 дБ/окт или 20 дБ/дек (в зависимости от типа частотной характеристики фильтра может быть > или < 6 дБ/окт).


 








Date: 2015-05-09; view: 817; Нарушение авторских прав



mydocx.ru - 2015-2026 year. (0.957 sec.) Все материалы представленные на сайте исключительно с целью ознакомления читателями и не преследуют коммерческих целей или нарушение авторских прав - Пожаловаться на публикацию