Главная Случайная страница


Полезное:

Как сделать разговор полезным и приятным Как сделать объемную звезду своими руками Как сделать то, что делать не хочется? Как сделать погремушку Как сделать так чтобы женщины сами знакомились с вами Как сделать идею коммерческой Как сделать хорошую растяжку ног? Как сделать наш разум здоровым? Как сделать, чтобы люди обманывали меньше Вопрос 4. Как сделать так, чтобы вас уважали и ценили? Как сделать лучше себе и другим людям Как сделать свидание интересным?


Категории:

АрхитектураАстрономияБиологияГеографияГеологияИнформатикаИскусствоИсторияКулинарияКультураМаркетингМатематикаМедицинаМенеджментОхрана трудаПравоПроизводствоПсихологияРелигияСоциологияСпортТехникаФизикаФилософияХимияЭкологияЭкономикаЭлектроника






Усилитель мощности





Выходной ток интегральных операционных усилителей обычно составляет не более 20 мА. Существует много способов, с помощью которых можно без особых затрат увеличить этот ток приблизительно в 10 раз.

 

Для этого можно применить, например, мощные выходные каскады. Для низкочастотных входных сигналов можно использовать двухтактные эмиттерные повторители в режиме В (см. рис.1). При положительных входных сигналах транзистор VT1работает как эмиттерный повторитель, а транзистор VT2 заперт. При отрицательных входных напряжениях – наоборот. Таким образом транзисторы работают попеременно, каждый в течении одного полутериода входного напряжения. При Uвх=0 оба транзистора заперты; следовательно, схема имеет малый ток покоя. Ток, потребляемый как от положительного, так и от отрицательного источника напряжения равен току в нагрузке. Поэтому схема обладает существенно более высоким коэффициентом полезного действия по сравнению с обычным эмиттерным повторителем. Еще одно различие состоит в том, что выходное напряжение при любой нагрузке может достигать ±U, поскольку транзисторы не ограничивают выходной ток. Таким образом, в схеме не требуется согласования нагрузки, и максимальная мощность на выходе определяется лишь предельным током и максимальной мощностью рассеивания используемых транзисторов.

Как уже отмечалось выше, в каждый момент времени открыт только один транзистор. Однако это справедливо только для частот входного сигнала, не превышающих частоту пропускания используемых транзисторов. Из открытого состояния в закрытое транзистор переходит за определенный промежуток времени. Если длительность колебаний входного напряжения меньше этого промежутка времени, оба транзистора могут оказаться открытыми одновременно. При этом через открытые транзисторы от источников питания будет течь большой ток, который может привести к мгновенному разрушению транзисторов. Колебания с такой критической частотой могут возникнуть также в усилителях, охваченных обратной связью, или даже тогда, когда нагрузка эмиттерного повторителя носит емкостный характер. Для защиты транзисторов следует предусмотреть ограничение тока.

Классы усиления сигнала.

В зависимости от положения рабочей точки на проходной характеристике транзистора различают А, В, АВ, С, Д классы усилений.

Класс А:

В этом режиме рабочая точка находится на середине линейного участка проходной характеристики. В этом режиме обеспечиваются минимальные нелинейные искажения, но он имеет низкий КПД (менее 5% для синусоидального сигнала) и высокие потери мощности в режиме отсутствия сигнала. Используются в предварительных и промежуточных каскадах усилителей, а также в усилителях мощности сверхвысокого качества.

 

Класс В:

В этом режиме рабочая точка находится в начале проходной характеристики Uбэ = 0. Достоинства: достаточно высокий КПД (до 78% при усилении синусоидального сигнала), отсутствие потерь мощности в режиме покоя. Недостатки: высокие нелинейные искажения. Применение: в усилителях мощности невысокого качества и высокой экономичности.

Класс АВ:

В этом режиме рабочая точка находится в начале линейного участка проходной характеристики. Имеет высокий КПД (60-65%), невысокие потери мощности в режиме покоя и относительно невысокие линейные искажения. Необходимо схемоподдержания начального тока коллектора. Используется в усилителях мощности среднего и

высокого качества.

Класс С:

В этом режиме транзистор заперт напряжением смещения на базе и находится в режиме отсечки, т.е. рабочая точка находится левее нуля (в отрицательной области). Транзистор надёжно закрыт обратным смещением. КПД более высокий чем в режиме В, но очень высокие нелинейные искажения. Используется в устройствах, где существенны даже незначительные увеличения КПД, а нелинейные искажения не играют роли, также в генераторах и усилителях, где выделение основной гармоники осуществляется специальными фильтрами, в мощных радиопередатчиках.

Класс Д (ключевой режим):

В этом режиме транзистор либо закрыт, либо открыт. Это импульсный режим работы транзистора. Достоинства: высокий КПД (стремится к 100%). Отсутствуют потери мощности (только на фронтах). Недостатки: нелинейный режим. Применение: импульсные источники питания, наконечники лазеров.

 

 


Генераторы гармонических колебаний. Условия самовозбуждения генераторов (баланс фаз и баланс амплитуд). Автогенераторы. Стабилизация частоты и амплитуды в автогенераторах. Мультивибраторы. Симметричные и несимметричные мультивибраторы на ОУ.


 

Генераторами называются электронные схемы, формирующие переменные напряжения требуемой формы. Генератор можно получить из усилителя, охватив его положительной ОС. Автогенераторами называют генераторами с независимым возбуждением.

Усиление – это процесс преобразования энергии источника питания по закону входного сигнала, а генераторы осуществляют преобразование энергии источника питания в переменное напряжение требуемой частоты.

Для возникновения генерации необходимо выполнение двух условий:

  1. баланс фаз – фазовые сдвиги сигнала, создаваемые усилителем и звеном ПОС должны быть кратны .
  2. баланс амплитуд – произведение коэффициента усиления и коэффициента ОС , т.е. усилитель должен компенсировать все потери с цепи ОС.

Кроме того, для получения сигнала неискаженной формы необходимо, чтобы . Если происходит затухание колебаний, если , то возникает прогрессирующее нарастание амплитуды сигнала на входе и выходе до ее ограничения, обусловленного напряжением источников питания и форма сигнала отлична от синусоидальной.

Равенство соответствует установившемуся режиму и возможно только при некотором соотношении коэф. ООС и ПОС.

 

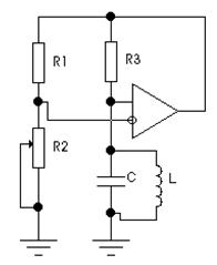
Генератор синусоидальных колебаний на ОУ (LC-генератор)

Баланс фаз означает, что колебания в замкнутой системе могут возобновляться только тогда, когда фаза выходного напряжения схемы ОС и фаза входного напряжения совпадают. Баланс амплитуд означает, что для возбуждения генератора усилителю необходимо компенсировать потери в схеме ОС.

Регулируя , добиваемся равенства ПОС и ООС, что выражается в наличии на выходе незатухающих и неискаженных гармонических колебаний.

Недостаток: большие масса и объем для частот ниже нескольких кГц.

Для получения колебаний низкой частоты (менее 1 кГц) приходится использовать большие значения L и C, что увеличивает габариты и массу устройства. Для этого используют LC-генератор с мостом Вина.

Мост Вина не осуществляет сдвига фаз на резонансной частоте. Для возникновения незатухающий колебаний необходимо выполнение следующих условий:

Для получения гармонических колебаний с малыми искажениями используют инерционно-нелинейную цепь ООС. Нужный характер нелинейности обеспечивается тогда, когда с ростом амплитуды сигнала уменьшается R3 (термистор) или увеличивается R4 (позистор).

Стабильность такого генератора , а если необходима более высокая стабильность , используется кварцевый генератор.

Условие баланса амплитуд:

 







Date: 2015-05-09; view: 1046; Нарушение авторских прав



mydocx.ru - 2015-2026 year. (2.654 sec.) Все материалы представленные на сайте исключительно с целью ознакомления читателями и не преследуют коммерческих целей или нарушение авторских прав - Пожаловаться на публикацию