Главная Случайная страница


Полезное:

Как сделать разговор полезным и приятным Как сделать объемную звезду своими руками Как сделать то, что делать не хочется? Как сделать погремушку Как сделать так чтобы женщины сами знакомились с вами Как сделать идею коммерческой Как сделать хорошую растяжку ног? Как сделать наш разум здоровым? Как сделать, чтобы люди обманывали меньше Вопрос 4. Как сделать так, чтобы вас уважали и ценили? Как сделать лучше себе и другим людям Как сделать свидание интересным?


Категории:

АрхитектураАстрономияБиологияГеографияГеологияИнформатикаИскусствоИсторияКулинарияКультураМаркетингМатематикаМедицинаМенеджментОхрана трудаПравоПроизводствоПсихологияРелигияСоциологияСпортТехникаФизикаФилософияХимияЭкологияЭкономикаЭлектроника






Параллельная ОС по напряжению





При параллельной обратной связи по напряжению с сопротивле­ния нагрузки снимается выходное напряжение, которое во входной цепи образует ток обратной связи, протекающий через специаль­ный резистор. На рисунке приведена структурная схема усилителя с параллельной обратной связью по напряжению. Хотя во входной цепи усилителя алгебраически складываются токи, при анализе усилителя с параллельной ООС по напряжению часто используют коэффициент обратной связи по напряжению . При этом необходимо учитывать шунтирующее влияние входной цепи усилителя, поскольку в данном случае Rвх. Поэтому можно представить в следующем виде:

.

Выделение напряжения во входной цепи усилителя происходит на сопротивлениях .

За счет малого Rвх на внутреннем сопротивлении источника сигнала Rг будет теряться солидная доля Ег В результате ко входу усилителя прикладывает­ся напряжение

.

Коэффициент усиления по напряжению при глубокой параллельной ООС по напряжению:

.

При параллельной ООС по напряжению КиОС стабилен при Таким образом, при глубокой параллельной ООС по напряжению можно исключить влияние внешних факторов на величину Ки0с, уменьшить линейные и нелинейные искажения. Однако такой усилитель совершенно не подходит по своим свойствам для входного каскада многокаскадного усилителя, в частности, из-за его высокой, чувствительности к изменению Rг. Усилители с параллельной ООС по напряжению рекомендуется использовать в качестве промежуточных и выходных каскадов.

Вывод: параллельная ООС по напряжению стабилизирует коэффициент усиления по напряжению при постоянном сопротивлении источника сигнала, снижает искажения, уменьшает входное и выходное сопротивления усилителя.

 

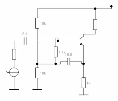
Схема усилителя с параллельной ООС.

 

 

Следящие связи. На обоих концах резистора присутствует практически одно и то же переменное напряжение => переменный ток через резистор не течёт, а значит его сопротивление по переменному, току стремиться к бесконечности, а кu = Rк/Rэ стремится к бесконечности.


Пример следящей связи, увеличивающей сопротивление и уменьшающей влияние входной емкости:

 


Интегральные микросхемы. Интегральный принцип изготовления и применения электронных компонентов. Полупроводниковые интегральные микросхемы, их классификация, назначение, области применения. Аналоговые, цифровые и аналого-цифровые микросхемы

Развитие техники, в которой широко применяются сложные системы автоматического управления, вынудило изготовителей электронных элементов заняться их миниатюризацией и микроминиатюризацией. На первом этапе добивались уменьшения размеров отдельных элементов путем применения лучших материалов, уменьшения электрической нагрузки элементов и т. д. без изменения их конструкции и технологии изготовления. Полученные результаты не дали требуемого эффекта, и поэтому были разработаны принципиально новые методы создания электронных схем, которые с начала шестидесятых годов использовались в военной аппаратуре, а позже в промышленных установках и бытовой технике.

Миниатюрные электронные схемы изготавливают в основном двумя способами:

· нанесением на изоляционную подложку тонких пленок металлов, полупроводников и диэлектриков таким образом, чтобы их поверхности образовывали резисторы, конденсаторы, диоды и транзисторы; это — пленочные интегральные микросхемы;

· путем создания в пластине монокристалла кремния диодов, транзисторов, резисторов и конденсаторов за счет введения соответствующих примесей в определенные области, их окисления или металлизации; это — полупроводниковые интегральные микросхемы.

Внедрение этих новых технологических решений привело к значительному уменьшению размеров электронных схем и к увеличению плотности монтажа, т. е. количества элементов, находящихся в 1 см3 объема. Для отдельных схем плотность монтажа ориентировочно составляет, 1/см3:

Традиционные ламповые схемы –– 0,03—0,1

Полупроводниковые схемы с миниатюрными элементами –– 1––3

Интегральные микросхемы (микросборка) –– 300

Интегральные микросхемы (отдельные пластины) ––100тыс.

К сожалению, большая плотность монтажа интегральных микросхем не может быть полностью использована на практике из-за необходимости соединений отдельных схем, охлаждения и т. п.

Часто также применяют гибридные интегральные микросхемы, т. е. схемы, часть элементов которых имеет самостоятельное конструктивное оформление, так как не все элементы можно изготовить способами микроэлектроники. К таким элементам относятся, например, катушки индуктивности, специальные транзисторы и др.


Тонкие пленки обычно получают путем напыления в вакууме соответствующих материалов на подложку (стекло, керамика). Тщательный подбор условий и времени напыления позволяет получить небольшой разброс электрических параметров элементов, например 5% и менее для сопротивлений резисторов.

Резисторы изготавливают путем напыления на подложку (обычное стекло, SiO) резистивного материала в форме прямоугольников соответствующих размеров. В процессе изготовления используется метод фотолитографии. Резистивными материалами могут быть хром, тантал, окиси металлов, специальные сплавы. Сопротивление тонкопленочных резисторов лежит в пределах от долей Ома до 1 МОм при толщине пленки до нескольких микрометров. Контактные соединения выполняют путем напыления золота, меди, чаще всего алюминия, который имеет хорошую адгезию с подложкой из: SiO.

Конденсаторы получают путем последовательного напыления слоя металла (AI), диэлектрика и металла. В качестве диэлектрика используют SiO, SiO2, окиси тантала и титана. Этим способом можно получить низковольтные конденсаторы с емкостями до 0,1 мкФ. На готовые тонкопленочные элементы напыляют изолирующую пленку SiO, герметически покрывающую всю схему.

Активные элементы, работающие совместно с тонкопленочными схемами, изготавливают подобными методами. Среди транзисторов чаще других применяют полевые. Один из таких транзисторов представлен на рис.: на подложку напылена полупроводниковая пленка (CdS или CdSe), затем два металлических электрода — исток и сток. Область между этими электродами покрыта слоем диэлектрика (SiO), на который осажден слой металла, образующий затвор. Изменение напряжения затвора вызывает изменение напряженности электрического поля в слое полупроводника, а значит, и тока в цепи исток — сток. Однако свойства тонкопленочных транзисторов хуже, чем у обычных, и поэтому последние часто используют в гибридных интегральных микросхемах.

В полупроводниковых интегральных микросхемах используется монокристалл кремния, в котором путем введения примесей, окисления или металлизации определенных областей, а также использования фотолитографии получают необходимые электрические параметры. Каждый элемент такой схемы образует в монокристалле своеобразный островок, изолированный от других элементов. Обеспечение хорошей изоляции отдельных элементов — одна из сложных проблем. Два противоположно направленных р-n -перехода, каждый из которых соединен с одним элементом схемы, обеспечивают довольно большое сопротивление изоляции. Другим решением, требующим, однако, овладения сложной технологией, является изоляция каждого элемента пленкой SiO2.

Резисторы изготавливают следующим образом: в пластину кремния р-типа вводят путем диффузии донорные примеси, что приводит к возникновению n-области, являющейся предохранительным переходом n-p-резистора. Внутри n-области путем дальнейшей диффузии образуется область р-типа, к которой присоединяются алюминиевые выводы. Наружная пленка Si02 обеспечивает герметизацию резистора. Сопротивление у таких резисторов можно получить до 50 кОм с разбросом по номиналам ±10—20%.

В конденсаторах полупроводниковых микросхем в качестве диэлектрика используется SiO2. В пластине кремния р-типа создается n-область, образующая изолирующий n-р-переход, затем сильно легированная примесями n+ область с большим реактивным сопротивлением, являющаяся нижней обкладкой конденсатора. Второй обкладкой является пленка напыленного алюминия (рис.б). При толщине диэлектрика 0,05 мкм (напряжение пробоя 50 В) емкость около 50 нФ/см2, что ограничивает общую емкость до нескольких сотен пикофарад.


Транзисторы полупроводниковых микросхем изготавливают также путем диффузии примесей (рис. е). Качество транзисторов, полученных по такой технологии, довольно высоко и не отличается от качества типовых планарных транзисторов. Подобным образом изготавливают также планарные диоды.

Благодаря небольшим геометрическим размерам отдельных элементов микросхемы (длина несколько десятков микрометров, ширина несколько микрометров) на 1 мм² поверхности пластины можно разместить десятки элементов. Нагрузка элементов ограничивается долями милливатта, соответственно малы напряжения (несколько вольт) и токи.

Полупроводниковые микросхемы помещают в металлические корпуса или заливают пластмассой, например эпоксидной смолой, с соответствующими проволочными или ленточными выводами. Корпуса значительно увеличивают габаритные размеры микросхем. Сравнительно большой разброс параметров полупроводниковых микросхем не препятствует их использованию в бинарных схемах, т. е. схемах, имеющих два рабочих состояния, широко применяющихся в цифровых ЭВМ. Применение полупроводниковых микросхем в цифровых и релейных схемах приводит к уменьшению их габаритов, массы и цены. Полупроводниковые микросхемы аналогового типа, например усилители, менее распространены из-за трудностей выдержать допуски на параметры всех элементов.

 

Важным преимуществом полупроводниковых микросхем является их высокая надежность по сравнению с традиционными схемами, обеспечиваемая конструкцией, значительным уменьшением количества паяных соединений и т. п.

Аналоговые микросхемы прежде всего нужны для усиления сигнала. Но т.к. обработка информации происходит в основном в цифровом виде, то аналоговый сигнал необходимо преобразовать в цифровой. Для этого используются аналого-цифровые преобразователи - АЦП. Для управления чаще всего используется непрерывный аналоговый сигнал. Для получения из цифрового дискретного сигнала непрерывного аналогового используются цифро-аналоговые преобразователи (ЦАП).

 


Источники вторичного электропитания электронных устройств. Классификация и параметры выпрямителей. Однополупериодные и двухполупериодные мостовые и со средней точкой, однофазные и трехфазные, управляемые и неуправляемые выпрямители. Схема Ларионова. Умножители напряжения. Схема Латура. Сглаживающие фильтры

Схема выпрямления однофазного тока. Неуправляемая. Однополупериодная.


Достоинства однополупериодной схемы: малое количество выпрямительных диодов, простота схемы, отсутствие сквозных токов.

Недостатки: повышенный уровень пульсации на низкой частоте, сильное подмагничивание сердечника

Применяются в высоковольтных и маломощных схемах (на низкой частоте) и в схемах с бестрансформаторным входом (на частоте 20-100 кГц).

 

Схема выпрямления однофазного тока. Неуправляемая. Двухполупериодная со средней точкой.

Достоинства: пониженная пульсация на низкой частоте, небольшое количество силовых диодов (2) и меньшие потери мощности на них по сравнению с мостовой схемой.

Недостатки: более сложная конструкция трансформатора, подмагничивание трансформатора, больший расход меди трансформатора (по сравнению с мостовой), присутствуют сквозные токи.

Применение: в мощных низковольтных выпрямителях, в источниках питания с бестрансформаторным входом.

 

Схема выпрямления однофазного тока. Неуправляемая. Мостовая.

Ток проходит через 1 - VD3 – Rн – VD2 – 2 (2 – VD4 - Rн – VD1 - 1).

Достоинства: пониженный уровень пульсации по сравнению с однополупериодной, упрощённая конструкция трансформатора, нормальный расход меди, отсутствие подмагничивания сердечника.

Недостатки: большое число силовых диодов и повышенный расход мощности на них, присутствуют сквозные токи.

Применение: на низкой частоте 50-400 Гц.

 

Схема выпрямления однофазного тока. Неуправляемая. Мостовая со средней точкой.

Достоинства: пониженный расход меди, отсутствие подмагничивания сердечника.

Недостаток: отсутствие подмагничивания сердечника.


Схема выпрямления однофазного тока. Управляемая.

В мостовой схеме достаточно заменить 2 диода (но не любых) на тиристоры, т.к. диод и тиристор соединены последовательно и тиристор закрыт, то тока не будет.

Достоинства: простота схемы и отсутствие потерь мощности и напряжения.

Недостатки: повышенный уровень сетевых и радио помех, что требует дополнительного экранирования и фильтраций.

 

Схема выпрямления однофазного тока. Управляемая с волътодобавкой.


Достоинства: пониженный уровень пульсации и помех.

Недостатки: узкий диапазон регулировки.

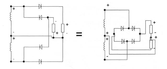
Умножители напряжения. Схема Латура.

Схема Латура - схема удвоения напряжения.

Прохождение тока: «+» - VD3 – C1 – «-»

Через VD2, VD4 ток не идёт, они закрыты.

До тех пор, пока лампа выключена, сопротивление газоразрядного промежутка велико, схема работает как схема удвоения напряжения Латура, VD2, VD4 закрыты, напряжение на конденсаторах. После возникновения пробоя, сопротивление лампы резко падает, конденсаторы быстро разряжаются, и схема переходит в режим работы мостового выпрямителя.

Схема умножения напряжения позволяет получить выходное напряжение дольше входного в n раз. Заряжается до амплитудного напряжения.

Недостаток всех умножителей: невысокая мощность и низкий КПД.

 

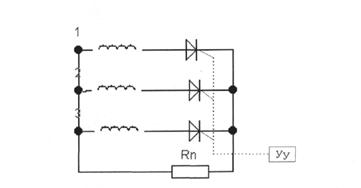
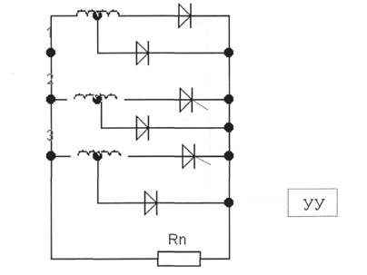
Трёхфазный выпрямитель напряжения. Однополупериодная

Первый диод открыт в тот момент времени, когда напряжение, создаваемое I обмоткой, больше других.

Достоинства: пониженный уровень, повышенная частота пульсации, нет перекоса фаз.

Недостатки: подмагничивание сердечника.

 

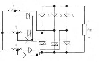
Трёхфазный выпрямитель напряжения. Двухполупериодная (схема Ларионова).

Ток будет протекать через обмотки, имеющие max и min потенциал в данный момент времени. Итоговая пульсация будет ещё меньше, а частота будет в 6 раз больше исходной.

Недостатки: большое число диодов, большие потери мощности на них.

Достоинства: ещё большая частота пульсации.

Регулируемый трехфазный выпрямитель.

Вместо диодов ставим тиристоры в полупериодной схеме.

Если закрыты все три тиристора, то схема работает как однополупериодный выпрямитель. Напряжение управления может подаваться на все 3 тиристора одновременно. Откроется лишь тот, у которого напряжение анод - катод имеет положительное значение.

 

Регулируемый трехфазный выпрямитель с вольтодобавкой.


 


Стабилизаторы напряжения и тока. Структурная схема стабилизированного источника питания. Параметрические и компенсационные, параллельные и последовательные, регулируемые и нерегулируемые, однополярные и разнополярные стабилизаторы напряжения и тока. Стабилизаторы на ОУ. Защита по току и напряжению. Ключевые повышающие, понижающие и инвертирующие (повышающе-понижающие) стабилизаторы. Функциональные схемы ключевых стабилизаторов и импульсных блоков питания малогабаритных устройств. Принципиальная схема стабилизаторов

 







Date: 2015-05-09; view: 773; Нарушение авторских прав



mydocx.ru - 2015-2026 year. (1.074 sec.) Все материалы представленные на сайте исключительно с целью ознакомления читателями и не преследуют коммерческих целей или нарушение авторских прав - Пожаловаться на публикацию