Главная Случайная страница


Полезное:

Как сделать разговор полезным и приятным Как сделать объемную звезду своими руками Как сделать то, что делать не хочется? Как сделать погремушку Как сделать так чтобы женщины сами знакомились с вами Как сделать идею коммерческой Как сделать хорошую растяжку ног? Как сделать наш разум здоровым? Как сделать, чтобы люди обманывали меньше Вопрос 4. Как сделать так, чтобы вас уважали и ценили? Как сделать лучше себе и другим людям Как сделать свидание интересным?


Категории:

АрхитектураАстрономияБиологияГеографияГеологияИнформатикаИскусствоИсторияКулинарияКультураМаркетингМатематикаМедицинаМенеджментОхрана трудаПравоПроизводствоПсихологияРелигияСоциологияСпортТехникаФизикаФилософияХимияЭкологияЭкономикаЭлектроника






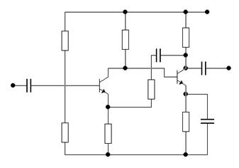
Последовательная ОС по напряжению





 

 

При последовательной обратной связи по напряжению с сопротивления нагрузки усилителя снимается часть выходного напряжения , которое во входной цепи алгебраически складывается с .

Напряжение обратной связи Uос = χUвых где χ – коэффициент ОС.

χ = R2/(R1+R2) ≈R2/R1 (обычно R1<<R2).

Прежде всего рассмотрим влияние последовательной ОС по напряжению на коэффициент усиления по напряжению. Для усилителя, охваченного обратной связью,

кuoс = Uвых/(Uвх±Uос) = Uвых/[Uвх(1±χкu)]

но коэффициент усиления по напряжению усилителя без обратной связи кu = Uвых/Uвх, поэтому после проведения преобразования для ООС можно записать:

Киоси/(1+χки).

При ПОС в знаменателе правой части следует использовать знак «минус».

Введем понятие глубины обратной связи F. Для ООС F = 1+χкu. Отсюда следует, что глубина ООС возрастает при увеличении χ и Ки, При очень глубокой ООС F = χкu, , поэтому в данном случае можно записать

кuос = 1/χ = (R1+R2)/R2

Вывод: при глубокой ООС (F>10) удается практически полностью исключить влияние пара­метров транзистора и всего усилителя на его КиОС. Н е будут влиять такие факторы, как изменение температуры, радиационное воздействие, разброс параметров, старение и др. Таким образом, можно утверждать, что введение глубокой последовательной ООС по напряжению обеспечивает стабильность усиления по напряжению.

Улучшение стабильности коэффициента усиления с помощью ООС широко используется для расширения АЧХ усилителя. При отклонении в области НЧ или ВЧ уменьшается Ки, но уменьшается и глубина ООС, т.е. 1+ χ Ки. В результате КиОС изменяется слабо и ре­ализуется АЧХ с широкой полосой пропускания.

Улучшение стабильности коэффициента усиления с помощью ООС широко используется для расширения АЧХ усилителя

Входное сопротивление усилителя с ООС Rвх.ос определяется способом подачи сигналов обратной связи во входную цепь. При последовательной ООС по напряжению Rвх.ос можно пред­ставить как Rвх.ос = Uвх(1+χкu)/Iвх = RвхF.

Отсюда следует, что последовательная ООС по напряжению увеличивает входное сопротивление усилителя в F раз.

Выходное сопротивление усилителя с ООС определяется способом снятия сигнала обратной связи с выхода устройства. При последовательной ООС по напряжению Uвьч усилителя меньше зависит от тока нагрузки, что соответствует уменьшению его выходного сопротивления. Для рассматриваемого вида ООС можно записать

Rвых.ос = Rвых/F

Отсюда следует, что последовательная ООС по напряжению уменьшает выходное сопротивление в F раз. Таким образом, чем глубже ООС, тем меньше Rвых.ос. Изложенное выше позволяет заключить, что последовательная ООС по напряжению уменьшает и стабилизирует коэффициент усиления по напряжению, снижает как линейные, так и нелинейные искажения, повышает входное сопротивление и уменьшает выход­ное сопротивление усилителя.

Сос
Rос

 

Последовательный усилитель с ОС по напряжению 100% последовательная ОС по напряжению

 







Date: 2015-05-09; view: 955; Нарушение авторских прав



mydocx.ru - 2015-2026 year. (0.845 sec.) Все материалы представленные на сайте исключительно с целью ознакомления читателями и не преследуют коммерческих целей или нарушение авторских прав - Пожаловаться на публикацию