Главная Случайная страница


Полезное:

Как сделать разговор полезным и приятным Как сделать объемную звезду своими руками Как сделать то, что делать не хочется? Как сделать погремушку Как сделать так чтобы женщины сами знакомились с вами Как сделать идею коммерческой Как сделать хорошую растяжку ног? Как сделать наш разум здоровым? Как сделать, чтобы люди обманывали меньше Вопрос 4. Как сделать так, чтобы вас уважали и ценили? Как сделать лучше себе и другим людям Как сделать свидание интересным?


Категории:

АрхитектураАстрономияБиологияГеографияГеологияИнформатикаИскусствоИсторияКулинарияКультураМаркетингМатематикаМедицинаМенеджментОхрана трудаПравоПроизводствоПсихологияРелигияСоциологияСпортТехникаФизикаФилософияХимияЭкологияЭкономикаЭлектроника






Дифференцирующие RC цепи





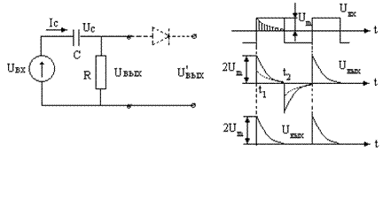
Схема такой цепи показана на рис.4.2.6., а).

а) б)

Рис. 4.2.6. a) Дифференцирующая RC цепь; б) Временные диаграммы дифференцирующей RC цепи;

На вход схемы подаются прямоугольные импульсы (см. рис. 4.2.6., б)). В момент t1 , напряжение Uвх меняется на величину 2Um. Напряжение на конденсаторе меняется медленно

,

поэтому в первый момент напряжение входное передается на выход ΔUвых=2Um. Далее идет заряд конденсатора под действием напряжения Uвх=Um через резистор R и напряжение Uс изменяется (нарастает) по экспоненте. Напряжение же на выходе Uвых(t)=Uвх(t)-Uс(t) по мере заряда конденсатора экспоненциально спадает к нулю. В момент t2 напряжение Uвх меняется скачком на ΔUвх=-2Um и становится равным -Um. Начинается перезаряд конденсатора С через резистор R до напряжения -Um. Т.к. предыдущее напряжение на конденсаторы было +Um, то на сопротивлении R выделяются разнополярные экспоненциально спадающие импульсы амплитудой 2Um. Длительность импульсов зависит от постоянной времени T=RC (и чем меньше Т, тем короче импульс). Аналитически выходное напряжение запишется:

.







Date: 2015-05-09; view: 981; Нарушение авторских прав



mydocx.ru - 2015-2026 year. (1.842 sec.) Все материалы представленные на сайте исключительно с целью ознакомления читателями и не преследуют коммерческих целей или нарушение авторских прав - Пожаловаться на публикацию