Главная Случайная страница


Полезное:

Как сделать разговор полезным и приятным Как сделать объемную звезду своими руками Как сделать то, что делать не хочется? Как сделать погремушку Как сделать так чтобы женщины сами знакомились с вами Как сделать идею коммерческой Как сделать хорошую растяжку ног? Как сделать наш разум здоровым? Как сделать, чтобы люди обманывали меньше Вопрос 4. Как сделать так, чтобы вас уважали и ценили? Как сделать лучше себе и другим людям Как сделать свидание интересным?


Категории:

АрхитектураАстрономияБиологияГеографияГеологияИнформатикаИскусствоИсторияКулинарияКультураМаркетингМатематикаМедицинаМенеджментОхрана трудаПравоПроизводствоПсихологияРелигияСоциологияСпортТехникаФизикаФилософияХимияЭкологияЭкономикаЭлектроника






Водопенные коммуникации АЦ с насосом ПЦНК-40/100-4/400





Пожарные насосы этого типа устанавливают на ряде автоцистерн по желанию заказчика. Они рекомендованы заводом на АЦ-5-40/4(4310) и АЦ-7 40/4(53213). ВПК на обеих автоцистернах идентичны.

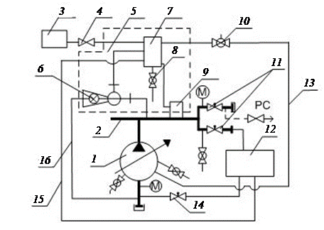
Водопенные коммуникации этого насоса целесообразно рассматривать состоящими из двух контуров: секции нормального давления (СНД) и секции высокого давления (СВД) (рис. 7.15).

Контур секции нормального давления – это водопенная коммуникация насоса ПЦНН-40/100. Он принципиально не отличается от водопенных коммуникаций АЦ с насосами ПН-40УВ (см. рис. 7.12). Единственное отличие состоит в том, что через его коллектор 10 возможно подавать воду в четыре рукавные линии, подсоединяемые к патрубкам четырех напорных шаровых вентилей 11. Все операции по выполнению всех видов работ, производимых ВПК, идентичны описанным раньше.

Валы насосов ПЦНН-40/100 14 и ПЦНВ-4/400 15 соединены зубчатой передачей, включаемой фрикционной муфтой.

Секция высокого давления состоит из насоса 15 и коллектора 17. На коллекторе смонтированы перепускной клапан 16, кран 18 типа ДУ-25 и манометр. К штуцеру крана 18 прикреплен рукав, намотанный на рукавную катушку 19 типа КРВД-400-60. Рукав рассчитан на работу под напором до 400 м и имеет длину 60 м. На конце рукава закреплен ствол-распылитель высокого давления СРВД-2-300. Стволом можно подавать воду в номинальном режиме 2 л/с при напоре 300 м или не менее 1,1 м3/мин воздушно-механической пены.

 

 

Рис. 7.15. Водопенные коммуникации АЦ с насосами
ПЦНК-40/100-4/400 на шасси КамАЗ:

1 – цистерна; 2 – задвижка Ду-100; 3 – вентиль Ду-25; 4 – всасывающий патрубок;
5 – штуцер; 6 – пеносмеситель; 7 – кран Ду-25; 8 – пенобак; 9 – кран Ду-25;
10 – коллектор насоса низкого давления; 11 – вентили шаровые напорные Ду-70;
12 – задвижка Ду-70; 13 – вентиль Ду-50; 14 – насос 40/100; 15 – насос 4/400;
16 – перепускной клапан; 17 – коллектор насоса высокого давления; 18 – кран Ду-25;
19 – рукавная катушка; 20 – ствол ручной; 21 – клапан обратный; 22 – кран продувки
рукава высокого давления 1/2"; 23 – рессивер шасси

 

При уменьшении или прекращении подачи воды стволом сработает перепускной клапан 16 и вода от него по трубопроводу будет перетекать в цистерну 1.

По окончании работы СВД осуществляется удаление остатков воды из рукава сжатым воздухом. Сжатый воздух поступает из рессивера 23 автомобиля. Для продувки необходимо закрыть кран 18 и открыть кран 22. Обратный клапан 21 предотвращает поступление воды к рессиверу 23.

Водопенные коммуникации на АЦ с насосом НЦПВ-4/400. Насос этого типа устанавливают на автоцистернах с цистернами вместимостью 0,82 м3 воды и пенобаками вместимостью от 50 до 200 л. Эти автоцистерны оборудуются на шасси ЗИЛ-4327-20(4х4)- АЦ-0,8-4 или на шасси ЗИЛ-5301(4х2). Они могут забирать воду только из своих цистерн или от пожарного водопровода. Поэтому на них не имеется вакуумных насосов.

Особенностью ВПК является то, что пеносмеситель 5 (рис. 7.16) состоит из эжектора 6, отсекающего клапана 7 и перепускного клапана 9. В пеносмесителе имеется сливной шаровой кран 8. Такие сливные краны имеются на коллекторе 2 и два сливных крана на насосе 1. Напорные вентили 11 аналогичны по конструкции.

 
 

 

 


Рис. 7.16. Водопенные коммуникации АЦ с НЦПВ 4/400

1 – насос; 2 – коллектор; 3 – пенобак; 4 – кран включения пенобака; 5 – пеносмеситель; 6 – эжектор; 7 – отсекающий клапан; 8 – сливной шаровой кран; 9 – перепускной
клапан; 10 – шаровой кран; 11 – напорный вентиль; 12 – цистерна; 13, 15 и
16 – трубопроводы; 14 – клапан

 

Забор воды осуществляется из цистерны 12 при открытом клапане 14 или от водопроводной сети через напорно-всасывающие рукава. При закрытом верхнем напорном вентиле 11 и открытом нижнем вентиле 11 заполняется цистерна. Подача воды в рукавную линию осуществляется при открытом верхнем напорном вентиле.

Подача пенообразователя осуществляется следующим образом. При работающем насосе включают эжектор 6 и кран 4. Пенообразователь будет поступать к отсекающему клапану 7, затем к эжектору 6 и из него по трубопроводу 16 во всасывающую полость насоса и через напорный вентиль 11 в рукавную линию.

Промывка системы подачи пенообразователя производится только при заборе воды от гидранта. Перед началом промывки к напорному вентилю должен быть подсоединен ствол-распылитель, а краном 4 необходимо отключить подвод пенообразователя из пенобака 3 к отсекающему клапану 7.


Регулируя обороты насоса, устанавливают давление на выходе из насоса в пределах 1 – 3 МПа, кран включения эжектора ставят в положение «открыто» и открывают шаровой кран 10. При этом вода из первой ступени насоса по трубе 13 поступит в ОК 7, из него в эжектор 6 и по трубе 16 во всасывающую полость насоса. В насосе промывочная вода будет смешиваться с водой, поступающей из гидранта, и выливаться через ствол-распылитель. Насос должен работать 3 – 5 мин, при этом следует поворачивать на полный оборот 3 – 5 раз ручку дозатора пеносмесителя.

Периодически производится проверка работоспособности перепускного клапана 9. Для этого необходимо отсоединить трубопровод 15 от цистерны 12 и направить его конец в мерную емкость. Создав давление в насосе, равное 2 – 3 МПа, измерить расход воды. Он должен быть не менее 0,1 л/с. Открыв напорный вентиль 11 и включив ствол-распылитель при давлении воды 3,5 – 4 МПа, переток воды должен прекратиться. Полностью перекрыв ствол-распылитель при давлении в насосе 4 – 4,5 МПа, переток воды должен возобновиться с подачей не менее 0,1 л/с.

Проверка производится не менее двух раз.

 

 







Date: 2015-05-09; view: 1196; Нарушение авторских прав



mydocx.ru - 2015-2026 year. (0.684 sec.) Все материалы представленные на сайте исключительно с целью ознакомления читателями и не преследуют коммерческих целей или нарушение авторских прав - Пожаловаться на публикацию