Главная Случайная страница


Полезное:

Как сделать разговор полезным и приятным Как сделать объемную звезду своими руками Как сделать то, что делать не хочется? Как сделать погремушку Как сделать так чтобы женщины сами знакомились с вами Как сделать идею коммерческой Как сделать хорошую растяжку ног? Как сделать наш разум здоровым? Как сделать, чтобы люди обманывали меньше Вопрос 4. Как сделать так, чтобы вас уважали и ценили? Как сделать лучше себе и другим людям Как сделать свидание интересным?


Категории:

АрхитектураАстрономияБиологияГеографияГеологияИнформатикаИскусствоИсторияКулинарияКультураМаркетингМатематикаМедицинаМенеджментОхрана трудаПравоПроизводствоПсихологияРелигияСоциологияСпортТехникаФизикаФилософияХимияЭкологияЭкономикаЭлектроника






Пожарные автоцистерны и автонасосы





 

Пожарные автоцистерны (АЦ) предназначены для тушения пожаров, доставки к месту вызова боевых расчетов, огнетушащих веществ (ОТВ) и пожарно-технического вооружения (ПТВ). На них в качестве ОТВ используется вода и пенообразователь для тушения пеной.

Пожарные АЦ используются как самостоятельные боевые единицы с подачей воды из собственной цистерны, открытого водоема или водопроводной сети. Может использоваться также пенообразователь как из бака АЦ, так и из постороннего источника.

Для выполнения основных функций пожарные надстройки АЦ включают цистерны для воды и баки для пенообразователя, пожарные насосы с трансмиссиями к ним, водопенные коммуникации и приводы управления механизмами.

Все элементы пожарных надстроек размещаются в кузовах, смонтированных на шасси грузовых автомобилей (рис.8.1).

В ГПС используется большое число различных модификаций АЦ, сооруженных на полноприводных или неполноприводных шасси грузовых автомобилей производства различных заводов. Их пожарные надстройки укомплектованы элементами одинакового назначения. Однако на них используются пожарные насосы с различными характеристиками, цистерны и пенобаки с различной вместимостью, водопенные коммуникации могут быть по-разному скомпонованными. Поэтому становится целесообразным изучение типичных элементов пожарных надстроек различных АЦ.

 
 

 


Рис. 8.1. Автоцистерна пожарная АЦП-6/6-40(Урал-5557-10):

1 – шасси автомобиля Урал; 2 – ствол лафетный; 3 – цистерна; 4 – отсек размещения ПТВ; 5 – насосный отсек; 6 – насосная установка

 

Цистерны и баки для огнетушащих веществ. Цистерны для воды изготовляют вместимостью от 0,8 до 9 м3. Их вместимость является основой для классификации АЦ. При вместимости цистерн до 2 м3 АЦ называют легкими. При вместимости от 2 м3 и до 4 м3 – средними, а при вместимости 4 м3 и более – тяжелыми.

Для конструирования цистерн используются углеродистые стали. Внутренние их поверхности защищают от коррозии специальными антикоррозионными покрытиями. На некоторых АЦ для этой цели используется анодная защита.

Для предотвращения замерзания воды в зимнее время цистерны оборудуются обогревом. Он может осуществляться автономными теплогенераторами, теплом отработавших газов двигателя или электрическими обогревателями. На некоторых АЦ устанавливаются цистерны с теплоизоляционным слоем, например полиуретаном.

Заводы также изготовляют цистерны из стеклопластика. Такие цистерны не требуют защиты от коррозии, они легче цистерн из углеродистой стали. Кроме того, они характеризуются хорошими теплозащитными свойствами.

К конструкциям цистерн предъявляется ряд общих требований. Для осмотра и технического обслуживания цистерны должны иметь люки диаметром более 450 мм. Внутри цистерн для гашения колебаний жидкости должны устанавливаться волноломы. Цистерны должны быть приспособлены для заполнения водой насосом АЦ или другим насосом. В них необходимы устройства, предотвращающие создание избыточного давления при их заполнении, обеспечивающие непрерывный или дискретный контроль за их заполнением водой, а также полным сливом её.

В поперечном сечении цистерны могут иметь эллиптическую форму или форму, близкую к квадратной, но с закругленными углами. Цистерны с эллиптической формой сечения устанавливают на пожарных автомобилях на шасси ГАЗ и др. Установка таких цистерн позволяет более полно использовать ширину шасси и способствует снижению центра массы автомобиля.

Цистерны различаются размерами, размещением люков, отстойников, деталей крепления и т.д., но все же они имеют много общих элементов. На
рис. 8.2 показано устройство цистерны на пожарных автомобилях
АЦ-40(131)137, АЦ-40(130)63Б и др. Обечайка 15 с обеих сторон закрыта приваренными днищами. Над верхней частью обечайки из отверстия выходит установленная в цистерне контрольная труба 2. Сверху она закрыта крышкой 1. При переполнении цистерны лишняя вода по этой трубе будет выливаться.

 
 

 


Рис. 8.2. Цистерна:

1, 4 – крышки; 2 – контрольная труба; 3 – горловина; 5 – кронштейн; 6 – труба;
7 – штуцер; 8 – заборная труба; 9 – отстойник; 10 – рычаг; 11 – кран; 12 – стремянка;
13 – волнолом; 14 – крышка горизонтального люка; 15 – обечайка; 16 – передняя опора; 17, 20 – амортизаторы; 18 – болт; 19 – задняя опора; 21 – брусок; 22 – гидроконтакт

На верхней части цистерны имеется горловина 3. Она обеспечивает доступ внутрь цистерны для ее осмотра и ремонта. Горловина закрывается крышкой 4 с резиновым уплотнением.


В днище имеется отстойник 9. Слив отстоя производится через кран 11, который открывается с помощью рычага 10.

Забор воды осуществляется по трубе 8. На заднем днище цистерны на кронштейне 5 установлен тахометр. Штуцер 7 и труба 6 служат для подсоединения водопенных коммуникаций.

В переднем днище имеется горловина горизонтального люка 14. Для уменьшения силы удара жидкости о стенки цистерны при изменении скорости движения автомобиля установлены волноломы. Для измерения уровня заполнения цистерны водой установлены гидроконтакты 22.

Цистерна закрепляется в трех точках. В передней части опора 16 шарнирная, к ней болтами 18 закреплены амортизаторы 17. В задней части двумя опорами 19 через амортизаторы 20 на брусках 21 цистерна устанавливается на раму и крепится стремянками 12.

Цистернами такого типа оборудованы многие АЦ на шасси ЗИЛ, Урал и др.

Другой тип цистерн используется на АЦ-3-40(4326), АЦ-5-40(4925) и др. Основой их является (рис. 8.3) корпус 4 с ребрами жесткости 5 со скругленными углами. В верхней части цистерны имеется люк 6, предназначенный для осмотра и очистки внутренней полости. Люк закрывается крышкой 6, к которой приварен патрубок 7 для наполнения цистерны водой.

В нижней части цистерны имеется патрубок 9 для соединения ее с насосом, сливной патрубок 10 и нижний конец сливной трубы 11.

Цистерна имеет пять датчиков 8 уровня воды, представляющих собой пластмассовую пробку с впаянными в нее электродами. При достижении воды уровня датчиков происходит замыкание электрической цепи и на щите приборов загорается соответствующий светодиод. Световоды сигнализации уровня воды в цистерне расположены на панелях приборов, установленных в насосном отсеке и кабине водителя.

Цистерна 4 установлена на кронштейнах 2, прикрепленных к балкам рамы шасси 1. Крепление цистерны осуществляется хомутами 3, закрепленными болтами с гайками на кронштейнах 2.

Баки для пенообразователя изготовляют вместимостью от 0,08 до 1 м3, они должны составлять не менее 6 % от вместимости цистерны. Их конструируют из нержавеющей стали. Трубопроводы и арматура к ним должны изготовляться из коррозионностойких по отношению к пенообразователям материалам. Конструкция пенобаков должна исключать пролив пенообразователя из баков при движении АЦ и при его подаче в насос. Конструктивными мерами или компоновочными приемами должна обеспечиваться положительная температура пенообразователя в баках.

 
 

 

 


Рис. 8.4. Бак пенообразователя:

1 – днище; 2 – обечайка; 3 – горловина; 4 – крышка; 5 – волнолом; 6 – отстойник;
7 – заглушка; 8 – штуцер

 

На современных АЦ пенобаки могут иметь разную конструкцию. На рис. 8.4 представлен пенобак цилиндрической формы с окружностью в поперечном сечении. Бак состоит из обечайки 2 с двумя днищами 1. Бак заполняют пенообразователем через горловину 3, закрываемую крышкой 4. Отстой из отстойника 6 сливают через отверстие, закрываемое пробкой 7. Внутри бака имеются волноломы 5. Пенообразователь поступает в насос по трубопроводу, подсоединенному к штуцеру 8.

На АЦ нового поколения баки в поперечном сечении имеют форму квадрата с закругленными углами (рис. 8.5). На верхней части бака 4 установлена заливная горловина 5 с присоединенной к ней рукавной головкой 6. Внизу закреплен вентиль 7 для поступления пенообразователя к насосу.


Бак крепится хомутами 3 гайкой 2 к подрамнику.

Пенобаки размещают, как правило, в насосном отсеке.

Приводы пожарных насосов. Кинематические схемы приводов ПН одинаковы на всех АЦ. Они включают соединенные последовательно с двигателем шасси коробку отбора мощности, карданную передачу и промежуточную опору. В приводах пожарных насосов автоцистерн на шасси КамАЗ используются дополнительные зубчатые передачи в качестве мультипликаторов.

В карданных передачах используется от одного до трех карданных валов базового шасси, соединяемых промежуточными опорами.

Коробка отбора мощности, промежуточные опоры и редукторы специально разработаны для автоцистерн.

Коробки отбора мощности (КОМ). Они, как правило, механические, одноступенчатые.

КОМ АЦ на шасси ГАЗ установлена на боковом люке раздаточной коробки. От КОМ крутящий момент передается на насос через два карданных вала, соединенных промежуточной опорой. Ее конструкция представлена на рис. 8.6.

Промежуточная шестерня 8 находится в постоянном зацеплении с шестерней первичного вала раздаточной коробки. Шестерня 8 вращается на двух подшипниках 11, закрепленных на оси 10. Ось фиксируется стопорной пластиной 9. На шлицах вала 5 может с помощью штока 3 перемещаться шестерня 6. При таком ее положении, как показано на рисунке, мощность будет передаваться на фланец 13 соединительной муфты. Передний конец штока 3 соединен тягой с рычагом включения, который находится в кабине.

Перед включением пожарного насоса рычаг раздаточной коробки необходимо поставить в нейтральное положение и включить прямую передачу на коробке передач.

На крышке люка 1 смонтирован змеевик (на рисунке не показан) для охлаждения коробки отбора мощности во время ее работы на пожарном насосе. Змеевик включен в дополнительную систему охлаждения АЦ. Охлаждение осуществляется водой из пожарного насоса.

 
 

 


Рис. 8.6. Коробка отбора мощности:

1 – крышка люка; 2 – корпус коробки; 3 – шток; 4 – шариковые подшипники; 5 – вал;
6 – ведомые шестерни; 7 – крышка подшипника; 8 – шестерня промежуточная;
9 – пластина стопорная; 10 – ось; 11 – подшипник; 12 – манжета; 13 – фланец

 
 

 


Рис. 8.7. КОМ автомобиля на шасси ГАЗ:

1 – ведущий вал с муфтой; 2 – зубчатое колесо; 3 – ось; 4 – промежуточное зубчатое колесо; 5 – ведомые шестерни к потребителю энергии; 6 – ведомый вал с муфтой;
7 – зубчатая муфта; 8 – зубчатое колесо; 9 – ведомый вал с муфтой к трансмиссии
автомобиля; 10 – шестерня; 11 – шток; 12 – теплообменник

Конструкция КОМ, установленных на ряде пожарных автомобилей, имеет некоторые особенности (рис. 8.7). Ведущий вал 1 соединен с первичным валом коробки передач. На нем закреплена шестерня 10, на которой находится зубчатая муфта 7. На роликовом подшипнике установлено зубчатое колесо 2. С ним в зацеплении постоянно находятся зубчатые колеса 4 и 5. В положении, указанном на рисунке, КОМ выключена. При перемещении штока 11 механизма управления в левую сторону ведущая зубчатая муфта 7 будет соединена с зубчатым колесом 2. Таким образом, крутящий момент будет передаваться зубчатыми колесами 4 и 5 к ведомому валу 6 с муфтой к потребителю. При перемещении штока 11 в правую сторону зубчатая муфта 7 соединит зубчатые колеса 10 и 8. При этом вращающий момент будет подведен к ведущему валу 9 с муфтой и к трансмиссии автомобиля.


Охлаждение КОМ осуществляется водой от пожарного насоса, подводимой к теплообменнику 12, установленному в масляной ванне.

В некоторых конструкциях АЦ-0,8-30/2(530104) теплообменник в виде радиатора устанавливают на коробке передач, к которой присоединены КОМ. Теплообменник и коробка передач разделены разделительной ребристой перегородкой. Нагретое масло в коробке передач постоянно отбрасывается вращающимися шестернями на охлажденную перегородку радиатора и тем самым снижает его температуру.

КОМ АЦ на шасси ЗИЛ. Механическая, одноступенчатая с передаточным числом 1,176 (рис. 8.8).

Детали КОМ заключены в чугунный корпус 2. Он же является крышкой коробки передач. Включение требуемой передачи производится перемещением вилок переключения 13 на штоках 1 рычагом 3. Основные детали КОМ: ось 17, промежуточная шестерня 14, ведомая шестерня 5, первичный вал 18 и вторичный вал 8, зубчатая муфта 7, подшипники 6, сальник 10, фланцевая муфта 11. Ось 17 закреплена в корпусе КОМ. На ней на роликовых конических подшипниках установлена промежуточная шестерня 14. Она находится в постоянном зацеплении с шестерней ведущего вала 18 шестерней коробки передач.

Осевой зазор в конических роликовых подшипниках должен находиться в пределах 0,04 – 0,11 мм. Его измеряют индикатором по осевому люфту промежуточной шестерни 14. Устанавливается требуемый зазор с помощью картонных прокладок под фланец, крепящий ось.

Ведомая шестерня 5 с помощью шпонки закреплена на первичном валу 18. В шестерне имеется радиальное отверстие, совмещенное с отверстиями в теле вала. По ним подводится масло к подшипнику. Масло выдавливается при контакте боковых поверхностей зубьев промежуточной 14 и ведомой 5 шестернями.

 

 


Рис. 8.8. КОМ-68Б автоцистерны на шасси ЗИЛ:

1 – шток переключения передач; 2 – корпус; 3 – рычаг переключения передач;
4 – вилка включения; 5 – шестерня, Z =17; 6 – подшипники; 7 – зубчатая муфта;
8 – вторичный вал; 9 – крышка; 10 – сальник; 11 – фланцевая муфта; 12 – рукоятка;
13 – вилка переключения передач; 14 – шестерня, Z = 41(40); 15 – конический
роликоподшипник; 16 – стержень включения насоса; 17 – ось шестерни;
18 – первичный вал

В КОМ используются цилиндрические шестерни с косыми зубьями. Возникающие при их вращении осевые усилия воспринимаются коническими роликовыми подшипниками 15 и шариковыми подшипниками.

Вторичный вал 8 опирается на подшипники. Соединение первичного и вторичного валов осуществляется зубчатой муфтой 7. Ее включение производится вилкой 4, закрепленной на стержне включения насоса 16, перемещаемого рукояткой 12. Фиксирование положения вилки включения насоса производится стопором. Таким образом, предотвращается самопроизвольное включение и выключение соединительной муфты.

На выходном конце вторичного вала закреплена на шлицах фланцевая полумуфта. С ее помощью этот вал соединяется с карданным валом привода насоса. Предотвращение вытекания масла осуществляется резиновой манжеткой (сальником) 10, закрепленной на крышке 9.

КОМ фиксируется двумя установочными штифтами, размещенными на верхнем фланце коробки передач. Осевой зазор между вершинами зубьев и впадинами зацепляющихся шестерен обеспечивается подбором толщины картонных прокладок между фланцами КОМ и коробки передач. При правильно подобранной толщине прокладок шестерни должны свободно вращаться.

Обкатку КОМ производят в течение 10 ч при частоте вращения вала насоса 2000 мин-1. Воду подают насосом из открытого водоема двумя стволами с насадкой 19 мм. Затем еще в течение 10 ч работают при частоте вращения вала насоса 2400 мин-1.

Порядок включения КОМ при установке пожарного автомобиля на водоисточник следующий: выжать педаль сцепления; рычаг коробки передач поставить в нейтральное положение; рычаг КОМ перевести «на себя»; отпустить педаль сцепления.

При движении пожарного автомобиля необходимо выжать педаль сцепления, перевести рычаг КОМ «на себя».

Коробка отбора мощности КОМ-ПМ принципиально не отличается от КОМ-68. Она устанавливается на пожарных автомобилях АЦ-40(43202). Конструктивные особенности заключаются в следующем. Корпус КОМ состоит из двух частей. В нижней части размещен механизм переключения передач, а также ось, на которой установлена промежуточная шестерня.

В верхней части корпуса на подшипниках установлен ведомый вал. На этом валу размещена ведомая шестерня. Она вращается на подшипнике скольжения и находится в постоянном зацеплении с промежуточной шестерней. На шлицах ведомого вала установлена соединительная муфта. При перемещении рычага «на себя» ползун вилкой соединяет муфту 7 с венцом шестерни. Фиксатор предотвращает самовыключение муфты.

Смазывание поверхностей трения деталей осуществляется разбрызгиванием масла. К подшипникам качения со стороны, противоположной выходу ведомого вала, масло подается шестеренчатым насосом коробки передач.

Обкатка КОМ производится в течение 4 ч под нагрузкой и 2 ч без нагрузки. Включение ее аналогично включению КОМ-68.

КОМ АЦ на шасси КамАЗ механические, одноступенчатые, одинаковые на всех модификациях шасси.

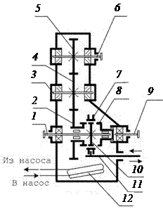
В отличие от ранее рассмотренных валы и оси этих КОМ расположены не в вертикальной плоскости, а как схематически показано на рис. 8.9. Особенностью их является также то, что на них предусмотрен отбор мощности двумя потребителями – пожарным насосом и приводом, например насосом в гидравлических системах управления.

На рис. 8.9 представлена кинематическая схема КОМ в развернутом виде. На ее оси 5, закрепленной в корпусе, свободно вращается на шариковых опорах зубчатое колесо 4. Оно находится в постоянном зацеплении с зубчатым венцом первичного вала коробки передач и зубчатыми колесами 3 и 6, свободно вращающимися на валах 2 и 7. Валы 2 и 7, в свою очередь, свободно вращаются на шариковых опорах, закрепленных в корпусе КОМ. Кроме того, как одно целое с валами изготовлены и зубчатые колеса. Соединение зубчатых венцов зубчатых колес 4 и 6 с зубчатыми колесами валов передвижной муфтой с помощью скалки обеспечит передачу мощности от коробки передач через КОМ и фланец 9 муфты к карданному валу, а затем к пожарному насосу.

Привод управления КОМ – электро-
пневматический.

Пневмоклапан с электрическим управлением предназначен для включения и выключения КОМ. При включении тумблера «КОМ» на панели управления электромагнит клапана включит поступление воздуха из пневмосистемы в пневмоцилиндр КОМ. Штоки пневмоцилиндров соединены со скалкой 8 и 1. При включении КОМ загорается светодиод на панели управления в насосном отсеке и в кабине водителя.

Все КОМ смазываются трансмиссионными маслами, используемыми в коробках передач шасси базовых автомобилей. На поверхности трения масло поступает в виде масляного тумана или в каплеобразном состоянии, которые образуются в результате диспергирования масла при вращении зубчатых колес.

Промежуточные опоры. Промежуточные опоры предназначены для сопряжения карданных валов в карданных передачах. Они бывают с длинными и короткими валами.

Промежуточные опоры с длинными валами устанавливаются на всех АЦ, за исключением АЦ на шасси ГАЗ. Устройство промежуточной опоры показано на рис. 8.10. Вал опоры 6 вращается на двухрядных радиально-сферических подшипниках 4. Применение этих подшипников допускает некоторый перекос валов, что облегчает монтаж приводов.

В приводах АЦ на шасси ГАЗ применяются промежуточные опоры с короткими валами (рис. 8.11). Вал 2 установлен в корпусе опоры 1 на двух однорядных шариковых подшипниках 3. Карданные валы фланцами муфт соединяются с фланцами 6 опоры.

Промежуточные опоры не применяются на АЦ со средним расположением пожарного насоса. При этом мощность от двигателя
внутреннего сгорания передается на вал пожарного насоса одним кар-
данным валом.

 

 
 

 


Рис. 8.10. Промежуточная опора с длинным валом:

1 – муфта фланца; 2, 7 – сальники; 3 – корпус подшипника; 4 – подшипник; 5 – крышка; 6 – вал; 7 – манжета; 8 – масленка

                                       
   
10
   
9
   
7
 
8
 
 
 
 
6
 
5
 
1
     
3
 
2
     
4
 
 

 


Рис. 8.11. Промежуточная опора с коротким валом:

1 – корпус; 2 – вал; 3 – подшипники; 4 – крышки; 5 – сальники; 6 – фланцевая муфта;
7 – грязеотражатель; 8 – масленка; 9 – прокладка; 10 – стопорное кольцо

 

Дополнительные зубчатые передачи. Дополнительные передачи применяются только на АЦ, сооружаемых на шасси КамАЗ. На АЦ с пожарными насосами ПЦНВ 4/400 для повышения частоты вращения вала насоса применяется двухступенчатый мультипликатор, изображенный на рис. 8.12. В корпусе 1 установлены два кронштейна 2 шариковых подшипников качения. На этих подшипниках и таких же подшипниках, установленных в корпусе 1, размещены валы 3 и 9 с фланцами муфт. С валом 3 соединяется карданный вал от КОМ, а с валом 9 – вал пожарного насоса. Зубчатые колеса на валах закреплены шпонками. На валу 5 установлены два зубчатых колеса 6 и 7. Каждая пара зубчатых колес имеет передаточное отношение, близкое к 1,7. Это позволяет повышать обороты вала насоса до
6400 об/мин. Расположен механизм в заднем отсеке кузова автоцистерны.

На АЦ с другими типами пожарных насосов в систему привода входит шестеренчатый механизм мультипликатор с паразитным колесом (рис. 8.13). К фланцу муфты на валу 2 присоединяется карданный вал от КОМ, а к фланцу муфты 8 – карданный вал к насосу. Передаточное число механизма равно 1,7. Зубчатые колеса 3 и 7 закреплены на валах 2 и 6 шпонками. Ось 4 закреплена в корпусе 1. Паразитное зубчатое колесо 5 вращается на оси 4.

В качестве опор использованы роликовые конические подшипники качения. Этот механизм применен для экономичности работы двигателя шасси. Это обусловлено тем, что на шасси КамАЗ установлены дизели. Частота вращения вала дизеля близка к требуемой частоте вращения вала пожарного насоса. Поэтому применение механизма с повышением частоты вращения (мультипликатора) обеспечит потребление мощности при более низких и, следовательно, более экономичных скоростных режимах эксплуатации двигателя.







Date: 2015-05-09; view: 1267; Нарушение авторских прав



mydocx.ru - 2015-2026 year. (0.588 sec.) Все материалы представленные на сайте исключительно с целью ознакомления читателями и не преследуют коммерческих целей или нарушение авторских прав - Пожаловаться на публикацию