Главная Случайная страница


Полезное:

Как сделать разговор полезным и приятным Как сделать объемную звезду своими руками Как сделать то, что делать не хочется? Как сделать погремушку Как сделать так чтобы женщины сами знакомились с вами Как сделать идею коммерческой Как сделать хорошую растяжку ног? Как сделать наш разум здоровым? Как сделать, чтобы люди обманывали меньше Вопрос 4. Как сделать так, чтобы вас уважали и ценили? Как сделать лучше себе и другим людям Как сделать свидание интересным?


Категории:

АрхитектураАстрономияБиологияГеографияГеологияИнформатикаИскусствоИсторияКулинарияКультураМаркетингМатематикаМедицинаМенеджментОхрана трудаПравоПроизводствоПсихологияРелигияСоциологияСпортТехникаФизикаФилософияХимияЭкологияЭкономикаЭлектроника






Глава 5.4. Пожарные мотопомпы





 

 

Современные мотопомпы играют важную роль в обеспечении тушения пожаров различной степени сложности, в том числе в труднодоступных районах. Таким образом, от конструктивного совершенства, надежности работы и технических параметров мотопомп во многом зависит успешное выполнение задач, связанных с тушением пожаров.

Назначение и классификация ПМ.

Пожарные мотопомпы предназначены для подачи во­ды из водоисточника (река, озеро, пруд, колодец и т. п.) к месту пожара как в сельской местности, так и на не­больших промышленных объектах, где содержание авто­цистерн и насосно-рукавных автомобилей невозможно или нецелесообразно по экономическим причинам. Мото­помпы являются одним из основных моторизованных средств, используемых на пожаре добровольными фор­мированиями. Они также применяются при тушении лес­ных пожаров, для заполнения водяных емкостей пожар­ных вертолетов, приспособленной сельскохозяйственной техники и транспортных автоцистерн, используемых для подачи воды к месту пожара. Мотопомпы входят в комп­лект пожарного оборудования пожарных поездов.

Все имеющиеся на вооружении пожарных формиро­ваний пожарные мотопомпы подразделяются:

по виду транспортирования — на переносные и прицеп­ные;

по виду двигателя — с двигателем внутреннего сгорания и газотурбинным двигателем;

по типу двигателя — с одноцилиндровым двухтактным двигателем (с подачей до 600 л/мин), с двухцилиндровым двухтактным двигателем (с подачей 800 л/мин) и с четырехцилиндровым четырехтактным двигателем (с подачей 1600 л/мин).

К пожарным мотопомпам предъявляются следующие требования:

· небольшие габариты и масса;

· постоянная готовность к работе;

· хорошие пусковые качества;

· высокая надежность работы;

· двигатель МП должен быть хорошо уравновешен на всех режимах работы агрегата;

· время забора воды с высоты 5 м. не должно превышать 40 с.;

· запас топлива в баке должен обеспечивать работу на номинальном режиме не менее 2 часов;

· простота управления и удобство обслуживания;

· колея прицепных мотопомп должна вписываться в колею грузовых автомобилей.

 

Устройство и принцип действия пожарных мотопомп.

 

В общем виде пожарные мотопомпы имеют три основных части: рама, двигатель, насос. Как и в других моторизированных средствах, в устройстве мотопомп можно выделить следующие системы:

· система питания топливом и воздухом;

· система смазки;

· система охлаждения;

· система удаления отработавших газов;

· система зажигания;

· система запуска;

· система забора воды;

· система управления.

 

Таблица 5.5. Тактико-технические характеристики мотопомп.

Показатель   МП-600А МП-800Б   МП-13   МП-1600
Тип Переносная Прицепная
Масса, кг        
Подача насоса, л/мин        
Напор, МПа        
Наибольшая геометрическая высота всасывания, м                
Двигатель бензиновый карбюраторный Двухтактный с водяным охлаждением     Двухтактный с воздушным охлаждением Четырех тактный ЗМЗ-24-01  
Марка карбюратора К-28В К-28В К-16В К-126Г
Мощность двигателя, кВт 9,5   17,2   17,6   40,4  
Система зажигания   Магнето М-17Б Магнето М- 135 Магнето М- 135 Батарейная  
Вместимость топливного бака, л   17,5      
Внутренний диаметр патрубка, мм: всасывающего напорного                
Время забора воды, с          
Наличие пеносмесителя Нет Нет Нет Есть

Мотопомпа МП-600А (рис. 5.59) (ГОСТ 8554—69) представляет собой агрегат, состоящий из одноцилиндро­вого двухтактного карбюраторного двигателя внутрен­него сгорания, одноступенчатого центробежного насоса 7 и ротационного вакуум-аппарата 4, смонтированных на легком сварном основании 6, которое имеет ручки для переноса. Работу двигателя и насоса обеспечивают си­стемы запуска двигателя, зажигания, питания, охлажде­ния, выхлопа, вакуумная, всасывающая и напорная ли­нии. В верхней части картера имеется расточное отвер­стие для установки цилиндра, в нижней части имеется отверстие с резьбой для спускного крана. Крышка кар­тера крепится к корпусу картера двигателя четырьмя шпильками и гайками. Для наблюдения за сальником в крышке картера предусмотрены два больших окна. В нижней части находится отверстие для слива воды, просачивающейся через сальник насоса. Между гильзой и наружными стенками цилиндра имеется водяная ру­башка.


На рабочей поверхности цилиндра расположены вса­сывающие и выхлопные окна. Всасывающие окна соеди­нены через патрубок с карбюратором 9, выхлопные - с глушителем 3. Предусмотрены также перепускные (продувочные) окна, которые сообщаются с камерой карте­ра.

 

 

Рис. 5.59. Мотопомпа МП-600А:

1—топливный бак; 2 — отверстие для свечи; 3 — глушитель; 4 — ротационный вакуум-аппарат; 5 — магнето; 6 — основание вакуумметра;

7 — центробежный насос; 8—напорный патрубок;

9 — карбюратор; 10 — воздухоочиститель; 11 — кран

Головка цилиндра (из алюминиевого сплава) соеди­няется с корпусом цилиндра и крепится к нему шпилька­ми с гайками. Рубашки охлаждения цилиндра и голов­ки сообщаются между собой. Головка цилиндра снизу имеет сферическую поверхность, которая служит каме­рой сжатия. В боковой стенке головки цилиндра имеется отверстие для штуцера, по которому отводится нагретая вода из рубашки охлаждения.

В верхней части головки цилиндра расположены резь­бовое отверстие для свечи 2, наклонное декомпрессионное отверстие для заливного крана, через который зали­вают топливо в цилиндр двигателя перед запуском двигателя мотопомпы. Коленчатый вал, шатун с ролико­подшипником, поршень с поршневыми кольцами, порш­невой палец и маховик составляют кривошипно-шатунный механизм двигателя мотопомпы.

Коленчатый вал в сборе с шатуном устанавливают в картере двигателя на двух подшипниках. Осевое уси­лие на вал от рабочего колеса насоса воспринимается шарикоподшипником, расположенным в крышке картера. В картере вал уплотняется войлочными сальниками, про­питанными графитовой смазкой. Шатун представляет собой стальную фасонную поковку.

В верхней головке шатуна запрессован подшипник из листовой бронзы с четырьмя отверстиями для подвода смазки к поршневому пальцу. В нижней головке шату­на расположены две канавки для подвода смазки к под­шипнику. Поршень мотопомпы отлит из алюминиевого сплава. Поршневой палец плавающего типа изготовлен из стали. В осевом направлении он фиксируется стопор­ными кольцами. Стальной маховик установлен на ко­ленчатом валу. На ободе маховика расположена коль­цевая канавка,, в которую входит фрикционное колесо вакуум-аппарата при включении.

Система питания двигателя состоит из топливного бака 1 вместимостью 12 л топливопровода, крана 11 и карбюратора 9 с воздухоочистителем 10. В качестве топлива применяют смесь бензина с маслом в соотноше­нии 20: 1. Топливо к карбюратору поступает самотеком. На двигателе мотопомпы установлен карбюратор К-28В, который предназначен для образования горючей смеси путем распыления топлива и перемешивания его с воз­духом в определенной пропорции.

Зажигание рабочей смеси в камере сгорания происходит от магнето. В систему зажигания входят запальная свеча 2 и привод высокого напряжения с карболитовым наконечником для присоединения к запальной свече. Магнето предназначено для получения тока низкого напряжения и преобразования его в ток высокого напряже­ния. На мотопомпе устанавливают магнето СК-М-27Б левого вращения 5 с автоматической муфтой опережения зажигания.


Для крепления магнето на основании установлен кронштейн. Магнето с коленчатым валом двигателя со­единяется промежуточной муфтой. Магнето состоит из корпуса и крышки. В корпусе расположен ротор с посто­янным магнитом, кулачком, первичной и вторичной об­мотками. В корпусе размещены полюсные сердечники, состоящие из пластин электротехнической стали.

Прерыватель с подвижным и неподвижным контакта­ми смонтирован в крышке магнето, в которую вмонти­рован конденсатор гашения дуги на контактах прерыва­теля. Зазор между контактами прерывателя 0,3...0,35 мм. Двигатель охлаждается водой, подаваемой из напор­ной полости насоса через регулирующий пробковый кран по шлангу в нижнюю часть рубашки цилиндра (прину­дительное охлаждение). Горячая вода отводится из ру­башки головки цилиндра по шлангу во всасывающую полость насоса.

Трущиеся поверхности кривошипно-шатунного меха­низма, поршневой группы двигателя, подшипников верх­ней и нижней головок шатуна, подшипников коленчатого вала смазывают мелкодисперсной смесью масла с бен­зином.

Пусковой механизм двигателя состоит из рычага с зубчатым сектором, зубчатки, зубчатой муфты и разъ­единительной пружины. Рычаг отводится в исходное по­ложение возвратной пружиной, закрепленной на его оси. В холодное время года для пуска мотопомпы через кран дополнительно вводится топливо в цилиндр двигателя. В нижней части картера двигателя ввернут пробковый спускной кран для продувки его внутренней полости и слива конденсата.

Насос мотопомпы одноступенчатый центробежный консольного типа обеспечивает подачу воды 600 л/мин (см. таб. 5.5). Он состоит из корпуса, который крепится к крышке кар­тера двигателя, крышки со всасывающим патрубком, направляющего аппарата, рабочего колеса, установленного непосредственно на валу двигателя, напорного патрубка с вентилем 8. На насосе установлен манометр для определения давления воды.

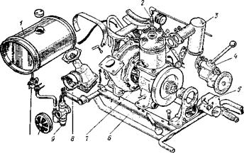
Переносная мотопомпа МП-800 отличается от МП-600 тем, что имеет двухцилиндровый двигатель. Вакуумный аппарат – газоструйного типа, работает от сжатого воздуха, поступающего от левого цилиндра приводного двигателя.

Двигатель мотопомпы (рис. 5.60) имеет рядное расположение цилиндров 15, которые крепятся к картеру.

Головка цилиндров 13 и поршень 14 выполнены из алюминиевого сплава и имеют нарезное отверстие подсвечу и краны для заливки бензина в цилиндры. К головке цилиндров крепится ванна 7 для заливки воды. В головку правого цилиндра ввернут контрольный кран 12 системы охлаждения. Головка левого цилиндра через распределительный кран 6 соединена с вакуум-аппаратом 8.

Коленчатый вал 3 разъемный, установлен в картере 16 на роликоподшипниках. Рабочее колесо насоса 2 и упорный шарикоподшипник установлены непосредственно на левом конце коленчатого вала. Рабочее колесо насоса в кривошипно-шатунном механизме мотопомпы частично выполняет роль маховика. Крышка насоса 4 имеет резьбовой штуцер для всасывающего рукава и сливной кран 1.


Зажигание рабочей смеси в цилиндрах двигателя происходит от двухискрового магнето М-135 левого вращения 17 через привод зажигания. Привод магнето осуще­ствляется от коленчатого вала через промежуточную муфту.

 

Рис. 5.60. Мотопомпа МП-800А:

1 – кран спускной; 2 – рабочее колесо; 3 - коленчатый вал;

4 – крышка насоса; 5- корпус насоса; 6 – распределительный кран;

7 – заливная ванна; 8 – вакуум-аппарат; 9 – бензобак; 10 – кран бензобака;

11 – провод зажигания; 12 – кран спускной; 13 - головка цилиндра;

14 - поршень; 15 - цилиндр; 16 картер; 17 магнето М135;

18 - основание мотопомпы.

 

Система питания двигателя состоит из топливного ба­ка 9, крана топливопровода 10, карбюратора К-36П с воздухоочистителем и узла раздельного питания двигателя, подводящего рабочую смесь в один или два ци­линдра. Смесь к цилиндрам подается через распредели­тельный кран. Подачу топлива регулируют заслонкой карбюратора, соединенной с трехрежимным ограничите­лем оборотов.

Для ограничения числа оборотов двигателя на холостом ходу и при заборе воды предусмотрен трехрежимный ограничитель числа оборотов, который состоит из:

· ограничителя оборотов;

· гидравлического диафрагменного датчика;

· масляной системы.

Ограничитель оборотов (рис. 5.61) состоит из патрубка карбюратора 1, узла раздельного питания двигателя, смонтирован­ного на пробке 2, плавающей втулки 3, заслонки 5, порш­ня 6, крышки 9 с плунжером 18, винтом 19 и рычагом 20. Гидравлический диафрагменный датчик смонтирован на корпусе насоса и состоит из крышки диафрагмы 22, са­мой диафрагмы 21, дна диафрагмы 24, уплотнительной прокладки 25 и узла масленки 23.

Масляная система состоит из маслопровода 30, со­единяющего гидравлический диафрагменный датчик с ограничителем оборотов, с маслопроводом 26. Герме­тичность масляной системы достигается манжетами 7 и 8.

Маслокомпенсатор (устанавливался на МП-800) предназначен для восстановления объема масла под поршнем 6 во время всасывания, а также при небольших утечках масла из маслосистемы. Узел маслокомпенсатора состоит из корпуса 12, крышки 13, диафрагмы 14, втулки 15, пружины 10 и заглушки //.

 

 

I II III

Рис. 5.61. Трехрежимный ограничитель оборотов мотопомпы:

I – холостой ход; II – всасывание; III — рабочий ход.

1- карбюратор; 2 –пробка; 3, 15 – втулки;

4,10,16,28 – пружины; 5 - заслонка; 6 — поршень;

7,8 - манжеты; 9, 13, 22 - крышки; 11 - заглушка;

12 - корпус; 14, 21 24 — диафрагмы; 17 – кулачок;

18 - плунжер; 19 - винт; 20 - рычаг; 23 - масленка;

25 - прокладка; 26, 30 - маслопроводы; 27, 29 - оси;

31 – глушитель.

 

При пуске двигателя (положение I) плавающая втулка 3 находится в нижнем положении и прижимает­ся к заплечикам патрубка /. На нижней части втулки 3 на оси 27 подвешена заслонка 5, которая удерживается пружиной 28 в горизонтальном положении. После пуска двигателя на холостой ход по мере увеличения числа оборотов потоком смеси заслонка 5 прижимается к дну патрубка / и дальнейшее питание двигателя происходит через тарированную щель заслонки 5.

При переводе мотопомпы на режим всасывания (по­ложение II) пробка 2 отключает питание цилиндра, ра­ботающего по типу компрессора, от карбюратора, соеди­няя его с атмосферой. За время поворота пробки 2 спе­циально профилированным кулачком 17, закрепленным на конце пробки, поворачивается рычаг 20 вокруг оси 29, толкая винтом 19 плунжер 18. Плунжер 18 в свою оче­редь толкает поршень 6, который фиксирует заслонку 5 в горизонтальном положении (положение II). При под­нятии поршня 6 в пространстве под поршнем создается разрежение, и масло из маслокомпенсатора под дейст­вием атмосферного давления, которое передается через диафрагму 14, заполняет разреженное пространство под поршнем.

После перевода мотопомпы на рабочий режим в на­сосе повышается давление воды, которое передается втулке 3 через гидравлический диафрагменный датчик и маслосистему. Втулка 3, перемещаясь в крайнее верх­нее положение, полностью открывает проходное отвер­стие патрубка для поступления горючей смеси от кар­бюратора. Таким образом мотопомпа введена в рабочий режим.

При случайных сбросах воды во всасывающей линии давление в насосе падает, вследствие чего усилие на поршень со стороны масла будет снято и силами пру­жин 4 и 16 заслонка 5 займет положение I (холостой ход).

Чтобы в зимних условиях эксплуатации в диафрагменном датчике и в подводящем канале насоса не за­мерзла вода, от глушителя 31 тепло излучением переда­ется диафрагменному датчику.

Пожарная мотопомпа МП-13, модель 162 (выпуска­ется с 1977 г.), состоит из двухтактного двухцилиндро­вого двигателя с муфтой сцепления, центробежного на­соса с всасывающей водокольцевой ступенью, смонтиро­ванных на раме. Рама состоит из двух стальных труб, связанных поперечинами, к которым крепятся двига­тель и насос. Для удобства транспортирования или пе­реноса имеются четыре откидные ручки. На мотопомпе установлен двигатель с принудительным воздушным охлаждением от осевого вентилятора, вращение которо­му передается от коленчатого вала с помощью клиноременной передачи.

Для поддержания заданного режима работы на дви­гателе установлен регулятор частоты вращения. Рабо­чая смесь в цилиндре зажигается от магнето М-135 ле­вого вращения. К топливной системе относятся бак, перекрывной кран, топливопровод и карбюратор К-16В.

Пусковое устройство механическое. Для передачи крутящего момента валу насоса на валу двигателя смон­тирована центробежная муфта сцепления, которая вклю­чается автоматически при вращении с частотой 1200... 1500 мин"1. На мотопомпе установлен центробежный на­сос с системой автоматического забора воды из водо­ема. Для удобства управления все рычаги управления, педаль запуска двигателя и контрольные приборы раз­мещены с одной стороны.

Для доставки к месту пожара переносных мотопомп с комплектом пожарного оборудования используется тележка Т-44. Она состоит из рамы, ходовой части, при­способлений для крепления пожарного оборудования и защитного чехла. На раме из стальных труб устанав­ливают мотопомпу и комплект пожарного оборудования. Ходовая часть одноосная, двухколесная на пневматических шинах. Укомплектованную тележку перемещают один или два человека вручную. Мотопомпа и комплектую­щее оборудование защищено от атмосферных осадков и пыли брезентовым чехлом.

Прицепная пожарная мотопомпа МП-1600(рис. 5.62), предназначенная для подачи воды или воздушно-меха­нической пены при тушении пожаров, также может быть использована для перекачки воды в хозяйственных це­лях. Она представляет собой одноосный прицеп (рама 5 и ходовая часть специальной конструкции), на кото­ром смонтированы двигатель 1 и центробежный на­сос 4.

Насос, имеющий два напорных патрубка с шаровы­ми задвижками, приводится в действие от двигателя ти­па ЗМЗ-24-01. Разрежение во всасывающей полости на­соса и всасывающей линии 7 для всасывания воды из водоисточника создает газоструйный вакуум-аппарат, работа которого основана на принципе эжектирования воздуха из всасывающей линии и насоса отработанны­ми газами двигателя, проходящими через насадку ва­куум-аппарата 3. Для определения давления разреже­ния во всасывающей полости и давления, развиваемого насосом, установлены два мановакуумметра на пульте управления 2, один из которых сообщается со всасыва­ющей полостью насоса, другой - с его нагнетательной полостью. Насос оборудован стационарным пеносмесителем, а мотопомпа укомплектовывается ГПС-600 6. Двигатель и насос закрыты капотом. Зажигание рабо­чей смеси двигателя осуществляется от аккумуляторной батареи напряжением 12 В.

 

Рис. 5.62. Мотопомпа МП-1600:

1 — двигатель; 2 — пульт управления; 3 — вакуумный кран; 4 — центробежный насос;

5 — рама; 6 — генератор пены ГПС-600; 7 — всасывающий рукав.

К системе питания относятся бензобак, расположен­ный в ящике крыла, трубопроводы, фильтр, отстойник, бензиновый насос, карбюратор К-126Г и воздушный фильтр. Двигатель имеет систему охлаждения с прину­дительной циркуляцией. В систему входит водяной на­сос центробежного типа с ременным приводом от колен­чатого вала, трубчато-ленточный трехрядный радиатор и шестилопастной вентилятор, который приводится во вращение от шкива коленчатого вала двигателя клино­видным ремнем. Для охлаждения масла служит масля­ный радиатор. Двигатель приводит в действие электро­стартер СТ-21.

Насос (центробежный, одноступенчатый, с двумя спиральными камерами, консольного типа) присоеди­нен к картеру муфты сцепления двигателя. Он состоит из корпуса, крышки и рабочего колеса, отлитых из алю­миниевого сплава, вала, который одновременно служит валом муфты сцепления, всасывающего патрубка и уз­ла уплотнения. Вал вращается на двух шарикоподшип­никах: передний расположен в маховике двигателя, зад­ний — в корпусе насоса.

Узел уплотнения состоит из трех резиновых армиро­ванных сальников, которые установлены в стакане, при­вернутом к корпусу насоса. На насосе установлены мас­ленка для смазки сальников, гидрокамера, датчики дав­ления и сливной кран.

Напорные патрубки насоса проходят через ящики крыльев, на которых имеются малогабаритные шаровые краны. Для заполнения водой всасывающего рукава и насоса предусмотрена вакуумная система, в которую вхо­дят вакуум-клапан, гидрокамера, газоструйный вакуум-аппарат, трубопровод и ручное дублирующее управ­ление. Вакуум-клапан соединяет и разъединяет полости насоса с газоструйным вакуум-аппаратом. Верхняя по­лость клапана через штуцер соединена с всасывающей полостью насоса, а полость за эксцентриком — с газо­струйным вакуум-аппаратом.

При отсутствии давления в напорном патрубке на­соса вакуум-клапан открыт и полость всасывающего патрубка насоса соединена с газоструйным вакуум-ап­паратом. Разрежение в насосе и всасывающей линии создается газоструйным вакуум-аппаратом.

В насосном отделении на щите расположены следу­ющие приборы управления мотопомпой:

рукоятка выключения вакуум-аппарата на правой стороне рамы мотопомпы (для выключения вакуум-аппарата рукоятку перемещают «на себя» и устанавли­вают фиксатор);

рукоятка выключения сцепления на левой стороне рамы (при выключении рукоятку перемещают «на себя» и устанавливают фиксатор);

рукоятка управления жалюзи на щите приборов в левой части насосного отделения (при перемещении рукоятки «на себя» жалюзи закрываются);

кнопка газа на щите приборов (для открывания дроссельной заслонки кнопку следует подать «на себя»);

кнопка управления воздушной заслонкой карбюра­тора на щите приборов (для закрывания воздушной за­слонки кнопку перемещают «на себя»);

мановакуумметры и другие приборы на щите при­боров.

Мотопомпа оборудована автоматической системой остановки двигателя при срыве столба воды во всасы­вающей линии. Она состоит из реле РКМ-1, контакты которого шунтируют механический контакт прерывате­ля, сигнальной лампы и датчика давления с нормально замкнутым контактом. Датчик установлен в корпусе насоса.

При запуске двигателя, когда давление воды в насо­се отсутствует, включатель «Пуск» переводят в нижнее положение (контакты его разомкнуты, сигнальная лам­па не горит). После пуска двигателя, забора воды и соз­дания давления в насосе нормально замкнутый кон­такт датчика давления размыкается. Переключатель «Пуск» переводят в верхнее положение. Если нет дав­ления воды в насосе, то при срыве столба жидкости во всасывающей линии замкнется контакт датчика давле­ния, реле РКМ-1 сработает и контакты зашунтируют прерыватель. Двигатель остановится, а на щите прибо­ров загорится лампа, сигнализирующая о причине оста­новки.

Во время работы мотопомпы запрещается вы­ключать систему автоматической остановки двигателя.

Мотопомпа МП-1600 создана на базе мотопомпы МП-1400. Она оборудована стационарным пеносмесителем, который установлен между всасывающим и напор­ным патрубками. Пеносмеситель состоит из корпуса крана и корпуса эжектора со всасывающим патрубком. На всасывающем патрубке установлено дозирующее устройство. Всасывающий патрубок закрыт заглушкой. При заборе воды из водоема заглушку снимают с вса­сывающего патрубка и присоединяют шланг, который опускают в емкость с пенообразователем. Пенообразова­тель засасывается во всасывающую полость насоса, сме­шивается с водой, и полученный раствор по напорным рукавам поступает к воздушно-пенному стволу или ге­нератору высокократной пены, входящему в состав ПТВ мотопомпы (см. таб. 5.6).

При заборе воды из гидранта пенообразователь по­ступает в насос через эжектор. Для этого открывают кран пеносмесителя, и вода из напорной линии под дав­лением поступает в эжектор. В камере эжектора созда­ется разрежение, и пенообразователь поступает в пеносмеситель.

Таблица 5.6. Комплектация пожарных мотопомп.

Пожарно -техническое вооружение, шт. МП -600 МП-800 МП -1600 МП-13
Рукав всасывающий          
Рукав напорный:                  
диаметром 51 мм          
» 66 мм          
Сетка всасывающая          
Разветвление       I    
Стволы ручные напорные          
РС-70, РС-50, РС-Б                  
Головка соединительная переходная          
Зажим рукавный          
Ключи для головок соединительных           2  
Комплект запасных частей          
Генератор пены ГПС-600   —   —     —  
Техническое описание и инструкция по          
эксплуатации                  

Эксплуатация пожарных мотопомп.

Новая мотопомпа перед постановкой в боевой расчет обязательно проходит обкатку. Перед обкаткой прово­дят расконсервацию мотопомпы и внешний осмотр для выявления повреждений наружных деталей, а также проверяют надежность крепления отдельных узлов и агрегатов, удаляют смазку с наружных поверхностей.

Переносные мотопомпы. Для расконсервации двига­теля удаляют консервационное масло, промывают ци­линдр и картер двигателя. Перед промывкой выверты­вают свечу (или вынимают заглушку) из свечного от­верстия головки цилиндра и открывают спускной кран картера. Затем вводят зубчатый сектор рычага пусково­го механизма в зацепление с зубчаткой и, энергично на­жимая на педаль рычага, провертывают несколько раз коленчатый вал двигателя до полного удаления масла из цилиндра и картера. После этого в цилиндр заливают 3...5 см3 бензина, проворачивают несколько раз ко­ленчатый вал и удаляют бензин через спускной кран картера. Запальную свечу промывают в бензине, просу­шивают, ввертывают в отверстие головки цилиндра и надевают на нее наконечник провода зажигания. Убе­дившись в исправности всех узлов и механизмов, мото­помпу готовят к работе.

Во время обкатки происходит приработка рабочих поверхностей деталей, удаляются заусенцы и незна­чительные неровности, прирабатываются вал и под­шипник, гильза цилиндра и кольца. Долговеч­ность новой мотопомпы зависит от соблюдения ре­жима обкатки. Период обкатки не должен превы­шать 40 ч.

При обкатке переносных мотопомп применяют топ­ливную смесь, состоящую из 1 ч. масла, 16 или 18 ч. бензина по объему. Давление в пожарном насосе под­держивают не более 0,4 МПа при насадке диаметром 16 мм для мотопомпы марки МП-600А и диаметром 22 мм для мотопомпы марки МП-800.

После обкатки мотопомпу готовят к работе, для че­го проверяют надежность крепления отдельных узлов и их исправность. Затем наполняют топливные баки го­рючим, масленки маслом, систему охлаждения водой. Проверяют узлы механизмов и отдельные агрегаты мо­топомп.

При подготовке мотопомпы МП-600А к работе про­веряют:

не заклинило ли поршень в цилиндре или рабочее колесо в корпусе насоса (вращением маховика);

разбрасываются ли ролики вакуум-аппарата (вра­щением фрикционного колеса).

Убедившись в исправности вакуум-аппарата, в его корпус заливают 50...60 см3 масла М10-ГИ.

Далее вывертывают свечу и соединяют ее с прово­дом высокого напряжения. Проворачивая коленчатый вал, проверяют наличие искры между электродами. После проверки свечу ввертывают в головку блока ци­линдра и соединяют с проводом высокого напряжения. Заливают воду в рубашку охлаждения, закрывают кра­ны водяного охлаждения и центробежного насоса, при­соединяют всасывающие и напорные рукава. Всасыва­ющую линию опускают в водоем на глубину не менее 200 мм, открывают топливный кран, нажимают на кнопку утолителя поплавка и проверяют поступление топли­ва в карбюратор.

Для подготовки мотопомпы МП-800Б к работе руко­ятку распределительного крана переводят в крайнее положение (в сторону напорной задвижки насоса), от­вертывают пробку заливной ванны и открывают конт­рольный кран на головке правого цилиндра. Заливают воду в рубашку охлаждения. При появлении воды кон­трольный кран закрывают.

При подготовке мотопомпы МП-13 к работе во вса­сывающую систему перед ее пуском через заливочную горловину наливают 1 л воды (зимой антифриз или ди­зельное топливо).

Пуск переносных мотопомп:

рычаги фиксатора ставят в такое положение, чтобы в карбюраторе образовывалась обогащенная смесь; для облегчения пуска в цилиндр холодного двигателя зали­вают 2...3 см3 бензина;

рукоятку распределительного крана мотопомпы (МП-800Б) переводят в крайнее положение до упора (в сторону глушителя);

правой ногой нажимают на педаль рычага пускового механизма и вводят в зацепление сектор с зубчаткой; далее медленным нажатием на педаль переводят пор­шень двигателя в положение начала сжатия и резким нажимом педали вниз производят запуск; после запуска быстро снимают ногу с педали и, управляя рычагами карбюратора, регулируют работу двигателя.

Заполнение насоса водой:

движением рукоятки вакуум-аппарата «от себя» вво­дят фрикционное колесо в паз маховика и держат там (без сильного нажима) до появления воды из выходно­го отверстия вакуум-аппарата (на мотопомпе МП-800Б рукоятку распределительного крана переводят в край­нее положение в сторону напорной задвижки насоса); выход струи воды из диффузора вакуум-аппарата сви­детельствует о заполнении насоса водой (на мотопомпе МП-13 вода забирается автоматически);

убедившись по манометру, что в насосе создалось давление, приоткрывают задвижку напорного патрубка;

после поступления воды в напорные рукава на МП-600А выключают вакуум-аппарат (перемещают ру­коятку «на себя»), а на МП-800Б переводят рукоятку распределительного крана в крайнее положение до упоpa (в сторону глушителя); частоту вращения двигателя регулируют при полностью открытой задвижке напорно­го патрубка.

Для остановки мотопомп:

устанавливают минимальную частоту вращения дви­гателя, после чего выключают зажигание; на мотопомпе МП-800Б прежде, чем выключить зажигание, рукоятку распределительного крана переводят в промежуточное положение; после остановки двигателя у мотопомп МП-800Б и МП-600А топливный кран закрывают, от­соединив дюритовый шланг от штуцера карбюратора, и сливают через кран остатки бензина;

закрывают задвижку на напорном патрубке насоса и открывают сливной кран насоса, а также краны си­стемы охлаждения.

Отсоединяют всасывающую и напорную линии и на­вертывают заглушку на всасывающий патрубок насоса. Если мотопомпы МП-600А или МП-800Б подавали гряз­ную воду, то по окончании работы промывают систему охлаждения двигателя. Кроме того, у мотопомпы МП-600А снимают вакуум-аппарат с пробки-оси и про­мывают сетчатый фильтр. Затем удаляют остатки воды из вакуум-аппарата и заливают в него масло М10-ГИ.

У мотопомпы МП-800Б проверяют плавность переме­щения рукоятки распределительного крана. При необхо­димости снимают газоструйный вакуум-аппарат, рас­пределительный кран. Промывают и смазывают поса­дочные места пробок, а также пробки вакуум-аппарата и распределительного крана. Заправляют бензобак топ­ливом.

После работы мотопомпы проверяют систему зажи­гания, очищают нагар с электродов свечей, смазывают поршневую группу двигателя (заливают в цилиндры 20...30 см3 масла, наполняют пресс-масленки солидо­лом). У мотопомп МП-600А и МП-800Б насухо протира­ют неокрашенные поверхности пускового механизма и смазывают их маслом М10-Б. Промывают напорные и всасывающие пожарные рукава и просушивают их. Подготовленную мотопомпу ставят в пожарное депо.

Прицепные мотопомпы. При расконсервации мото­помпы МП-1600 удаляют с деталей консервационную смазку, обмывают их керосином или бензином и проти­рают насухо. Перед пуском двигателя вывертывают свечи, промывают их в бензине и просушивают. Затем в каждый цилиндр заливают по 15...20 см3 моторного масла и, вращая заводную рукоятку, делают коленчатым валом 10...15 оборотов. Проверив уровень масла в кар­тере двигателя, приступают к подготовке мотопомпы к работе.

Прицепную пожарную мотопомпу МП-1600 перед об­каткой заправляют бензином с октановым числом, ука­занным в заводской инструкции. К каждому напорному штуцеру присоединяют напорный рукав со стволом, имеющим диаметр насадки 16 мм.

Обкатку проводят по нагрузке на двигатель в соот­ветствии с требованиями заводской инструкции. После обкатки снимают ограничительную шайбу между кар­бюратором и всасывающим коллектором. Составляют акт, в котором указывают режим обкатки.

Затем заменяют масло в двигателе и проверяют уста­новку зажигания. Кроме того, проверяют и регулируют натяжение ремня вентилятора.

Обкатку и испытание прицепных мотопомп после ре­монта проводят в такой последовательности:

проверяют устойчивость работы двигателя на малых оборотах холостого хода, герметичность соединений тру­бопроводов и фланцев, а также действие рычагов и ру­кояток управления;

обкатывают мотопомпу в течение 30 мин при мано­метрическом давлении в насосе 0,4...0,5 МПа;

измеряют подачу насоса при полном напоре, уста­новленном для каждого типа мотопомпы при геометри­ческой высоте всасывания 3,5 м.

Герметичность всасывающей системы и исправность газоструйного вакуум-аппарата проверяют путем опро­бования на «сухой вакуум».

Ежедневно при смене караула моторист проверяет: крепление болтовых соединений; состояние всех частей, механизмов; укомплектованность инструментом и пожарно-техническим оборудованием; заправку топливом и смазку отдельных узлов. Кроме того, кратковремен­ным запуском проверяют работу двигателя мотопомпы, герметичность всасывающей системы и работу газо­струйного вакуум-аппарата путем опробования на «су­хой вакуум».

После остановки двигателя прицепных мотопомп 15...20 раз поворачивают рукоятку фильтра грубой очист­ки масла.

Пуск прицепной мотопомпы МП-1600 в работу:

устанавливают опоры мотопомпы на ровную площад­ку у водоисточника, присоединяют всасывающие и на­порные пожарные рукава и опускают всасывающую сетку в водоем;

включают зажигание и нажатием на кнопку «Стар­тер» (или пусковой рукояткой) заводят двигатель; изме­нением положения дроссельной заслонки увеличивают частоту вращения двигателя и следят за показанием ма­нометра на щите приборов (слышен характерный шум вакуум-аппарата). Когда давление по манометру дости­гает 0,2...0,3 МПа, вентиль напорного патрубка плавно открывают и включают систему автоматической останов­ки двигателя.

При работе мотопомп следят за тем, чтобы всасыва­ющая сетка была полностью погружена в воду, а также смазывают сальники насоса (крышку колпачковых мас­ленок поворачивают на 2...3 оборота), наблюдают за уровнем топлива в топливном баке и температурой во­ды в системе охлаждения. Температуру регулируют с помощью жалюзи или вентилей на линии теплообмен­ника. Давление в масляной системе должно быть в пре­делах 0,2...0,4 МПа.

Техническое обслуживание мотопомп.

Обслуживание включает: осмотр, уход, чистку, регу­лировку узлов и механизмов, проверку укомплектован­ности и состояния пожарно-технического вооружения, заправку топливно-смазочными материалами. Техничес­кое обслуживание мотопомп по объему выполняемых работ и их периодичность подразделяют на следующие виды: во время работы, после работы, техническое об­служивание № 1 (ТО-1) и №2 (ТО-2). Техническое обслуживание во время работы и после нее выполняют независимо от времени, проработанного мотопомпой. Техническое обслуживание № 1 и 2 произ­водят через определенные периоды работы мотопомп со­гласно требованиям заводских инструкций: ТО-1 — один раз в месяц, ТО-2 - один раз в полгода.

При техническом обслуживании № 1 (ТО-1) прово­дят внешний осмотр мотопомпы, убеждаются в исправ­ности ее узлов и деталей, отсутствии течи топлива, мас­ла и воды. Протирают мотопомпу и очищают ее от грязи и пыли. Пускают двигатель, прогревают его и проверяют:

устойчивость его работы на разных оборотах (при необходимости регулируют режим работы на малых оборотах);

показания контрольно-измерительных приборов, т. е. указателя температуры воды в системе охлаждения, ам­перметра и масляного манометра мотопомпы МП-1600;

крепление приборов на двигателе и двигателя на ра­ме, затяжку болтов и гаек головки блока цилиндров двигателя;

состояние сцепления мотопомпы МП-1600, соедине­ние тяги с рычагом сцепления; выжимной подшипник смазывают через 20 ч работы двигателя завертыванием крышки колпачковой масленки;

состояние пускового устройства (мотопомпы МП-600А и МП-800Б) — сектор пускового механизма должен свободно входить в зацепление с пусковой зуб­чаткой и возвращаться в исходное положение.

Проверяют систему питания: снимают с карбюрато­ра воздушный фильтр, промывают его в бензине; в кор­пус воздушного фильтра мотопомпы МП-1600 заливают свежее масло; устанавливают воздушный фильтр на место; сливают топливо из бака, отсоединяют бензо­провод, отвертывают крышку бака и топливный кран, промывают бензином бензопровод и кран, продувают и устанавливают их на место; проверяют состояние и крепление карбюратора, а также работу приводов дроссельной и воздушной заслонок; при необходимости разбирают, чистят и регулируют карбюратор; у мото­помпы МП-1600 проверяют работу топливного насоса, удаляют отстой грязи из фильтра-отстойника. Проверя­ют систему смазки: через 48ч работы меняют масло в картере двигателя мотопомпы МП-1600, одновременно меняют фильтрующий элемент тонкой очистки; проверя­ют уровень масла в картере двигателя и при необходи­мости доливают; смесь топлива в мотопомпах МП-600А и МП-800Б тщательно перемешивают чистой деревян­ной лопаточкой; узлы мотопомпы смазывают.

В системе охлаждения проверяют: состояние и креп­ление узлов и деталей системы охлаждения двигателя '(летом также состояние дополнительного охлаждения двигателя на мотопомпе МП-1600); состояние и натя­жение ремня вентилятора.

В системе зажигания и электрооборудования прове­ряют: чистоту и состояние контактов прерывателя (при необходимости зачищают контакты и устанавливают требуемый зазор); состояние свечей зажигания (нагар с электродов свечи счищают ветошью, смоченной в бен­зине); состояние электроприборов и проводов высокого напряжения; уровень и плотность электролита в бан­ках аккумулятора МП-1600 и при необходимости подза­ряжают аккумуляторную батарею, очищают вентиляци­онные отверстия в пробках и зачищают выводные зажи­мы батареи.

В центробежном насосе проверяют: крепление насо­са к раме; затяжку гаек; состояние кранов, патрубков и контрольных приборов (при необходимости разбирают насос, обращают особое внимание на состояние шпоноч­ного соединения рабочего колеса на валу); крепление трубок, соединяющих полость насоса с газоструйным вакуум-аппаратом; состояние рычагов и тяг включения газоструйного вакуум-аппарата (при необходимости у мотопомпы МП-1600 очищают от нагара газоструй­ный вакуум-аппарат, у мотопомпы МП-600А снимают вакуум-аппарат, разбирают, промывают в керосине корпус и ротор с роликами, собирают вакуум-аппарат, устанавливают его на место и заливают маслом); стук разбрасываемых роликов при провертывании фрикци­онного колеса; герметичность насоса.

В пожарном оборудовании проверяют состояние вса­сывающих и напорных рукавов, рукавных соединений, всасывающей сетки, соединительных головок, уплотнительных колец, а также разветвления и стволов.

При техническом обслуживании№ 2 (ТО-2) прово­дят работы, предусмотренные ТО-1, и дополнительно выполняют следующие операции: частично разбирают двигатель, удаляют нагар с головки цилиндров, днищ поршневых колец, канавок, поршней, каналов и выхлоп­ных окон цилиндров у мотопомп МП-600А и МП-800Б. Нагар с головки блока цилиндров и днищ поршней у мотопомпы МП-1600 удаляют в случае детонации, уменьшения мощности двигателя и увеличения расхода бензина. Проверяют: состояние прокладки головки ци­линдра (блока цилиндров); зазоры между клапаном и коромыслами у мотопомпы МП-1600 (при необходи­мости регулируют); компрессию в цилиндрах двигате­ля. Промывают в бензине детали, очищенные от нагара, просушивают узлы и собирают двигатель. Заменяют в двигателе масло соответственно сезону эксплуатации и промывают систему смазки мотопомпы МП-1600.

В системе охлаждения проверяют состояние трубо­проводов, спускных кранов, прокладок и мест соедине­ний, работу термостата мотопомпы МП-1600; промыва­ют от накипи и осадков систему охлаждения.

В системе питания снимают и разбирают карбюра­тор, промывают детали в бензине, продувают жиклеры, проверяют и при необходимости регулируют уровень топлива в поплавковой камере карбюратора, регулиру­ют работу карбюратора; проверяют крепление приборов системы питания, герметичность топливного бака и сое­динений топливопроводов; промывают ацетоном или уайт-спиритом бензобак, фильтры и топливопроводы.

В системе зажигания и электрооборудования прове­ряют: состояние свечей зажигания (удаляют нагар, ре­гулируют зазоры между электродами); состояние и ра­боту стартера, реле-регулятора на мотопомпе МП-1600; установку зажигания; доводят уровень и плотность элек­тролита до заданного значения.

При переходе на зимний период эксплуатации утеп­ляют аккумуляторную батарею теплоизолирующими ма­териалами. После проведения ТО-1 или ТО-2 испытыва­ют подачу мотопомпой воды из открытого водоема. При этом проверяют соответствие требованиям инструкции: времени заполнения насоса водой с помощью вакуум-аппарата, полного напора, создаваемого насосом, пода­чи при геометрической высоте всасывания (для мото­помпы МП-600А-1,5м, для мотопомп МП-800Б, МП-13 и МП-1600 -3,5м).

От правильной установки зажигания зависит нор­мальная работа двигателя мотопомпы. Даже небольшие ошибки и небрежность в выполнении операций по уста­новке зажигания затрудняют пуск двигателя. Прежде­временное зажигание приводит к сильной детонации, в результате которой может произойти пробивка про­кладки цилиндров, а также прогорание клапана и порш­ней. Позднее зажигание способствует увеличению расхо­да топлива и перегреву двигателя.

Для установки батарейного зажигания у мотопомпы МП-1600 выполняют следующие операции:

снимают крышку распределителя и ротор, проверя­ют зазор между контактами прерывателя (в случае необходимости регулируют), ставят ротор на место, вы­вертывают свечу первого цилиндра;

закрыв пальцем отверстие свечи первого цилиндра, проворачивают коленчатый вал двигателя пусковой ру­кояткой до начала выхода воздуха из-под пальца;

убедившись, что сжатие началось, осторожно пово­рачивают вал двигателя до совпадения установочного отверстия на шкиве коленчатого вала со штифтом на крышке распределительных шестерен;

устанавливают ротор распределителя против внут­реннего контакта его крышки, соединенного с проводом от свечи первого цилиндра; гайками плавной настройки устанавливают шкалу октан-корректор на нулевое деление; ослабив винты крепления, поворачивают корпус распределителя против часовой стрелки до замыкания контактов; контрольную лампочку (напряжением 12 В) одним проводом соединяют на массу, а другим — с клем­мой низкого напряжения на катушке (к которой крепят провод, идущий к распределителю);

включают зажигание и осторожно поворачивают кор­пус распределителя по часовой стрелке до зажигания лампочки; вращение распределителя прекращают в мо­мент вспыхивания лампочки; если этого не удается сде­лать, то все движения нужно повторить, вернув корпус распределителя в исходное положение; удерживая кор­пус распределителя от проворачивания, затягивают винт крепления распределителя и ставят крышку, а также центральный провод на место. Проверяют правильность присоединения проводов от свечей (начиная с первого цилиндра провода должны быть присоединены последо­вательно против часовой стрелки); вращением гаек ок­тан-корректора производят доводку установки зажига­ния на двигателе, прогретом до 90 °С; при большой на­грузке должен работать со слабой детонацией.

Для установки зажигания у мотопомпы МП-600А выполняют следующие операции: вывертывают свечу за­жигания, вставляют щуп в отверстие под свечу и, пово­рачивая маховик, подводят поршень в верхнюю мерт­вую точку; в этом положении на щупе делают две риски (одну на уровне отверстия, другую выше его на 1,5 мм), поворачивают маховик до тех пор, пока верхняя риска не дойдет до первой верхней метки, так называемой мертвой точки - это положение соответствует углу опережения зажигания 12...16° в статическом положении 30...34 ° при частоте вращения 1050 мин"1;

поворотом ротора магнето по часовой стрелке уста­навливают контакты в положение размыкания и соеди­няют муфту опережения зажигания с кулачковой муф­той привода, неподвижно сидящей на коленчатом валу двигателя;

поворачивают корпус магнето в пределах овальных отверстий фланца корпуса до -совпадения риски на ку­лачке с острием указателя и закрепляют магнето бол­тами;

ввертывают свечу зажигания в головку цилиндра и соединяют проводом высокого напряжения централь­ный электрод свечи с контактом высокого напряжения магнето.

Для установки зажигания у мотопомпы МП-800Б поршень первого цилиндра (считая от магнето) перево­дят в верхнюю мертвую точку, поворачивают муфту маг­нето так, чтобы красная метка на муфте опережения зажигания оказалась в верхнем положении, и закрепля­ют корпус магнето на картере двигателя. Соединяют проводами высокого напряжения «свечу зажигания пер­вого цилиндра с первой клеммой на магнето, свечу вто­рого цилиндра - со второй клеммой на магнето.

 







Date: 2015-05-09; view: 11320; Нарушение авторских прав



mydocx.ru - 2015-2026 year. (0.574 sec.) Все материалы представленные на сайте исключительно с целью ознакомления читателями и не преследуют коммерческих целей или нарушение авторских прав - Пожаловаться на публикацию