Главная Случайная страница


Полезное:

Как сделать разговор полезным и приятным Как сделать объемную звезду своими руками Как сделать то, что делать не хочется? Как сделать погремушку Как сделать так чтобы женщины сами знакомились с вами Как сделать идею коммерческой Как сделать хорошую растяжку ног? Как сделать наш разум здоровым? Как сделать, чтобы люди обманывали меньше Вопрос 4. Как сделать так, чтобы вас уважали и ценили? Как сделать лучше себе и другим людям Как сделать свидание интересным?


Категории:

АрхитектураАстрономияБиологияГеографияГеологияИнформатикаИскусствоИсторияКулинарияКультураМаркетингМатематикаМедицинаМенеджментОхрана трудаПравоПроизводствоПсихологияРелигияСоциологияСпортТехникаФизикаФилософияХимияЭкологияЭкономикаЭлектроника






Контроль и профилактика повреждений изоляции





Контроль изоляции — измерение ее активного или омического сопротивления с целью обнаружения дефектов и предупреждения за­мыканий на землю и коротких замыканий.

Следует отметить, что сигнализацию о замыканиях на землю без измерения сопротивления изоляции нельзя назвать контролем изоляции.

Состояние изоляции в значительной мере определяет степень безопасности эксплуатации электроустановок. Сопротивление изоля­ции в сетях с изолированной нейтралью определяет ток замыкания на землю, а значит, и ток, проходящий через человека.

В сетях напряжением выше 1000 В снижение сопротивления изоляции почти всегда приводит к глухому замыканию на землю.

При заземленной нейтрали ток замыкания на землю и ток, про­ходящий через человека, не зависят от сопротивления изоляции. Но при плохом состоянии изоляции часто происходят ее повреждения, что приво­дит к глухим замыканиям на землю (корпус) и к коротким замыканиям.

При замыкании на корпус возникает опасность поражения лю­дей электрическим током, так как нетоковедущие части, с которыми человек нормально имеет контакт, оказываются под напряжением.

Чтобы предотвратить замыкания на землю и другие повреждения изоляции, при которых возникает опасность поражения людей электри­ческим током, а также выход из строя оборудования, необходимо про­водить испытания повышенным напряжением и контроль изоляции.

Приемосдаточные испытания проводятся при вводе в эксплуа­тацию вновь смонтированных и вышедших из ремонта электроуста­новок. Объем и нормы приемосдаточных испытаний регламентируют ПУЭ и ПТЭ.

При испытаниях повышенным напряжением дефекты изоля­ции обнаруживаются вследствие пробоя и последующего прожигания изоляции (током). Выявленные дефекты устраняются, и повторно производятся испытания исправленного оборудования.

Периодический контроль изоляции — измерение ее сопротивле­ния при приемке электроустановки после монтажа, периодически в сро­ки, устанавливаемые Правилами, или в случае обнаружения дефектов.

Измерение согласно Правилам должно производиться на от­ключенной установке. При таком измерении можно определить со­противление изоляции отдельных участков сети, электрических ап­паратов, трансформаторов, электродвигателей и т.п.

Измеряется сопротивление изоляции каждой фазы относительно земли и между каждой парой фаз на каждом участке между двумя по­следовательно установленными аппаратами защиты или за последним защитным аппаратом (автоматическим выключателем, плавким предохранителем). Сопротивление изоляции каждого участка в сетях напря­жением до 1000 В должно быть не ниже 0,5 МОм на фазу. Для электри­ческих аппаратов и машин нормы другие, поэтому они от сети отключа­ются и измерение сопротивления их изоляции производится отдельно. Нормы на сопротивление изоляции регламентированы в ПУЭ и ПТЭ. Измерение производится мегомметрами.

Показания логометра не зависят от напряжения генератора, поэтому при изменении частоты вращения рукоятки генератора не снижается точность измерения.

Сопротивление изоляции нелинейно — оно зависит от приложенного напряжения, как показано на рис. 16.18. Поэтому изме­рительное напряжение должно быть не ниже номинального напряжения электро­установки или несколько больше, что по­зволяет проверить и электрическую проч­ность изоляции.

О 20 40 60 80 100 U, В Рис. 16.18. Зависимость сопротивления изоляции от приложенного напряжения

Однако чрезмерно высокое измери­тельное напряжение может повредить изо­ляцию, не имеющую существенных дефектов. Исходя из этого в ПТЭ регламенти­руется напряжение мегомметра в зави­симости от номинального напряжения электроустановки.

Измеренное таким образом сопротивление изоляции отдельных участков сети не может служить критерием безопасности, так как ток замыкания на землю определяется сопротивлением изоляции всей сети относительно земли. В результате таких измерений выявляются участки с дефектной изоляцией, требующие профилактических мероприятий для предупреждения замыканий на землю и коротких замыканий.

Чтобы получить представление о сопротивлении изоляции всей сети, измерение надо производить под рабочим напряжением с под­ключенными потребителями (рис. 16.19).

Такой контроль изоляции возможен только в сетях с изолиро­ванной нейтралью, так как в сети с заземленной нейтралью постоян­ный ток прибора контроля изоляции замыкается через малое сопро­тивление заземления нейтрали и прибор (мегомметр) покажет нуль.

Таким образом может быть измерено только сопротивление изоляции фаз относительно земли, так как сопротивление междуфаз­ной изоляции в работающей сети шунтируется источником и нагруз­кой сети (потребителями), сопротивления которых постоянному току составляют доли ома (рис. 16.19, б).


При измерении сопротивления изоляции под напряжением прибор контроля изоляции (мегомметр), создавая самостоятельную цепь постоянного тока, реагирует лишь на активные (омические) со­противления изоляции фаз относительно земли га, гь, гс и схема на рис. 16.19, а получает вид, показанный на рис. 16.19, б. Из этой схемы замещения следует, что прибор покажет общее сопротивление изоля­ции всей сети, т.е. независимо от того, к какой фазе он подключен.

Измерение сопротивления изоляции под рабочим напряжением отражает состояние изоляции всей сети, включая источник и потре­бители тока. Полученное таким образом сопротивление изоляции по­зволяет судить о степени безопасности эксплуатации данной сети. Понятно, что нормы, приведенные в ПТЭ, не могут служить в данном случае критерием исправности изоляции, так как они заданы не для всей сети, а только для ее отдельных участков.

Судить об исправности или о появлении дефектов изоляции по результатам измерений под напряжением можно лишь путем сопос­тавления с данными предыдущих измерений. Если результаты ряда измерений совпадают, изоляция исправна. Если же обнаружено рез­кое снижение сопротивления изоляции по сравнению с данными пре­дыдущих измерений, это указывает на наличие дефектов изоляции.

В сетях с небольшой емкостью (до 0,05 мкФ) следует поддержи­вать сопротивление изоляции на таком уровне, чтобы ток, проходя­щий через человека, прикоснувшегося к фазе, не превышал длитель­но допустимого.

Периодический контроль изоляции под рабочим напряжением можно производить мегомметром, но следует учитывать, что напря­жение, под которым оказывается изоляция при таком измерении, на­много превышает номинальное, так как измерительное и рабочее на­пряжения складываются. При положительной полуволне рабочего напряжения к изоляции приложено напряжение, равное сумме по­стоянного измерительного напряжения и амплитудного значения ра­бочего напряжения.

Чтобы не перегрузить изоляцию при измерениях, следует при­менять прибор с небольшим измерительным напряжением (не больше 20...30 В). Так как изоляция находится под рабочим напряжением, из­меряется действительное сопротивление изоляции, соответствующее

этому напряжению. Поэтому измере­ние сопротивления изоляции можно производить обыкновенным омметром, подключив его через дроссель, чтобы ограничить переменный ток через прибор, как показано на рис. 16.20.

Постоянный контроль изоля­ции — измерение сопротивления изо­ляции под рабочим напряжением в течение всего времени работы элек­троустановки без автоматического от­ключения. Отсчет сопротивления изо­ляции производится по шкале прибора.

Рис. 16.20. Схема периодического контроля изоляции омметром

При снижении сопротивления изоляции до предельно допусти­мого или ниже прибор подает звуковой или световой сигнал или оба сигнала вместе.

Прибор постоянного контроля изоляции (ПКИ) должен удовле­творять следующим основным требованиям: показывать только ак­тивное или омическое сопротивление изоляции фаз относительно земли независимо от емкости; колебания напряжения сети не долж­ны влиять на точность показаний прибора; должен быть достаточно надежным; осуществлять самоконтроль, т.е. при неисправности само­го прибора стрелка указателя должна устанавливаться на нуль, а не на оо; сопротивление внутренних цепей прибора должно быть значи­тельно выше полного сопротивления фаз относительно земли (не ни­же 100 кОм). В противном случае при подключении прибора к сети повысится опасность эксплуатации электрооборудования.


В практике применяются приборы постоянного контроля изо­ляции двух типов: на постоянном оперативном токе и вентильные. Рассмотрим некоторые из них.

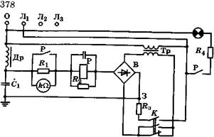
Прибор ПКИ (рис. 16.21) работает на постоянном оперативном то­ке, источником которого служит трансформатор Тр с выпрямителем В.

Постоянный ток от плюса выпрямителя В проходит на зажим 3 через заземление в землю, через сопротивление изоляции, фазные провода сети, через фазные обмотки и нейтраль источника, зажим О,

Рис. 16.21. Принципиальная схема прибора ПКИ

дроссель Др, ука­затель kn, реле Р на минус выпря­мителя В. Чем ниже сопротивле­ние изоляции, тем больший ток про­ходит через ука­затель и реле Р, тем больше от­клонение стрелки указателя. При малых сопротив­лениях изоляции

или при глухом замыкании на землю стрелка указателя отклоняется на всю шкалу. Если сопротивление изоляции высокое, отклонения стрелки не наблюдается, так же как и при неисправности прибора.

Таким образом, прибор ПКИ не осуществляет самоконтроля. Периодический контроль исправности прибора осуществляется кноп­кой «контроль».

В случае снижения сопротивления изоляции ток через указатель и реле возрастает, стрелка отклоняется сильнее. При недопустимо низ­ком сопротивлении изоляции 15—20 кОм реле Р срабатывает и вклю­чает звуковой сигнал (звонок).

Существенным достоинством прибора ПКИ является небольшой измерительный постоянный ток (до 5 мА), что не повышает опасности эксплуатации.

Вентильные схемы контроля изоляции измеряют сопротивле­ние изоляции выпрямленным током. На рис. 16.22 показана про­стейшая вентильная схема 3В (три вентиля).

При положительной полуволне напряжения в фазе А ток проходит через вентиль Д1, указатель Q, заземлитель и сопротивления изоля­ции двух других фаз к источнику. Полярность фаз изменяется и поэто­му постоянный ток про­ходит поочередно через вентили Д1, Д2 и Д3, через указатель Q и со­противление изоляции.

Указатель П представляет собой магнитоэлектрический прибор, через который проходит ток, выпрямленный тремя вентилями. Среднее значение этого тока зависит от общего сопротивления R, определяе­мого из (16.1). При замыкании на землю ток через указатель опреде­ляется эквивалентным сопротивлением Ra. Указатель градуируется в килоомах. Последовательно с указателем может быть включено ре­ле, замыкающее сигнальную цепь, как и в схемах на рис. 16.21.


Приборы контроля изоляции, собранные по вентильной схеме, не требуют источника оперативного тока и поэтому более компактны, более просты в устройстве, однако они имеют некоторые недостатки: не осуществляют самоконтроля, так как при неисправности внутрен­них цепей прибор показывает оо, т.е. исправную изоляцию; точность измерения зависит от колебаний напряжения в сети, а также от сте­пени несимметрии сопротивлений изоляций.

Защита от замыканий на землю, действующая на сигнал, применяется также для обнаружения дефектов изоляции — глухих замыканий на землю. Такая защита реагирует на напряжение фаз относительно земли, на напряжение нулевой последовательности или

Рис. 16.23. Схема трех вольтметров (земляные вольтметры)

на ток нулевой последовательности.

Самая простая схема — схема трех вольтметров (рис. 16.23), которые вклю­чаются в звезду с заземлен­ной нейтральной точкой (иногда эти вольтметры на­зывают земляными).

Каждый вольтметр по­казывает напряжение отно­сительно земли той фазы, к которой он подключен.

Проводимости исправной изоляции приблизительно симмет­ричны и поэтому напряжение смещения нейтрали невелико и на­пряжения фаз относительно земли, которые показывают вольтметры, приблизительно равны фазным напряжениям источника.

При исправной изоляции вольтметры показывают напряжение, приблизительно равное фазному. В случае глухого замыкания на землю один из них показывает нуль, а два других — линейное на­пряжение. Такая схема осуществляет самоконтроль, так как неис­правный вольтметр показывает нуль, как и при замыкании на землю.

Вполне понятно, что по показаниям вольтметров можно судить лишь о наличии или отсутствии замыкания на землю, а не о значе­нии сопротивления изоляции. При симметричном снижении сопро­тивлений изоляции вплоть до короткого замыкания вольтметры ис-

правно будут показывать напряжения, равные фазному.

Таким образом, схема трех вольт­метров не измеряет сопротивления изоляции и не осуществляет контроля изоляции, а только обнаруживает замы­кания на земли).

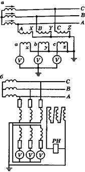
Рис. 16.24. Включение земляных вольтметров через трансформаторы напряжения: а — три одно­фазных трансформатора; б — пятистержневой

В сетях напряжением выше 1000 В контроль изоляции постоянным током за­труднен. Дефекты изоляции при появле­нии в течение короткого времени усили­ваются, и возникает замыкание на землю, которое обнаруживается вольтметрами.

Вольтметры включаются или через однофазные трансформаторы напряжения (рис. 16.24, а), или на вторичные обмот­ки пятистержневого трансформатора на­пряжения, как показано на рис. 16.24, 6.

В такой схеме сигнальное реле включено на напряжение нулевой по­следовательности, полученное суммиро­ванием напряжений трех фаз относи­тельно земли. Это достигается путем соединения трех вторичных обмоток в открытый треугольник. Таким образом, на реле подается напряжение, равное

Рис. 16.25. Принципиальная схема для определения тока нулевой последовательности

U0=(Uaз + Uбз + Uвз)kтн, (16.2)

kтн — коэффициент трансформации трансформатора напряжения; Uaз, Uбз, Uвз — напряжение отно­сительно земли соответственно фазы А, В и С.

При напряжении нейтрали UQ=U реле срабатывает и подает сигнал.

Следует отметить, что вольтметры (или первичные обмотки трансформаторов напряжения) включаются параллельно изоляции фаз относительно земли, что увеличивает ток замыкания на землю и, следовательно, снижает безопасность, поэтому вольтметры или трансформаторы должны иметь высокое сопротивление.

В сетях с заземленной нейтралью контроль изоляции постоян­ным током невозможен, так как сеть соединена с землей через малое сопротивление заземления нейтрали. Защита от замыканий на землю, реагирующая на напряжение фаз относительно земли или на напря­жение нулевой последовательности, не работает, так как при замыканиях на землю напряжения между фазами и землей мало изменяются, а напряжение нулевой последовательности невелико.

Обнаружить замыкание на зем­лю в сети с зазем­ленной нейтралью можно с помощью

прибора, реагирующего на ток нулевой последовательности, равный сумме токов утечки через изоляцию (рис. 16.25):

3I0=Iа+Iь+Iс. (16.3)

Датчиком в такой схеме служит трансформатор тока нулевой последовательности (ТТНП). В качестве первичных обмоток служат фазные жилы кабеля, пропущенные в окно магнитопровода транс­форматора. Вторичная обмотка намотана на магнитопровод.

 







Date: 2015-05-09; view: 3653; Нарушение авторских прав



mydocx.ru - 2015-2026 year. (3.213 sec.) Все материалы представленные на сайте исключительно с целью ознакомления читателями и не преследуют коммерческих целей или нарушение авторских прав - Пожаловаться на публикацию