Главная Случайная страница


Полезное:

Как сделать разговор полезным и приятным Как сделать объемную звезду своими руками Как сделать то, что делать не хочется? Как сделать погремушку Как сделать так чтобы женщины сами знакомились с вами Как сделать идею коммерческой Как сделать хорошую растяжку ног? Как сделать наш разум здоровым? Как сделать, чтобы люди обманывали меньше Вопрос 4. Как сделать так, чтобы вас уважали и ценили? Как сделать лучше себе и другим людям Как сделать свидание интересным?


Категории:

АрхитектураАстрономияБиологияГеографияГеологияИнформатикаИскусствоИсторияКулинарияКультураМаркетингМатематикаМедицинаМенеджментОхрана трудаПравоПроизводствоПсихологияРелигияСоциологияСпортТехникаФизикаФилософияХимияЭкологияЭкономикаЭлектроника






Задачи для самостоятельного решения. 1. В схеме однополупериодного выпрямителя (СМ. Рис. ) на нагрузке Rн = 510ом постоянное напряжение u0=100в





1. В схеме однополупериодного выпрямителя (см.рис.) на нагрузке Rн = 510Ом постоянное напряжение U0 =100В. Правильно ли выбран диод Д2О5, для которого максимальное обратное напряжение Uобр = 400 В, а наибольший выпрямленный ток I0 = 400мА?

2. Для схемы однополупериодного выпрямителя (см.рис.) определить выпрямленное напряжение U0, если амплитуда напряжения первичной обмотки трансформатора U1m = 220 В, коэффициент трансформации п = 1,43.

 

3. Для схемы однополупериодного выпрямителя (см.рис.)определить постоянное напряжение на нагрузке, если на вторичной обмотке трансформатора U2m = 250 В.

 

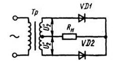
4. В схеме двухполупериодного выпрямителя (см.рис.) через нагрузку проходит постоянный ток I0 = 600 мА. Можно ли в схеме использовать диоды типа Д229В, у которых наибольший средний прямой ток не более 400 мА?

 

5. Определить частоту пульсации первой гармоники напряжения на нагрузке двухполупериодного выпрямителя (см.рис.), если напряжение первичной обмотки трансформатора имеет частоту fс = 400Гц?

6. Для схемы двухполупериодного выпрямителя (см.рис.) определить выпрямленное напряжение на нагрузке U0, если действующее значение напряже­ния вторичной обмотки трансформатора U2 =120В

7. Всхеме двухполупериодного выпрямителя (см.рис.) обратное напряжение, действующее на каждый диод, Uобр = 471,2 В. Определить выпрямленное напряжение на нагрузке U0.

8. Определить амплитуду переменного напряжения на нагрузке в схеме двухполупериодного выпрямителя (см.рис.), если выпрямленный ток, проходящий через каждый диод, I0 = 70 мА, а сопротивление нагрузки Rн = 39 Ом.

9. Частота колебаний пульсации выпрямленного напряжения в схеме двухполупериодного выпрямителя (см.рис.) fс = 2кГц. Какова частота питающей сети?

10. Определить выпрямленное напряжение U0 на нагрузке двухполупериодной мостовой схемы выпрямителя (см.рис.), если амплитуда напряжения первичной обмотки трансформатора U1m = 150 В, а коэффициент трансформации трансформатора п = 2.

11. В двухполупериодной мостовой схеме выпрямителя (см.рис) обратное напряжение на диодах Uобр = 235,5 В. Определить ток, проходящий через каждый диод, если сопротивление нагрузки Rн = 390 Ом.

12. Для двухполупериодной мостовой схемы выпрямителя (см.рис) определить обратное напряжение на диодах, если через каждый диод идет ток I0 = 250мА, а сопротивление нагрузки Rн = 680 Ом.

13. Построить схему двухполупериодного мостового выпрямителя с емкостным сглаживающим фильтром и определить коэффициент сглаживания при условии, что амплитуда напряжения вторичной обмотки трансформатора U2m = 250 В, выпрямленный ток, проходящий через каждый диод, I0 = 50 мА, частота сети fс =400 Гц, емкость конденсатора фильтра Сф = 10 мкФ.

14. Всхему однополупериодного выпрямителя (см.рис) включен емкостный сглаживающий фильтр. Определить емкость конденсатора фильтра, если сопротивление нагрузки Rн = 820 Ом, частота сети fс = 50 Гц, коэффициент сглаживания q =10.

15. Всхему однополупериодного выпрямителя (см.рис) включен индуктивный сглаживающий фильтр. Определить индуктивность дросселя, если выпрямленный ток I0 = 75 мА, выпрямленное напряжение U0 =120 В, частота сети fс = 400 Гц, коэффициент сглаживания q = 15.

16. Всхему двухполупериодного мостового выпрямителя (см.рис) включен индуктивно-емкостный сглаживающий фильтр. Определить элементы фильтра Lф, Сф, если выпрямленный ток, проходящий через каждый диод, I0 =100мА, выпрямленное напряжение на нагрузке U0 =150В, частота сети fс = 50 Гц, коэффициент сглаживания q = qL qC= 100.

17. Определить действующее значение напряжения вторичной обмотки трансформатора в схеме двухполупериодного мостового выпрямителя (см.рис), если через каждый диод идет ток I0 = 150мА, а сопротивление нагрузки Rн = 430Ом.

18. Для схемы однополупериодного выпрямителя (см.рис) определить постоянное напряжение на нагрузке, если на вторичной обмотке трансформатора U2m = 150 В.

19. В схеме двухполупериодного выпрямителя (см.рис) через нагрузку проходит постоянный ток I0 = 500 мА. Можно ли в схеме использовать диоды типа Д229В, у которых наибольший средний прямой ток не более 400 мА?

20. Для схемы двухполупериодного выпрямителя (см.рис) определить выпрямленное напряжение на нагрузке U0, если действующее значение напряже­ния вторичной обмотки трансформатора U2 =220В.

21. Определить амплитуду переменного напряжения на нагрузке в схеме двухполупериодного выпрямителя (см.рис), если выпрямленный ток, проходящий через каждый диод, I0 = 50 мА, а сопротивление нагрузки Rн = 66 Ом.


22. Частота колебаний пульсации выпрямленного напряжения в схеме двухполупериодного выпрямителя (см.рис) fс = 4кГц. Какова частота питающей сети?

23. Построить схему двухполупериодного мостового выпрямителя с емкостным сглаживающим фильтром и определить коэффициент сглаживания при условии, что амплитуда напряжения вторичной обмотки трансформатора U2m = 220 В, выпрямленный ток, проходящий через каждый диод, I0 = 60 мА, частота сети fс =400 Гц, емкость конденсатора фильтра Сф = 20 мкФ.

24. Всхему однополупериодного выпрямителя (см.рис) включен индуктивный сглаживающий фильтр. Определить индуктивность дросселя, если выпрямленный ток I0 = 50 мА, выпрямленное напряжение U0 =220 В, частота сети fс = 400 Гц, коэффициент сглаживания q = 20.

25. Определить (см.рис) действующее значение напряжения вторичной обмотки трансформатора в схеме двухполупериодного мостового выпрямителя (см.рис. 17.4), если через каждый диод идет ток I0 = 200мА, а сопротивление нагрузки Rн = 655Ом.

Однополупериодный выпрямитель Двухполупериодный выпрямитель

 

 

 

Двухполупериодный мостовой выпрямитель







Date: 2015-05-08; view: 5735; Нарушение авторских прав



mydocx.ru - 2015-2026 year. (0.308 sec.) Все материалы представленные на сайте исключительно с целью ознакомления читателями и не преследуют коммерческих целей или нарушение авторских прав - Пожаловаться на публикацию