Главная Случайная страница


Полезное:

Как сделать разговор полезным и приятным Как сделать объемную звезду своими руками Как сделать то, что делать не хочется? Как сделать погремушку Как сделать так чтобы женщины сами знакомились с вами Как сделать идею коммерческой Как сделать хорошую растяжку ног? Как сделать наш разум здоровым? Как сделать, чтобы люди обманывали меньше Вопрос 4. Как сделать так, чтобы вас уважали и ценили? Как сделать лучше себе и другим людям Как сделать свидание интересным?


Категории:

АрхитектураАстрономияБиологияГеографияГеологияИнформатикаИскусствоИсторияКулинарияКультураМаркетингМатематикаМедицинаМенеджментОхрана трудаПравоПроизводствоПсихологияРелигияСоциологияСпортТехникаФизикаФилософияХимияЭкологияЭкономикаЭлектроника






Типовые задачи с решениями. В схеме однополупериодного выпрямителя (СМ. Рис. ) через диод проходит выпрямленный ток I0 = 75ма





 

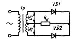
  1. В схеме однополупериодного выпрямителя (см.рис.) через диод проходит выпрямленный ток I0 = 75мА. Определить сопротивление нагрузки Rн, если амплитуда напряжения вторичной обмотки трансформатора U2m = 200 В.
Решение. Согласно (см.рис.), выпрямленное напряжение на нагрузке U0=U2m/π. Сопротивление нагрузки Rн = U0 / I0 = U2m /(π I0) = 220/(3,14·75·10-3) = 850 Ом.  

 

2. Амплитуда напряжения вторичной обмотки трансформатора двухполупериодной схемы выпрямителя (см.рис.) U'2m = 210 В. Определить выпрямленный ток, проходящий через каждый диод I0, если сопротивление нагрузки Rн = 510Ом. Решение. Согласно (см.рис.), выпрямленное напряжение U0 = 2U'2m/π. Ток, проходящий через диод, I0 = U0/(2Rн)= U2m /(π Rн) = 210/(3,14 · 510)= 131 мА.  

 

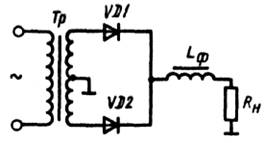
3. Для схемы двухполупериодного выпрямителя с индуктивным сглаживающим фильтром (см.рис.) определить коэффициент сглаживания q, если известно, что амплитуда напряжения вторичной обмотки трансформатора U'2m = 300 В, выпрямленный ток, проходящий через нагрузку, I0 = 200 мА, частота сети fс = 50 Гц, индуктивность дросселя Lф =10Гн.  

 

Решение. Выпрямленное напряжение на нагрузке U0 = 2U'2m/π = 2 · 300/3,14= 191 В.

Сопротивление нагрузки

Rн = U0 / I0 = 191/(200·10-3) = 955 Ом.

Коэффициент сглаживания

q = kn вх/kn вых = XI ф/ Rн = 2πfп Lф/ Rн = 2·3,14·2·50·10/955







Date: 2015-05-08; view: 10793; Нарушение авторских прав



mydocx.ru - 2015-2026 year. (1.206 sec.) Все материалы представленные на сайте исключительно с целью ознакомления читателями и не преследуют коммерческих целей или нарушение авторских прав - Пожаловаться на публикацию